GM Service Manual Online
For 1990-2009 cars only
Figure 1:

Power and Ground, MIL (MX4/MTW)


Object Number: 725725  Size: FS
Master Electrical Component List
Ground Distribution Schematics - G100, G101, G103, G107, G117, G119, G120, G121, G124, G400, G401, G405, G412, G413, G414, S170
Automatic Transmission Controls Schematics - Data Link Connector (DCL), Powertrain Control Module (PCM), Vehicle Speed Signal
Automatic Transmission Controls Schematics - Multifunction Alarm Module, Park/Neutral Position (PNP) Switch, Stoplamp Switch (MX4/MTW)
Automatic Transmission Controls Schematics - Data Link Connector (DCL), Powertrain Control Module (PCM), Vehicle Speed Signal
Power Distribution Schematics - IGN 1 Circuit Breaker, S225, S226, S230
Power Distribution Schematics - IGN 1 Circuit Breaker, S232, S243
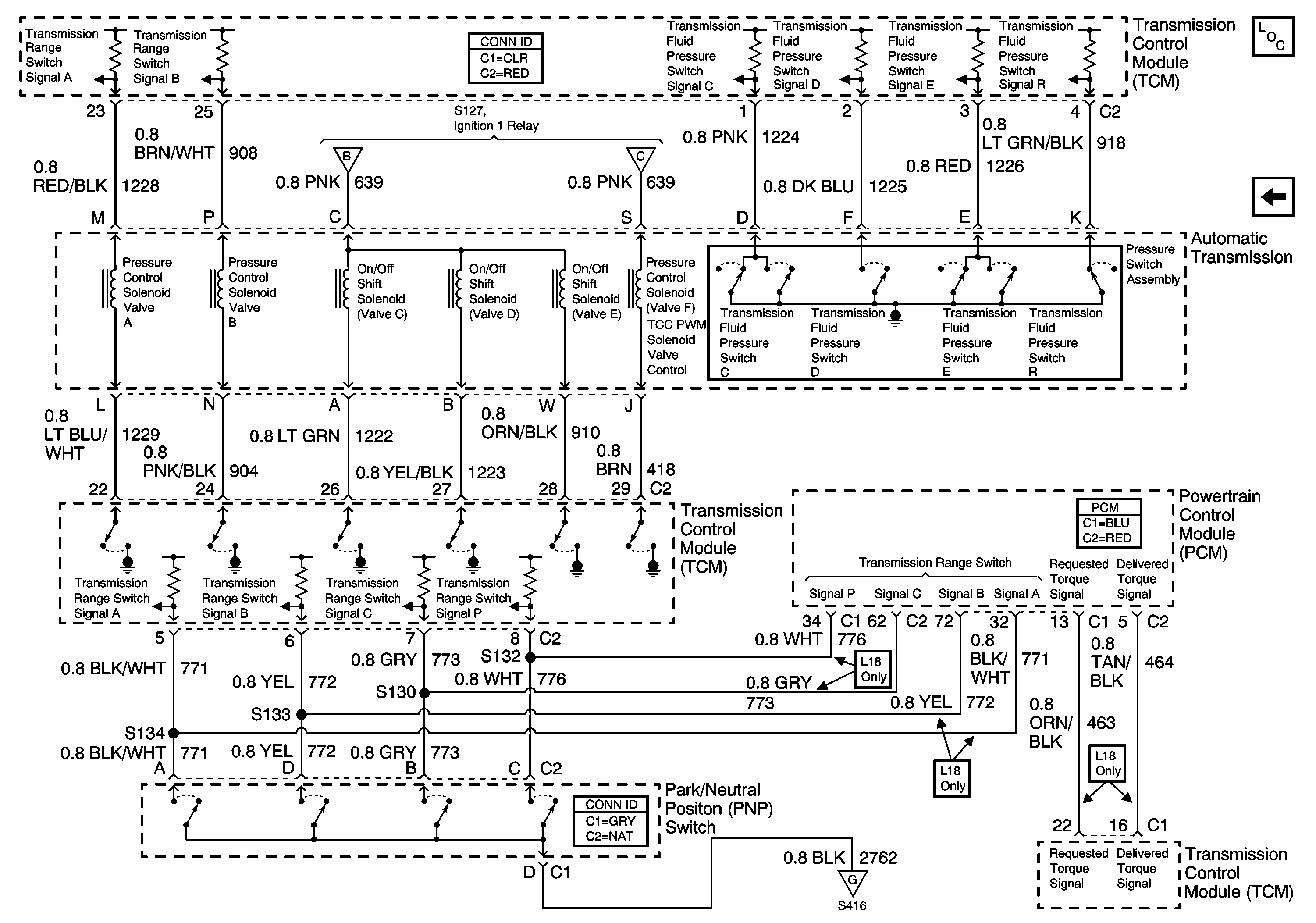
Automatic Transmission Controls Schematics - Internal Pressure Switch and Solenoids (MX4/MTW)
Engine Controls Schematics - Air (IA) Heater, Intake Heater Indicator, Connector C127 and Ignition 1 Relay
Automatic Transmission Controls Schematics - K40 LG5/MX4
Power Distribution Schematics - ECM, ENG and Fuel Circuit Breakers
Power Distribution Schematics - ECM, ENG and Fuel Circuit Breakers
Power Distribution Schematics - ODD INJ and PCM Circuit Breakers L18
Upfitter Provision Schematics - C212 Upfitter Connector Terminals B, N, P, T and X, Junction Block - Upfitter I/P
Automatic Transmission Controls Schematics - Data Link Connector (DCL), Powertrain Control Module (PCM), Vehicle Speed Signal
Figure 2:

Data Link Connector (DLC), Powertrain Control Module (PCM) and Speedometer Adapter (MX4/MTW)


Object Number: 775425  Size: FS
Master Electrical Component List
Automatic Transmission Controls Schematics - Speed and Sump Temperature Sensors and Trans I.D. (MX4/MTW)
Automatic Transmission Controls Schematics - Power and Ground, MIL (MX4/MTW)
Automatic Transmission Controls Schematics - Power and Ground, MIL (MX4/MTW)
Automatic Transmission Controls Schematics - Power and Ground, MIL (MX4/MTW)
Figure 3:

Speed and Sump Temperature Sensors and Trans I.D. (MX4/MTW)


Object Number: 725730  Size: FS
Master Electrical Component List
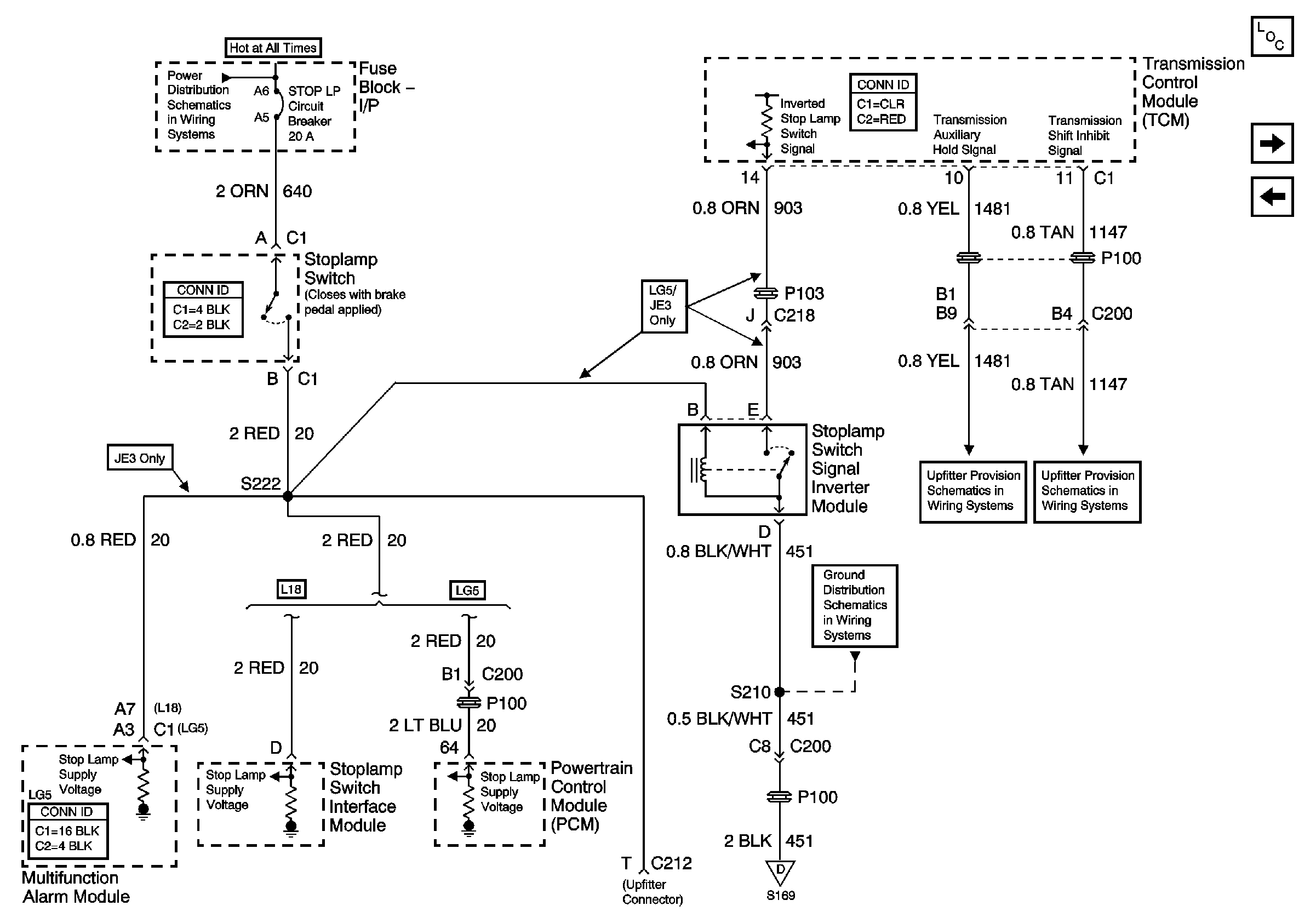
Automatic Transmission Schematics - TCM, Stop Lamp SW Interface Module
Automatic Transmission Controls Schematics - Data Link Connector (DCL), Powertrain Control Module (PCM), Vehicle Speed Signal
Automatic Transmission Controls Schematics - Internal Pressure Switch and Solenoids (MX4/MTW)
Automatic Transmission Schematic Icons
Automatic Transmission Schematic Icons
Automatic Transmission Schematic Icons
Figure 4:

Transmission Control Module (TCM), Stop Lamp Interface Module, PCM


Object Number: 790870  Size: FS
Master Electrical Component List
Automatic Transmission Controls Schematics - Multifunction Alarm Module, Park/Neutral Position (PNP) Switch, Stoplamp Switch (MX4/MTW)
Automatic Transmission Controls Schematics - Speed and Sump Temperature Sensors and Trans I.D. (MX4/MTW)
Automatic Transmission Controls Schematics - Power and Ground, MIL (MX4/MTW)
Ground Distribution Schematics - G108, G207, G208 and S221 LG5
Antilock Brake System Schematics
Engine Exhaust Brake Schematics- Exhaust Brake Switch, Engine Brake Actuator Control Valve, Engine Brake Relay
Engine Exhaust Brake Schematics- Exhaust Brake Switch, Engine Brake Actuator Control Valve, Engine Brake Relay
Figure 5:

Multifunction Alarm Module, Park/Neutral Position (PNP) Switch, Stoplamp Switch (MX4/MTW)


Object Number: 725733  Size: FS
Master Electrical Component List
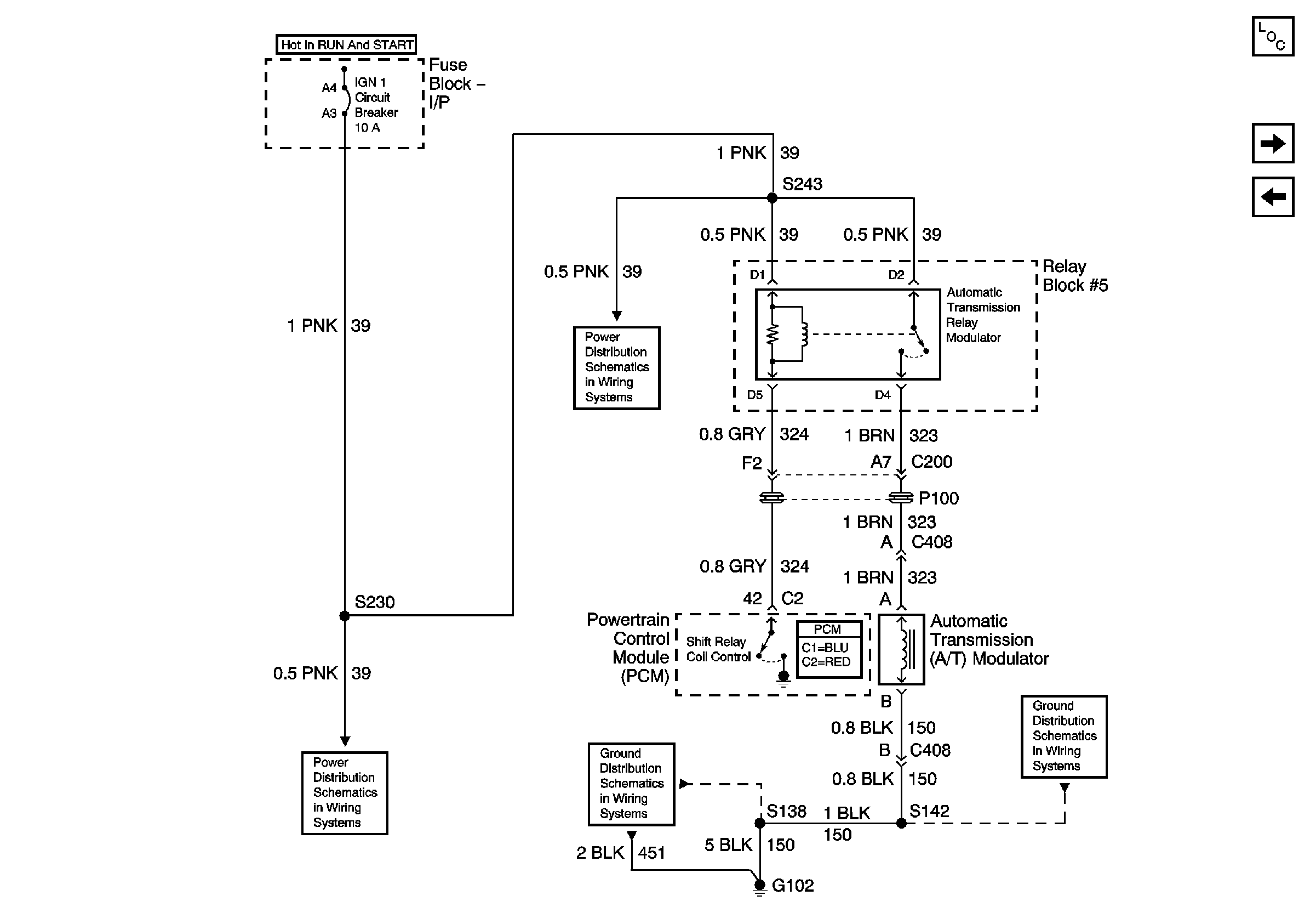
Automatic Transmission Schematics - A/T Modulator and Relay
Automatic Transmission Schematics - TCM, Stop Lamp SW Interface Module
Upfitter Provision Schematics - C212 Upfitter Connector Terminals B, N, P, T and X, Junction Block - Upfitter I/P
Upfitter Provision Schematics - C212 Upfitter Connector Terminals B, N, P, T and X, Junction Block - Upfitter I/P
Ground Distribution Schematics - S169, S210, S411 and S414 LG5
Automatic Transmission Controls Schematics - Power and Ground, MIL (MX4/MTW)
Power Distribution Schematics - HAZ, Horns, PNL, STOP LP and TL/MKR Circuit Breakers
Figure 6:

Automatic Transmission Modulator and Relay


Object Number: 790874  Size: FS
Master Electrical Component List
Automatic Transmission Controls Schematics - Internal Pressure Switch and Solenoids (MX4/MTW)
Automatic Transmission Controls Schematics - Multifunction Alarm Module, Park/Neutral Position (PNP) Switch, Stoplamp Switch (MX4/MTW)
Ground Distribution Schematics - S142, S178, S179, S405 and S409 L18
Power Distribution Schematics - IGN 1 Circuit Breaker, S232, S243
Ground Distribution Schematics - G102, and S138 L18
Power Distribution Schematics - IGN 1 Circuit Breaker, S225, S226, S230
Figure 7:

Internal Pressure Switches and Solenoids (MX4/MTW)


Object Number: 725736  Size: FS
Master Electrical Component List
Automatic Transmission Schematics - A/T Modulator and Relay
Automatic Transmission Controls Schematics - Speed and Sump Temperature Sensors and Trans I.D. (MX4/MTW)
Automatic Transmission Controls Schematics - Power and Ground, MIL (MX4/MTW)
Automatic Transmission Controls Schematics - Power and Ground, MIL (MX4/MTW)