GM Service Manual Online
For 1990-2009 cars only
Makes
🢒
Chevrolet
🢒
2002
🢒
Chevrolet C-Series Medium Duty Truck B7
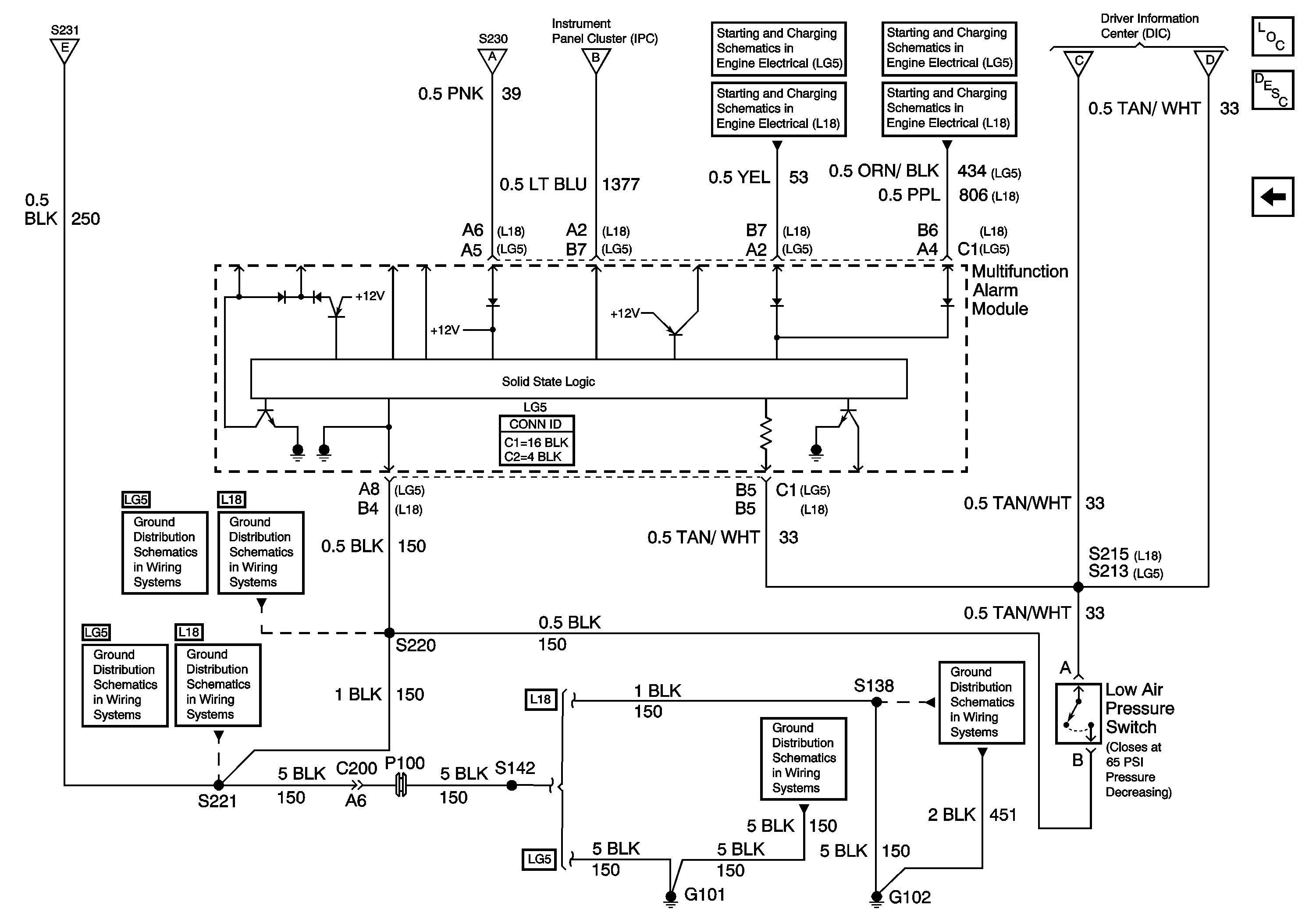
🢒 Low Air Pressure Switch, Multifunction Alarm Module
Low Air Pressure Switch, Multifunction Alarm Module
Low Air Pressure Switch, Multifunction Alarm Module
Master Electrical Component List
Brake Warning System Description and Operation
Driver Information Center (DIC), IPC, Fuse Block - I/P, Stoplamp Switch
Charging Circuit
Charging Circuit
Driver Information Center (DIC), IPC, Fuse Block - I/P, Stoplamp Switch
Driver Information Center (DIC), IPC, Fuse Block - I/P, Stoplamp Switch
Driver Information Center (DIC), IPC, Fuse Block - I/P, Stoplamp Switch
Driver Information Center (DIC), IPC, Fuse Block - I/P, Stoplamp Switch
Driver Information Center (DIC), IPC, Fuse Block - I/P, Stoplamp Switch
Starting Circuit
Starting Circuit (2 of 2)
G108 and S220 (L18)
S220, S229 (LG5 - Late)
G207, G208 and S221 (L18)
G108, G207, G208 and S221 (LG5)
S142, S178, S179, S405 and S409 (L18)
S142 and S241 (LG5)
G102 and S138 (L18)
G101, S138, and S405 (LG5)