GM Service Manual Online
For 1990-2009 cars only
Figure 1:

Cell 20: Power and Grounding


Object Number: 371532  Size: FS
Engine Controls Components
Vehicle Control Module Description
Cell 20 - Ignition System
OBD II Symbol Description Notice
Cell 10: Ignition Switch and Fuse Block
Cell 11: Gauges fuse
Handling ESD Sensitive Parts Notice
Cell 11: ECM-I fuse [L57]
Cell 11: I-3, TURN-B/U, and HTR fuses, AUX CKT BRKR 13
Cell 10: Ignition Switch and Fuse Block
Cell 10: Fuse Block and Headlamp Switch
Cell 11: ECM-BAT and ENG-BAT fuses
Handling ESD Sensitive Parts Notice
Cell 44: Gas, ABS Power and Grounding, DLC Output
Cell 14: S110 [L31/L35]
Cell 14: G200
Cell 14: G108 [L31/L35]
Figure 2:

Cell 20 -- Ignition System


Object Number: 371534  Size: FS
Engine Controls Components
Enhanced Ignition System Description
Cell 20: Fuel Controls - Fuel Pump
Cell 20: Power and Grounding
OBD II Symbol Description Notice
Cell 11: INSTR LPS, TRANS, and ENG-I fuses
Cell 10: Ignition Switch and Fuse Block
Handling ESD Sensitive Parts Notice
Cell 81: Gauges [L57]
Cell 11: ECM-I fuse [L35]
Cell 81: Gauges [L57]
Cell 14: G104 [L31/L35]
Handling ESD Sensitive Parts Notice
Figure 3:

Cell 20: Fuel Controls -- Fuel Pump


Object Number: 371536  Size: FS
Engine Controls Components
Fuel Metering System Component Description
Cell 20: Fuel Controls - Injector Controls
Cell 20 - Ignition System
OBD II Symbol Description Notice
Handling ESD Sensitive Parts Notice
Cell 11: ECM-BAT and ENG-BAT fuses
Cell 10: Fuse Block and Headlamp Switch
Handling ESD Sensitive Parts Notice
Cell 14: G104 [L31/L35]
Cell 14: G105, G106, G110, G400, and G401
Handling ESD Sensitive Parts Notice
Cell 20: Engine Data Sensors - MAP, IAT, TP, ECT
Cell 20: EVAP, EGR, and Tank Pressure Sensor
Figure 4:

Cell 20: Fuel Controls -- Injector Controls


Object Number: 371537  Size: FS
Engine Controls Components
Fuel Metering System Component Description
Cell 20: Engine Data Sensors - MAP, IAT, TP, ECT
Cell 20: Fuel Controls - Fuel Pump
OBD II Symbol Description Notice
Cell 81: Gauges [L31, L35]
Cell 10: Ignition Switch and Fuse Block
Cell 11: ECM-I fuse [L35]
Handling ESD Sensitive Parts Notice
Figure 5:

Cell 20: Engine Data Sensors -- MAP, IAT, TP, ECT


Object Number: 371539  Size: FS
Engine Controls Components
Information Sensors/Switches Description
Cell 20: Engine Data Sensors - HO2S
Cell 20: Fuel Controls - Injector Controls
OBD II Symbol Description Notice
Cell 20: EVAP, EGR, and Tank Pressure Sensor
Cell 20: EVAP, EGR, and Tank Pressure Sensor
Cell 20: EVAP, EGR, and Tank Pressure Sensor
Cell 20: A/T Controls 2 - Internal Switches, Input Shaft Speed
Handling ESD Sensitive Parts Notice
Handling ESD Sensitive Parts Notice
Figure 6:

Cell 20: Engine Data Sensors -- HO2S


Object Number: 371542  Size: FS
Engine Controls Components
Information Sensors/Switches Description
Cell 20: Engine Data Sensors - MAF, IAC, VSS
Cell 20: Engine Data Sensors - MAP, IAT, TP, ECT
OBD II Symbol Description Notice
Cell 11: INSTR LPS, TRANS, and ENG-I fuses
Cell 14: G102 [L31/L35]
Cell 10: Ignition Switch and Fuse Block
Handling ESD Sensitive Parts Notice
Figure 7:

Cell 20: Engine Data Sensors -- MAF, IAC, VSS


Object Number: 371543  Size: FS
Engine Controls Components
Information Sensors/Switches Description
Cell 20: EVAP, EGR, and Tank Pressure Sensor
Cell 20: Engine Data Sensors - HO2S
OBD II Symbol Description Notice
Cell 10: Ignition Switch and Fuse Block
Cell 14: G104 [L31/L35]
Cell 11: Engine Control Sensors
Handling ESD Sensitive Parts Notice
Handling ESD Sensitive Parts Notice
Cell 14: G104 [L31/L35]
Handling ESD Sensitive Parts Notice
Figure 8:

Cell 20: EVAP, EGR, and Tank Pressure Sensor


Object Number: 371545  Size: FS
Engine Controls Components
Exhaust Gas Recirculation (EGR) System Description
Cell 20: A/T Controls 1 - TCC, Solenoids
Cell 20: Engine Data Sensors - MAF, IAC, VSS
OBD II Symbol Description Notice
Cell 11: Engine Control Sensors
Cell 10: Ignition Switch and Fuse Block
Cell 20: Fuel Controls - Fuel Pump
Handling ESD Sensitive Parts Notice
Cell 20: Engine Data Sensors - MAP, IAT, TP, ECT
Handling ESD Sensitive Parts Notice
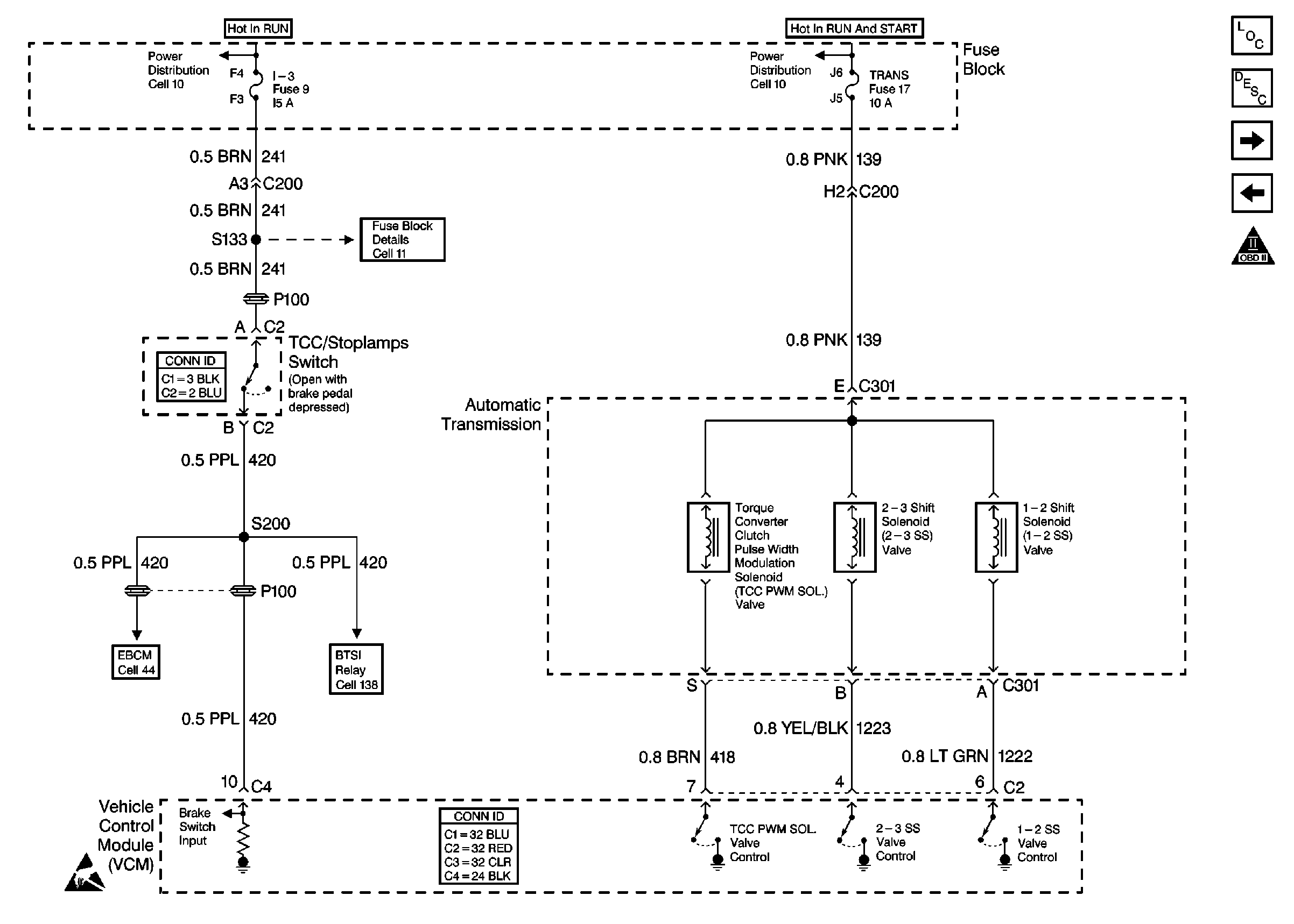
Figure 9:

Cell 20: A/T Controls 1 -- TCC, Solenoids


Object Number: 371546  Size: FS
Engine Controls Components
Electronic Component Description
Cell 20: A/T Controls 2 - Internal Switches, Input Shaft Speed
Cell 20: EVAP, EGR, and Tank Pressure Sensor
OBD II Symbol Description Notice
Cell 10: Ignition Switch and Fuse Block
Cell 10: Ignition Switch and Fuse Block
Handling ESD Sensitive Parts Notice
Cell 44: Gas, ABS Power and Grounding, DLC Output
Cell 138: P42 BTSI Circuit
Cell 11: I-3, TURN-B/U, and HTR fuses, AUX CKT BRKR 13
Figure 10:

Cell 20: A/T Controls 2 -- Internal Switches, Input Shaft Speed


Object Number: 371553  Size: FS
Engine Controls Components
Electronic Component Description
Cell 20: A/C Controls
Cell 20: A/T Controls 1 - TCC, Solenoids
OBD II Symbol Description Notice
Handling ESD Sensitive Parts Notice
Handling ESD Sensitive Parts Notice
Figure 11:

Cell 20: A/C Controls


Object Number: 371558  Size: FS
Engine Controls Components
Information Sensors/Switches Description
Cell 20: A/T Controls 2 - Internal Switches, Input Shaft Speed
OBD II Symbol Description Notice
Cell 14: G200
Cell 14: S110 [L31/L35]
Cell 20: Power and Grounding
Cell 10: Fuse Block and Headlamp Switch
Cell 10: Ignition Switch and Fuse Block
Cell 11: Gauges fuse
Handling ESD Sensitive Parts Notice