GM Service Manual Online
For 1990-2009 cars only
Makes
🢒
Chevrolet
🢒
2004
🢒
Corvette
🢒 Courtesy Lamps
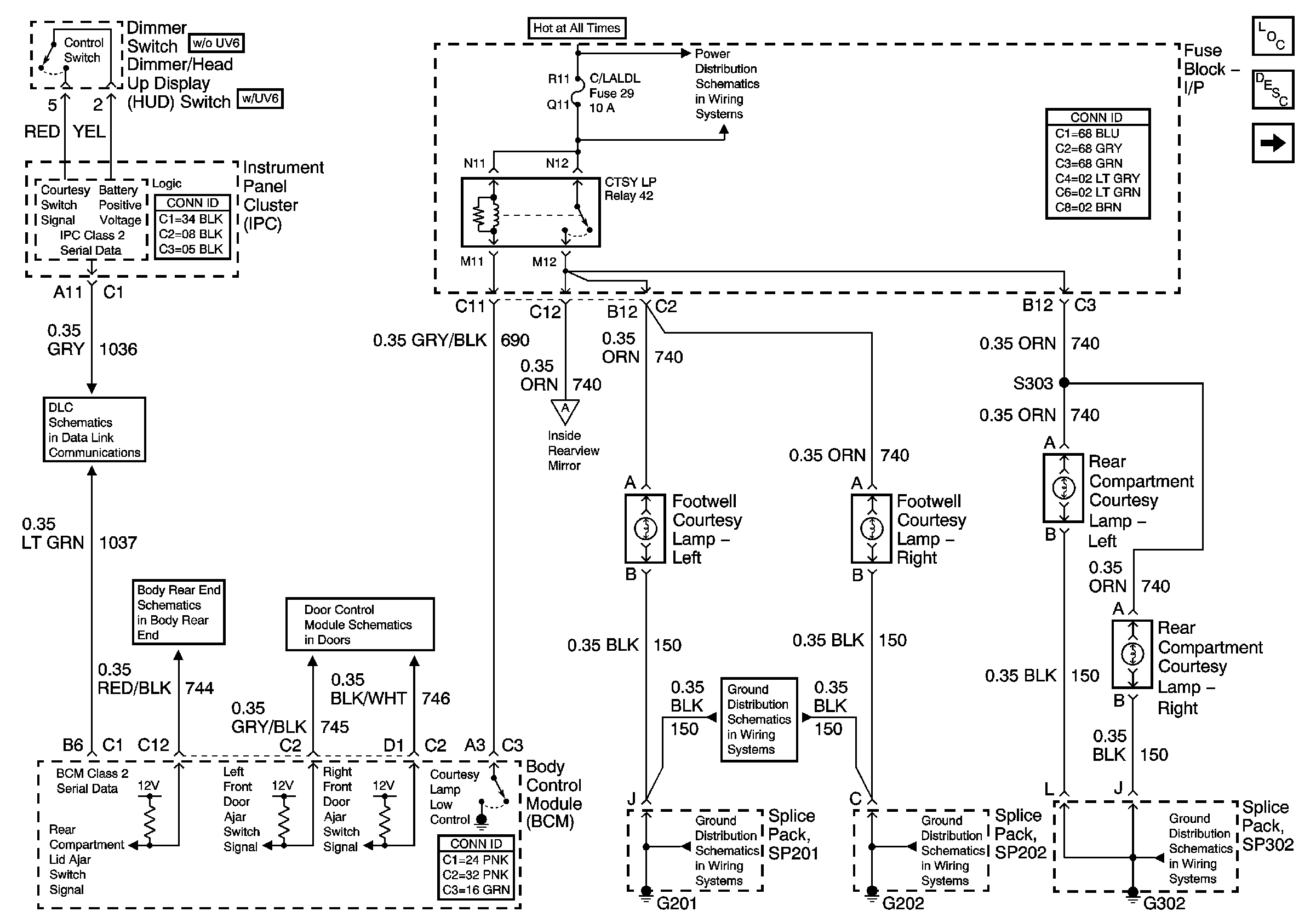
Courtesy Lamps
Courtesy Lamps
Master Electrical Component List
Interior Lighting Systems Description and Operation
Vanity Mirror, Inside Rearview Mirror, Underhood and Instrument Panel Compartment Lamps
Fuse Block-I/P Bussing (2 of 2)
Vanity Mirror, Inside Rearview Mirror, Underhood and Instrument Panel Compartment Lamps
Star Connectors
Rear Compartment Lid Release Control and Rear Compartment Lid Ajar Switch (Hardtop/Convertible)
Driver Door Module (DDM) Power, Ground and DLC
G201
G201
G202
G301, G402 and G30