GM Service Manual Online
For 1990-2009 cars only

Engine Controls Schematics Non European Emissions

Figure 1:

Engine Control Module (ECM) Power, Ground, Serial Data, MIL


Object Number: 1257037  Size: FS
Master Electrical Component List
ECT, TP, MAP, IAT Sensors
Fuse Block - Underhood Bussing (1 of 2)
A/C, IP BATT Fuses, I/P Fuse Block, RADIO, CRUISE, AUTO A/C CLSTR, DLC Fuses
A/C, IP BATT Fuses, I/P Fuse Block, RADIO, CRUISE, AUTO A/C CLSTR, DLC Fuses
IGN 1, Fuse, Ignition Switch, I/P Fuse Block, - LTR, HTD SEAT, CLK, RADIO, AIR BAG, BCK/UP, CRUISE, ECM Fuses
Fuel Pump Relay, FUEL, ECM Fuses
G103 (2.0L MR140)
DLC Schematics
G103 (2.0L MR140)
Figure 2:

ECT, TP, MAP, IAT, Sensors


Object Number: 1257038  Size: FS
Master Electrical Component List
CO Potentiometer, Oxygen Sensor
ECM Power and Ground, Serial Data, Malfunction Indicator Control
Manual Transmission Schematics - ITMS-6F
Figure 3:

CO Potentiometer, Oxygen Sensor


Object Number: 1257039  Size: FS
Master Electrical Component List
Ignition Coil Module
ECT, TP, MAP, IAT Sensors
ECT, TP, MAP, IAT Sensors
Figure 4:

Ignition Coil Module


Object Number: 1257293  Size: FS
Master Electrical Component List
CKP, Knock Sensors
CO Potentiometer, Oxygen Sensor
ENG 1, COOL FAN HIGH, COOL FAN LOW Fuses
Automatic Transmission Shift Lock Control 2.0L
G104 (2.5L)
Figure 5:

CKP, Knock Sensors


Object Number: 1461090  Size: FS
Master Electrical Component List
Fuel Pump and Injectors
Ignition Coil Module
G103 (2.0L MR140)
Figure 6:

Fuel Pump and Injectors


Object Number: 1685620  Size: FS
Master Electrical Component List
EVAP Purge Valve, IAC Valve, Octane Selection Switch
CKP, Knock Sensors
IGN 1, Fuse, Ignition Switch, I/P Fuse Block, - LTR, HTD SEAT, CLK, RADIO, AIR BAG, BCK/UP, CRUISE, ECM Fuses
ENG MAIN Relay, ECM, ENG 2 Fuses (2.0L)
Fuse Block - Underhood Bussing (1 of 2)
G303
Figure 7:

EVAP Purge Valve, IAC Valve and Octane Selection Switch


Object Number: 1461092  Size: FS
Master Electrical Component List
Controlled/Monitored Subsystem References
Fuel Pump and Injectors
ENG 1, COOL FAN HIGH, COOL FAN LOW Fuses
Figure 8:

Controlled/Monitored Subsystem References


Object Number: 1508731  Size: FS
Master Electrical Component List
EVAP Purge Valve, IAC Valve, Octane Selection Switch
Shift and Pressure Control solenoids
Engine Cooling Schematics
Compressor Controls (2.0L MR 140)

Engine Controls Schematics European Emissions

Figure 1:

Engine Control Module (ECM) Power, Ground, Serial Data, MIL


Object Number: 1376396  Size: FS
Master Electrical Component List
ECT, TP, MAP, IAT Sensors
Fuel Pump Relay, FUEL, ECM Fuses
IGN 1, Fuse, Ignition Switch, I/P Fuse Block, - LTR, HTD SEAT, CLK, RADIO, AIR BAG, BCK/UP, CRUISE, ECM Fuses
A/C, IP BATT Fuses, I/P Fuse Block, RADIO, CRUISE, AUTO A/C CLSTR, DLC Fuses
A/C, IP BATT Fuses, I/P Fuse Block, RADIO, CRUISE, AUTO A/C CLSTR, DLC Fuses
IGN 1, Fuse, Ignition Switch, I/P Fuse Block, - LTR, HTD SEAT, CLK, RADIO, AIR BAG, BCK/UP, CRUISE, ECM Fuses
G103 (2.0L MR140)
G103 (2.0L MR140)
DLC Schematics
Transmission Control Module (TCM) - Engine Control Module (ECM) Communications
G103 (2.0L MR140)
Figure 2:

ECT, TP, MAP, IAT, Sensors


Object Number: 1685622  Size: FS
Master Electrical Component List
Heated Oxygen Sensors
ECM Power and Ground, Serial Data, Malfunction Indicator Control
Manual Transmission Schematics - ITMS-6F
Figure 3:

Heated Oxygen Sensors


Object Number: 1376402  Size: FS
Master Electrical Component List
Ignition Coil Module
ECT, TP, MAP, IAT Sensors
ENG 1, COOL FAN HIGH, COOL FAN LOW Fuses
Figure 4:

Ignition Coil Module


Object Number: 1376403  Size: FS
Master Electrical Component List
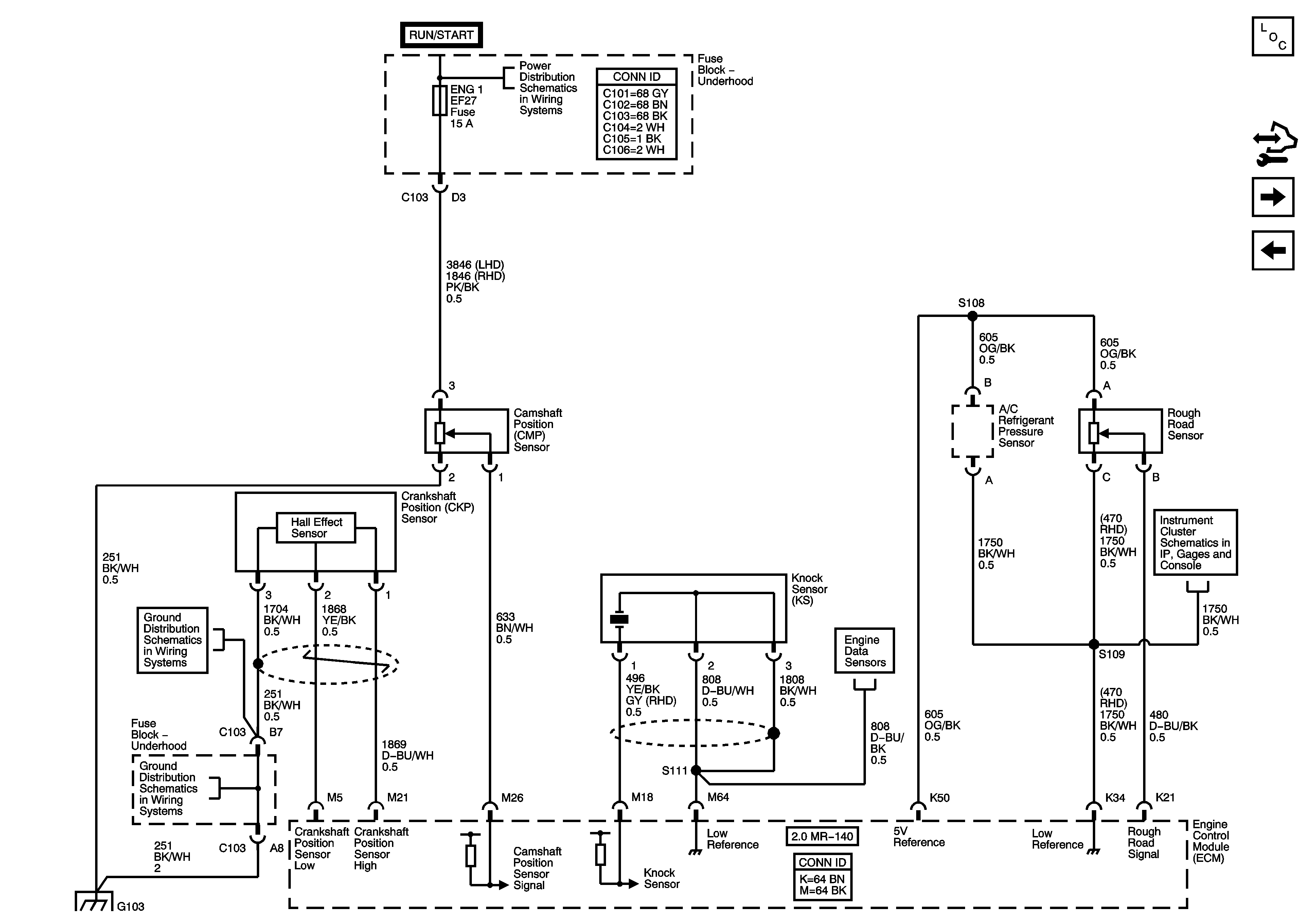
CKP, CMP, Rough Road, Knock Sensors
Heated Oxygen Sensors
IGN 1, Fuse, Ignition Switch, I/P Fuse Block, - LTR, HTD SEAT, CLK, RADIO, AIR BAG, BCK/UP, CRUISE, ECM Fuses
Automatic Transmission Shift Lock Control 2.0L
IGN 1, Fuse, Ignition Switch, I/P Fuse Block, - LTR, HTD SEAT, CLK, RADIO, AIR BAG, BCK/UP, CRUISE, ECM Fuses
Figure 5:

CKP, CMP, Rough Road, Knock Sensors


Object Number: 1685623  Size: FS
Master Electrical Component List
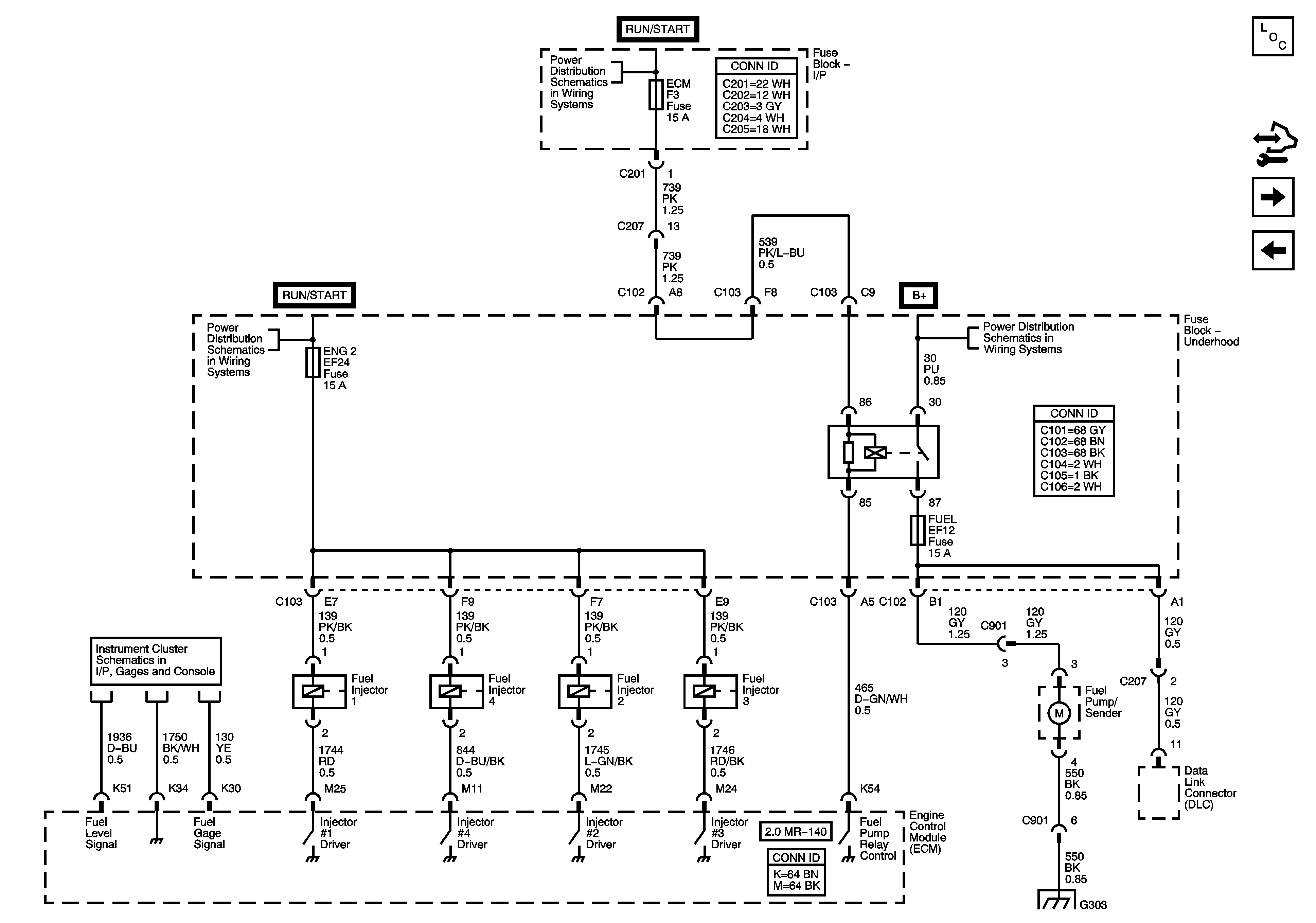
Fuel Pump and Injectors
Ignition Coil Module
ENG 1, COOL FAN HIGH, COOL FAN LOW Fuses
Power, Ground and Gages 2.0L MR 140
G103 (2.0L MR140)
G103 (2.0L MR140)
G103 (2.0L MR140)
Figure 6:

Fuel Pump and Injectors


Object Number: 1685624  Size: FS
Master Electrical Component List
EVAP Purge Valve, IAC Valve, EGR Valve
CKP, CMP, Rough Road, Knock Sensors
IGN 1, Fuse, Ignition Switch, I/P Fuse Block, - LTR, HTD SEAT, CLK, RADIO, AIR BAG, BCK/UP, CRUISE, ECM Fuses
ENG MAIN Relay, ECM, ENG 2 Fuses (2.0L)
Fuse Block - Underhood Bussing (1 of 2)
Power, Ground and Gages 2.0L MR 140
G303
Figure 7:

EVAP Purge Valve, EGR Valve, IAC Valve


Object Number: 1461086  Size: FS
Master Electrical Component List
Controlled/Monitored Subsystem References
Fuel Pump and Injectors
ENG 1, COOL FAN HIGH, COOL FAN LOW Fuses
Fuel Pump Relay, FUEL, ECM Fuses
Figure 8:

Controlled/Monitored Subsystem References


Object Number: 1461088  Size: FS
Master Electrical Component List
EVAP Purge Valve, IAC Valve, EGR Valve
Compressor Controls (2.0L MR 140)
Compressor Controls (2.0L MR 140)
Engine Cooling Schematics