GM Service Manual Online
For 1990-2009 cars only
Makes
🢒
Chevrolet
🢒
2005
🢒
Equinox
🢒
Body
🢒
Wiring Systems
🢒 Instrument Cluster Schematics
Figure
1:
Indicators
Master Electrical Component List
Air Temperature Description and Operation
Control Module References
Gages
Ignition Circuits
IGN1, BCM(IGN), AIR BAG, EPS, and CRUISE Fuses
B+ Bussing
RADIO, BCM/CLUSTER, INT LTS, PARK, HZRD, and LOCK/MIRROR Fuses
Interior Lights Dimming Schematic
Hazards and Turn Signal Lamps
Module Power, Ground, ENG MAIN Relay, Serial Data, and the MIL
Data Link Communication Schematic
G201
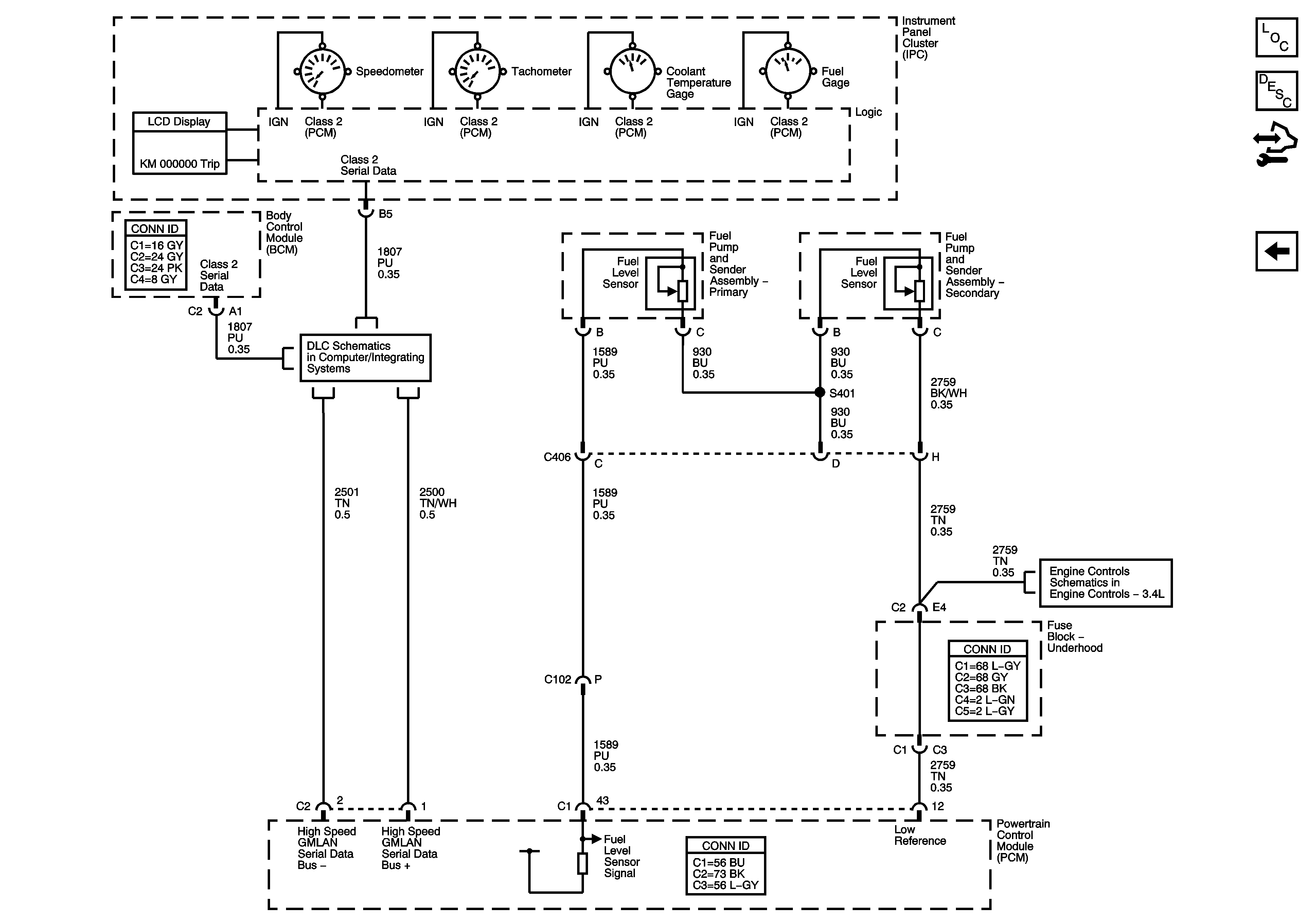
Figure
2:
Gages
Master Electrical Component List
Air Temperature Description and Operation
Control Module References
Indicators
Data Link Communication Schematic
Low References