GM Service Manual Online
For 1990-2009 cars only
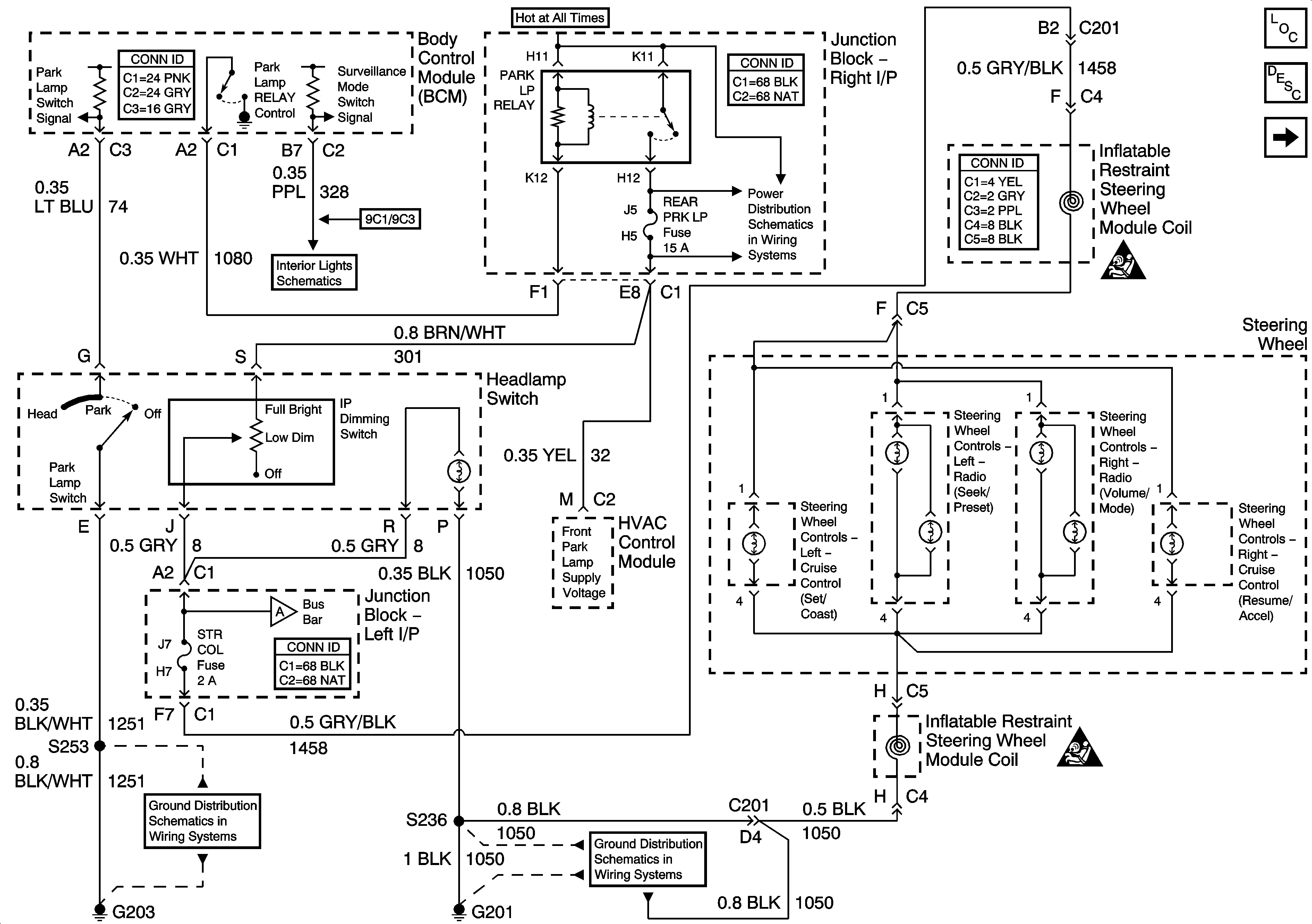
Figure 1:

Dimming Control, and Steering Wheel Controls


Object Number: 1551554  Size: FS
Master Electrical Component List
Interior Lighting Systems Description and Operation
I/P
Courtesy Lamps Control and I/P
FRT PARK LP and REAR PK LP Fuses
SIR Caution for Zoning
G203 - 1 of 3
I/P
G201 - 1 of 2
SIR Caution for Zoning
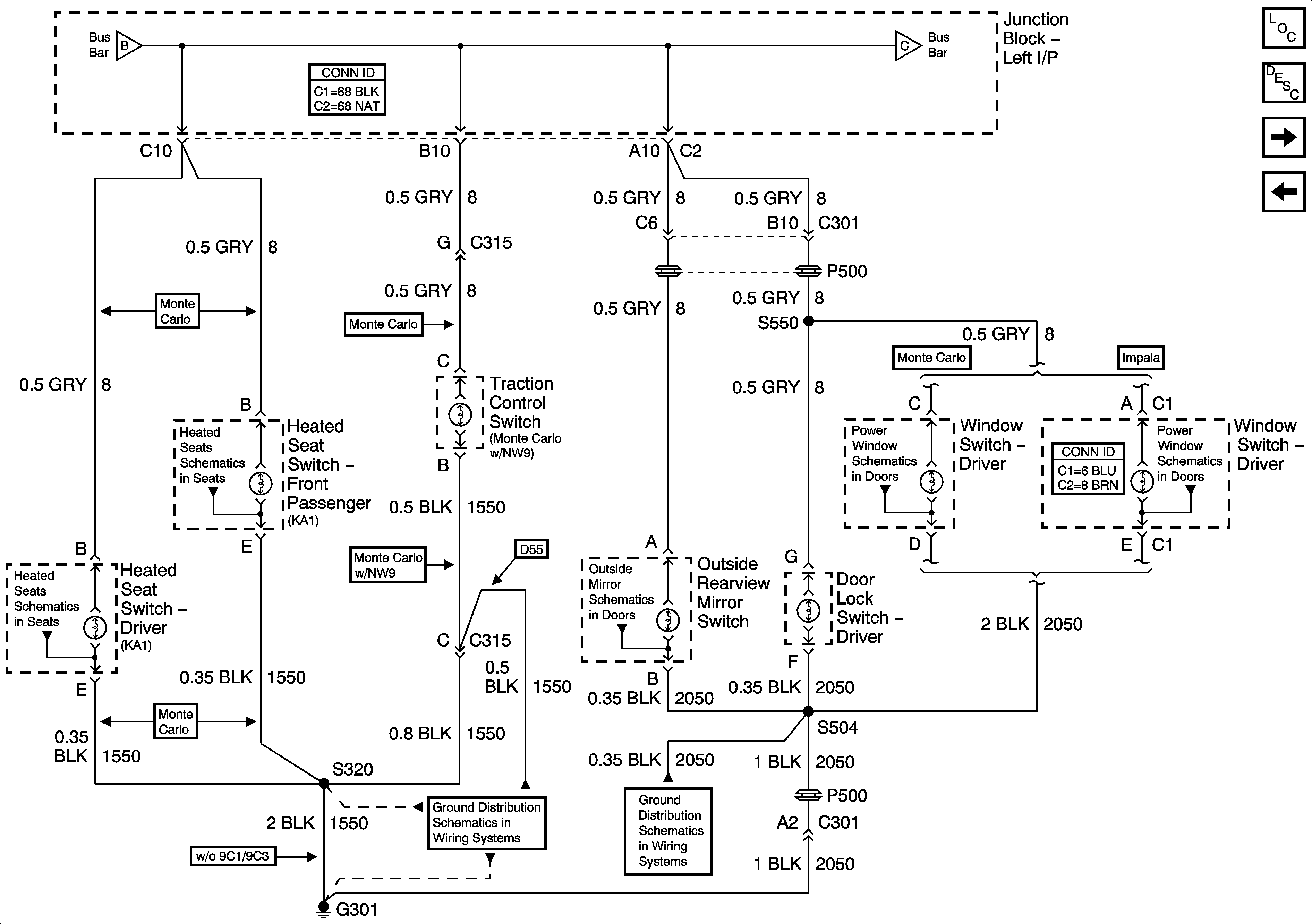
Figure 2:

I/P


Object Number: 1325775  Size: FS
Master Electrical Component List
Interior Lighting Systems Description and Operation
Console and Driver Door
Dimming Control and Steering Wheel Controls
Dimming Control and Steering Wheel Controls
Console and Driver Door
Power, Ground, and Blower Motor Control
Turn/Hazard Lamps Control (Monte Carlo)
Turn/Hazard Lamps Control (Impala)
G201 - 2 of 2
G201 - 1 of 2
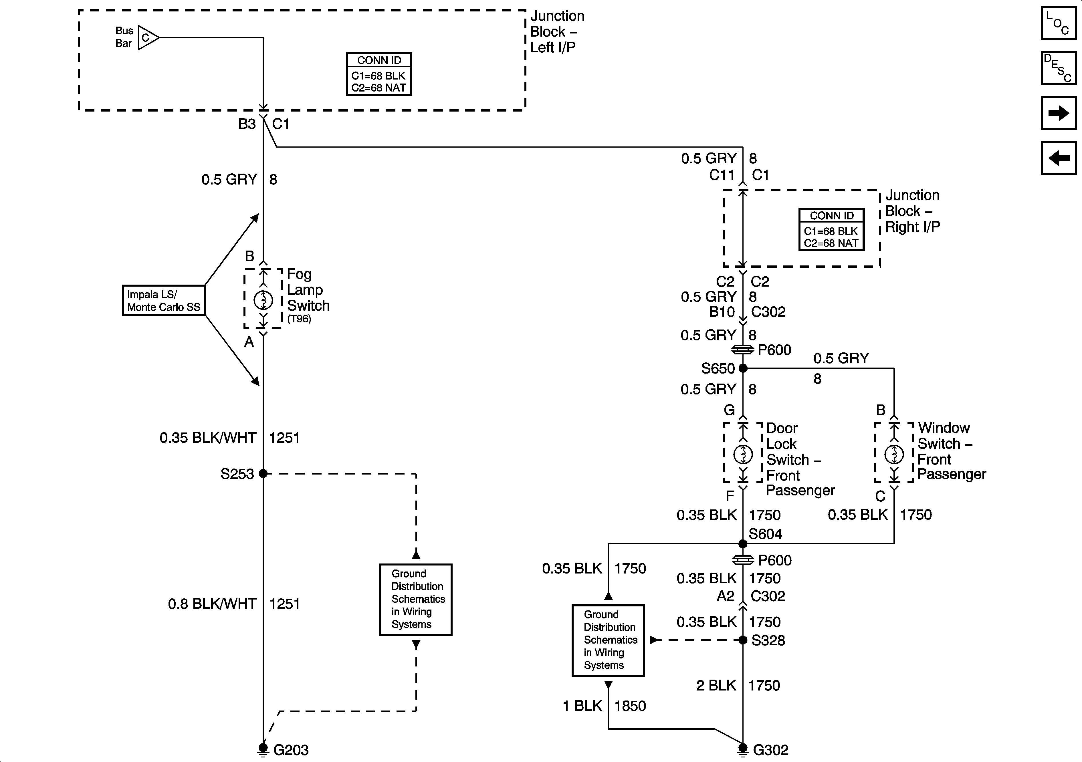
Figure 3:

Console, and Driver Door


Object Number: 1551556  Size: FS
Master Electrical Component List
Interior Lighting Systems Description and Operation
Fog Lamp Switch and Front Passenger Door
I/P
I/P
Fog Lamp Switch and Front Passenger Door
Heat Controls (Monte Carlo)
Heat Controls (Monte Carlo)
Power Mirror
Monte Carlo
Impala - Rear Doors
G301 - 1 of 2
G301 - 2 of 2
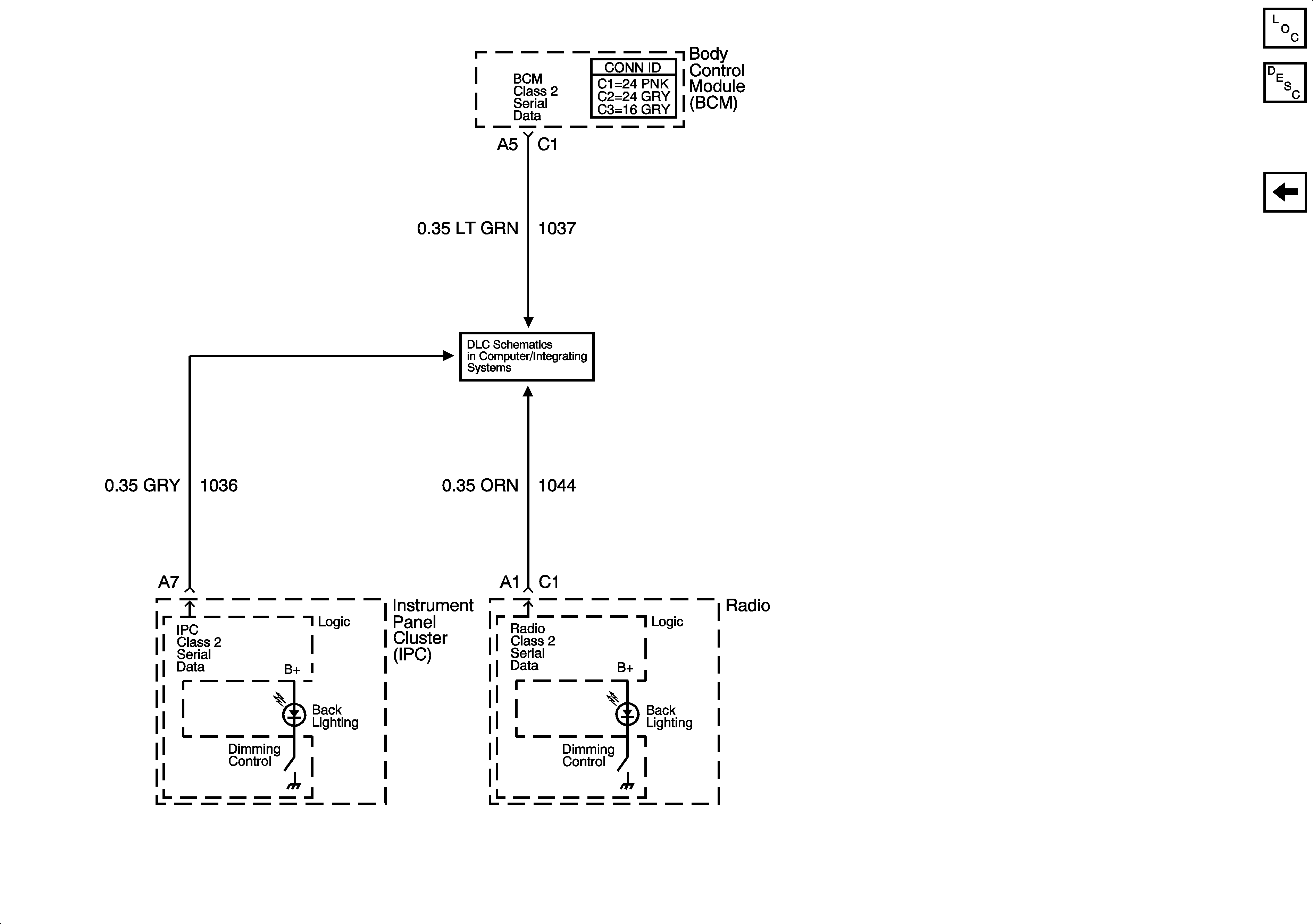
Figure 4:

Fog Lamp Switch and Front Passenger Door


Object Number: 808834  Size: FS
Master Electrical Component List
Interior Lighting Systems Description and Operation
Class 2 Dimming
Console and Driver Door
Console and Driver Door
G203 - 1 of 3
G302 - 1 of 2
Figure 5:

Class 2 Dimming


Object Number: 1551557  Size: FS
Master Electrical Component List
Interior Lighting Systems Description and Operation
Fog Lamp Switch and Front Passenger Door
DLC