GM Service Manual Online
For 1990-2009 cars only
Makes
🢒
Chevrolet
🢒
2006
🢒
Kodiak C-Series (Conventional) C4/C5
🢒
Vehicle Control Systems
🢒
Vehicle DTC Information
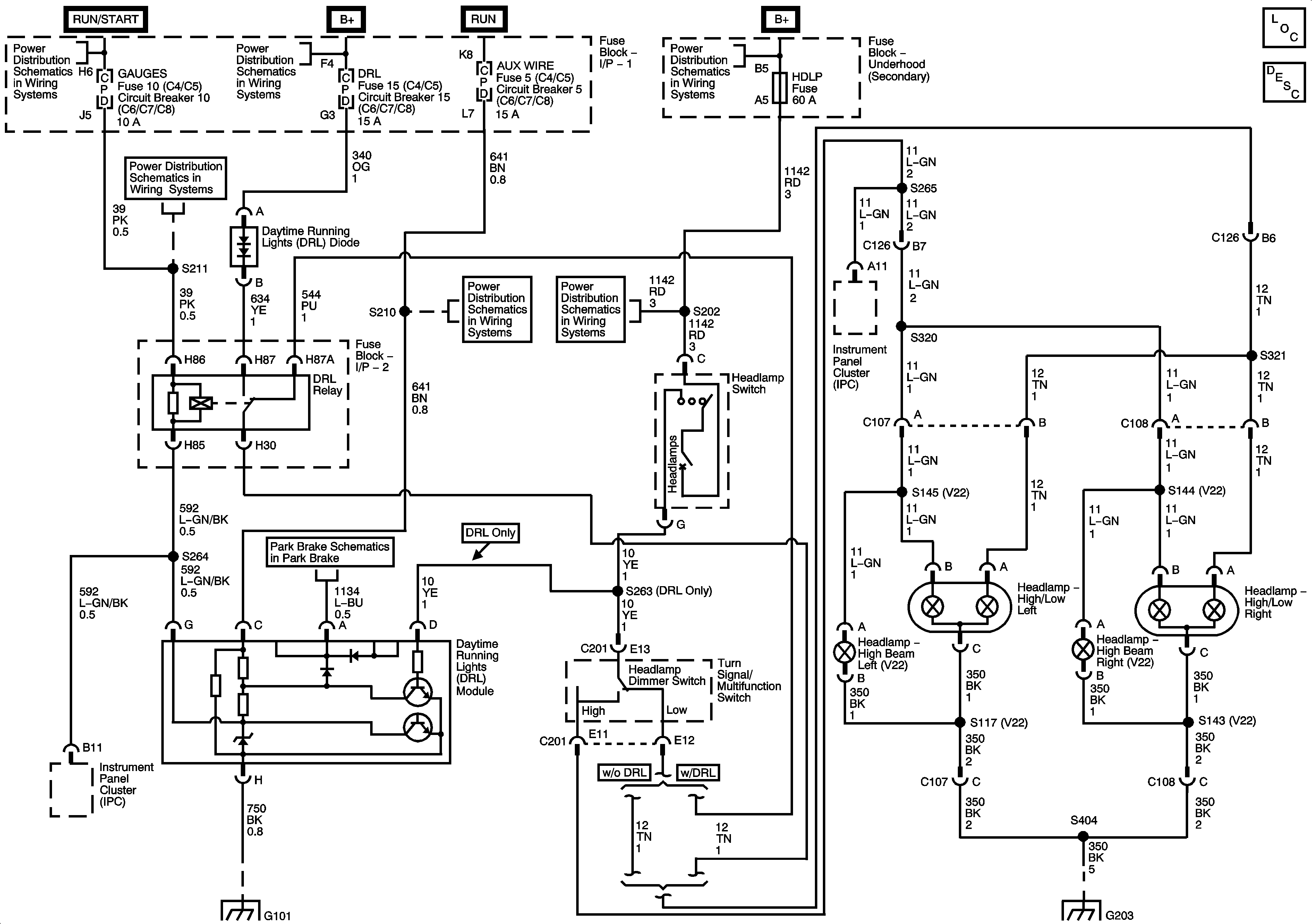
🢒 Headlights/Daytime Running Lights (DRL) Schematics
Master Electrical Component List
Exterior Lighting Systems Description and Operation
Ignition Switch - OFF/RUN/START, RUN/START, and START Bus Bars
AIRBAG, GAUGES, LT REAR TURN/STOP, and RT REAR TURN/STOP Fuses/Circuit Breakers
DRL, ELEC BRK/BRKLP, HDLP, IGN-4 (Underhood Fuse Block), MKR LTS, PWR WNDW, and RADIO Fuses/Circuit Breakers
Batteries - LG4/LG5 and B+ Bus
AUX WIRE and IGN-4 (I/P Fuse Block -1) Fuses/Circuit Breakers
DRL, ELEC BRK/BRKLP, HDLP, IGN-4 (Underhood Fuse Block), MKR LTS, PWR WNDW, and RADIO Fuses/Circuit Breakers
G101 - 1 of 2
G112, G113, G203 - 4 of 4, G204, G205, and G400