GM Service Manual Online
For 1990-2009 cars only
Figure 1:

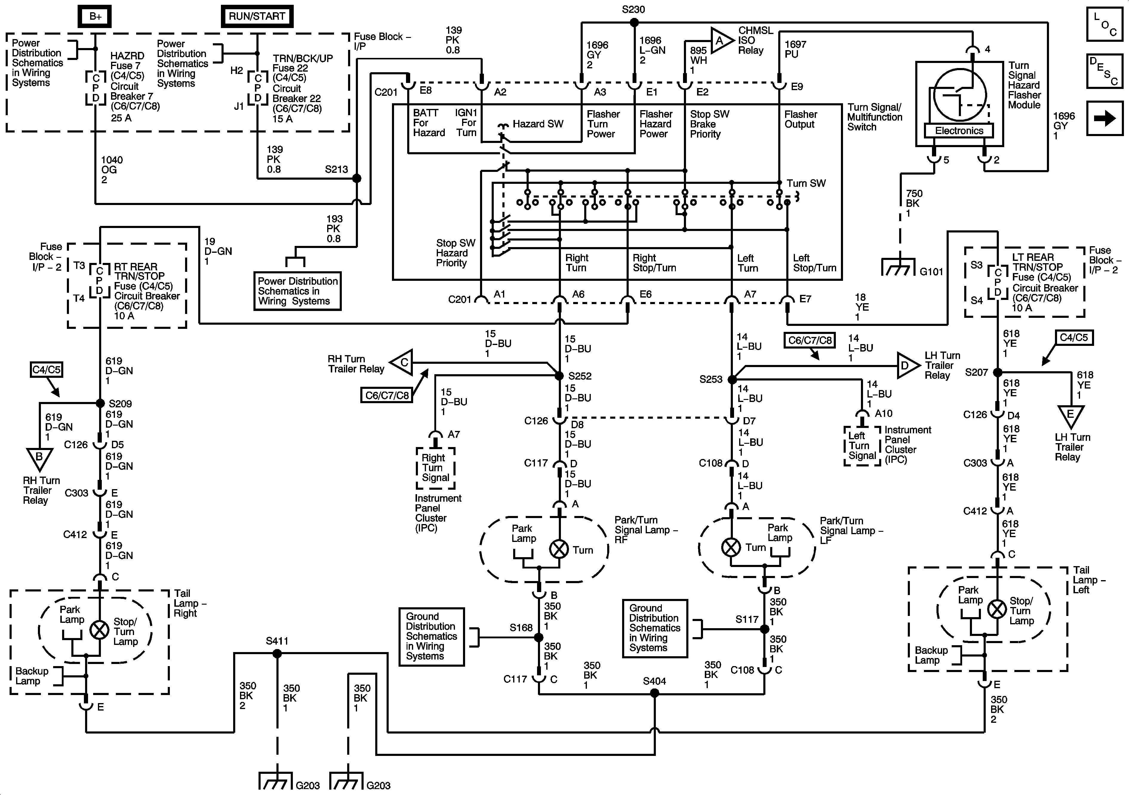
Hazard and Turn Signal


Object Number: 1494007  Size: FS
Master Electrical Component List
Exterior Lighting Systems Description and Operation
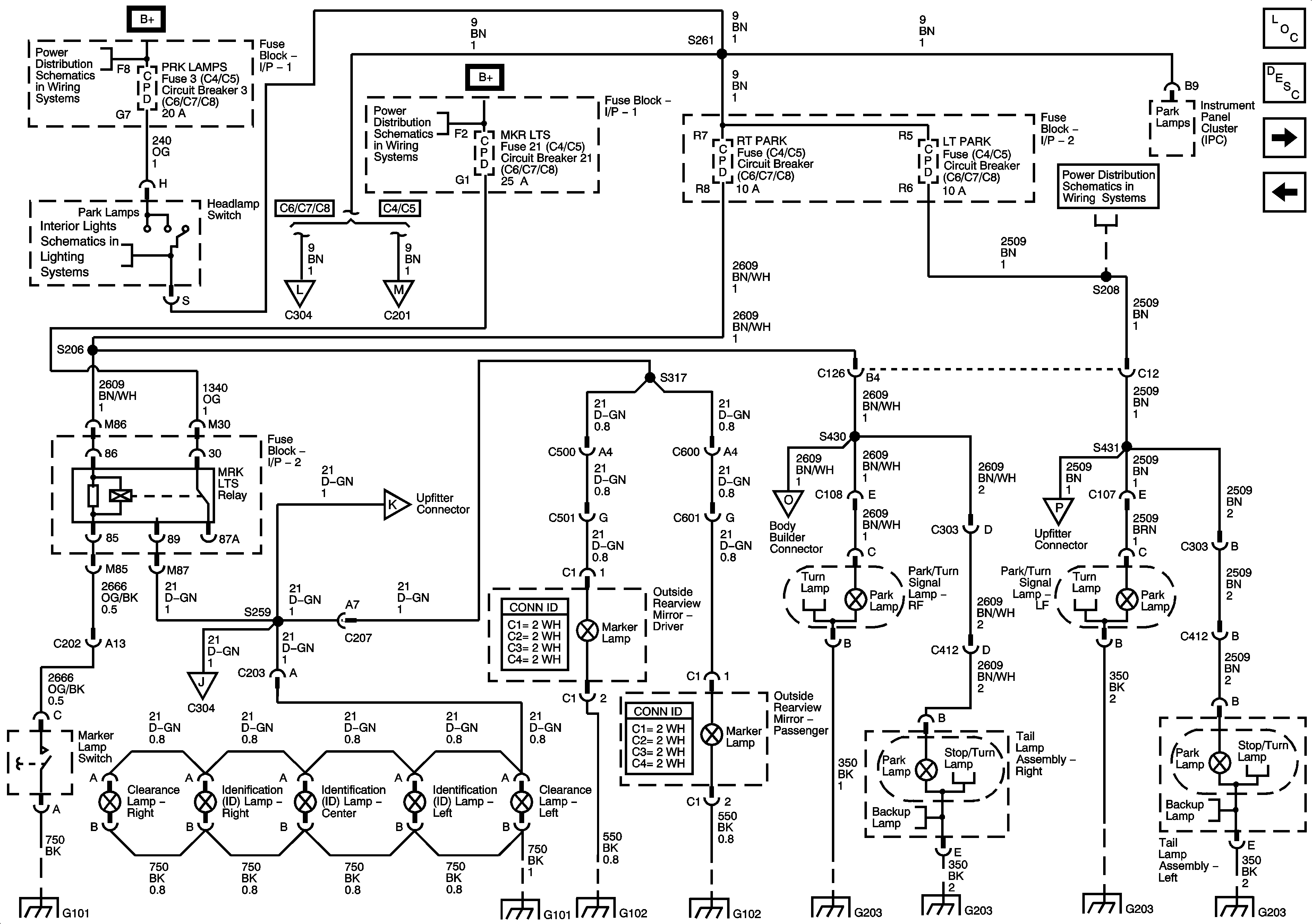
Park Lamps, Roof Marker Lamps
Underhood Fuse Block, I/P Fuse Block, BATT/HAZ Fuse, PWR ACCY, HAZARD, TRLR TRN/HAZ, and STOP Fuses/Circuit Breakers
Ignition Switch, OFF/RUN/START, RUN/START, and START Bus Bars
I/P Fuse Block, TURN/BACKUP Fuse/Circuit Breaker
Stoplamp Switch
G101 - 1 of 2
Upfitter Connector
Upfitter Connector
Upfitter Connector
Upfitter Connector
G112, G113, G203 - 4 of 4, G204, G205 and G400
G112, G113, G203 - 4 of 4, G204, G205 and G400
G112, G113, G203 - 4 of 4, G204, G205 and G400
G112, G113, G203 - 4 of 4, G204, G205 and G400
Figure 2:

Park and Marker Lamps


Object Number: 1494009  Size: FS
Master Electrical Component List
Exterior Lighting Systems Description and Operation
Stoplamp Switch
Hazard and Turn Signal
Underhood Fuse Block, LIGHTING and HVAC Fuses, I/P Fuse Block, and COURTESY, PARK, ILLUM, RH PARK LP, and LH PARK LP Fuses/Circuit Breakers
IGN 4 and HDLP Fuses, ELECTRIC BRAKE (C4/C5), BRAKE LAMP (C6/C7/C8), AND PWR WINDOW Circuit Breakers, RADIO, DRL, and MARKER Fuses/Circuit Breakers
Underhood Fuse Block, LIGHTING and HVAC Fuses, I/P Fuse Block, and COURTESY, PARK, ILLUM, RH PARK LP, and LH PARK LP Fuses/Circuit Breakers
Headlights, Daytime Running Lamps (DRL)
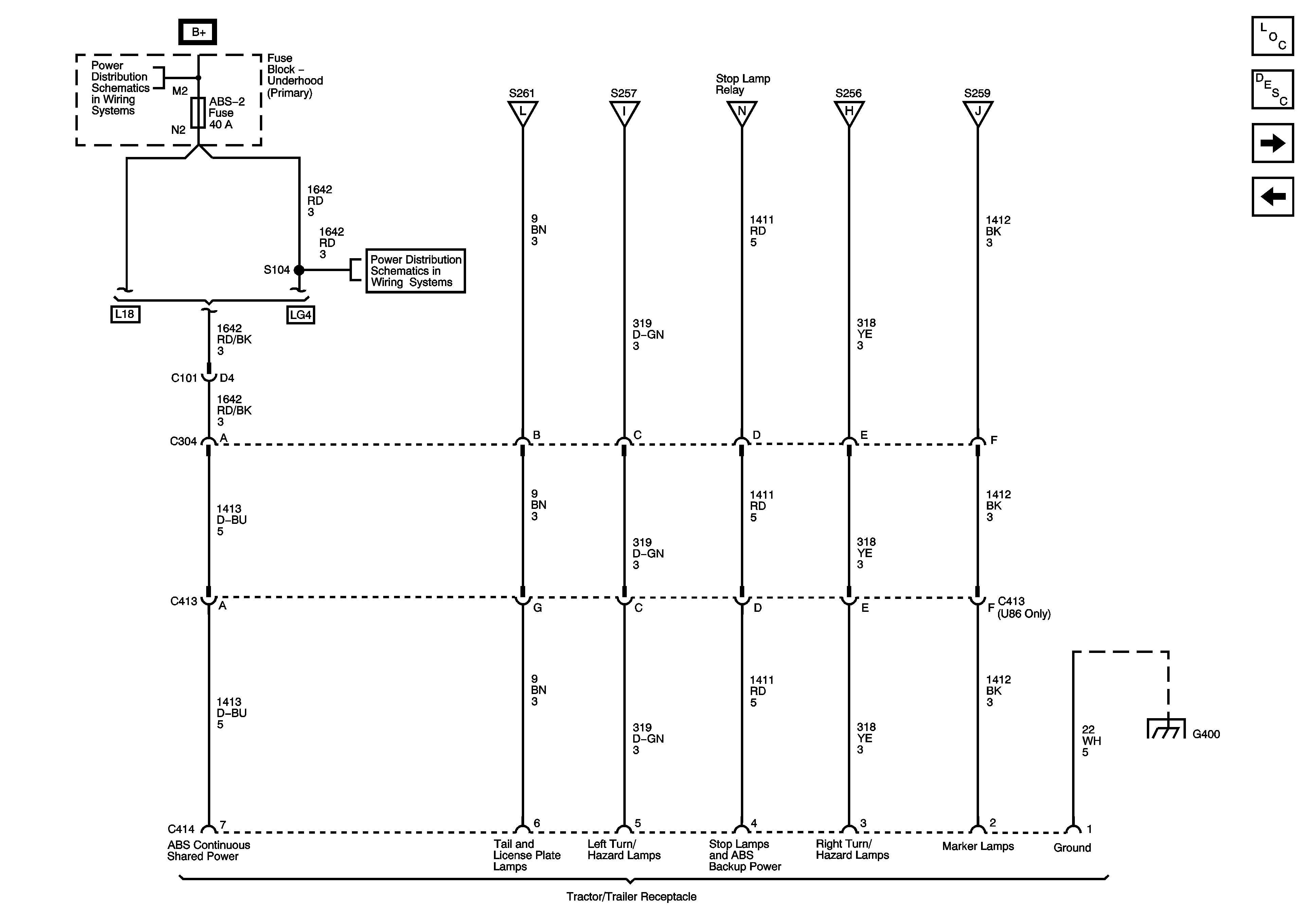
Trailer Tow Connector (C4/C5)
Trailer Tow Connector (C6/C7/C8)
Upfitter Connector
Upfitter Connector
Upfitter Connector
Trailer Tow Connector (C4/C5)
Hazard and Turn Signal
Hazard and Turn Signal
Hazard and Turn Signal
Hazard and Turn Signal
Stoplamp Switch
Stoplamp Switch
G101 - 2 of 2
G101 - 1 of 2
G102 - 1 of 2
G102 - 1 of 2
G200, G202, and G203 - 1 of 4
G200, G202, and G203 - 1 of 4
G200, G202, and G203 - 1 of 4
G200, G202, and G203 - 1 of 4
Figure 3:

Stop Lamp Switch


Object Number: 1494011  Size: FS
Master Electrical Component List
Exterior Lighting Systems Description and Operation
Backup Lamps
Park Lamps, Roof Marker Lamps
RADIO/CHIME, CHMSL, and PWR POST Fuses/Circuit Breakers
Upfitter Connector
I/P Fuse Block, BRAKE ISO Fuse/Circuit Breaker
IGN 4 and HDLP Fuses, ELECTRIC BRAKE (C4/C5), BRAKE LAMP (C6/C7/C8), AND PWR WINDOW Circuit Breakers, RADIO, DRL, and MARKER Fuses/Circuit Breakers
Hazard and Turn Signal
G103 - 1 of 2, G105, and G106
G103 - 1 of 2, G105, and G106
Trailer Tow Connector (C4/C5)
Figure 4:

Backup Lamps and Backup Alarm - UZF


Object Number: 1494012  Size: FS
Master Electrical Component List
Exterior Lighting Systems Description and Operation
Trailer Tow Connector (C4/C5)
Stop Lamp Switch
Underhood Fuse Block, ENG 3, O2A, and ENG 2 Fuses (LG4)
Ignition Switch, OFF/RUN/START, RUN/START, and START Bus Bars
I/P Fuse Block, TURN/BACKUP Fuse/Circuit Breaker
Upfitter Connector
Trailer Tow Connector (C6/C7/C8)
Park Lamps, Roof Marker Lamps
Park Lamps, Roof Marker Lamps
G200, G202, and G203 - 1 of 4
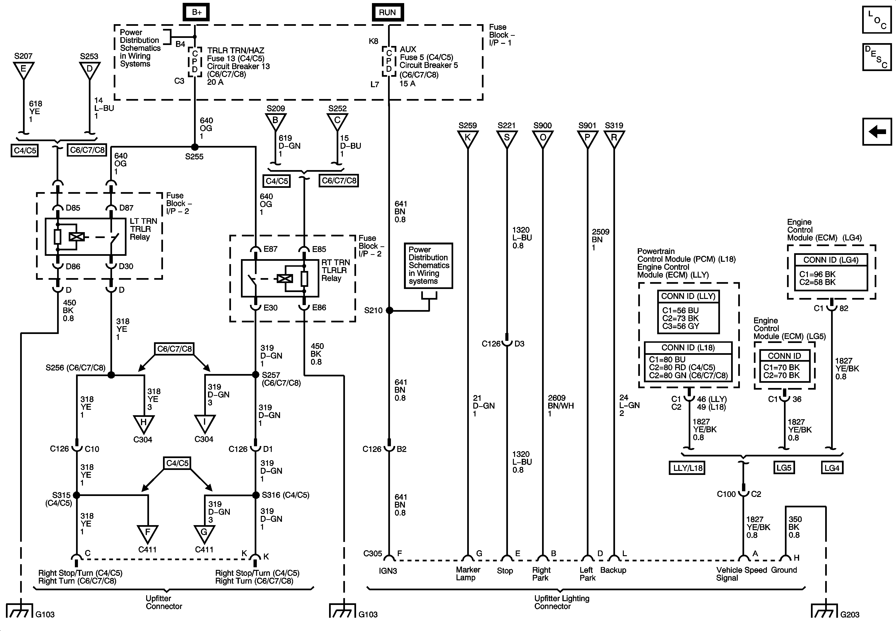
Figure 5:

Trailer Tow Connector (C4/C5)


Object Number: 1494017  Size: FS
Master Electrical Component List
Exterior Lighting Systems Description and Operation
Trailer Tow Connector (C6/C7/C8)
Backup Lamps and Backup Alarm - UZF
B+ Bus Bar
Park Lamps, Roof Marker Lamps
Upfitter Connector
Backup Lamps
Upfitter Connector
G112, G113, G203 - 4 of 4, G204, G205 and G400
Figure 6:

Trailer Tow Connector (C6/C7/C8)


Object Number: 1494020  Size: FS
Master Electrical Component List
Exterior Lighting Systems Description and Operation
C305 - Upfitter Lighting Connector
Trailer Tow Connector (C4/C5)
B+ Bus Bar
ABS 2, ABS 3, ABS 1, and E/A Pump Fuses and HORN Fuse/Circuit Breaker
Park Lamps, Roof Marker Lamps
Upfitter Connector
Stoplamp Switch
Upfitter Connector
Park Lamps, Roof Marker Lamps
G112, G113, G203 - 4 of 4, G204, G205 and G400
Figure 7:

C305 - Upfitter Lighting Connector


Object Number: 1494021  Size: FS
Master Electrical Component List
Exterior Lighting Systems Description and Operation
Trailer Tow Connector (C6/C7/C8)
Hazard and Turn Signal
Hazard and Turn Signal
Underhood Fuse Block, I/P Fuse Block, BATT/HAZ Fuse, PWR ACCY, HAZARD, TRLR TRN/HAZ, and STOP Fuses/Circuit Breakers
Hazard and Turn Signal
Hazard and Turn Signal
Park Lamps, Roof Marker Lamps
Stoplamp Switch
Park Lamps, Roof Marker Lamps
Park Lamps, Roof Marker Lamps
Backup Lamps
I/P Fuse Block, IGN 4, and AUX RLY Fuses/Circuit Breakers
Trailer Tow Connector (C4/C5)
Trailer Tow Connector (C4/C5)
Trailer Tow Connector (C6/C7/C8)
Trailer Tow Connector (C6/C7/C8)
G103 - 1 of 2, G105, and G106
G103 - 1 of 2, G105, and G106
G112, G113, G203 - 4 of 4, G204, G205 and G400