GM Service Manual Online
For 1990-2009 cars only
Figure 1:

Module Power


Object Number: 1840200  Size: FS
Master Electrical Component List
Engine Control Module Description
Control Module References
Fuse Block, IGN-A Relay, Ground, Serial Data and MIL
Batteries - LG4/LG5 and B+ Bus
ENGINE and PCM-1 Fuses/Circuit Breakers
ENG-2 and ENG-3 Fuses - LG5/LLY
Batteries - LG4/LG5 and B+ Bus
A/C COMP, HTD FUEL, PCM-B and RR DEFOG Fuses
Ignition Switch - OFF/RUN/START, RUN/START, and START Busses
TRANS Fuse/Circuit Breaker
TRANS Fuse/Circuit Breaker
ENGINE and PCM-1 Fuses/Circuit Breakers
ENGINE and PCM-1 Fuses/Circuit Breakers
Figure 2:

Fuse Blocks, IGN-A Relay, Ground, Serial Data and MIL


Object Number: 1840202  Size: FS
Master Electrical Component List
Engine Control Module Description
Control Module References
Engine Data Sensors - 5-Volt and Low Reference
Module Power
Ignition Switch - OFF/RUN/START, RUN/START, and START Busses
ENGINE and PCM-1 Fuses/Circuit Breakers
G100 - LLY
ENG-1 and ENG-4 Fuses - L18/LLY
Batteries - LG4/LG5 and B+ Bus
ENGINE and PCM-1 Fuses/Circuit Breakers
Ignition Switch - OFF/RUN/START, RUN/START, and START Busses
AIRBAG, GAUGES, LT REAR TURN/STOP, and RT REAR TURN/STOP Fuses/Circuit Breakers
Instrument Panel Cluster - 1 of 2
High Speed GMLAN - LLY/L18
Splice Pack SP203
G203 - 2 of 4
Figure 3:

Engine Data Sensors - 5-Volt and Low Reference


Object Number: 1840204  Size: FS
Master Electrical Component List
Engine Control Module Description
Control Module References
Engine Data Sensors - Pressure, Temperature and MAF Sensor
Fuse Block, IGN-A Relay, Ground, Serial Data and MIL
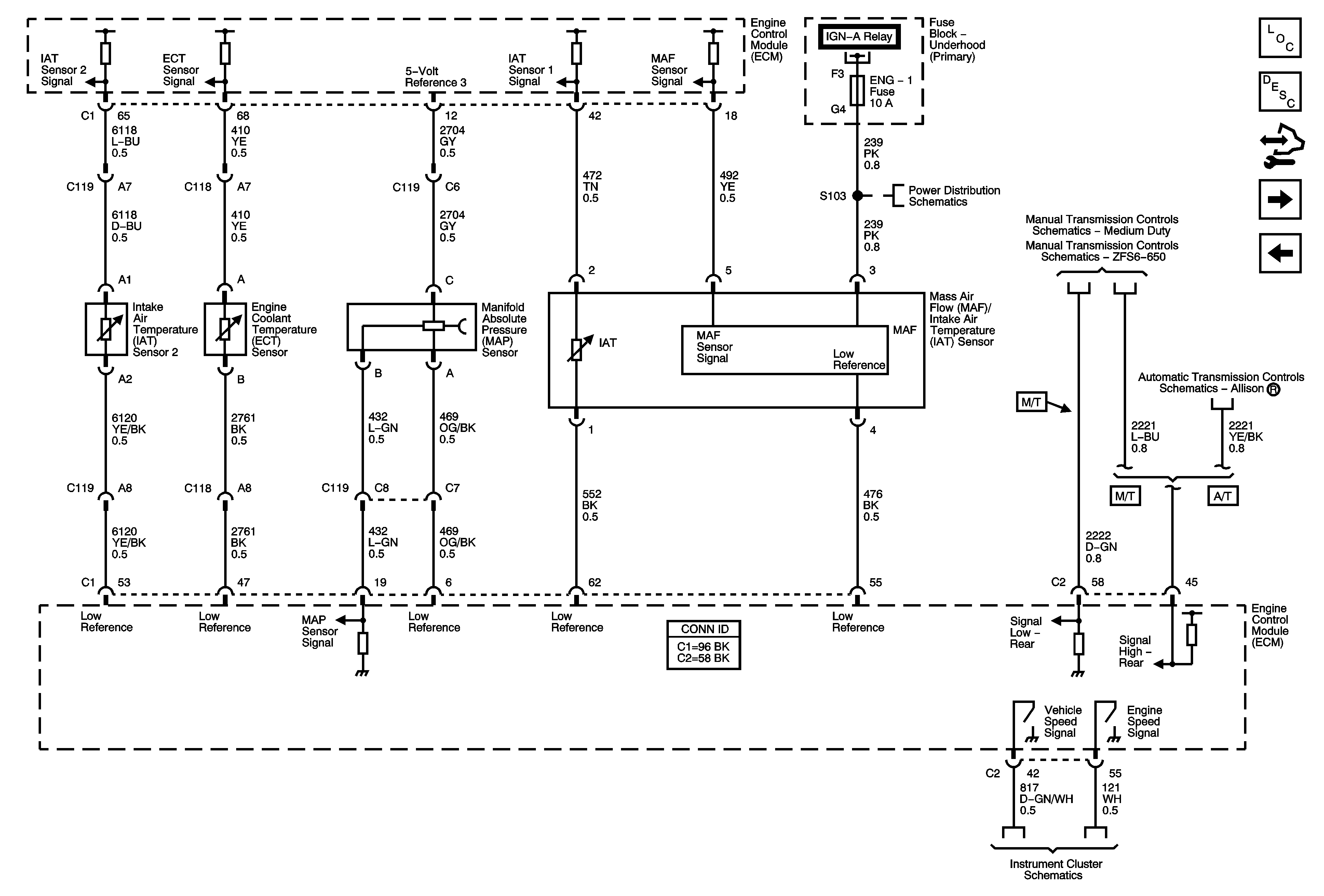
Figure 4:

Engine Data Sensors - Pressure, Temperature and MAF Sensor


Object Number: 1840210  Size: FS
Master Electrical Component List
Engine Control Module Description
Control Module References
Engine Data Sensors - EGR and Turbocharger Controls
Engine Data Sensors - 5-Volt and Low Reference
ENG-1 and ENG-4 Fuses - L18/LLY
2007 MD-560C Manual Transmission Schematics
2007 MD-560C Manual Transmission Schematics - ZF S6-650
Module Power, Ground, Serial Data, MIL, VSS, and Torque Controls
Instrument Panel Cluster - 2 of 2
Figure 5:

Engine Data Sensors - EGR and Turbocharger


Object Number: 1840215  Size: FS
Master Electrical Component List
Turbocharger System Description
Control Module References
Engine Data Sensors - APP, High Idle Switch (UZ3) and Injection Timing Controls
Engine Data Sensors - Pressure, Temperature and MAF Sensor
Figure 6:

Engine Data Sensors - APP, High Idle Switch (UZ3) and Injection Timing Controls


Object Number: 1840217  Size: FS
Master Electrical Component List
Accelerator Pedal Position System Description
Control Module References
Engine Data Sensors - Glow Plug Controls and Intake Air Heater (IAH) Module
Engine Data Sensors - EGR and Turbocharger Controls
Engine Controls Schematic Icons
Ignition Switch - RUN and ACC/RUN Busses
AXL/4WD, BRK, HYD/AIR BRK, and HTR/AC Fuses/Circuit Breakers
Engine Controls Schematic Icons
Engine Controls Schematic Icons
G118, G119, and G120
G118, G119, and G120
G101 - 1 of 2
Figure 7:

Engine Data Sensors - Glow Plug Controls, Intake Air Heater (IAH) Module


Object Number: 1840225  Size: FS
Master Electrical Component List
Glow Plug System Description
Control Module References
Fuel Controls - Fuel Pump, Temperature and Pressure Controls
Engine Data Sensors - APP, High Idle Switch (UZ3) and Injection Timing Controls
ENG-1 and ENG-4 Fuses - L18/LLY
Batteries - LLY
Ignition Switch - OFF/RUN/START, RUN/START, and START Busses
AIRBAG, GAUGES, LT REAR TURN/STOP, and RT REAR TURN/STOP Fuses/Circuit Breakers
TRANS Fuse/Circuit Breaker
TRANS Fuse/Circuit Breaker
2007 MD-560C Driver Information System Schematics - DIC
High Speed GMLAN - LLY/L18
G118, G119, and G120
Figure 8:

Fuel Controls - Fuel Pump, Temperature and Pressure Controls


Object Number: 1840237  Size: FS
Master Electrical Component List
Fuel System Description
Control Module References
Fuel Controls - Fuel Heater and Water-In-Fuel Sensor Controls
Engine Data Sensors - Glow Plug Controls and Intake Air Heater (IAH) Module
Engine Controls Schematic Icons
G118, G119, and G120
Fuel Gage
Batteries - LG4/LG5 and B+ Bus
G100 - LLY
G200, G202, and G203 - 1 of 4
Engine Controls Schematic Icons
Figure 9:

Fuel Controls - Fuel Heater and Water-In-Fuel Sensor


Object Number: 1840245  Size: FS
Master Electrical Component List
Fuel System Description
Control Module References
Fuel Controls - Fuel Injectors
Fuel Controls - Fuel Pump, Temperature and Pressure Controls
ENG-1 and ENG-4 Fuses - L18/LLY
Fuse Block, IGN-A Relay, Ground, Serial Data and MIL
G103 - 1 of 2, G105, and G106
Batteries - LG4/LG5 and B+ Bus
Ignition Switch - OFF/RUN/START, RUN/START, and START Busses
AIRBAG, GAUGES, LT REAR TURN/STOP, and RT REAR TURN/STOP Fuses/Circuit Breakers
2007 MD-560C Driver Information System Schematics - DIC
G118, G119, and G120
Figure 10:

Fuel Controls - Fuel Injectors


Object Number: 1840247  Size: FS
Master Electrical Component List
Fuel System Description
Control Module References
Controlled/Monitored Subsystem References 1 of 2
Fuel Controls - Fuel Heater and Water-In-Fuel Sensor Controls
Engine Controls Schematic Icons
Engine Controls Schematic Icons
Engine Controls Schematic Icons
Engine Controls Schematic Icons
Engine Controls Schematic Icons
Figure 11:

Controlled/Monitored Subsystem References 1 of 2


Object Number: 1840255  Size: FS
Master Electrical Component List
Engine Control Module Description
Control Module References
Controlled/Monitored Subsystem References 2 of 2
Fuel Controls - Fuel Injectors
Starting System L18/LLY/LMM
Charging System L18/LLY/LMM
Exhaust System Schematics
w/o LG5 1 of 2
w/o LG5 2 of 2
Cruise Control Schematics - LG4/LLY
Engine Cooling Schematics
C 102 - Upfitter TRANS OPT Connector and Internal Mode Switch
A/C Compressor Controls - L18/LLY
Figure 12:

Controlled/Monitored Subsystem References 2 of 2


Object Number: 1840261  Size: FS
Master Electrical Component List
Engine Control Module Description
Control Module References
Controlled/Monitored Subsystem References 1 of 2
Power, Ground, Class 2 Serial Data, Transfer Case Shift Control Module and Transfer Case Encoder Motor
Instrument Panel Cluster - 2 of 2
2007 MD-560C Driver Information System Schematics - DIC
C305 (Upfitter Lighting Connector)
Hazard, Stop, and Turn Signal Controls
Backup Lamp Control
C305 (Upfitter Lighting Connector)