GM Service Manual Online
For 1990-2009 cars only
Figure 1:

Module Power, Ground, Serial Data, and MIL


Object Number: 1840537  Size: FS
Master Electrical Component List
Powertrain Control Module Description
Control Module References
Engine Data Sensors - 5-Volt and Low Reference
Ignition Switch - OFF/RUN/START, RUN/START, and START Busses
ENGINE and PCM-1 Fuses/Circuit Breakers
ENGINE and PCM-1 Fuses/Circuit Breakers
TRANS Fuse/Circuit Breaker
TRANS Fuse/Circuit Breaker
G203 - 2 of 4
Batteries - LG4/LG5 and B+ Bus
A/C COMP, HTD FUEL, PCM-B and RR DEFOG Fuses
Ignition Switch - OFF/RUN/START, RUN/START, and START Busses
Instrument Panel Cluster - 1 of 2
G100 - L18
AIRBAG, GAUGES, LT REAR TURN/STOP, and RT REAR TURN/STOP Fuses/Circuit Breakers
Splice Pack SP203
Figure 2:

Engine Data Sensors - 5-Volt and Low Reference


Object Number: 1840557  Size: FS
Master Electrical Component List
Powertrain Control Module Description
Control Module References
Fuse Block - Underhood and IGN-A Relay
Module Power, Ground, Serial Data, and MIL
Figure 3:

Fuse Block - Underhood and IGN-A Relay


Object Number: 1840591  Size: FS
Master Electrical Component List
Powertrain Control Module Description
Control Module References
Engine Data Sensors - VSS
Engine Data Sensors - 5-Volt and Low Reference
Batteries - LG4/LG5 and B+ Bus
ENGINE and PCM-1 Fuses/Circuit Breakers
ENG-1 and ENG-4 Fuses - L18/LLY
ENG-1 and ENG-4 Fuses - L18/LLY
G203 - 2 of 4
G100 - L18
Ignition Switch - OFF/RUN/START, RUN/START, and START Busses
ENGINE and PCM-1 Fuses/Circuit Breakers
ENGINE and PCM-1 Fuses/Circuit Breakers
Figure 4:

Engine Data Sensors - VSS


Object Number: 1840616  Size: FS
Master Electrical Component List
Powertrain Control Module Description
Control Module References
Engine Data Sensors - HO2S
Fuse Block - Underhood and IGN-A Relay
Cruise Control Schematics - L18
Instrument Panel Cluster - 2 of 2
Engine Controls Schematic Icons
Engine Controls Schematic Icons
Figure 5:

Engine Data Sensors - HO2S


Object Number: 1840642  Size: FS
Master Electrical Component List
Powertrain Control Module Description
Control Module References
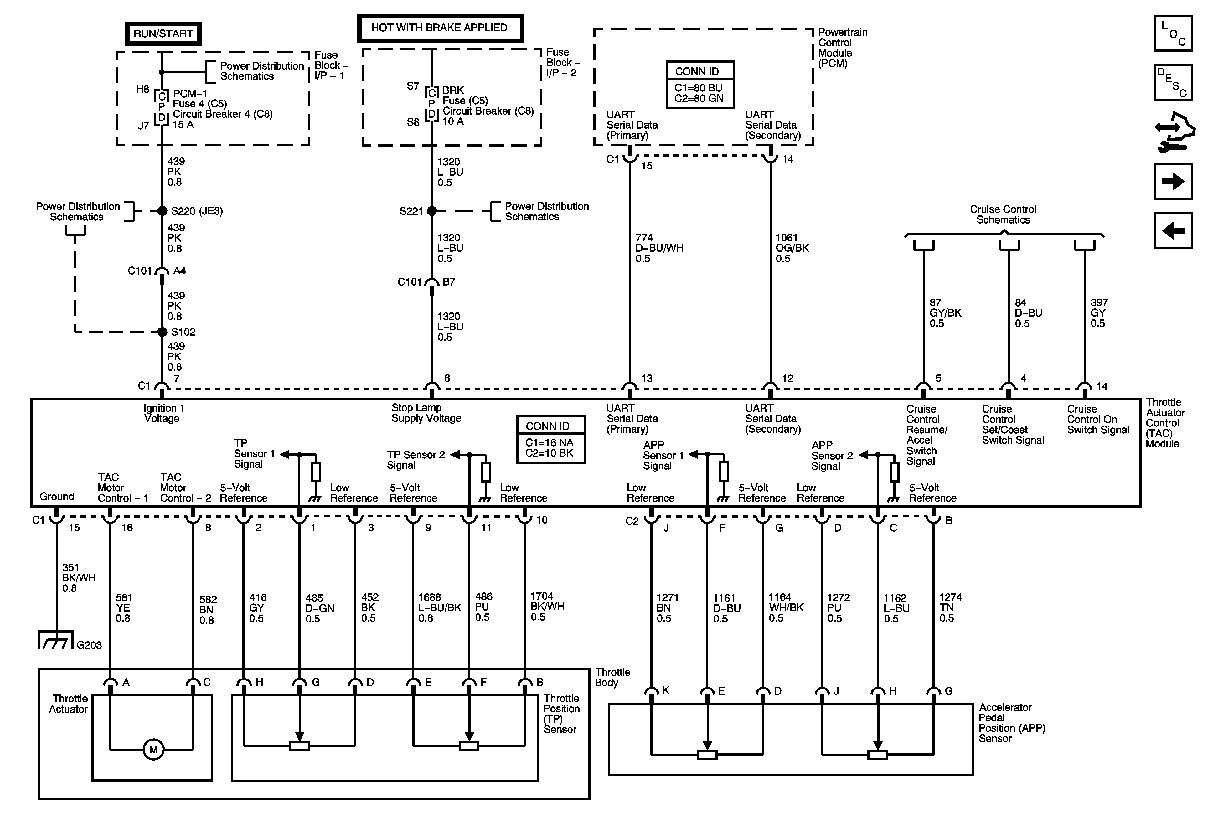
Engine Data Sensors - Electronic Throttle Controls
Engine Data Sensors - VSS
Ignition Controls - Ignition Systems - 1 of 2
Ignition Switch - RUN and ACC/RUN Busses
AXL/4WD, BRK, HYD/AIR BRK, and HTR/AC Fuses/Circuit Breakers
G101 - 1 of 2
Figure 6:

Engine Data Sensors - Electronic Throttle Controls


Object Number: 1840682  Size: FS
Master Electrical Component List
Powertrain Control Module Description
Control Module References
Ignition Controls - Ignition Systems - 1 of 2
Engine Data Sensors - HO2S
G203 - 2 of 4
Ignition Switch - OFF/RUN/START, RUN/START, and START Busses
BRK Fuse/Circuit Breaker
BRK Fuse/Circuit Breaker
Cruise Control Schematics - L18
Figure 7:

Ignition Controls - Ignition Systems 1 of 2


Object Number: 1840699  Size: FS
Master Electrical Component List
Powertrain Control Module Description
Control Module References
Ignition Controls - Ignition Systems - 2 of 2
Engine Data Sensors - Electronic Throttle Controls
Ignition Switch - OFF/RUN/START, RUN/START, and START Busses
ENGINE and PCM-1 Fuses/Circuit Breakers
G100 - L18
G100 - L18
Batteries - LG4/LG5 and B+ Bus
Ignition Controls - Ignition Systems - 2 of 2
ENG-2, ENG-3, and O2S Fuses - L18
Figure 8:

Ignition Controls - Ignition Systems 2 of 2


Object Number: 1840718  Size: FS
Master Electrical Component List
Powertrain Control Module Description
Control Module References
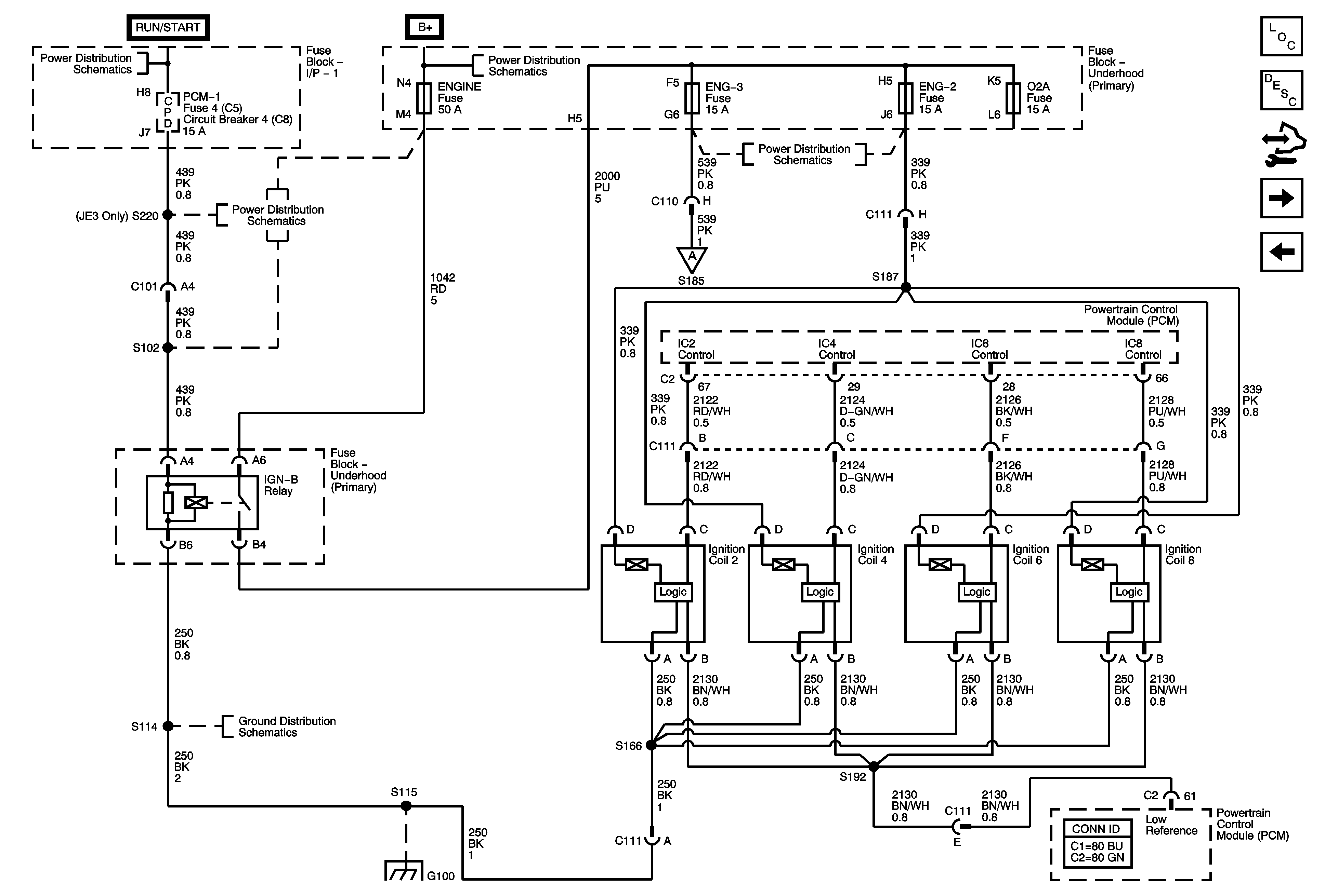
Ignition Systems - CKP, CMP, and KS Sensors
Ignition Controls - Ignition Systems - 1 of 2
G100 - L18
Ignition Controls - Ignition Systems - 1 of 2
Figure 9:

Ignition System - CKP, CMP, and KS Sensors


Object Number: 1840726  Size: FS
Master Electrical Component List
Powertrain Control Module Description
Control Module References
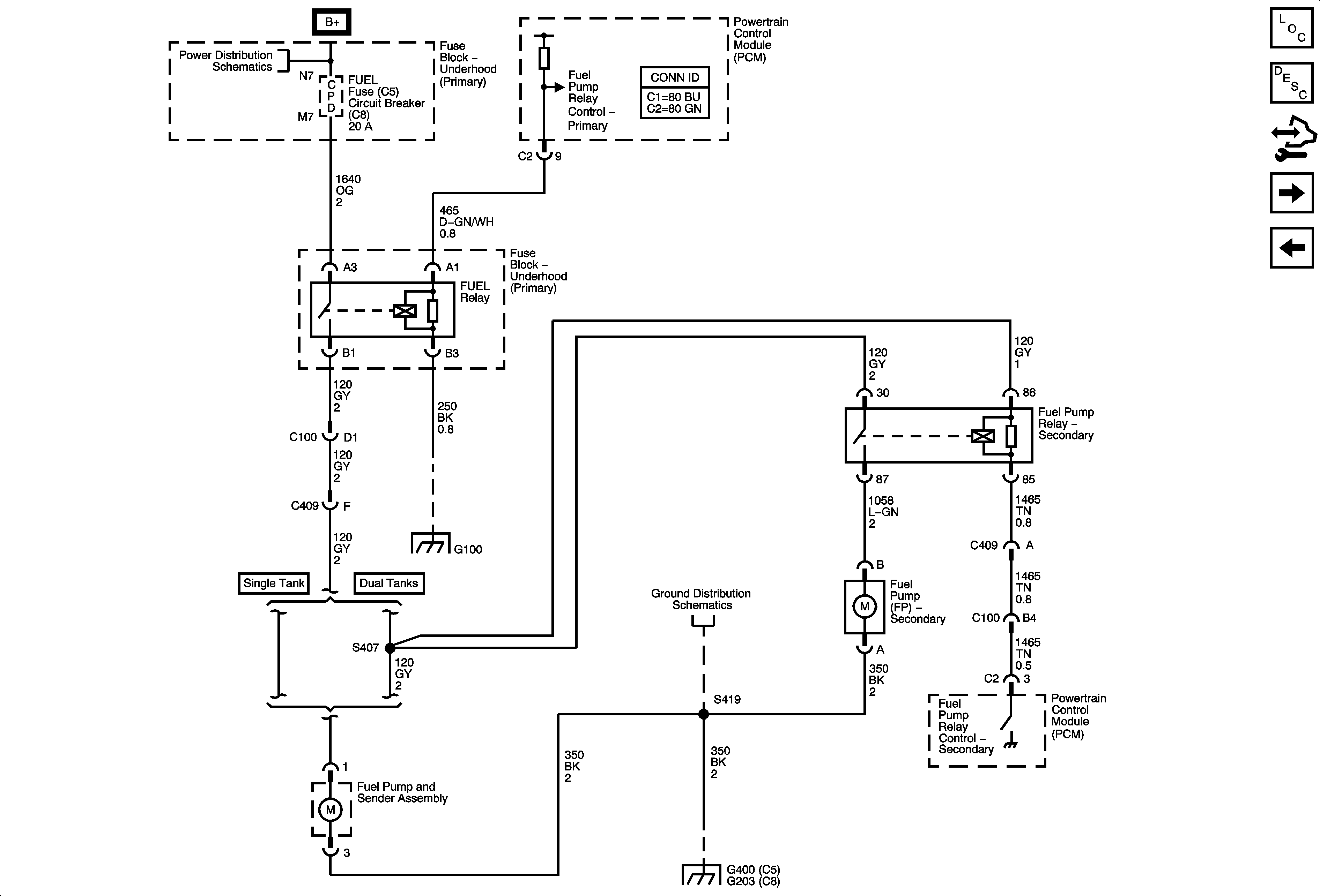
Fuel Controls - Fuel Pump Controls
Ignition Controls - Ignition Systems - 2 of 2
Figure 10:

Fuel Controls - Fuel Pump Controls


Object Number: 1840733  Size: FS
Master Electrical Component List
Powertrain Control Module Description
Control Module References
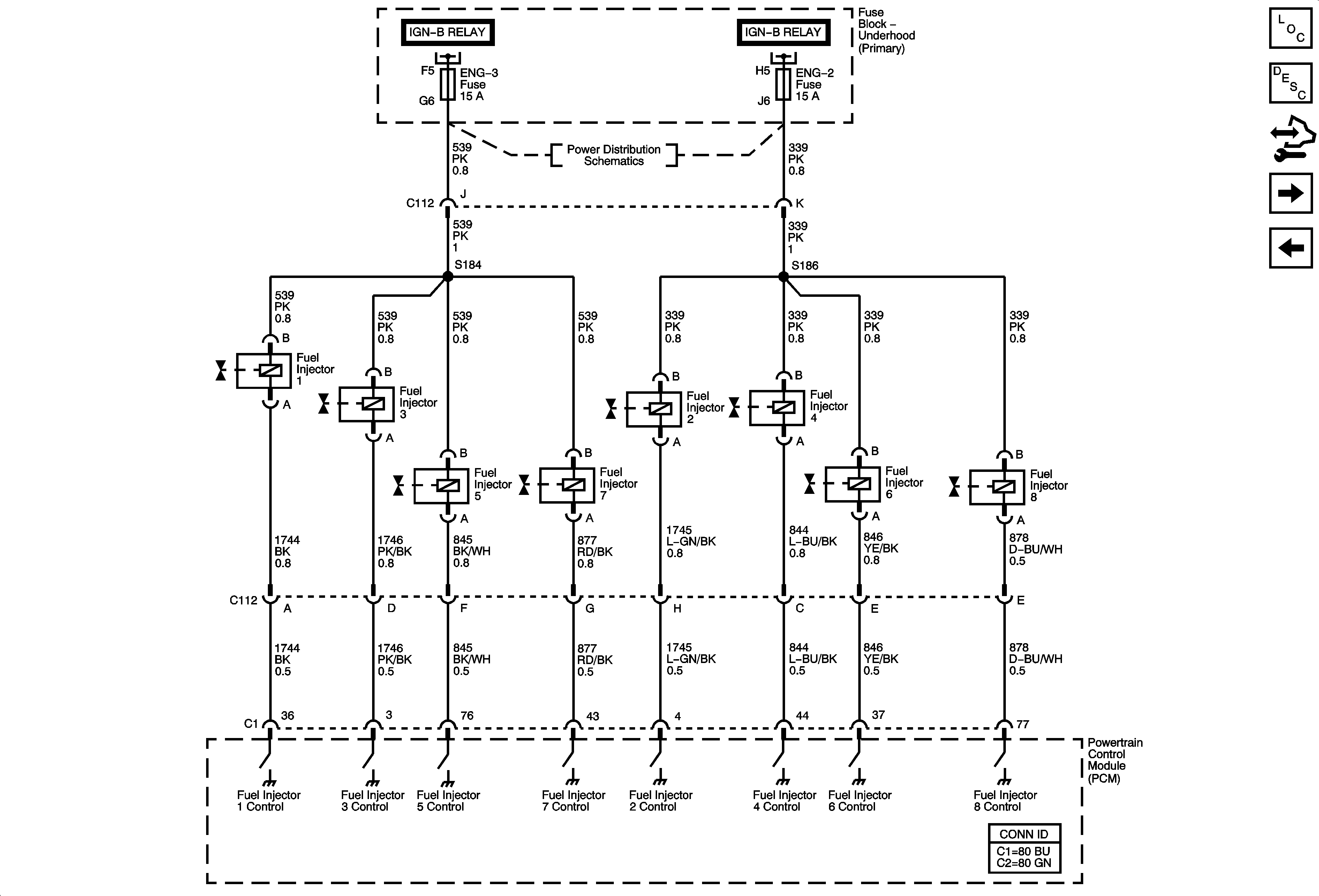
Fuel Controls - Fuel Injectors
Ignition Systems - CKP, CMP, and KS Sensors
Batteries - LG4/LG5 and B+ Bus
G100 - L18
G112, G113, G203 - 4 of 4, G204, G205, and G400
G200, G202, and G203 - 1 of 4
Figure 11:

Fuel Controls - Fuel Injectors


Object Number: 1840739  Size: FS
Master Electrical Component List
Powertrain Control Module Description
Control Module References
Device Controls - EGR Valve
Fuel Controls - Fuel Pump Controls
Ignition Controls - Ignition Systems - 1 of 2
Ignition Controls - Ignition Systems - 1 of 2
ENG-2, ENG-3, and O2S Fuses - L18
Figure 12:

Device Controls - EGR Valve


Object Number: 1840750  Size: FS
Master Electrical Component List
Powertrain Control Module Description
Control Module References
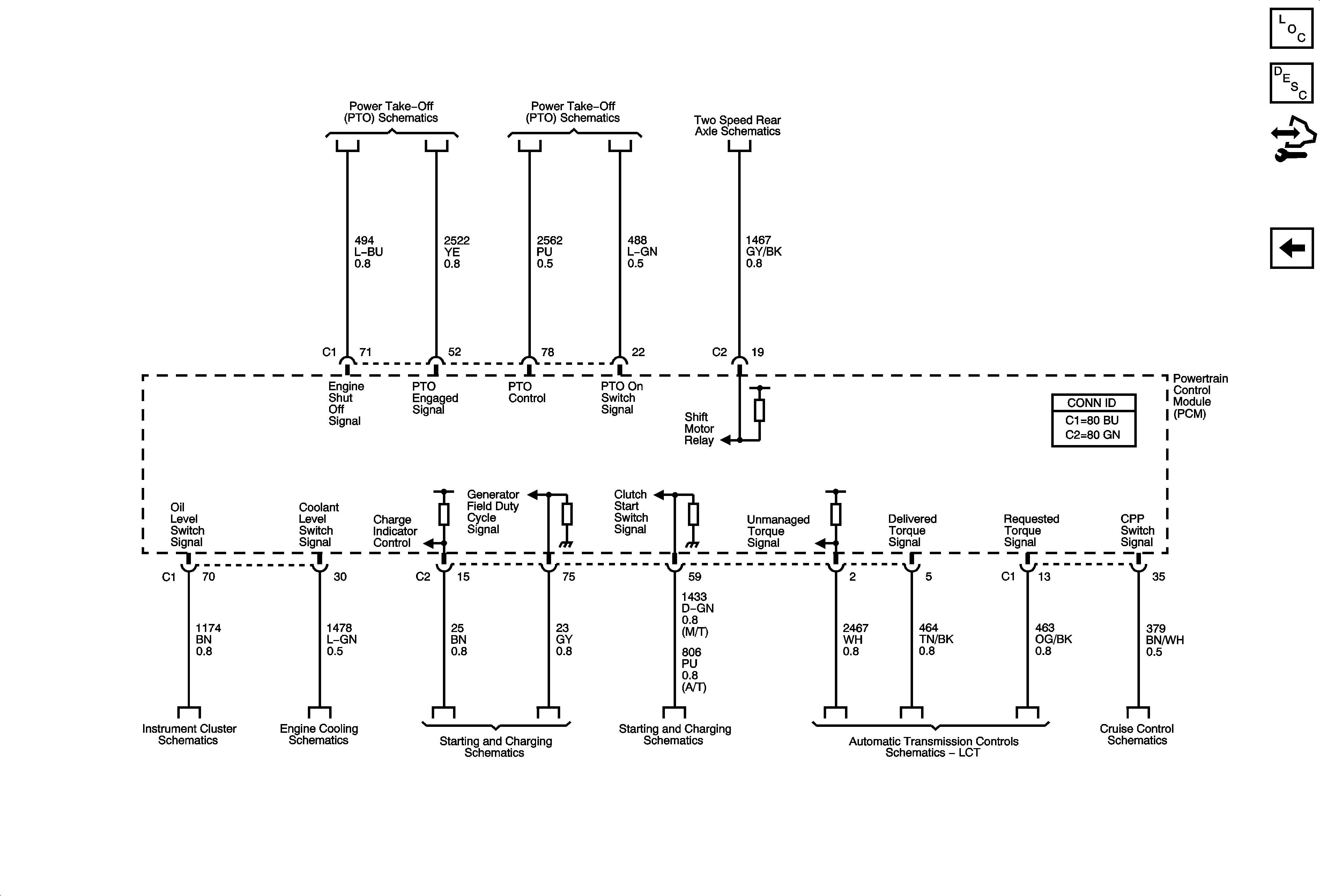
Controlled/Monitored Subsystem References - 2 of 2
Fuel Controls - Fuel Injectors
Instrument Panel Cluster - 2 of 2
ENG-1 and ENG-4 Fuses - L18/LLY
ENG-1 and ENG-4 Fuses - L18/LLY
A/C Compressor Controls - L18/LLY
Starting System L18/LLY/LMM
Figure 13:

Controlled/Monitored Subsystem References


Object Number: 1840757  Size: FS
Master Electrical Component List
Powertrain Control Module Description
Control Module References
Device Controls - EGR Valve
w/o LG5 2 of 2
w/o LG5 1 of 2
HPZ with Automatic Transmission
Instrument Panel Cluster - 2 of 2
Engine Cooling Schematics
Charging System L18/LLY/LMM
Starting System L18/LLY/LMM
Module Power, Ground, Serial Data, MIL, VSS, and Torque Controls
Cruise Control Schematics - L18