GM Service Manual Online
For 1990-2009 cars only
Figure 1:

Power, Serial Data, and MIL


Object Number: 1637031  Size: FS
Master Electrical Component List
Powertrain Control Module Description
Control Module References
5-Volt and Low References
Engine Controls Schematic Icons
B+ Bussing
Underhood Fuse Block - IBCM 1, Body Control Module (BCM), AIR BAG (BATT), CLUSTER/THEFT, HVAC CTRL (BATT), IGN SENSOR, and RADIO Fuses
Underhood Fuse Block - IBCM 1, Body Control Module (BCM), AIR BAG (BATT), CLUSTER/THEFT, HVAC CTRL (BATT), IGN SENSOR, and RADIO Fuses
Underhood Fuse Block - IBCM 1, Body Control Module (BCM), AIR BAG (BATT), CLUSTER/THEFT, HVAC CTRL (BATT), IGN SENSOR, and RADIO Fuses
G103, G104, and G105
Power, Ground, Class 2 and High Speed Serial Data
G109
Figure 2:

Engine Data Sensors - 5-Volt and Low Reference


Object Number: 1637033  Size: FS
Master Electrical Component List
Powertrain Control Module Description
Control Module References
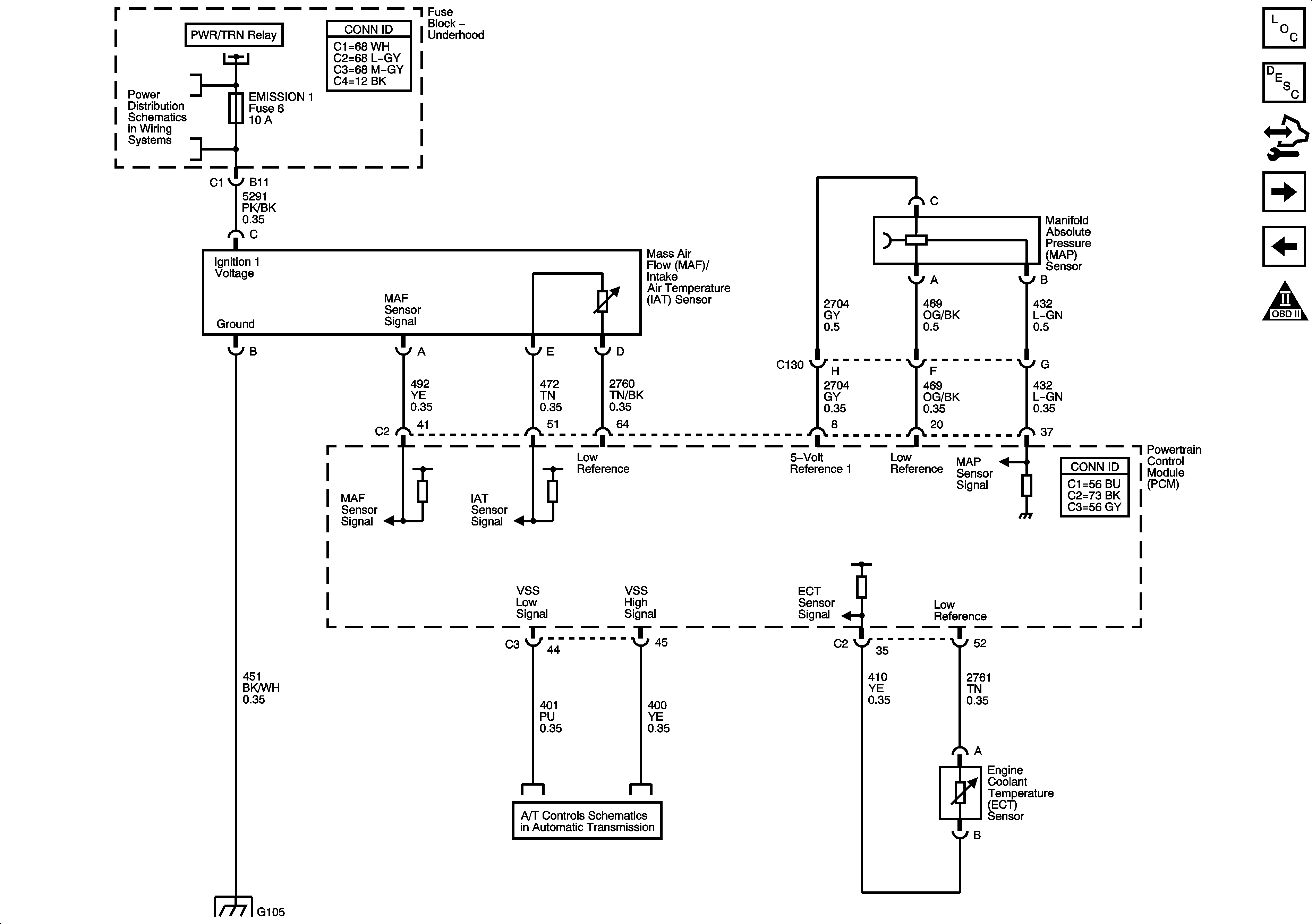
Pressure and Temperature Sensors
Power, Ground, Serial Data and MIL
Engine Controls Schematic Icons
Figure 3:

Engine Data Sensors - Pressure and Temperature


Object Number: 1637034  Size: FS
Master Electrical Component List
Air Intake System Description
Control Module References
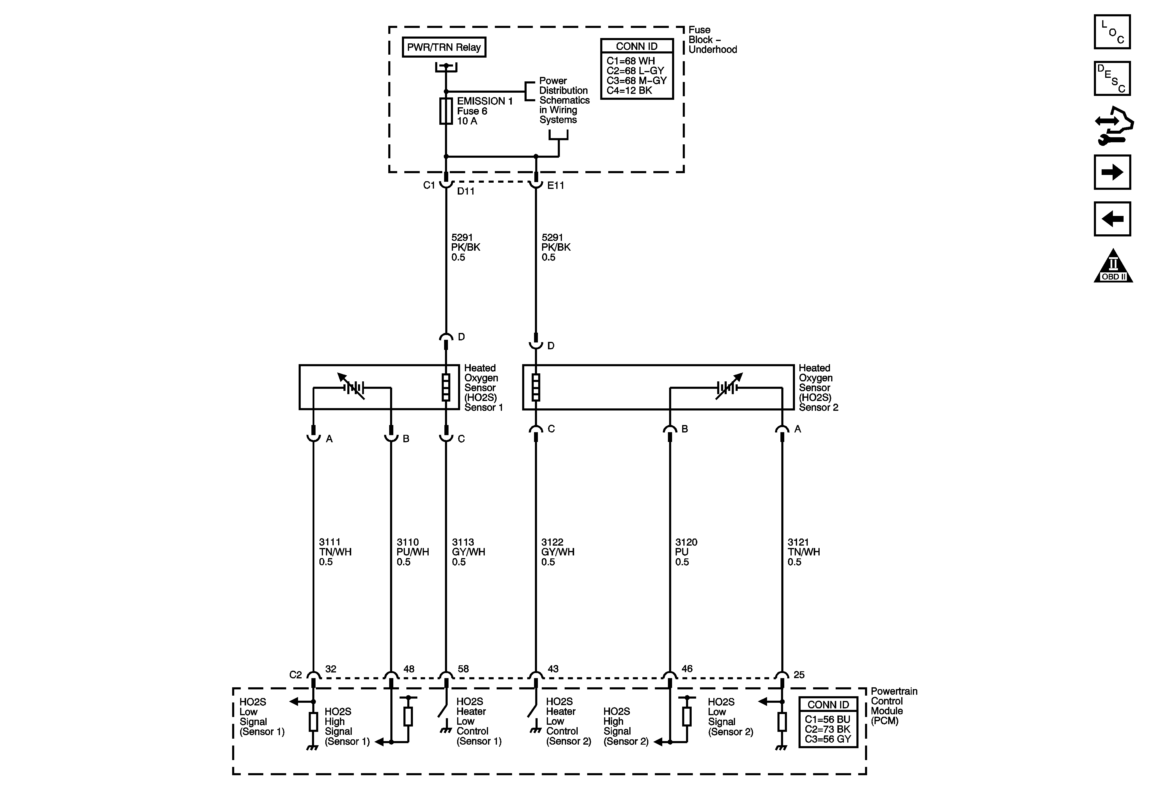
Oxygen Sensors
5-Volt and Low References
Engine Controls Schematic Icons
Underhood Fuse Block, A/C CLUTCH Relay, PWR/TRN Relay, A/C CLU, EMISSION 1, and ETC Fuses
Power, Ground, Serial Data and MIL
G103, G104, and G105
Transmission Solenoids and VSS
Figure 4:

Engine Data Sensors - Oxygen Sensors


Object Number: 1637040  Size: FS
Master Electrical Component List
Powertrain Control Module Description
Control Module References
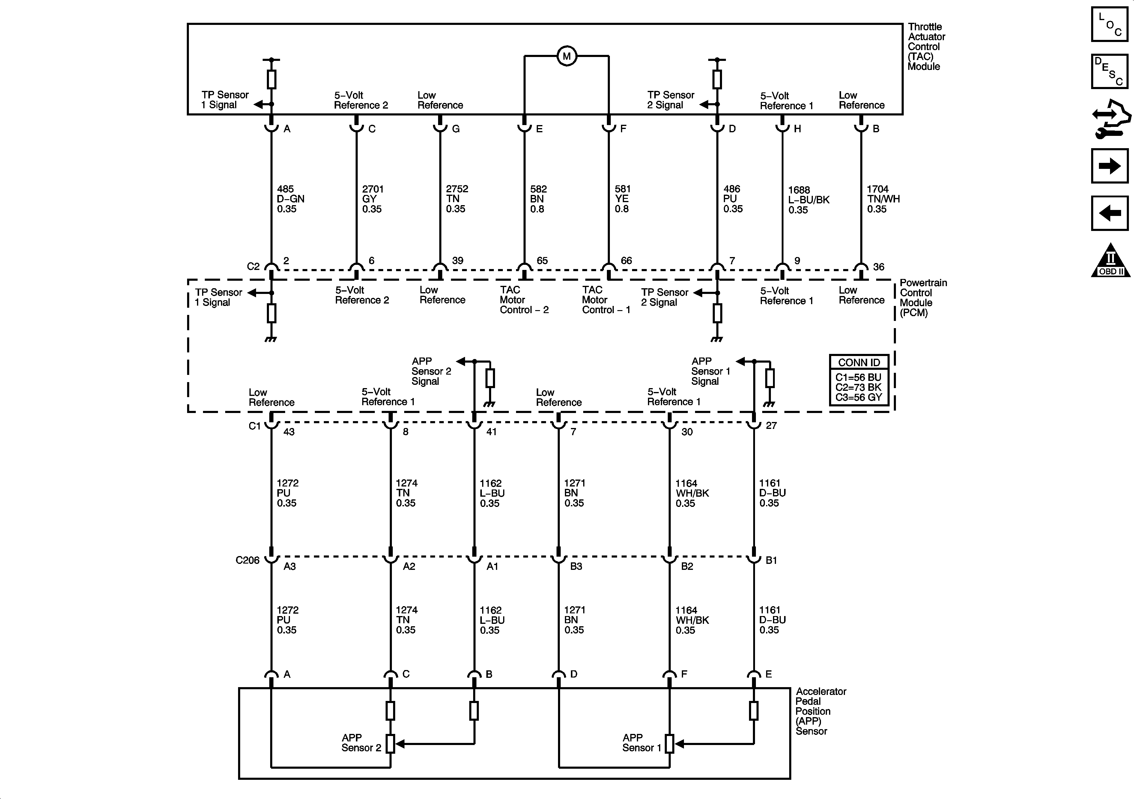
Electronic Throttle Controls
Pressure and Temperature Sensors
Engine Controls Schematic Icons
Power, Ground, Serial Data and MIL
Underhood Fuse Block, A/C CLUTCH Relay, PWR/TRN Relay, A/C CLU, EMISSION 1, and ETC Fuses
Figure 5:

Engine Data Sensors - Electronic Throttle Controls


Object Number: 1637041  Size: FS
Master Electrical Component List
Throttle Actuator Control (TAC) System Description
Control Module References
Ignition System
Pressure and Temperature Sensors
Engine Controls Schematic Icons
Figure 6:

Ignition Controls - Ignition System


Object Number: 1637060  Size: FS
Master Electrical Component List
Knock Sensor (KS) System Description
Control Module References
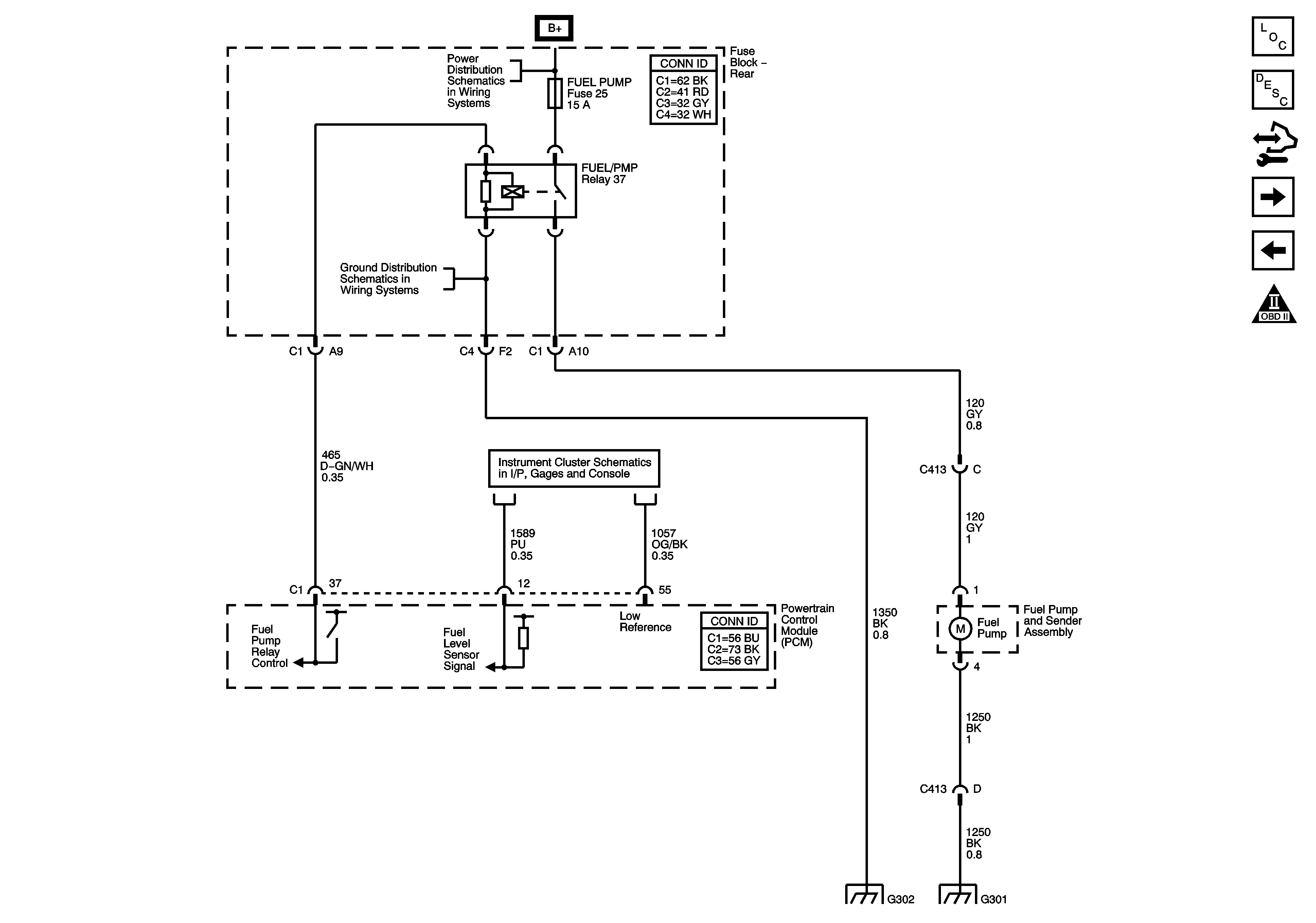
Fuel Pump Controls
Electronic Throttle Controls
Engine Controls Schematic Icons
Power, Ground, Serial Data and MIL
Run/Crank ICBM, Transmission, Injectors, ABS, PCM IGN, IGN Fuses
B+ Bussing
Engine Controls Schematic Icons
Engine Controls Schematic Icons
G106
Figure 7:

Fuel Controls - Fuel Pump Controls


Object Number: 1637482  Size: FS
Master Electrical Component List
Fuel System Description
Control Module References
Fuel Indicators and EVAP
Ignition System
Engine Controls Schematic Icons
Underhood Fuse Block, RBEC 2, RUN RLY, Body Control Module (BCM) HVAC BLOWER HIGH Relay, RUN Relay, HVAC BLOWER, HVAC CTRL (IGN), Rear Fuse Block, FUEL/PMP Relay, PARK LP Relay, TRUNK Relay, DRV ST
G302
Indicators
G302
G301
Figure 8:

Fuel Controls - Fuel Injectors and EVAP


Object Number: 1637504  Size: FS
Master Electrical Component List
Fuel System Description
Control Module References
Controlled/Monitored Subsystem References
Fuel Pump Controls
Engine Controls Schematic Icons
Underhood Fuse Block, RUN/CRANK Relay, ABS, IGN 1, INJ, PCM IGN 1, and TRANS Fuses
Power, Ground, Serial Data and MIL
Underhood Fuse Block, A/C CLUTCH Relay, PWR/TRN Relay, A/C CLU, EMISSION 1, and ETC Fuses
Power, Ground, Serial Data and MIL
Underhood Fuse Block, RBEC 2, RUN RLY, Body Control Module (BCM) HVAC BLOWER HIGH Relay, RUN Relay, HVAC BLOWER, HVAC CTRL (IGN), Rear Fuse Block, FUEL/PMP Relay, PARK LP Relay, TRUNK Relay, DRV ST
Figure 9:

Controlled/Monitored Subsystem References


Object Number: 1637507  Size: FS
Master Electrical Component List
Powertrain Control Module Description
Control Module References
Transmission Control References
Fuel Indicators and EVAP
Engine Controls Schematic Icons
Compressor Controls
Compressor Controls
Starting System (LX9/L61)
Charging System
Indicators
Engine Cooling Fans
Figure 10:

Transmission Control References


Object Number: 1637511  Size: FS
Master Electrical Component List
Powertrain Control Module Description
Control Module References
Controlled/Monitored Subsystem References
Engine Controls Schematic Icons
Transmission Solenoids and VSS
Transmission Switches, TFT and A/T ISS Sensor
Tap Up/Tap Down Switch
Transmission Switches, TFT and A/T ISS Sensor
PNP Switch