GM Service Manual Online
For 1990-2009 cars only
Figure 1:

Headlamp Switch, Ambient Light Sensor and BCM


Object Number: 669451  Size: FS
Master Electrical Component List
Exterior Lighting Systems Description and Operation
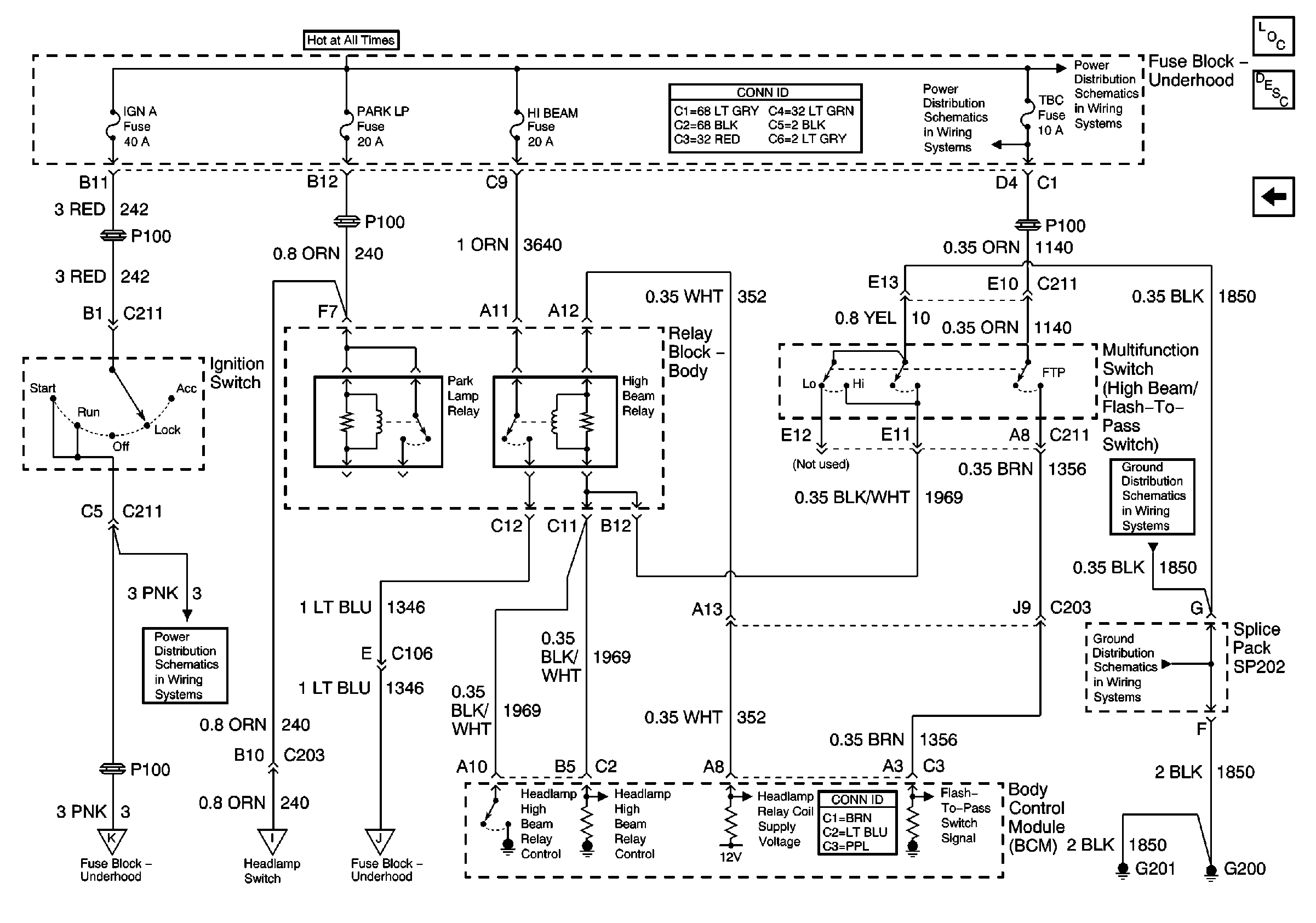
DRL and Headlamp Power Relays
AUX PWR, RDO BATT and HDLP SW Fuses
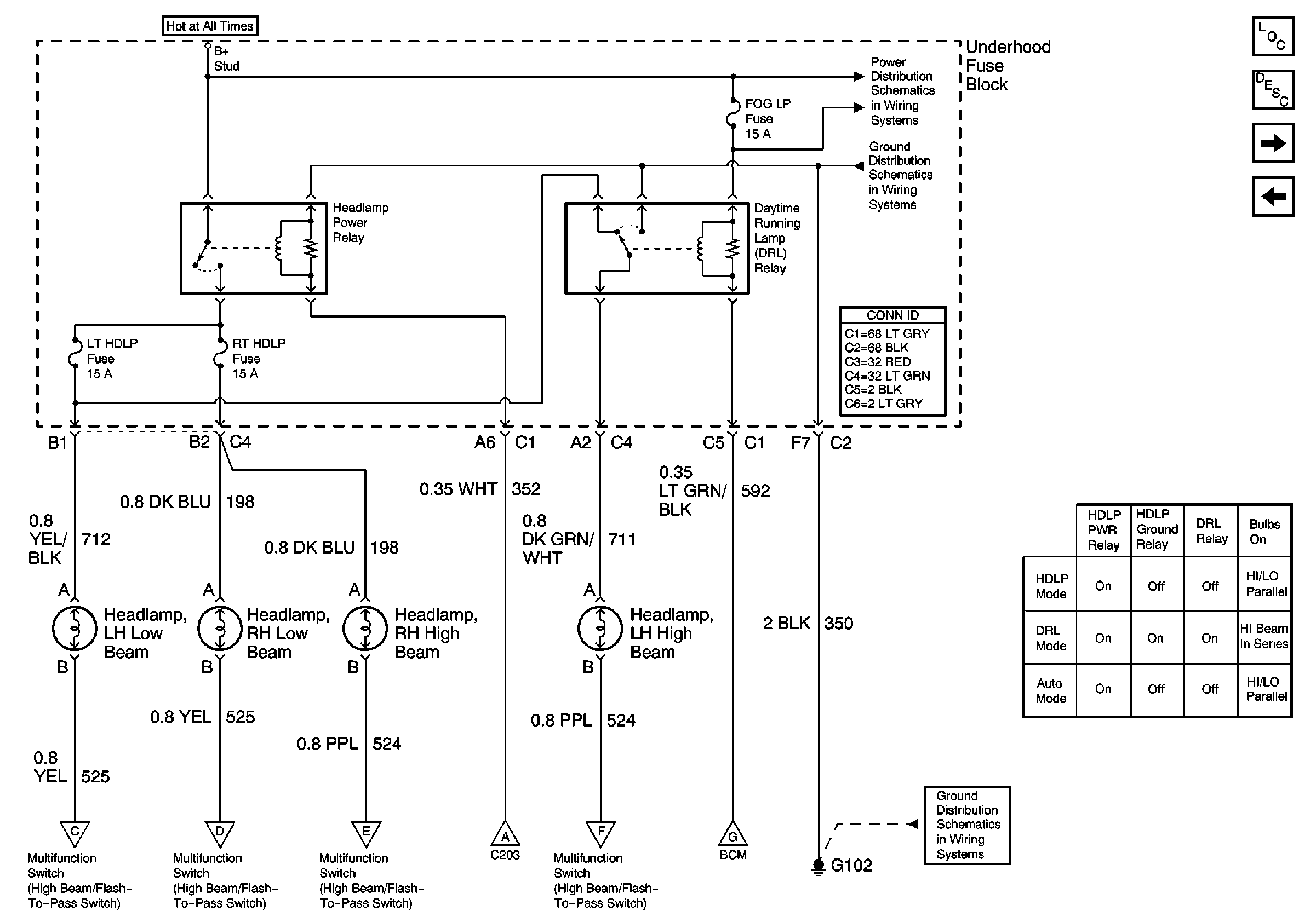
Headlamp Grounding Relay and BCM (Except Envoy)
DRL and Headlamp Power Relays
G203 and G204 (Pickup)
Headlight Leveling Schematics (Export)
Park/Turn Signal Lamps, Marker and License Lamps, Rear(Pickup)
Headlamp Switch
G203 and G204 (Pickup)
Figure 2:

DRL and Headlamp Power Relays


Object Number: 669453  Size: FS
Master Electrical Component List
Exterior Lighting Systems Description and Operation
Headlamp Grounding Relay and BCM (Except Envoy)
Headlamp Switch, Ambient Light Sensor and BCM
MIR/LKS, FOG LP Fuses and DRL, Headlamp Power Relays
G102 (Except Export)
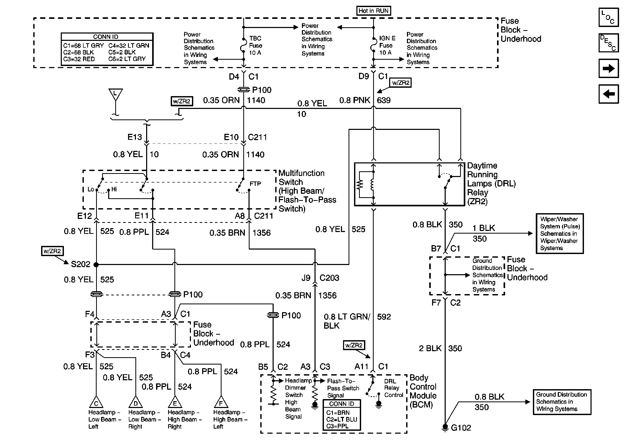
Flash-To-Pass Switch, DRL Relay (ZR2) and BCM
Headlamp Switch, Ambient Light Sensor and BCM
Flash-To-Pass Switch, DRL Relay (ZR2) and BCM
Headlamp Grounding Relay and BCM (Except Envoy)
G102 (Except Export)
Figure 3:

Headlamp Grounding Relay and BCM (Except Envoy)


Object Number: 669457  Size: FS
Master Electrical Component List
Exterior Lighting Systems Description and Operation
Flash-To-Pass Switch, DRL Relay (ZR2) and BCM
DRL and Headlamp Power Relays
B+ Bus Bar
Flash-To-Pass Switch, DRL Relay (ZR2) and BCM
Park/Turn Signal Lamps, Marker and License Lamps, Rear(Pickup)
Headlamp Switch, Ambient Light Sensor and BCM
DRL and Headlamp Power Relays
G200, G201 and G207 (Pickup and Crew Cab)
Figure 4:

Flash-To-Pass Switch, DRL Relay (ZR2) and BCM


Object Number: 669455  Size: FS
Master Electrical Component List
Exterior Lighting Systems Description and Operation
Headlamp Switch and BCM (Envoy/Diamond Edition 1SK)
Headlamp Grounding Relay and BCM (Except Envoy)
Headlamp Grounding Relay and BCM (Except Envoy)
STUD 2, ABS, TBC and RR W/W Fuses
B+ Bus Bar
IGN E Fuse and A/C Compressor, Rear Defogger, DRL Relays
Pulse Wipers
G102 (Except Export)
DRL and Headlamp Power Relays
G102 (Except Export)
Figure 5:

Headlamp Switch and BCM (Envoy/Diamond Edition 1SK)


Object Number: 669458  Size: FS
Master Electrical Component List
Exterior Lighting Systems Description and Operation
DRL, Low Beam Relays and BCM (Envoy/Diamond Edition 1SK)
Flash-To-Pass Switch, DRL Relay (ZR2) and BCM
AUX PWR, RDO BATT and HDLP SW Fuses
Park Lamp, High Beam Relays and BCM (Envoy/Diamond Edition 1SK)
DRL, Low Beam Relays and BCM (Envoy/Diamond Edition 1SK)
G203 and G204 (Envoy)
Park and License Lamps, Rear (Utility)
Headlamp Switch
G203 and G204 (Envoy)
Figure 6:

DRL, Low Beam Relays and BCM (Envoy/Diamond Edition 1SK)


Object Number: 669459  Size: FS
Master Electrical Component List
Exterior Lighting Systems Description and Operation
Park Lamp, High Beam Relays and BCM (Envoy/Diamond Edition 1SK)
Headlamp Switch and BCM (Envoy/Diamond Edition 1SK)
Park Lamp, High Beam Relays and BCM (Envoy/Diamond Edition 1SK)
Park Lamp, High Beam Relays and BCM (Envoy/Diamond Edition 1SK)
IGN E Fuse and A/C Compressor, Rear Defogger, DRL Relays
HI BEAM, LD LEV, DRL Fuses and Low Beam Relay (Envoy Only)
G109, G111, G112 and G113 (Except Export)
Headlamp Switch and BCM (Envoy/Diamond Edition 1SK)
G102 (Except Export)
Figure 7:

Park Lamp, High Beam Relays and BCM (Envoy/Diamond Edition 1SK)


Object Number: 669463  Size: FS
Master Electrical Component List
Exterior Lighting Systems Description and Operation
DRL, Low Beam Relays and BCM (Envoy/Diamond Edition 1SK)
STUD 2, ABS, TBC and RR W/W Fuses
B+ Bus Bar
Ign RUN and START Bus Bar
DRL, Low Beam Relays and BCM (Envoy/Diamond Edition 1SK)
Headlamp Switch and BCM (Envoy/Diamond Edition 1SK)
DRL, Low Beam Relays and BCM (Envoy/Diamond Edition 1SK)
S501 (Utility)
G200, G201 and G207 (Envoy)