GM Service Manual Online
For 1990-2009 cars only
Makes
🢒
Chevrolet
🢒
2005
🢒
SSR
🢒
Body
🢒
Wiring Systems
🢒 Interior Lights Schematics
Figure
1:
Master Electrical Component List
Interior Lighting Systems Description and Operation
Control Module References
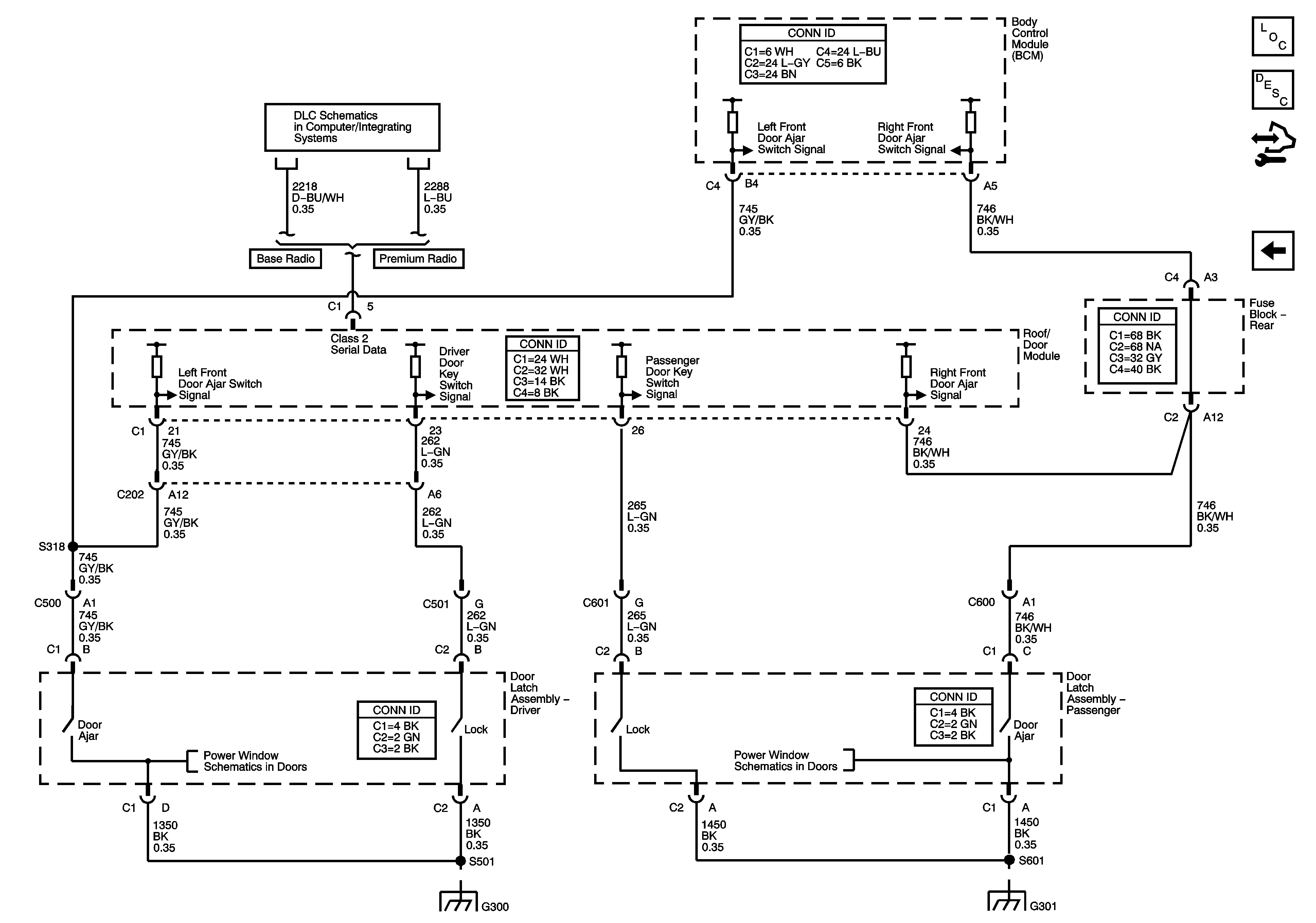
Door Ajar Switches
B+ Bus - Rear Fuse Block
Body Rear End Schematics
G400, G401, G402, G404, G405
G301, G302
G200
G400, G401, G402, G404, G405
Figure
2:
Door Ajar Switches
Master Electrical Component List
Interior Lighting Systems Description and Operation
Control Module References
Interior Lights
Data Link Connector Schematics
Door Latch Window Indexing and Ajar Switch Signals
Door Latch Window Indexing and Ajar Switch Signals
G300
G301, G302