GM Service Manual Online
For 1990-2009 cars only
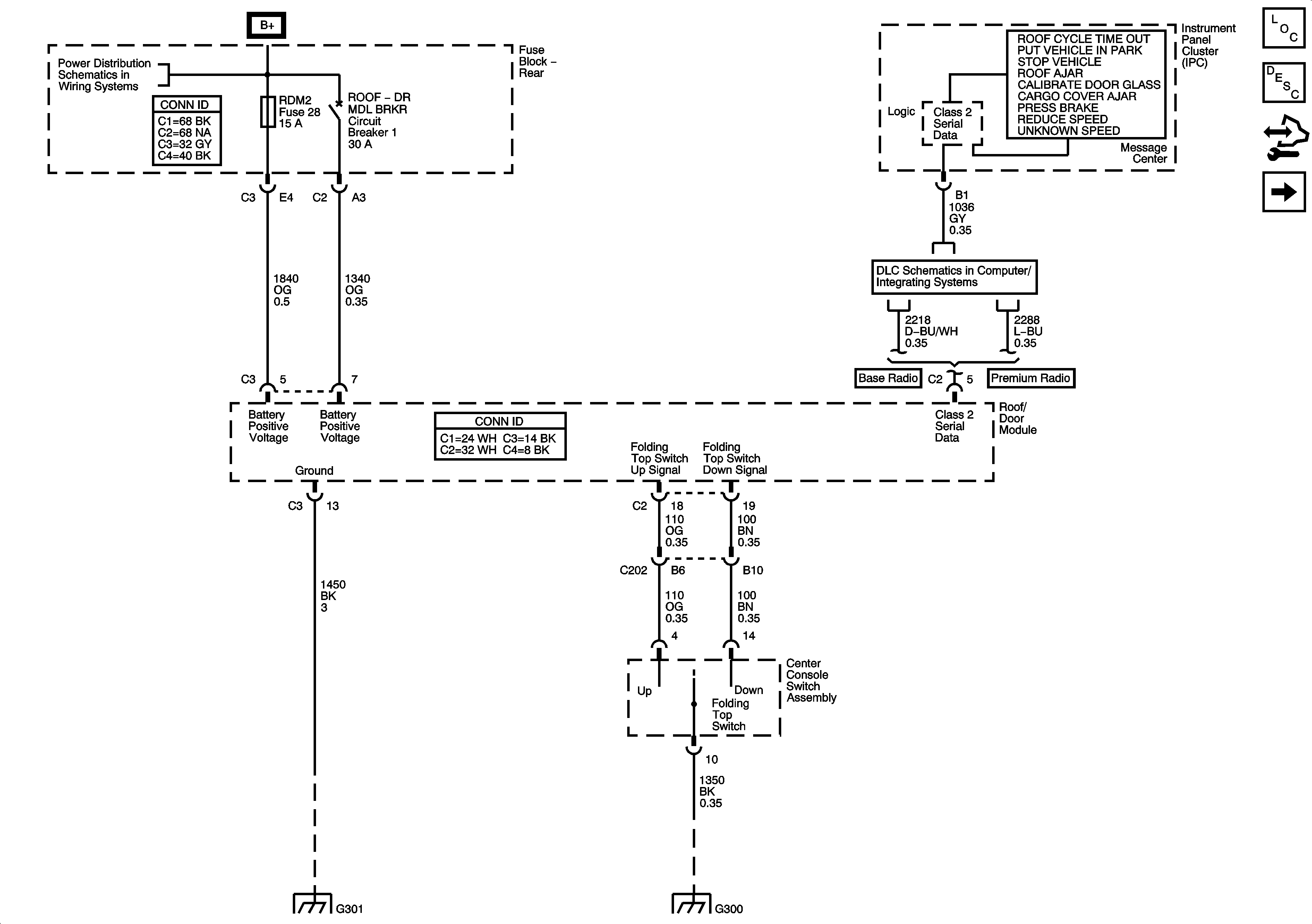
Figure 1:

Power, Ground, Serial Data and Retractable Roof Switch


Object Number: 1458669  Size: FS
Master Electrical Component List
Power Folding Top Description and Operation
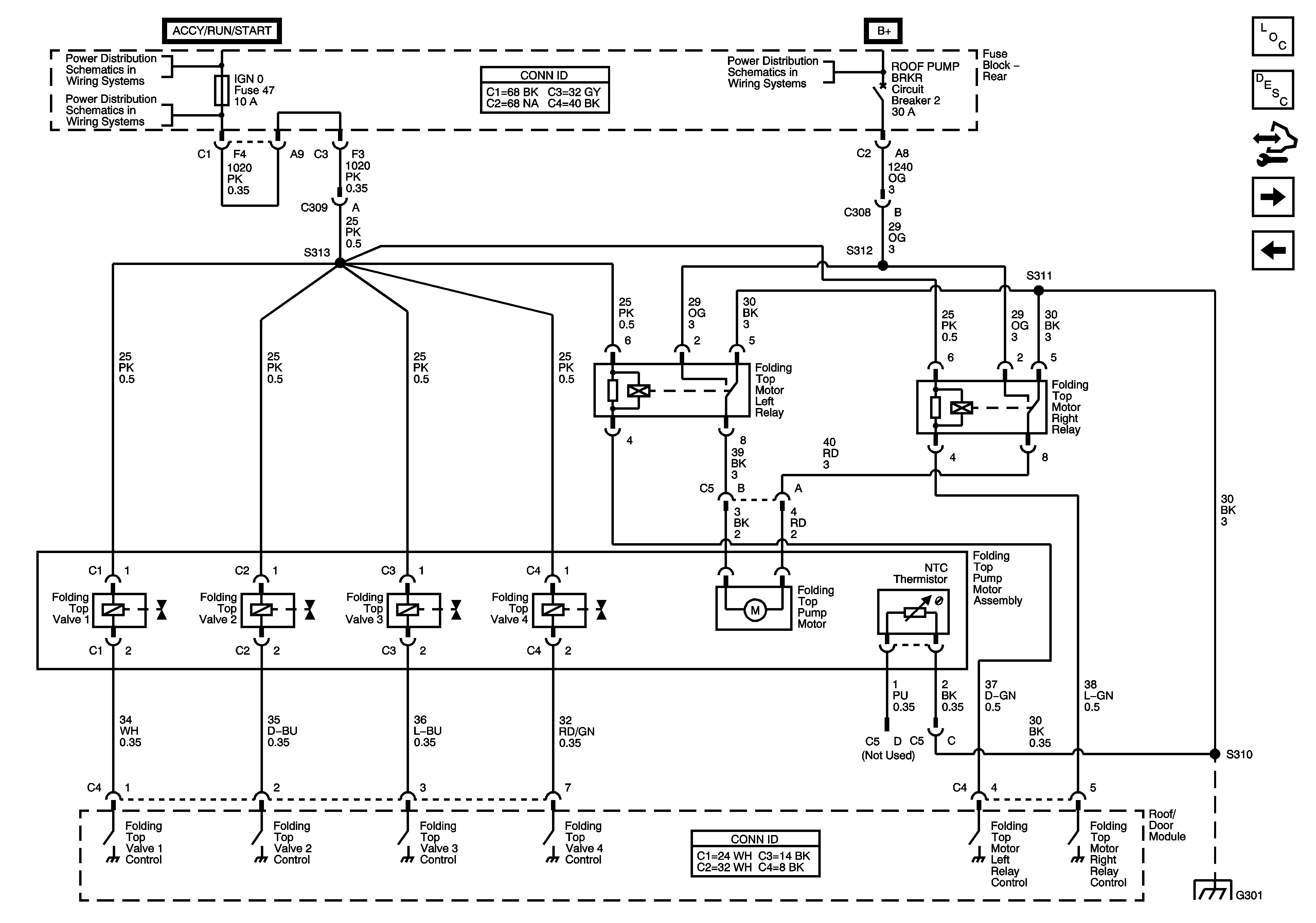
Control Module References
Folding Top Pump Motor Assembly and Relays
B+ Bus - Rear Fuse Block
Data Link Connector Schematics
G301, G302
G300
Figure 2:

Retractable Roof Pump/Valve Assembly and Relays


Object Number: 1458670  Size: FS
Master Electrical Component List
Power Folding Top Description and Operation
Control Module References
Sensors
Power, Ground, Serial Data and Folding Top Switches
Ignition Switch - ACCY/RUN/START,RUN and START Bus Bars, CRNK and IGN A Fuses
IGN0, TBC IG, TBC 4CC, FT WPR Fuses
B+ Bus - Rear Fuse Block
G301, G302
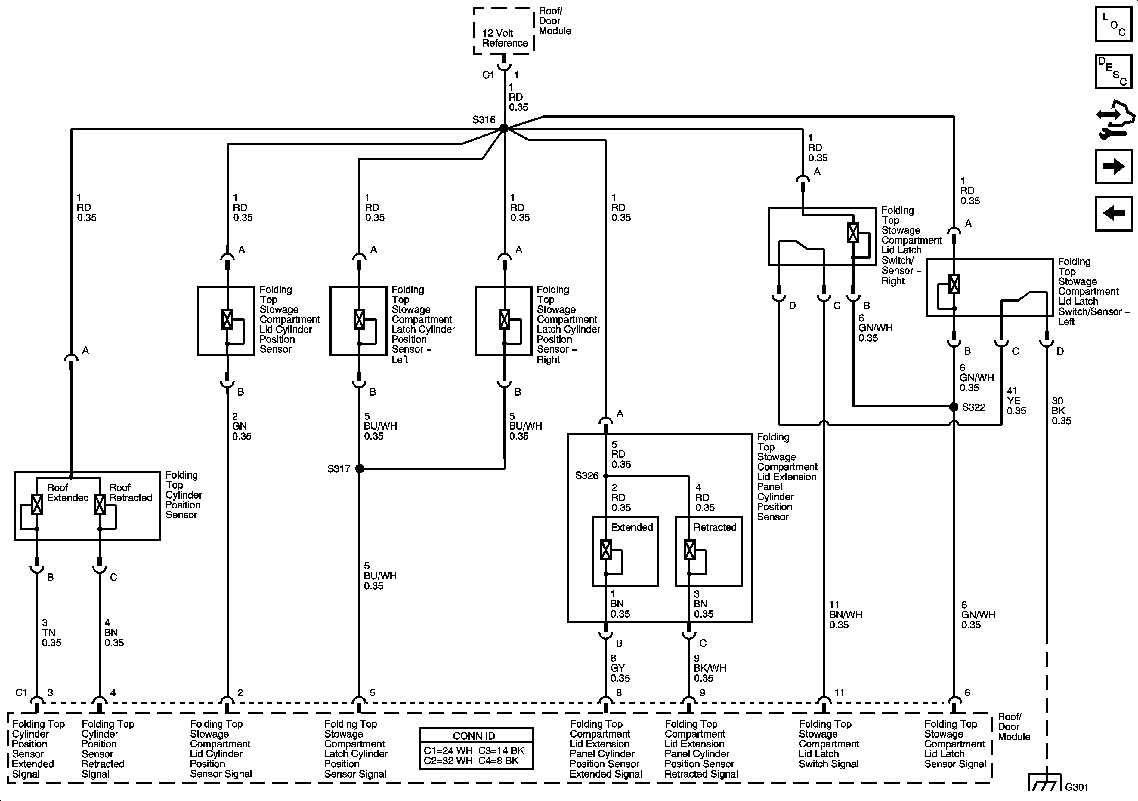
Figure 3:

Sensors


Object Number: 1458671  Size: FS
Master Electrical Component List
Power Folding Top Description and Operation
Control Module References
Folding Top Latches and References
Folding Top Pump Motor Assembly and Relays
G301, G302
Figure 4:

Retractable Roof Latches and References


Object Number: 1458675  Size: FS
Master Electrical Component List
Power Folding Top Description and Operation
Control Module References
Sensors
Automatic Transmission Shift Lock Control Schematics
Power Windows Schematics
Door Latch Window Indexing and Ajar Switch Signals
Body Rear End Schematics
A/C Compressor Control
G301, G302