GM Service Manual Online
For 1990-2009 cars only
Figure 1:

Module Power, Ground, Serial Data, and MIL


Object Number: 1775503  Size: FS
Master Electrical Component List
Powertrain Control Module Description
Control Module References
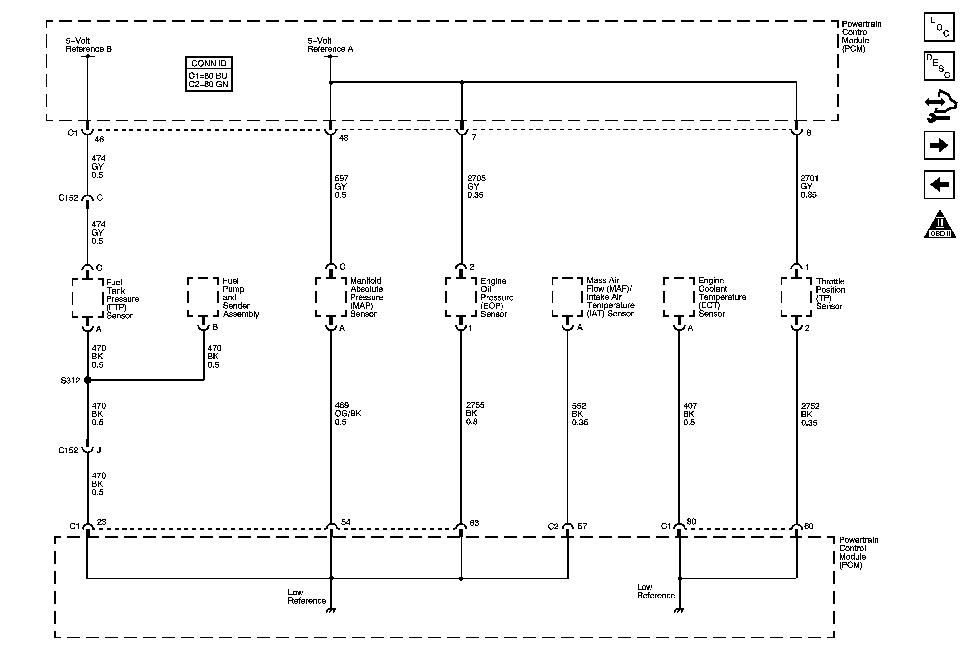
Engine Data Sensors - 5-Volt and Low Reference
Engine Controls Schematic Icons
G104, G107, and G110
ETC/ECM, INJ1, INJ2, PCM 1, and SBA Fuses - Gas
B+ Bus Bar
AUX PWR, AUX PWR 2, DDM, ECC/TCM, ECM B, LBEC 2, LCKS, PCM B, PDM, and TCM B Fuses
Ignition Switch - START, RUN, and ACC/RUN/START BUS BARS, IGN A, and CRNK Fuses
IGN 0, RR WPR, SEO ACCY, TBC ACCY, TBC IGN 0, and WS WPR Fuses
IGN 0, RR WPR, SEO ACCY, TBC ACCY, TBC IGN 0, and WS WPR Fuses
G104, G107, and G110
G103 and G106 - Gas
Power, Ground, DLC and Splice Pack SP205
Figure 2:

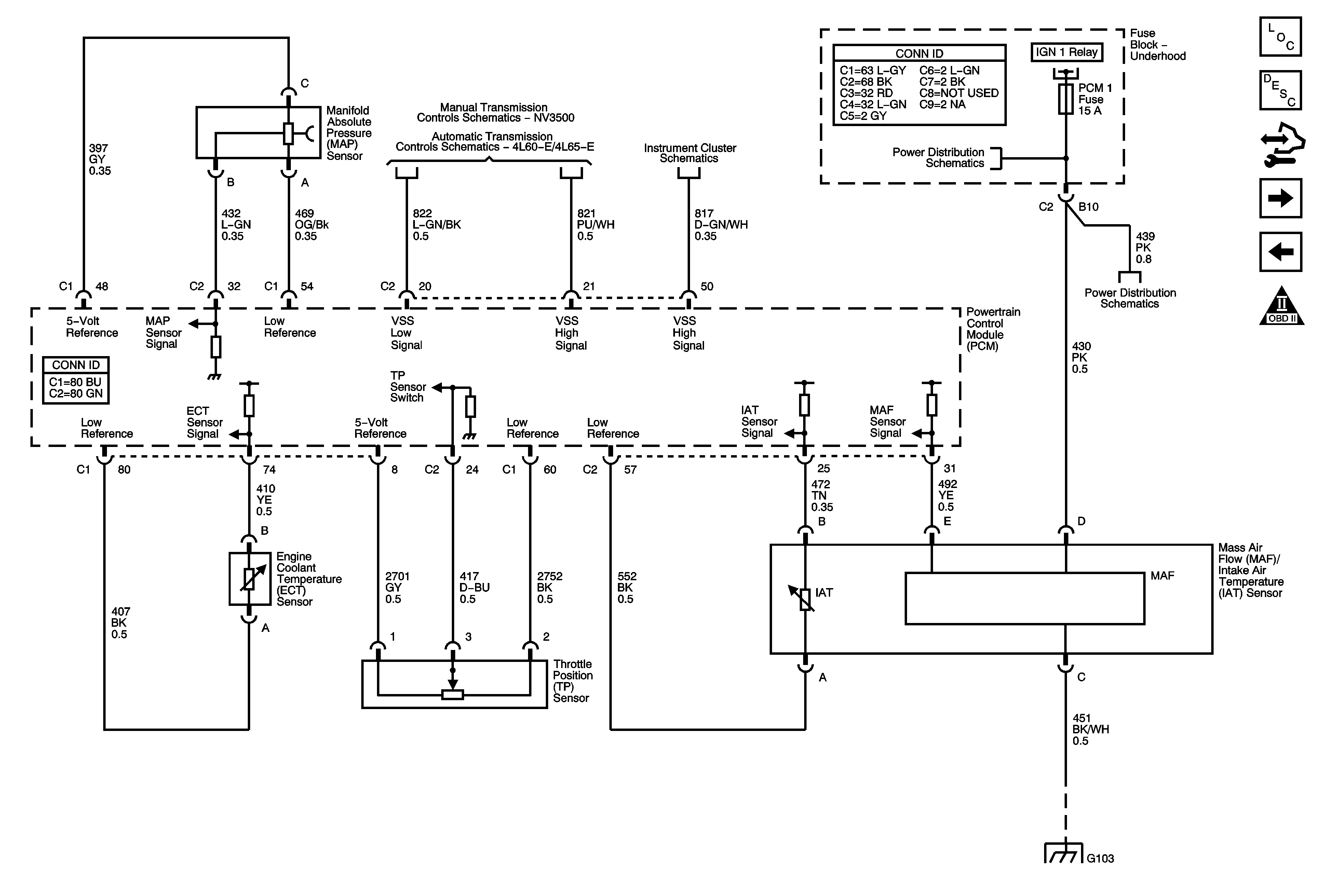
Engine Data Sensors - 5-Volt and Low Reference


Object Number: 1775520  Size: FS
Master Electrical Component List
Powertrain Control Module Description
Control Module References
Engine Data Sensors - Pressure, Temperature, MAF and VSS
Module Power, Ground, Serial Data, and MIL
Engine Controls Schematic Icons
Figure 3:

Engine Data Sensors - Pressure, Temperature, MAF, and VSS


Object Number: 1775588  Size: FS
Master Electrical Component List
Distributor Ignition (DI) System Description
Control Module References
Engine Data Sensors - Oxygen Sensors
Engine Data Sensors - 5-Volt and Low Reference
Engine Controls Schematic Icons
Manual Transmission NV3500 Schematics
Pressure Controls, Temperature, and VSS
Gages, Vehicle Speed Sensor, Engine Oil Pressure, and Fuel Level Sensors
ETC/ECM, INJ1, INJ2, PCM 1, and SBA Fuses - Gas
ETC/ECM, INJ1, INJ2, PCM 1, and SBA Fuses - Gas
ETC/ECM, INJ1, INJ2, PCM 1, and SBA Fuses - Gas
G103 and G106 - Gas
Figure 4:

Engine Data Sensors - Oxygen Sensors


Object Number: 1775593  Size: FS
Master Electrical Component List
Fuel System Description
Control Module References
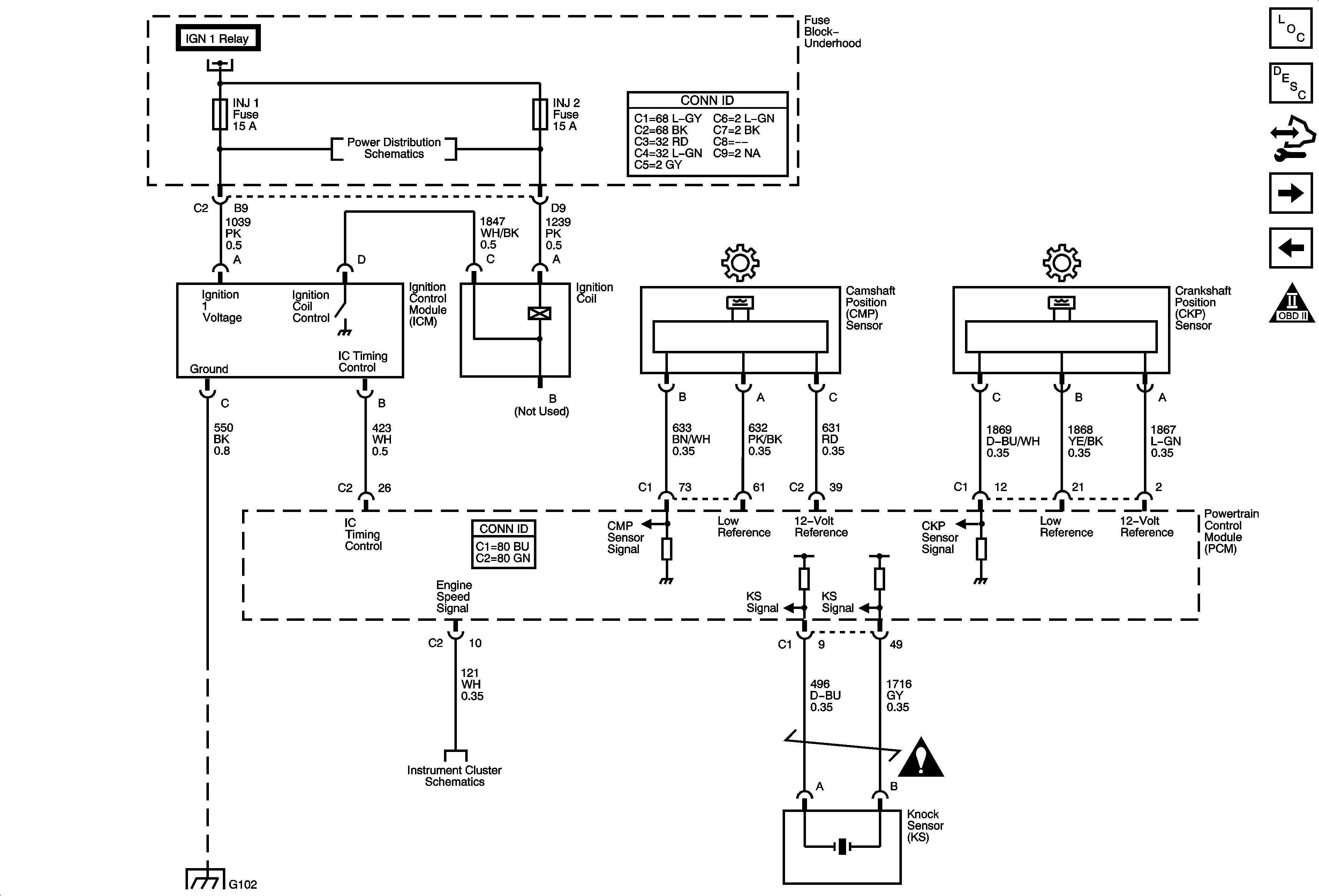
Ignition Controls
Engine Data Sensors - Pressure, Temperature, MAF and VSS
Engine Controls Schematic Icons
Ignition Switch - ACC/RUN and RUN/START BUS BARS and IGN B Fuse
G103 and G106 - Gas
Figure 5:

Ignition Controls


Object Number: 1775594  Size: FS
Master Electrical Component List
Distributor Ignition (DI) System Description
Control Module References
Fuel Pump Controls and Fuel Injectors
Engine Data Sensors - Oxygen Sensors
Engine Controls Schematic Icons
ETC/ECM, INJ1, INJ2, PCM 1, and SBA Fuses - Gas
ETC/ECM, INJ1, INJ2, PCM 1, and SBA Fuses - Gas
G100 and G102
Gages, Vehicle Speed Sensor, Engine Oil Pressure, and Fuel Level Sensors
Engine Controls Schematic Icons
Figure 6:

Fuel Pump Controls and Fuel Injectors


Object Number: 1775599  Size: FS
Master Electrical Component List
Fuel System Description
Control Module References
Fuel Controls - EVAP and Device Controls
Ignition Controls
Engine Controls Schematic Icons
ETC/ECM, INJ1, INJ2, PCM 1, and SBA Fuses - Gas
ETC/ECM, INJ1, INJ2, PCM 1, and SBA Fuses - Gas
G104, G107, and G110
B+ Bus Bar
AUX PWR, AUX PWR 2, DDM, ECC/TCM, ECM B, LBEC 2, LCKS, PCM B, PDM and TCM B Fuses
Gages, Vehicle Speed Sensor, Engine Oil Pressure, and Fuel Level Sensors
G104, G107, and G110
Figure 7:

Fuel Controls - EVAP and Device Controls


Object Number: 1775600  Size: FS
Master Electrical Component List
Evaporative Emission Control System Description
Control Module References
Transmission and Controlled/Monitored Subsystem References
Fuel Pump Controls and Fuel Injectors
Engine Controls Schematic Icons
B+ Bus Bar
ETC/ECM, INJ1, INJ2, PCM 1, and SBA Fuses - Gas
ETC/ECM, INJ1, INJ2, PCM 1, and SBA Fuses - Gas
Gages, Vehicle Speed Sensor, Engine Oil Pressure, and Fuel Level Sensors
Figure 8:

Transmission and Controlled/Monitored Subsystem References


Object Number: 1775608  Size: FS
Master Electrical Component List
Powertrain Control Module Description
Control Module References
Fuel Controls - EVAP and Device Controls
Engine Controls Schematic Icons
Shift Controls and Stop Lamp Switch
Pressure Controls, Temperature, and VSS
PNP Switch, 4WD Signal, Tow/Haul, Serial Data, and Indicator
Pressure Controls, Temperature, and VSS
Starting - Gas
Charging - 20/30 Series - Gas
Transfer Case NVG 261-NP2 Control Schematics
Power, Ground, Serial Data, Indicator and Stop Lamp Switch - 8600 GVW or Less w/ Rear Disc Brakes
4.3L
10 Series
A/C Compressor Control
A/C Compressor Controls
Power, Ground, Serial Data, and Transfer Case Encoder Motor
Transfer Case NVG 261-NP2 Control Schematics
Manual Transmission NV3500 Schematics
Gages, Vehicle Speed Sensor, Engine Oil Pressure, and Fuel Level Sensors