GM Service Manual Online
For 1990-2009 cars only
Figure 1:

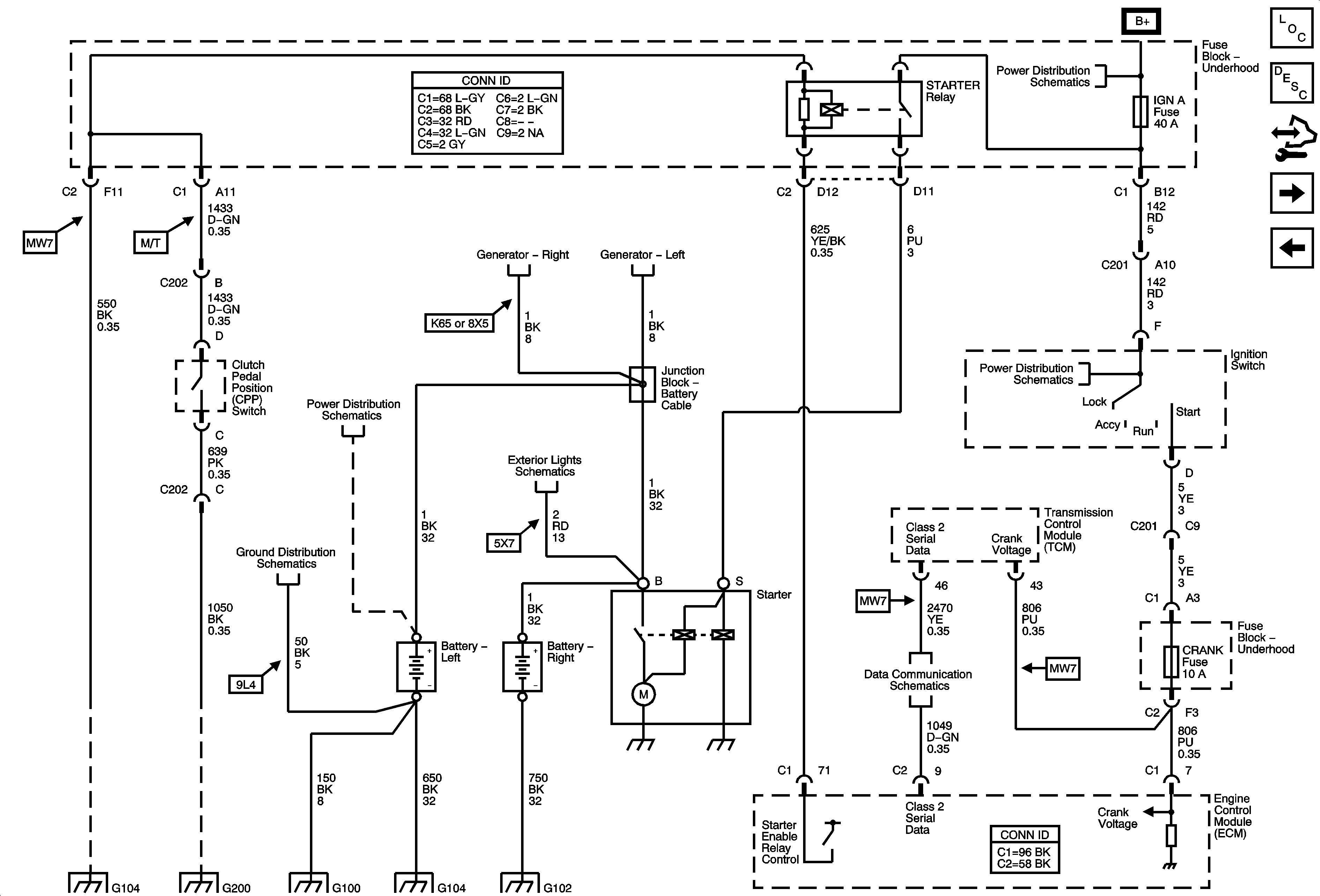
Starting - Gas


Object Number: 1775366  Size: FS
Master Electrical Component List
Starting System Description and Operation
Control Module References
Starting - Diesel
Ignition Switch - ACC/RUN and RUN/START BUS BARS and IGN B Fuse
IGN E and AIRBAG Fuses
IGN E and AIRBAG Fuses
Battery Supply - 1 of 2
G100 and G102
Charging - 20/30 Series - Gas
Wrecker Lighting (5X7)
Wrecker Lighting (5X7)
Auxiliary Battery Schematics
B+ Bus Bar
Ignition Switch - START, RUN, and ACC/RUN/START BUS BARS, IGN A, and CRNK Fuses
Power, Ground, DLC and Splice Pack SP205
G100 and G102
G103 and G106 - Gas
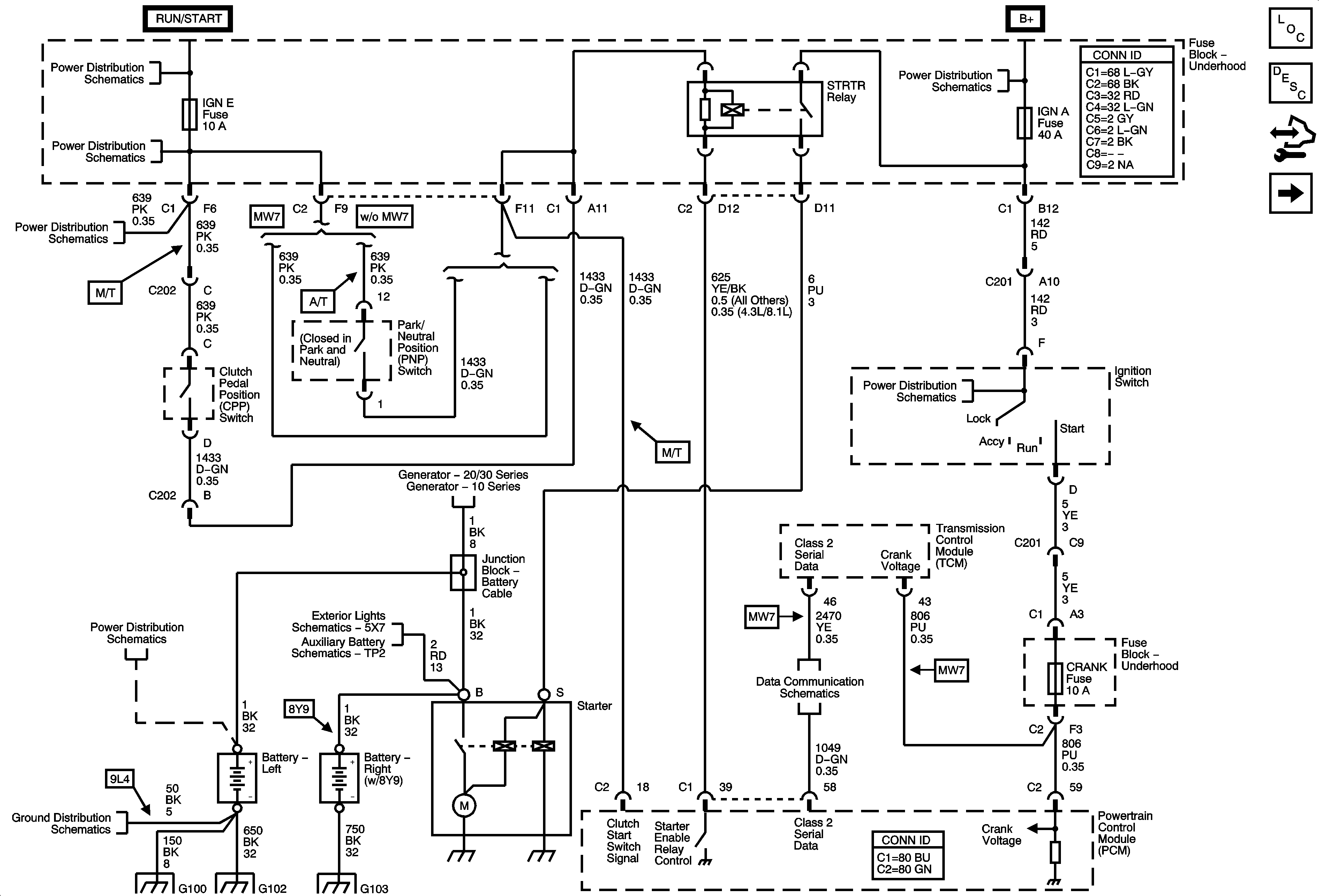
Figure 2:

Starting - Diesel


Object Number: 1775373  Size: FS
Master Electrical Component List
Starting System Description and Operation
Control Module References
Charging - 20/30 Series - Gas
Starting - Gas
B+ Bus Bar
Charging - Diesel
Battery Supply - 1 of 2
G100 and G102
Battery Supply - 1 of 2
Ignition Switch - START, RUN, and ACC/RUN/START BUS BARS, IGN A, and CRNK Fuses
Power, Ground, DLC and Splice Pack SP205
G104, G107, and G110
G115 and G200 - 1 of 2
G100 and G102
G104, G107, and G110
G102, G103, and G108 - Diesel
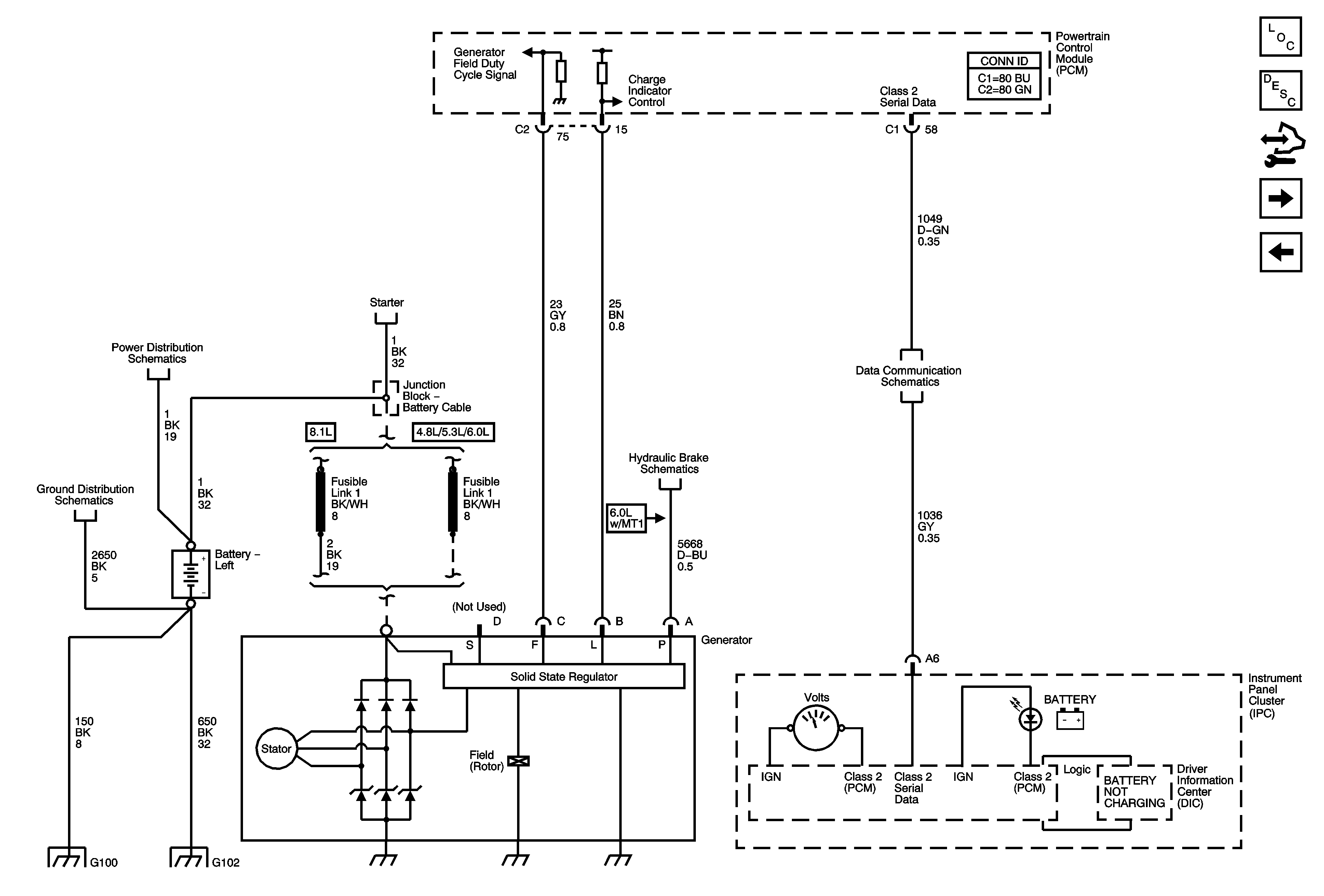
Figure 3:

Charging - 20/30 Series - Gas


Object Number: 1775387  Size: FS
Master Electrical Component List
Charging System Description and Operation (W/O Generator/Battery Control Module)
Control Module References
Charging - 10 Series except HP2 - Gas
Starting - Diesel
Power, Ground, DLC and Splice Pack SP205
Battery Supply - 1 of 2
G100 and G102
Starting - Gas
Supplemental Brake Assist
G100 and G102
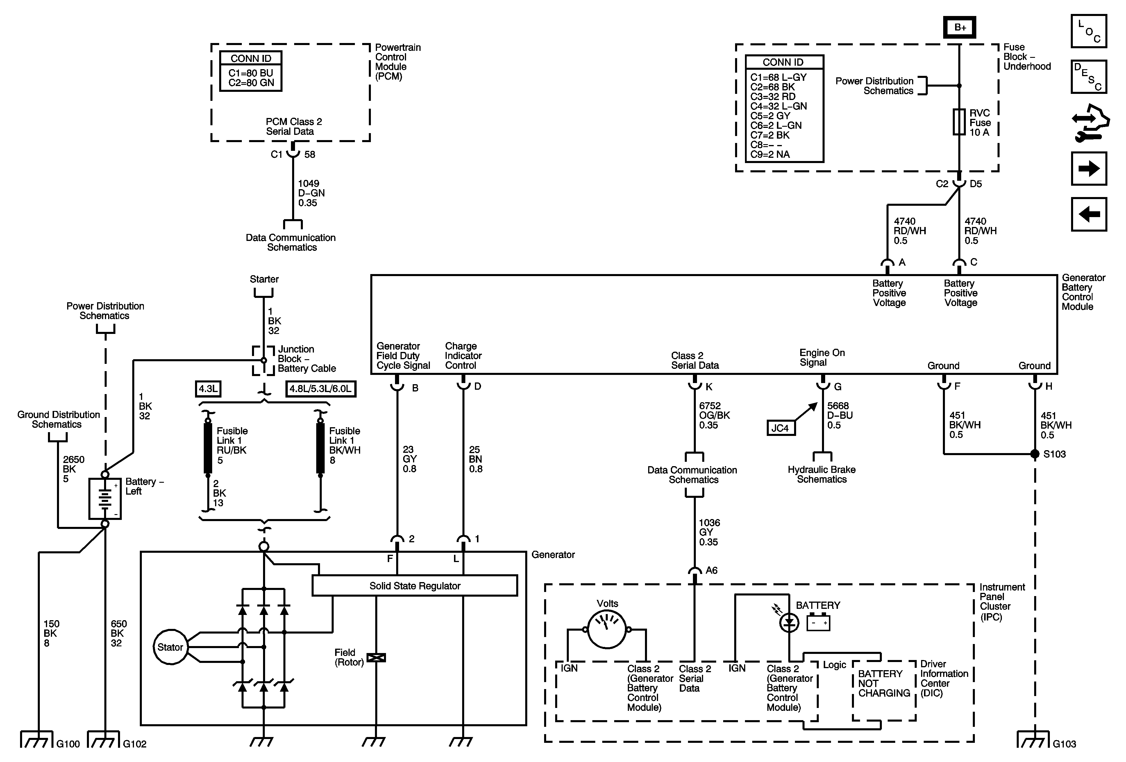
Figure 4:

Charging - 10 Series except HP2 - Gas


Object Number: 1775390  Size: FS
Master Electrical Component List
Charging System Description and Operation (Generator/Battery Control Module)
Control Module References
Charging - Diesel
Charging - 20/30 Series - Gas
Power, Ground, DLC and Splice Pack SP205
Starting - Gas
G100 and G102
Battery Supply - 1 of 2
Title not found
Supplemental Brake Assist
B+ Bus Bar
G103 and G106 - Gas
G100 and G102
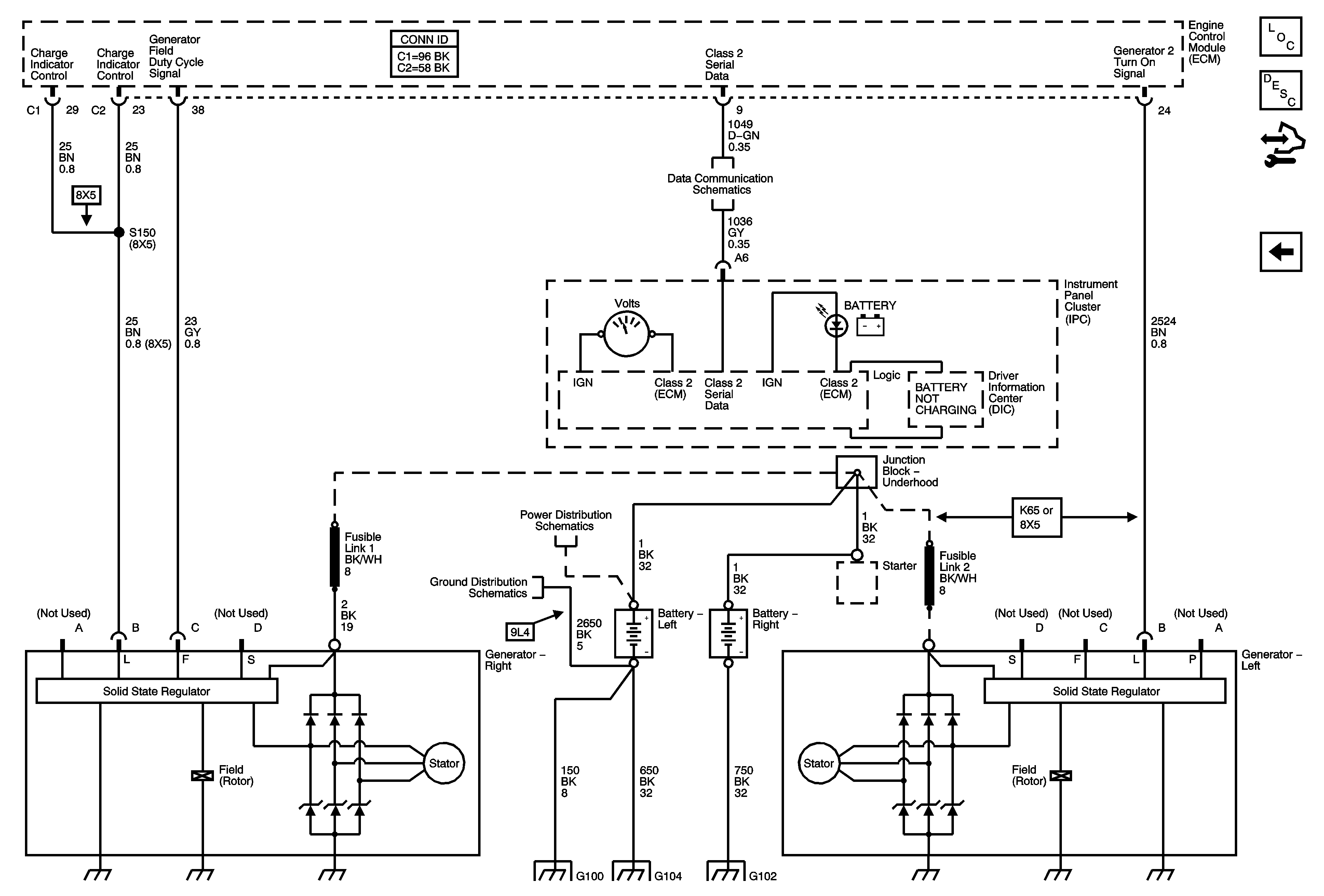
Figure 5:

Charging - Diesel


Object Number: 1775402  Size: FS
Master Electrical Component List
Charging System Description and Operation (W/O Generator/Battery Control Module)
Control Module References
Charging - 10 Series except HP2 - Gas
Power, Ground, DLC and Splice Pack SP205
Battery Supply - 1 of 2
G100 and G102
G100 and G102
G104, G107, and G110
G102, G103, and G108 - Diesel