GM Service Manual Online
For 1990-2009 cars only
Figure 1:

Battery Supply 1 of 2


Object Number: 1778747  Size: FS
Master Electrical Component List
Control Module References
Battery Supply - 2 of 2
B+ Bus Bar
Battery Supply - 2 of 2
Figure 2:

Battery Supply 2 of 2


Object Number: 1778753  Size: FS
Master Electrical Component List
Control Module References
B+ Bus Bar
Battery Supply - 1 of 2
Battery Supply - 1 of 2
Figure 3:

B+ Bus Bar


Object Number: 1778754  Size: FS
Master Electrical Component List
Control Module References
ABS, AUX HTR PMP, ESCM, HCM-B, MBEC1, RTD, STUD 1, STUD 2, TRANS PUMP, and VSES/ECAS Fuses and RT DOOR and SEAT Circuit Breakers
Battery Supply - 2 of 2
Battery Supply - 1 of 2
Figure 4:

ABS, AUX HTR PMP, ESCM, HCM-B, MBEC1, RTD, STUD 1, STUD 2, TRANS PCMP, VSES/ECAS Fuses and RT DOOR, SEAT Circuit Breakers


Object Number: 1778765  Size: FS
Master Electrical Component List
Control Module References
4WS, RR WPR, STOP LP, TREC, VEH STOP, and VEH CHMSL Fuses
B+ Bus Bar
B+ Bus Bar
Figure 5:

4WS, RR WPR, STOP LP, TREC, VEH STOP, and VEH CHMSL Fuses


Object Number: 1778766  Size: FS
Master Electrical Component List
Control Module References
IPC/DIC, LH HID, RH HID, SEO B1, and TBC BATT Fuses
ABS, AUX HTR PMP, ESCM, HCM-B, MBEC1, RTD, STUD 1, STUD 2, TRANS PUMP, and VSES/ECAS Fuses and RT DOOR and SEAT Circuit Breakers
B+ Bus Bar
Figure 6:

IPC/DIC, LH HID, RH HID, SEO B1, SEO B2, and TBC BATT Fuses


Object Number: 1778771  Size: FS
Master Electrical Component List
Control Module References
BLWR, HAZRD, HVAC/EXAS, LBEC 1, RR DEFOG, RR HVAC, TBC 2A, TBC 2B, and TBC 2C Fuses, and LT DOOR Circuit Breaker
4WS, RR WPR, STOP LP, TREC, VEH STOP, and VEH CHMSL Fuses
B+ Bus Bar
Figure 7:

BLWR, HAZRD, HVAC/ECAS, LBEC 1, RR DEFOG, RR HVAC, TBC 2A, TBC 2B, and TBC 2C Fuses and LT DRS Circuit Breaker


Object Number: 1778772  Size: FS
Master Electrical Component List
Control Module References
CIG LTR, EAP, INFO, and RVC Fuses
IPC/DIC, LH HID, RH HID, SEO B1, and TBC BATT Fuses
B+ Bus Bar
Figure 8:

CIG LTR, EAP, INFO, and RVC Fuses


Object Number: 1778783  Size: FS
Master Electrical Component List
Control Module References
RADIO, RADIO/AMP, and S/ROOF Fuses
BLWR, HAZRD, HVAC/EXAS, LBEC 1, RR DEFOG, RR HVAC, TBC 2A, TBC 2B, and TBC 2C Fuses, and LT DOOR Circuit Breaker
B+ Bus Bar
Figure 9:

RADIO, RADIO/AMP, and S/ROOF Fuses


Object Number: 1570244  Size: FS
Master Electrical Component List
Control Module References
AUX PWR, AUX PWR 2, DDM, ECC/TCM, ECM B, LBEC 2, LCKS, PCM B, PDM, and TCM B Fuses
CIG LTR, EAP, INFO, and RVC Fuses
B+ Bus Bar
Figure 10:

AUX PWR, AUX PWR 2, DDM, ECC/TCM, ECM B, LBEC 2, LCKS, PCM B, PDM and TCM B Fuses


Object Number: 1778791  Size: FS
Master Electrical Component List
Control Module References
Ignition Switch - START, RUN, and ACC/RUN/START BUS BARS, IGN A, and CRNK Fuses
RADIO, RADIO/AMP, and S/ROOF Fuses
B+ Bus Bar
Figure 11:

Ignition Switch - START, RUN, and ACC/RUN/START BUS BARS, IGN A, and CRNK Fuses


Object Number: 1778792  Size: FS
Master Electrical Component List
Control Module References
Ignition Switch - ACC/RUN and RUN/START BUS BARS and IGN B Fuse
AUX PWR, AUX PWR 2, DDM, ECC/TCM, ECM B, LBEC 2, LCKS, PCM B, PDM, and TCM B Fuses
B+ Bus Bar
Figure 12:

Ignition Switch - ACC/RUN and RUN/START BUS BARS and IGN B Fuse


Object Number: 1778797  Size: FS
Master Electrical Component List
Control Module References
4WD, BRK, CRUISE, HTR/AC, and HVAC 1 Fuses
Ignition Switch - START, RUN, and ACC/RUN/START BUS BARS, IGN A, and CRNK Fuses
B+ Bus Bar
Figure 13:

4WD, BRK, CRUISE, HTR/AC and HVAC 1 Fuses


Object Number: 1778799  Size: FS
Master Electrical Component List
Control Module References
B/U LP, BTSI, O2A, O2B, TBC IGN 1, and TRL B/U Fuses
Ignition Switch - ACC/RUN and RUN/START BUS BARS and IGN B Fuse
Figure 14:

B/U LP, BTSI, O2A, O2B, SEO IGN, TBC IGN 1, and TRL B/U Fuses


Object Number: 1778802  Size: FS
Master Electrical Component List
Control Module References
IGN E and AIRBAG Fuses
4WD, BRK, CRUISE, HTR/AC, and HVAC 1 Fuses
Ignition Switch - ACC/RUN and RUN/START BUS BARS and IGN B Fuse
Figure 15:

IGN E and AIR BAG Fuses


Object Number: 1778803  Size: FS
Master Electrical Component List
Control Module References
ECM 1, EHPS-I, FUEL HTR, and HCM-I Fuses
B/U LP, BTSI, O2A, O2B, TBC IGN 1, and TRL B/U Fuses
Ignition Switch - ACC/RUN and RUN/START BUS BARS and IGN B Fuse
Figure 16:

ECM 1, EHPS-I, FUEL HTR and HCM-I Fuses


Object Number: 1778815  Size: FS
Master Electrical Component List
Control Module References
IGN 0, RR WPR, SEO ACCY, TBC ACCY, TBC IGN 0, and WS WPR Fuses
IGN E and AIRBAG Fuses
Ignition Switch - ACC/RUN and RUN/START BUS BARS and IGN B Fuse
Figure 17:

IGN 0, RR WPR, SEO ACCY, TBC ACCY, TBC IGN 0, and WS WPR Fuses


Object Number: 1778816  Size: FS
Master Electrical Component List
Control Module References
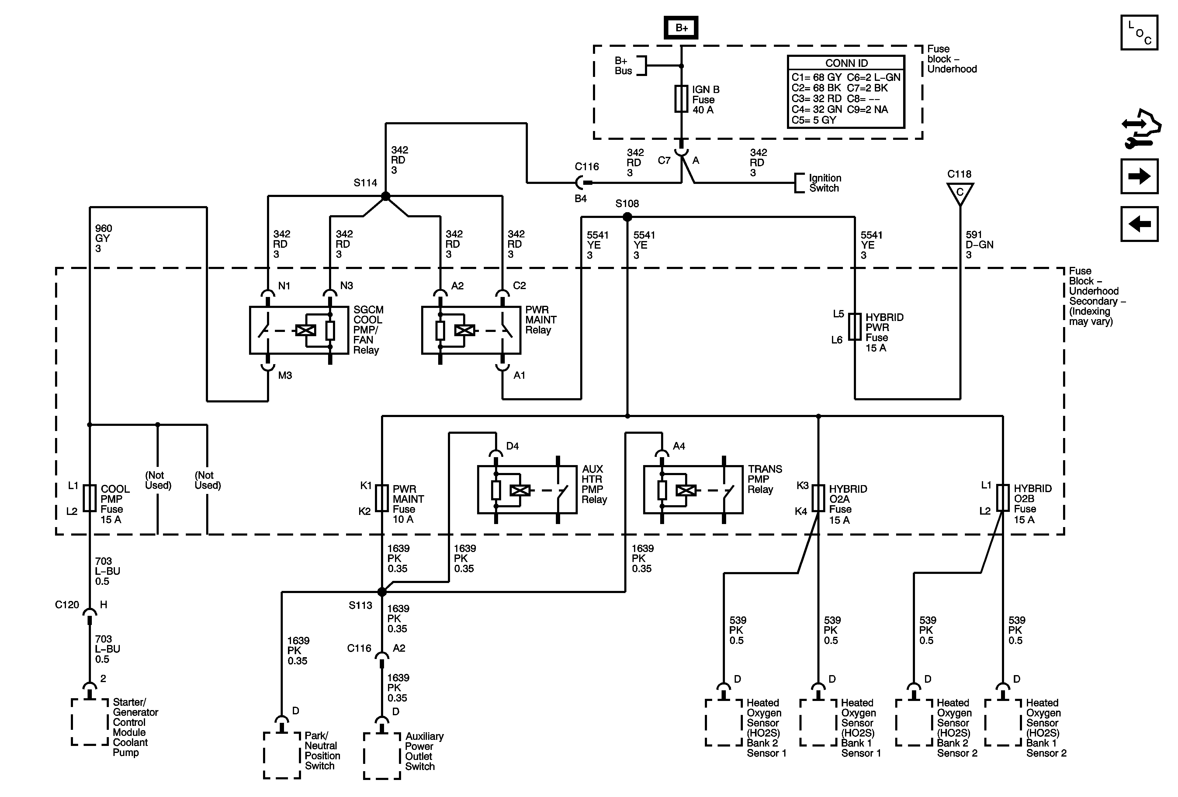
COOL PUMP, HYBRID O2A, HYBRID O2B, IGN B, and PWR MAINT Fuses
ECM 1, EHPS-I, FUEL HTR, and HCM-I Fuses
Figure 18:

COOL PMP, HYBRID O2A, HYBRID O2B, IGN B, and PWR MAINT Fuses


Object Number: 1778825  Size: FS
Master Electrical Component List
Control Module References
LT TRLR ST/TRN, LT TRN, RT TRLR ST/TRN, and RT TRN Fuses
IGN 0, RR WPR, SEO ACCY, TBC ACCY, TBC IGN 0, and WS WPR Fuses
B+ Bus Bar
Ignition Switch - ACC/RUN and RUN/START BUS BARS and IGN B Fuse
ETC/ECM, INJ1, INJ2, PCM 1, and SBA Fuses - Gas
Figure 19:

LT TRLR/ST/TRN, LT TRN, RT TRLR ST/TRN, and RT TRN Fuses


Object Number: 1778827  Size: FS
Master Electrical Component List
Control Module References
ETC/ECM, INJ1, INJ2, PCM 1, and SBA Fuses - Gas
COOL PUMP, HYBRID O2A, HYBRID O2B, IGN B, and PWR MAINT Fuses
Figure 20:

ETC/ECM, INJ 1, INJ 2, PCM 1, and SBA Fuses - Gas


Object Number: 1778831  Size: FS
Master Electrical Component List
Control Module References
INJ1 and INJ2 Fuses - 8.1L
LT TRLR ST/TRN, LT TRN, RT TRLR ST/TRN, and RT TRN Fuses
B+ Bus Bar
INJ1 and INJ2 Fuses - 8.1L
COOL PUMP, HYBRID O2A, HYBRID O2B, IGN B, and PWR MAINT Fuses
Figure 21:

INJ 1 and INJ 2 Fuses - 8.1L


Object Number: 1778834  Size: FS
Master Electrical Component List
Control Module References
FUEL/PUMP, LH HDLP, and RH HDLP Fuses
ETC/ECM, INJ1, INJ2, PCM 1, and SBA Fuses - Gas
ETC/ECM, INJ1, INJ2, PCM 1, and SBA Fuses - Gas
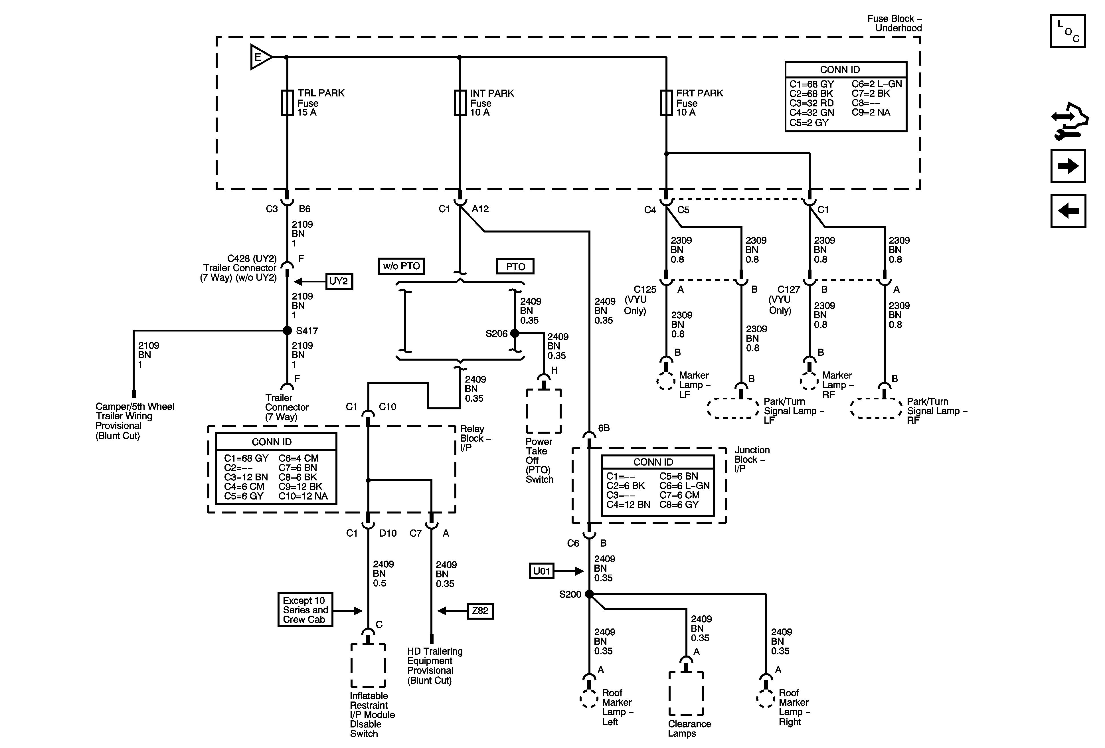
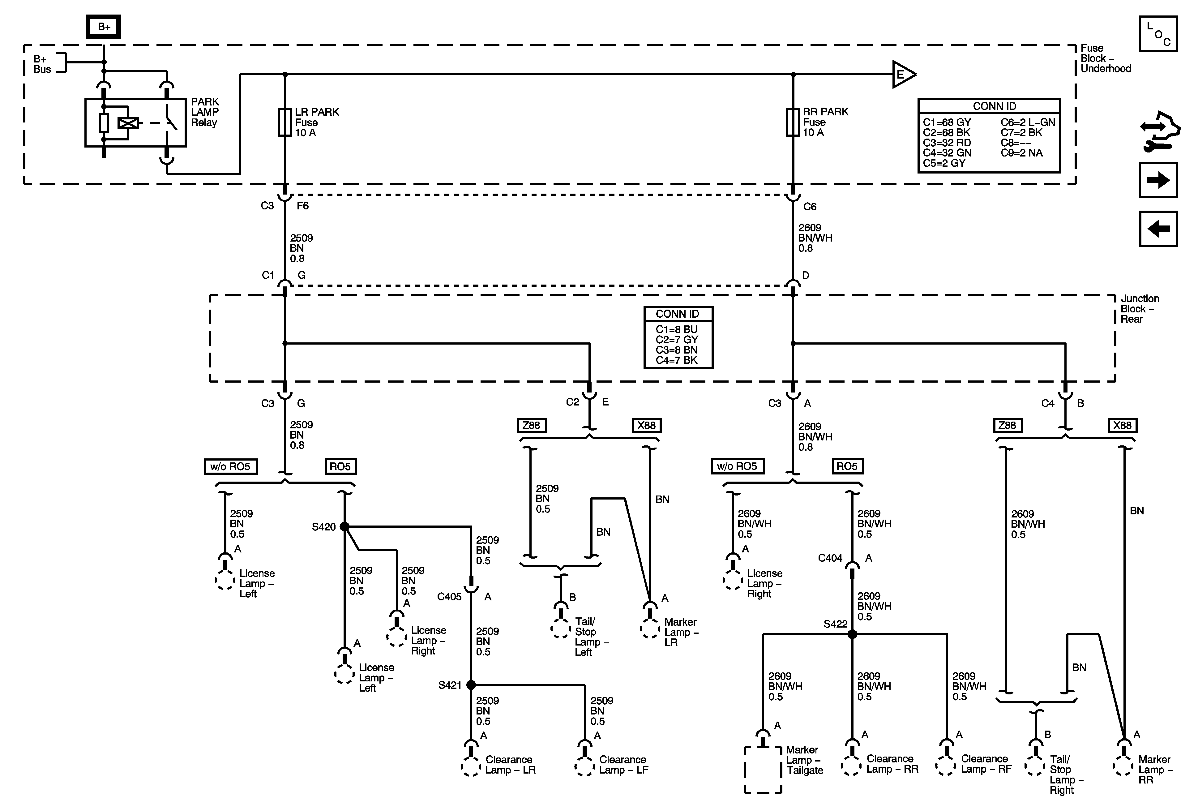
Figure 22:

LR PARK and RR PARK Fuses


Object Number: 1778838  Size: FS
Master Electrical Component List
Control Module References
FRT PARK, INT PARK, and TRL PARK Fuses
INJ1 and INJ2 Fuses - 8.1L
B+ Bus Bar
FRT PARK, INT PARK, and TRL PARK Fuses
Figure 23:

FRT PARK, INT PARK, and TRL PARK Fuses


Object Number: 1778840  Size: FS
Master Electrical Component List
Control Module References
HI HDLP LT, HI HDLP RT, HORN, LOHDLP LT, and LO HDLP RT Fuses
LR PARK and RR PARK Fuses
LR PARK and RR PARK Fuses
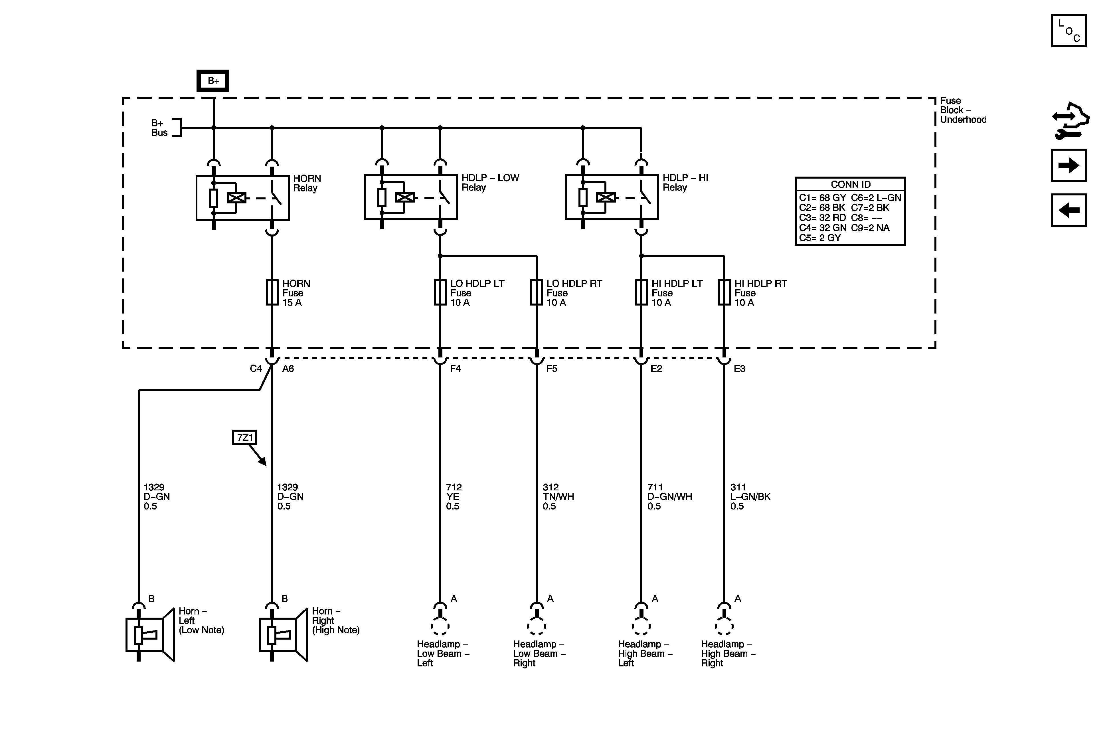
Figure 24:

HI HDLP LT, HI HDLP RT, HORN, LO HDLP LT, and LO HDLP RT Fuses


Object Number: 1778845  Size: FS
Master Electrical Component List
Control Module References
ACTUATOR and ECM Fuses - Diesel
FRT PARK, INT PARK, and TRL PARK Fuses
B+ Bus Bar
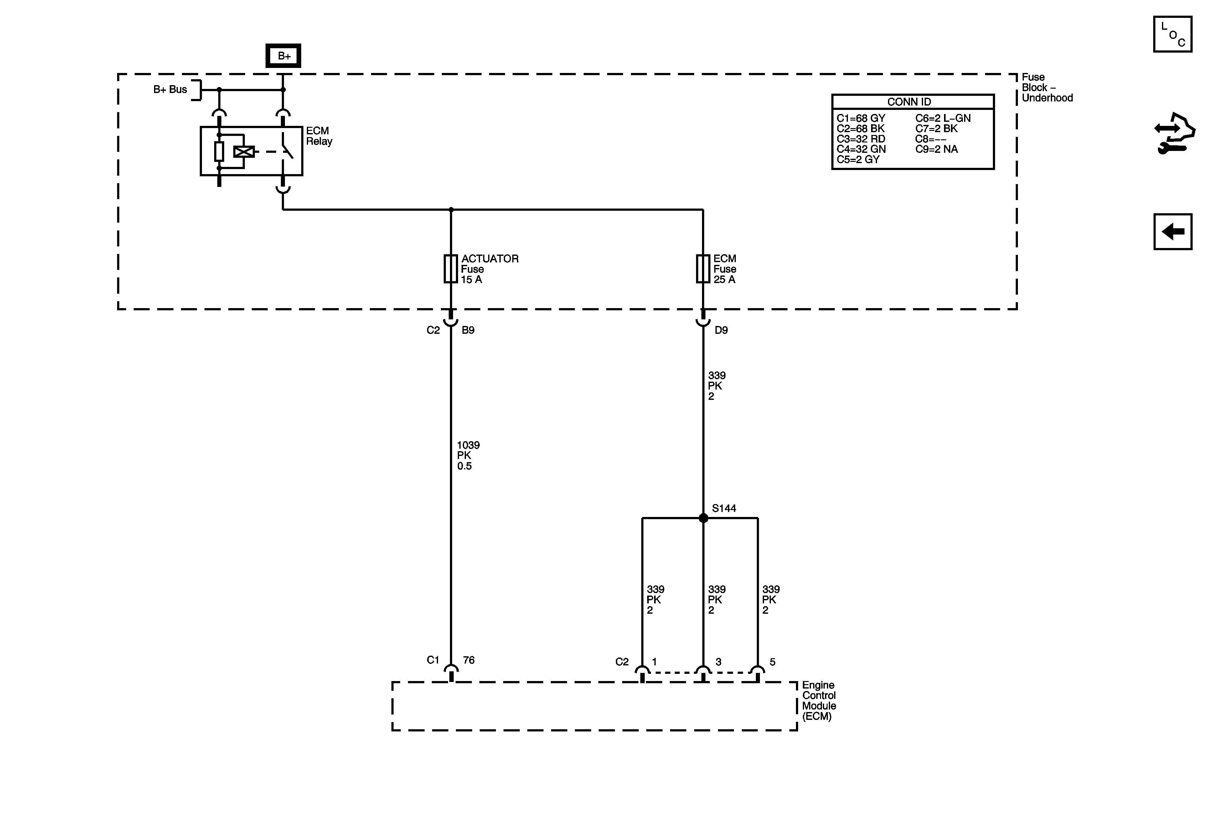
Figure 25:

ACTUATOR and ECM Fuses - Diesel


Object Number: 1778847  Size: FS
Master Electrical Component List
Control Module References
HI HDLP LT, HI HDLP RT, HORN, LOHDLP LT, and LO HDLP RT Fuses
B+ Bus Bar