GM Service Manual Online
For 1990-2009 cars only
Figure 1:

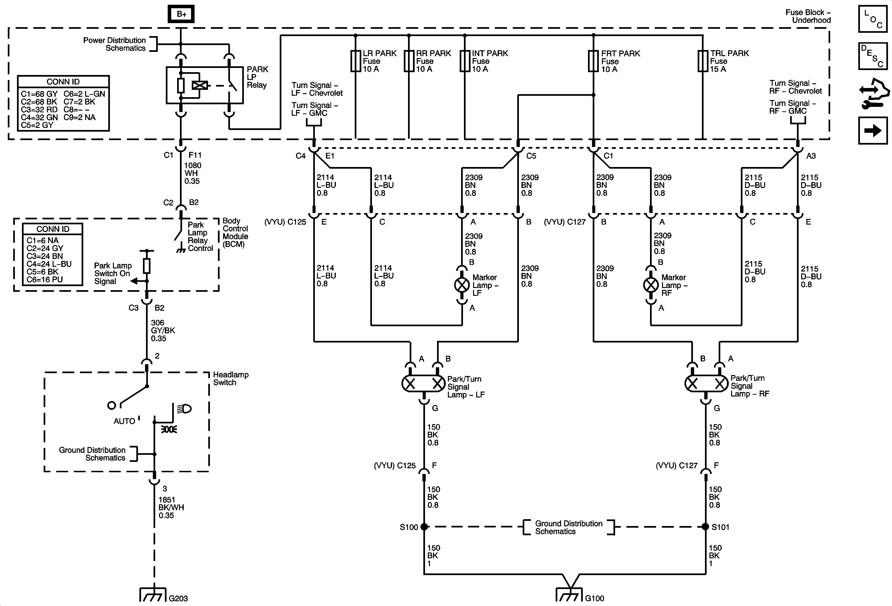
Park Lamp Relay Control and Front Park Lamps


Object Number: 1778604  Size: FS
Master Electrical Component List
Exterior Lighting Systems Description and Operation
Control Module References
Interior Park
B+ Bus Bar
Turn Signals - Chevrolet
Turn Signals - GMC
G203 - 2 of 2
G203 - 2 of 2
G100 and G102
G100 and G102
Turn Signals - Chevrolet
Turn Signals - GMC
Figure 2:

Interior Park


Object Number: 1778607  Size: FS
Master Electrical Component List
Exterior Lighting Systems Description and Operation
Control Module References
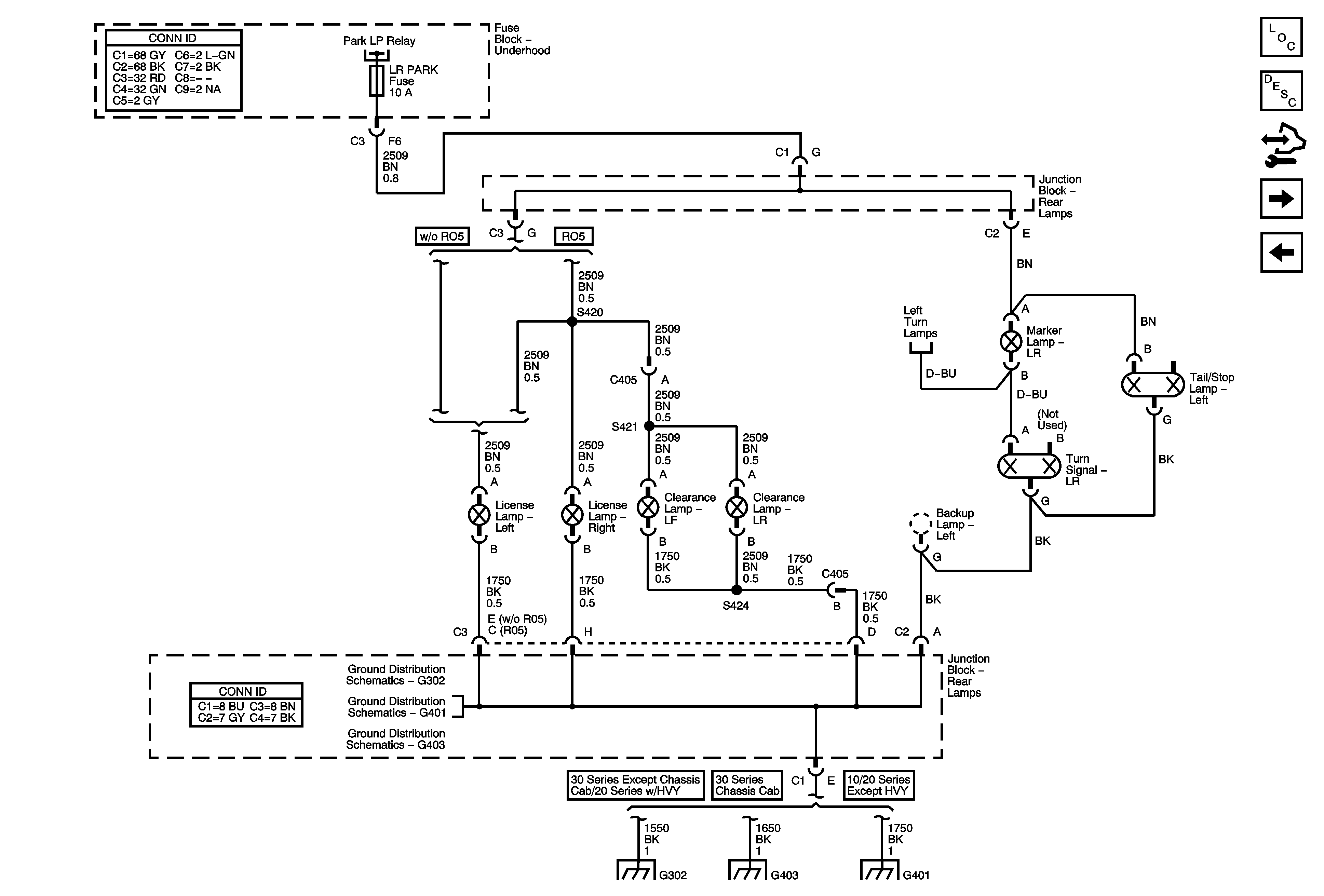
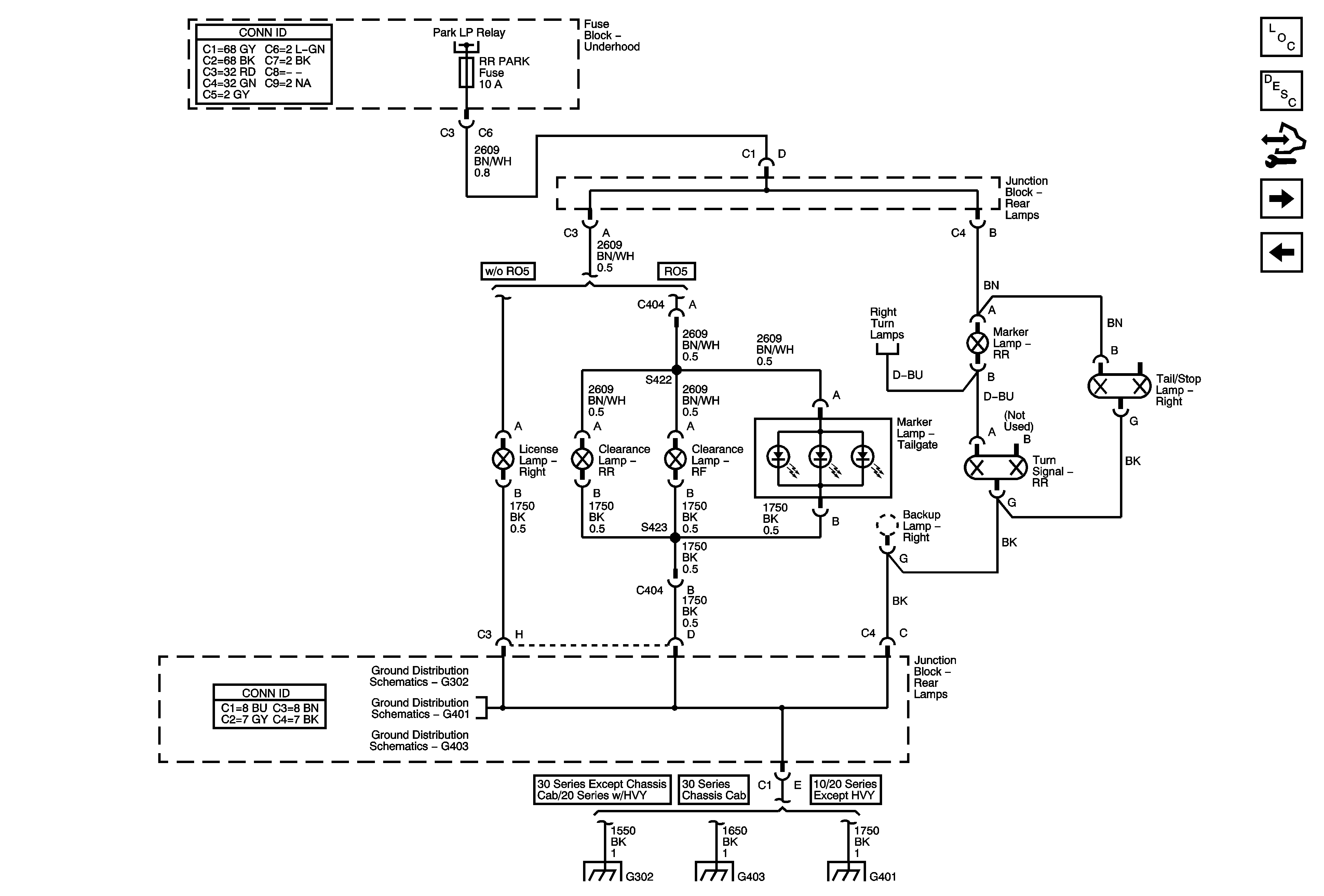
Right Rear Park Lamps - GMC
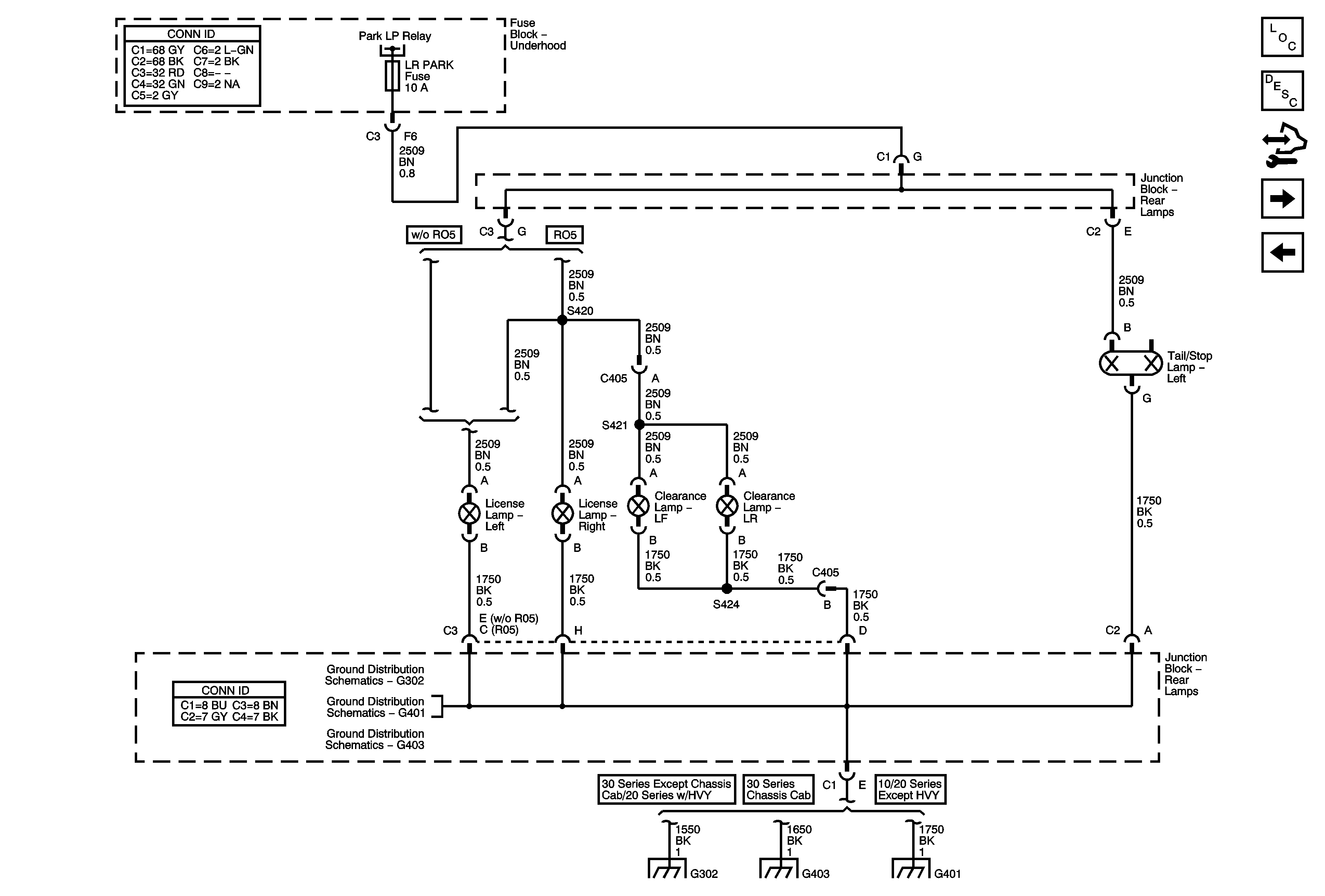
Park Lamp Relay Control and Front Park Lamps
Park Lamp Relay Control and Front Park Lamps
Trailer and Camper Wiring
G200 - 2 of 2
Figure 3:

Right Rear Park Lamps - GMC


Object Number: 1778608  Size: FS
Master Electrical Component List
Exterior Lighting Systems Description and Operation
Control Module References
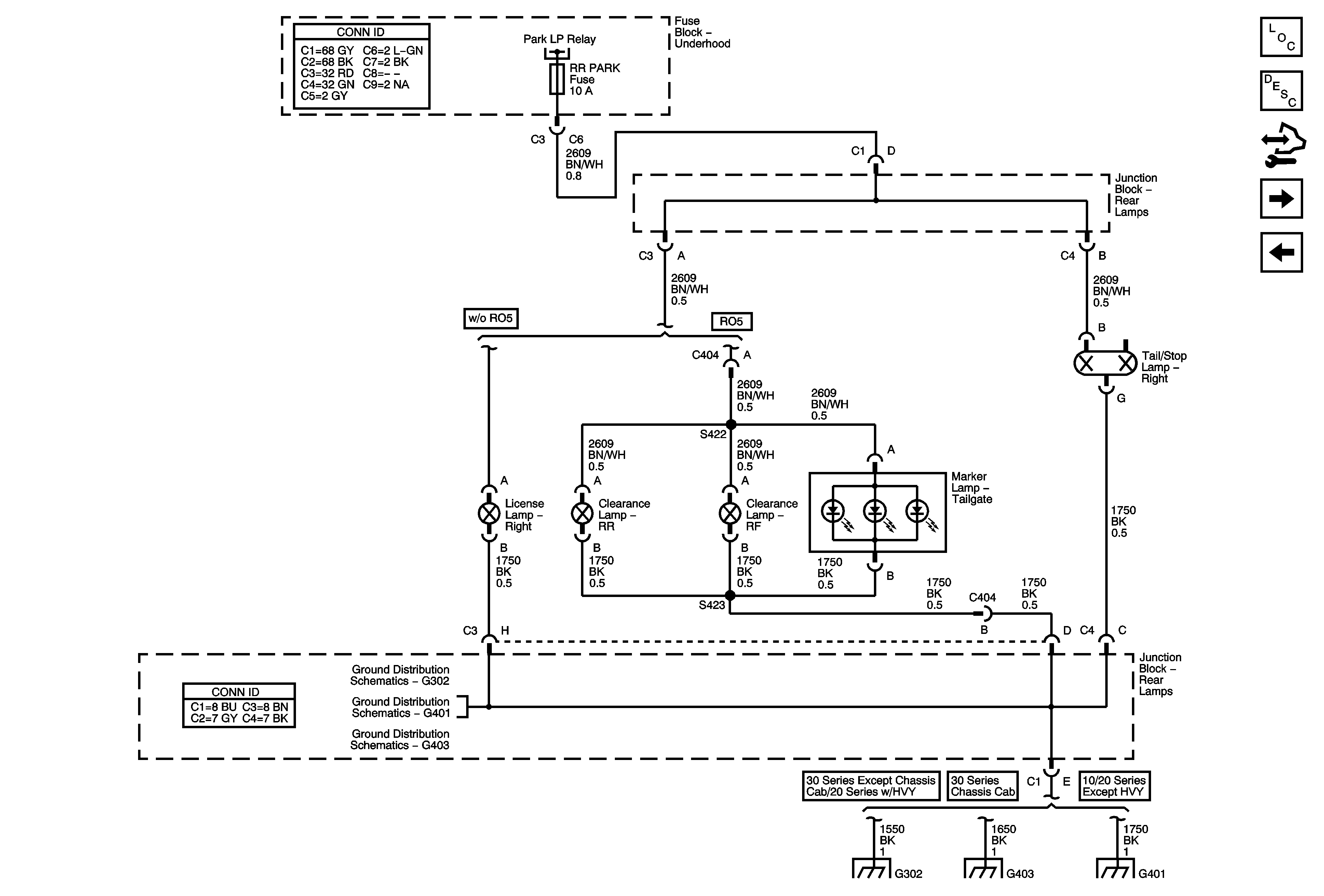
Right Rear Park Lamps - Chevrolet
Interior Park
G302
G401
G403
G302
G403
G401
Park Lamp Relay Control and Front Park Lamps
Figure 4:

Right Rear Park Lamps - Chevrolet


Object Number: 1778612  Size: FS
Master Electrical Component List
Exterior Lighting Systems Description and Operation
Control Module References
Left Rear Park Lamps - GMC
Right Rear Park Lamps - GMC
G302
G401
G403
G302
G403
G401
Turn Signals - Chevrolet
Park Lamp Relay Control and Front Park Lamps
Figure 5:

Left Rear Park Lamps - GMC


Object Number: 1778613  Size: FS
Master Electrical Component List
Exterior Lighting Systems Description and Operation
Control Module References
Left Rear Park Lamps - Chevrolet
Right Rear Park Lamps - Chevrolet
G302
G401
G403
G302
G403
G401
Park Lamp Relay Control and Front Park Lamps
Figure 6:

Left Rear Park Lamps - Chevrolet


Object Number: 1778616  Size: FS
Master Electrical Component List
Exterior Lighting Systems Description and Operation
Control Module References
Stop Lamp Switch and Signals
Left Rear Park Lamps - GMC
G302
G401
G403
G302
G403
G401
Turn Signals - Chevrolet
Park Lamp Relay Control and Front Park Lamps
Figure 7:

Stop Lamp Switch and Signals


Object Number: 1778617  Size: FS
Master Electrical Component List
Exterior Lighting Systems Description and Operation
Control Module References
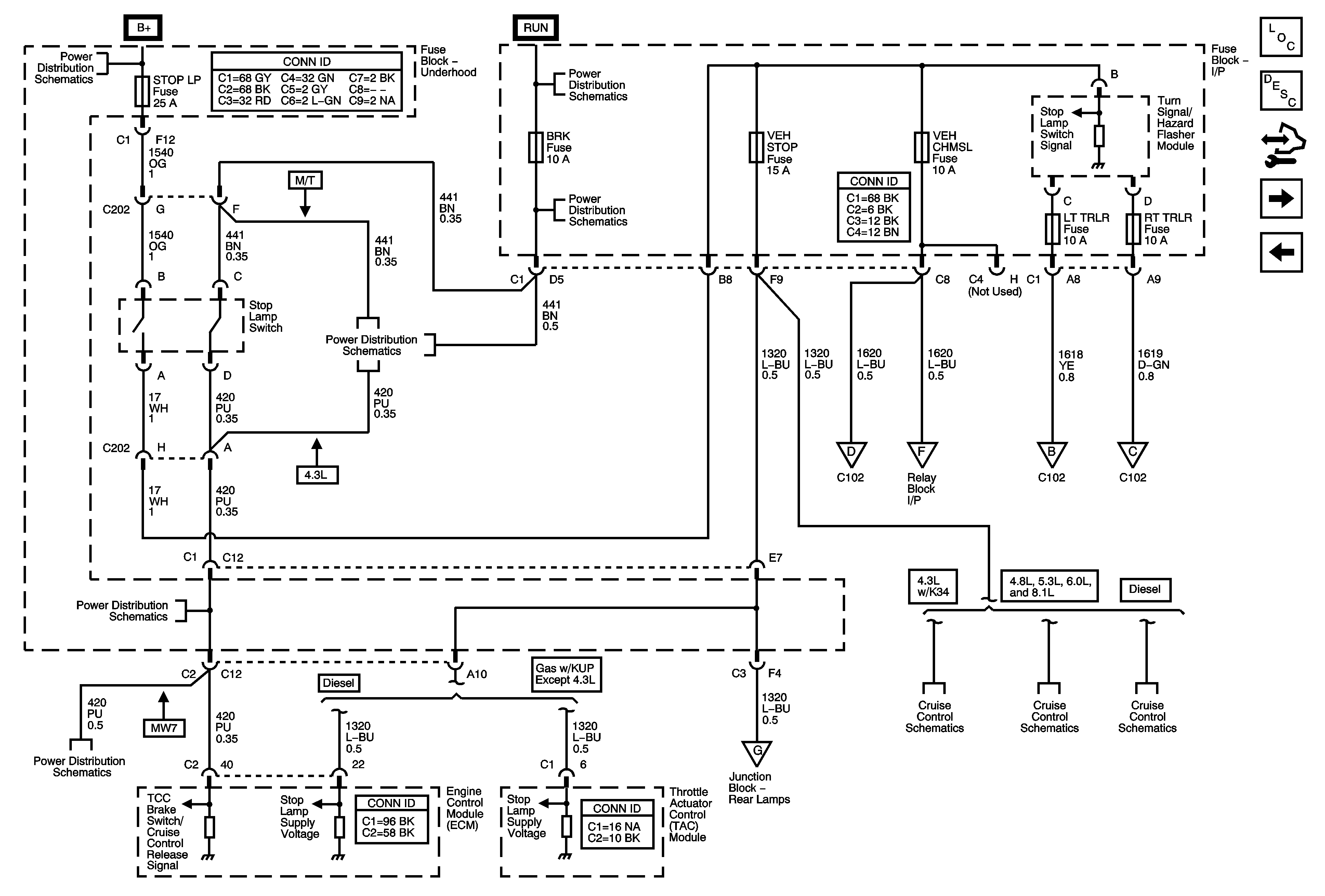
Stop Lamps
Left Rear Park Lamps - Chevrolet
B+ Bus Bar
Ignition Switch - START, RUN, and ACC/RUN/START BUS BARS, IGN A, and CRNK Fuses
4WD, BRK, CRUISE, HTR/AC, and HVAC 1 Fuses
4WD, BRK, CRUISE, HTR/AC, and HVAC 1 Fuses
Trailer and Camper Wiring
Stop Lamps
Trailer and Camper Wiring
G302
G302
Stop Lamps
4.3L
4.8L, 5.3L, 6.0L, and 8.1L
Diesel
Figure 8:

Stop Lamps


Object Number: 1778620  Size: FS
Master Electrical Component List
Exterior Lighting Systems Description and Operation
Control Module References
Turn Signal/Hazard Switch and Flasher Module
Stop Lamp Switch and Signals
Stop Lamp Switch and Signals
Stop Lamp Switch and Signals
Trailer and Camper Wiring
G302
G401
G403
G200 - 2 of 2
G302
G403
G401
G302
G403
G401
G302
G403
G401
Figure 9:

Turn Signal/Hazard Swtich and Flasher Module


Object Number: 1778621  Size: FS
Master Electrical Component List
Exterior Lighting Systems Description and Operation
Control Module References
Turn Signals - GMC
Stop Lamps
BLWR, HAZRD, HVAC/EXAS, LBEC 1, RR DEFOG, RR HVAC, TBC 2A, TBC 2B, and TBC 2C Fuses, and LT DOOR Circuit Breaker
Ignition Switch - ACC/RUN and RUN/START BUS BARS and IGN B Fuse
IGN E and AIRBAG Fuses
G203 - 2 of 2
G203 - 2 of 2
G203 - 2 of 2
G203 - 2 of 2
G203 - 1 of 2
G203 - 1 of 2
Figure 10:

Turn Signals - GMC


Object Number: 1778626  Size: FS
Master Electrical Component List
Exterior Lighting Systems Description and Operation
Control Module References
Turn Signals - Chevrolet
Turn Signal/Hazard Switch and Flasher Module
Turn Signal/Hazard Switch and Flasher Module
Turn Signal/Hazard Switch and Flasher Module
Turn Signals - Chevrolet
G100 and G102
G401
G403
G100 and G102
G302
G403
G401
G302
Turn Signals - Chevrolet
G100 and G102
Figure 11:

Turn Signals - Chevrolet


Object Number: 1778628  Size: FS
Master Electrical Component List
Exterior Lighting Systems Description and Operation
Control Module References
Exterior Illumination Lamp
Turn Signals - GMC
Turn Signal/Hazard Switch and Flasher Module
Turn Signals - GMC
Left Rear Park Lamps - Chevrolet
G100 and G102
G302
G100 and G102
G302
G403
G401
G302
G401
G403
Right Rear Park Lamps - Chevrolet
Right Rear Park Lamps - Chevrolet
G100 and G102
Turn Signal/Hazard Switch and Flasher Module
Figure 12:

Exterior Illumination Lamp


Object Number: 1778631  Size: FS
Master Electrical Component List
Exterior Lighting Systems Description and Operation
Control Module References
Backup Lamps (except MW7)
Turn Signals - Chevrolet
Power, Ground, DLC and Splice Pack SP205
Figure 13:

Backup Lamps (Except MW7)


Object Number: 1778632  Size: FS
Master Electrical Component List
Exterior Lighting Systems Description and Operation
Control Module References
Backup Lamps (MW7)
Exterior Illumination Lamp
Ignition Switch - ACC/RUN and RUN/START BUS BARS and IGN B Fuse
Shift Lock Control Schematics
G302
G401
G403
Trailer and Camper Wiring
G401
G302
G403
G302
G401
G403
Inside Rearview Mirror Schematics
B+ Bus Bar
Figure 14:

Backup Lamps (MW7)


Object Number: 1778636  Size: FS
Master Electrical Component List
Exterior Lighting Systems Description and Operation
Control Module References
Trailer and Camper Wiring
Backup Lamps (except MW7)
B+ Bus Bar
Power, Ground, DLC and Splice Pack SP205
Trailer and Camper Wiring
Inside Rearview Mirror Schematics
G401
G302
G403
G302
G401
G403
G302
G401
G403
Fluid Pressure Switches, PCS1, TCC PCS, Mod Main Solenoid, and FTP Sensor
Figure 15:

Trailer and Camper Wiring


Object Number: 1778637  Size: FS
Master Electrical Component List
Exterior Lighting Systems Description and Operation
Control Module References
Roof Beacon Lighting (5G4/TRW)
Backup Lamps (MW7)
B+ Bus Bar
Park Lamp Relay Control and Front Park Lamps
Stop Lamp Switch and Signals
Stop Lamp Switch and Signals
Stop Lamps
Backup Lamps (except MW7)
Backup Lamps (MW7)
Interior Park
G203 - 2 of 2
G403
G401
G115 and G200 - 1 of 2
G200 - 2 of 2
Figure 16:

Roof Beacon Lighting (5G4/TRW)


Object Number: 1778640  Size: FS
Master Electrical Component List
Exterior Lighting Systems Description and Operation
Control Module References
Emergency Vehicle Lighting (5Y0)
Trailer and Camper Wiring
B+ Bus Bar
G304, G305, G306, and G390
IPC/DIC, LH HID, RH HID, SEO B1, and TBC BATT Fuses
IPC/DIC, LH HID, RH HID, SEO B1, and TBC BATT Fuses
Figure 17:

Emergency Vehicle Lighting (5Y0)


Object Number: 1778641  Size: FS
Master Electrical Component List
Exterior Lighting Systems Description and Operation
Control Module References
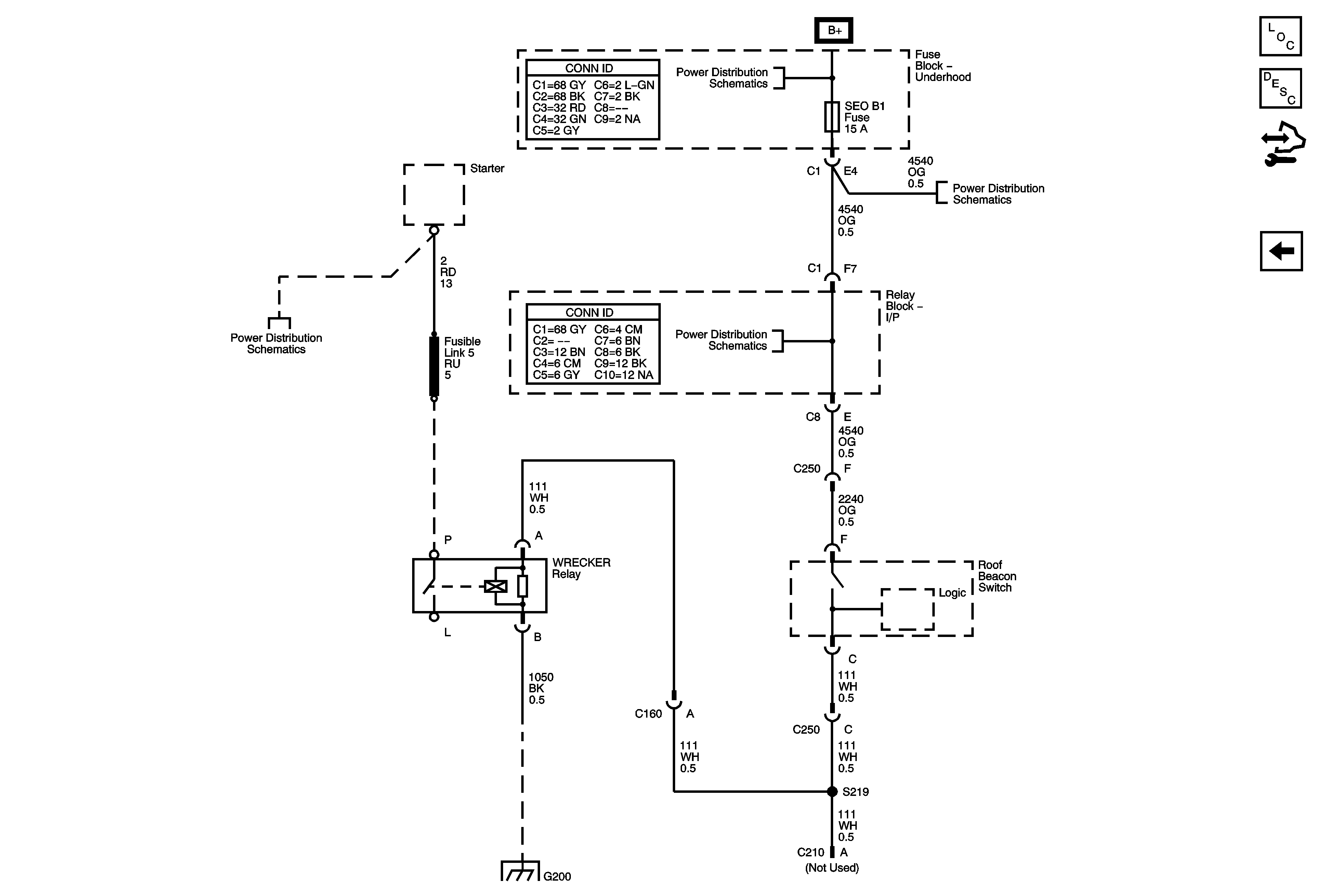
Wrecker Lighting (5X7)
Roof Beacon Lighting (5G4/TRW)
B+ Bus Bar
ABS, AUX HTR PMP, ESCM, HCM-B, MBEC1, RTD, STUD 1, STUD 2, TRANS PUMP, and VSES/ECAS Fuses and RT DOOR and SEAT Circuit Breakers
IPC/DIC, LH HID, RH HID, SEO B1, and TBC BATT Fuses
IPC/DIC, LH HID, RH HID, SEO B1, and TBC BATT Fuses
G403
G200 - 2 of 2
Figure 18:

Wrecker Lighting (5X7)


Object Number: 1778644  Size: FS
Master Electrical Component List
Exterior Lighting Systems Description and Operation
Control Module References
Emergency Vehicle Lighting (5Y0)
B+ Bus Bar
IPC/DIC, LH HID, RH HID, SEO B1, and TBC BATT Fuses
Battery Supply - 1 of 2
IPC/DIC, LH HID, RH HID, SEO B1, and TBC BATT Fuses
G200 - 2 of 2