GM Service Manual Online
For 1990-2009 cars only
Makes
🢒
Chevrolet
🢒
2007
🢒
Silverado Classic - 2WD
🢒
Power and Signal Distribution
🢒
Wiring Systems and Power Management
🢒 Upfitter Provision Schematics
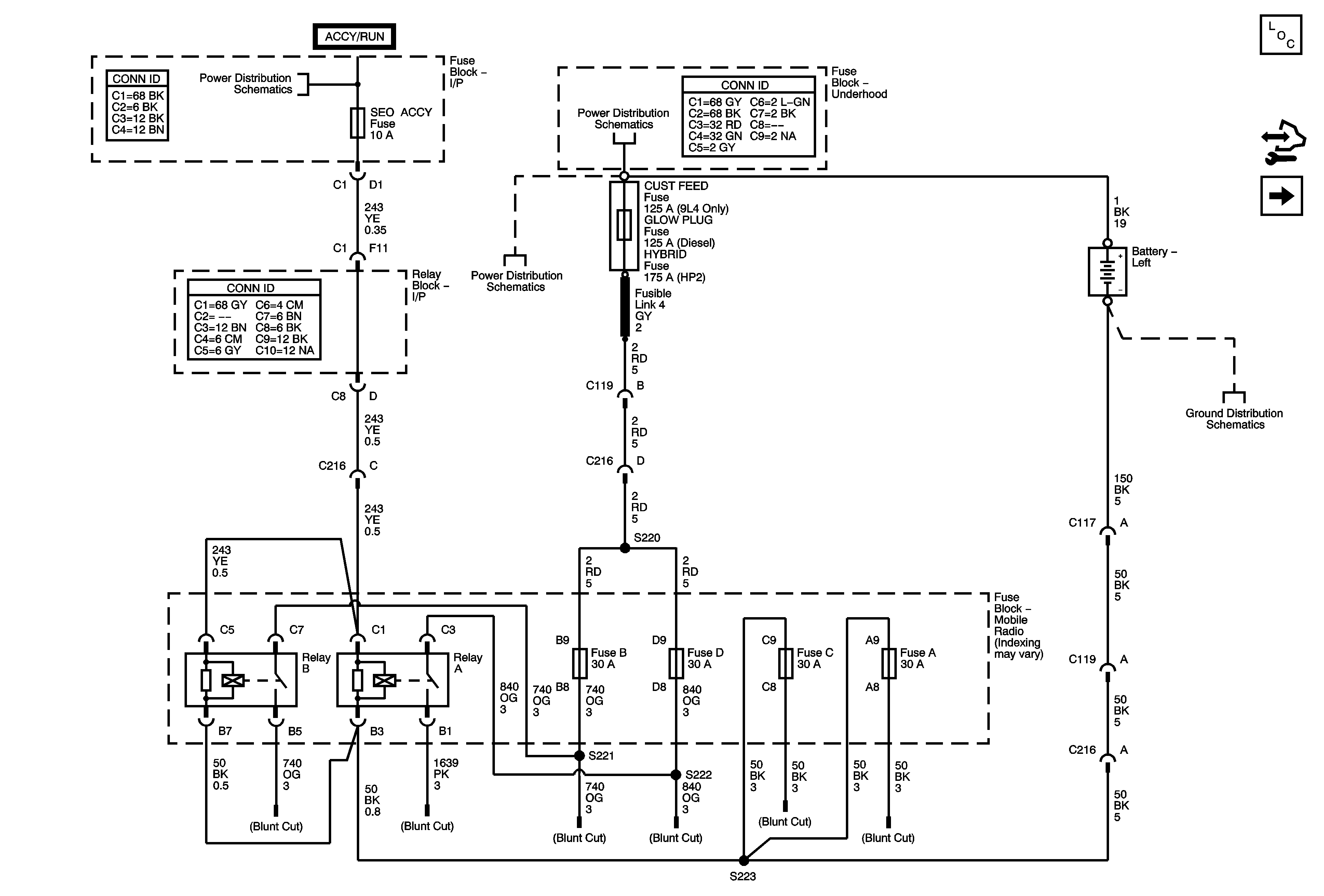
Figure
1:
Mobile Radio (9L4)
Master Electrical Component List
Control Module References
Roof Beacon Wiring (5G4/TRW)
Ignition Switch - ACC/RUN and RUN/START BUS BARS and IGN B Fuse
Battery Supply - 2 of 2
Battery Supply - 1 of 2
G100 and G102
Figure
2:
Roof Beacon Lighting (5G4/TRW)
Master Electrical Component List
Exterior Lighting Systems Description and Operation
Control Module References
Emergency Vehicle Lighting (5Y0)
Mobile Radio Power (9L4)
B+ Bus Bar
IPC/DIC, LH HID, RH HID, SEO B1, and TBC BATT Fuses
IPC/DIC, LH HID, RH HID, SEO B1, and TBC BATT Fuses
LED Dimming Supply - 2 of 2
G304, G305, G306, and G390
Figure
3:
Emergency Vehicle Lighting (5Y0)
Master Electrical Component List
Exterior Lighting Systems Description and Operation
Control Module References
Wrecker Lighting (5X7)
Roof Beacon Wiring (5G4/TRW)
B+ Bus Bar
ABS, AUX HTR PMP, ESCM, HCM-B, MBEC1, RTD, STUD 1, STUD 2, TRANS PUMP, and VSES/ECAS Fuses and RT DOOR and SEAT Circuit Breakers
IPC/DIC, LH HID, RH HID, SEO B1, and TBC BATT Fuses
IPC/DIC, LH HID, RH HID, SEO B1, and TBC BATT Fuses
LED Dimming Supply - 2 of 2
G200 - 2 of 2
G403
Figure
4:
Wrecker Lighting (5X7)
Master Electrical Component List
Exterior Lighting Systems Description and Operation
Control Module References
Emergency Vehicle Lighting (5Y0)
B+ Bus Bar
IPC/DIC, LH HID, RH HID, SEO B1, and TBC BATT Fuses
LED Dimming Supply - 2 of 2
G200 - 2 of 2
Battery Supply - 1 of 2
IPC/DIC, LH HID, RH HID, SEO B1, and TBC BATT Fuses