GM Service Manual Online
For 1990-2009 cars only
Makes
🢒
Chevrolet
🢒
2007
🢒
Silverado - 4WD
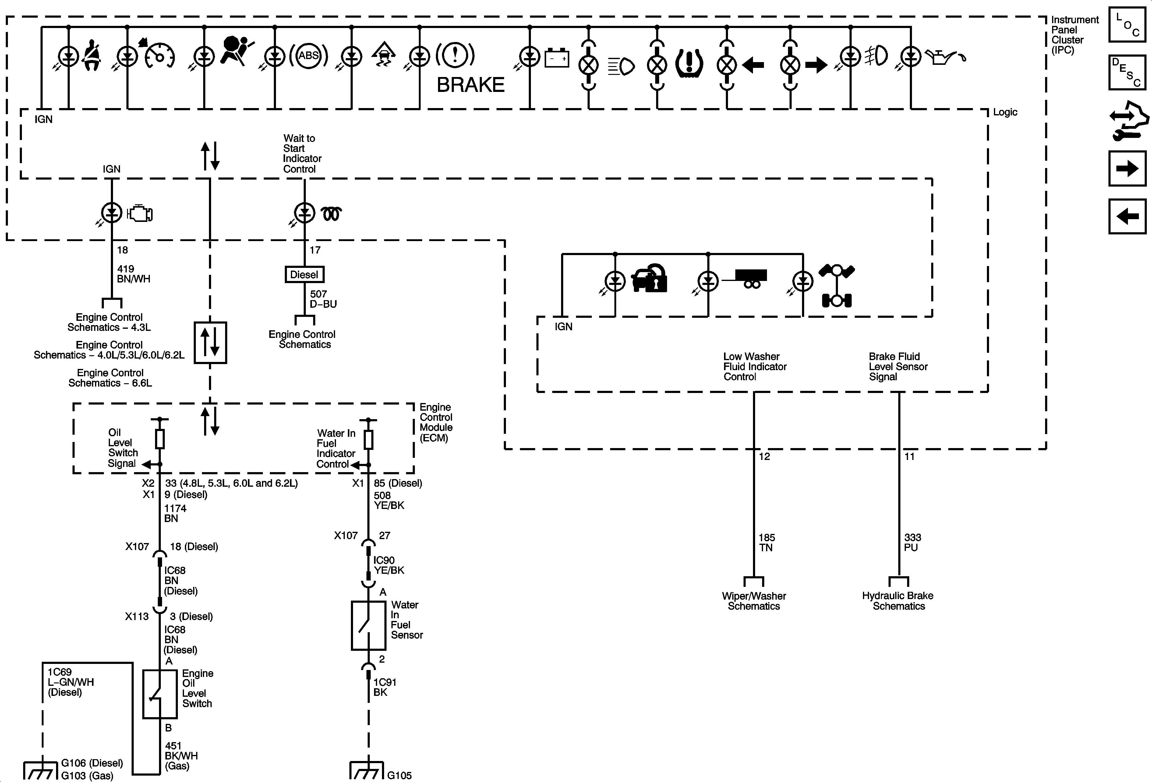
🢒 Indicators
Indicators
Indicators
Master Electrical Component List
Instrument Cluster Description and Operation
Control Module References
Gages
Power, Ground and Driver Information Switch
Module Power, Ground and Serial Data
Module Power, Ground and Serial Data
Module Power, Ground, Serial Data and MIL
Low Speed Bus - 1 of 3
Engine Data Sensors - Glow Plug Controls and the IAH Module
Wiper and Washer Motor Control
Hydraulic Brake Schematics
G106 (4.3L) and G103
G106 (Diesel), G105, G110 and G111