GM Service Manual Online
For 1990-2009 cars only
Figure 1:

B+ Bus Bar (Gas) - 1 of 3


Object Number: 860059  Size: FS
Master Electrical Component List
B+ Bus Bar (Diesel) - 2 of 3
B+ Bus Bar - 3 of 3
Figure 2:

B+ Bus Bar (Diesel) - 2 of 3


Object Number: 860061  Size: FS
Master Electrical Component List
B+ Bus Bar - 3 of 3
B+ Bus Bar (Gas) - 1 of 3
B+ Bus Bar - 3 of 3
Figure 3:

B+ Bus Bar - 3 of 3


Object Number: 860062  Size: FS
Master Electrical Component List
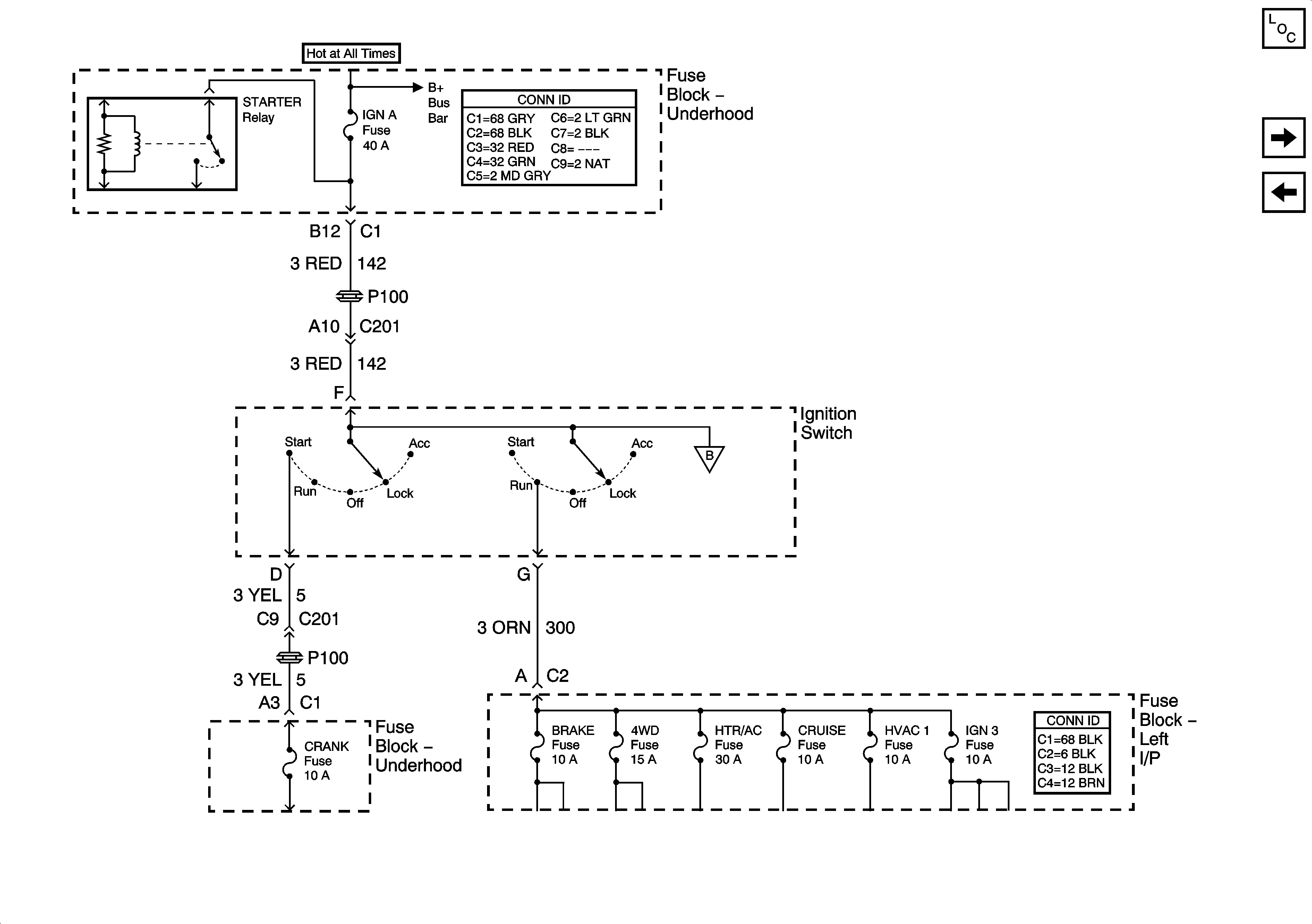
Ignition, Run and Start Bus Bar
B+ Bus Bar (Diesel) - 2 of 3
B+ Bus Bar (Gas) - 1 of 3
B+ Bus Bar (Diesel) - 2 of 3
Figure 4:

Ignition, Run and Start Bus Bar


Object Number: 860063  Size: FS
Master Electrical Component List
Ignition, Run, Start, Accy Bus Bar
B+ Bus Bar - 3 of 3
B+ Bus Bar (Gas) - 1 of 3
Ignition, Run, Start, Accy Bus Bar
Figure 5:

Ignition, Run, Start, Accy Bus Bar


Object Number: 860064  Size: FS
Master Electrical Component List
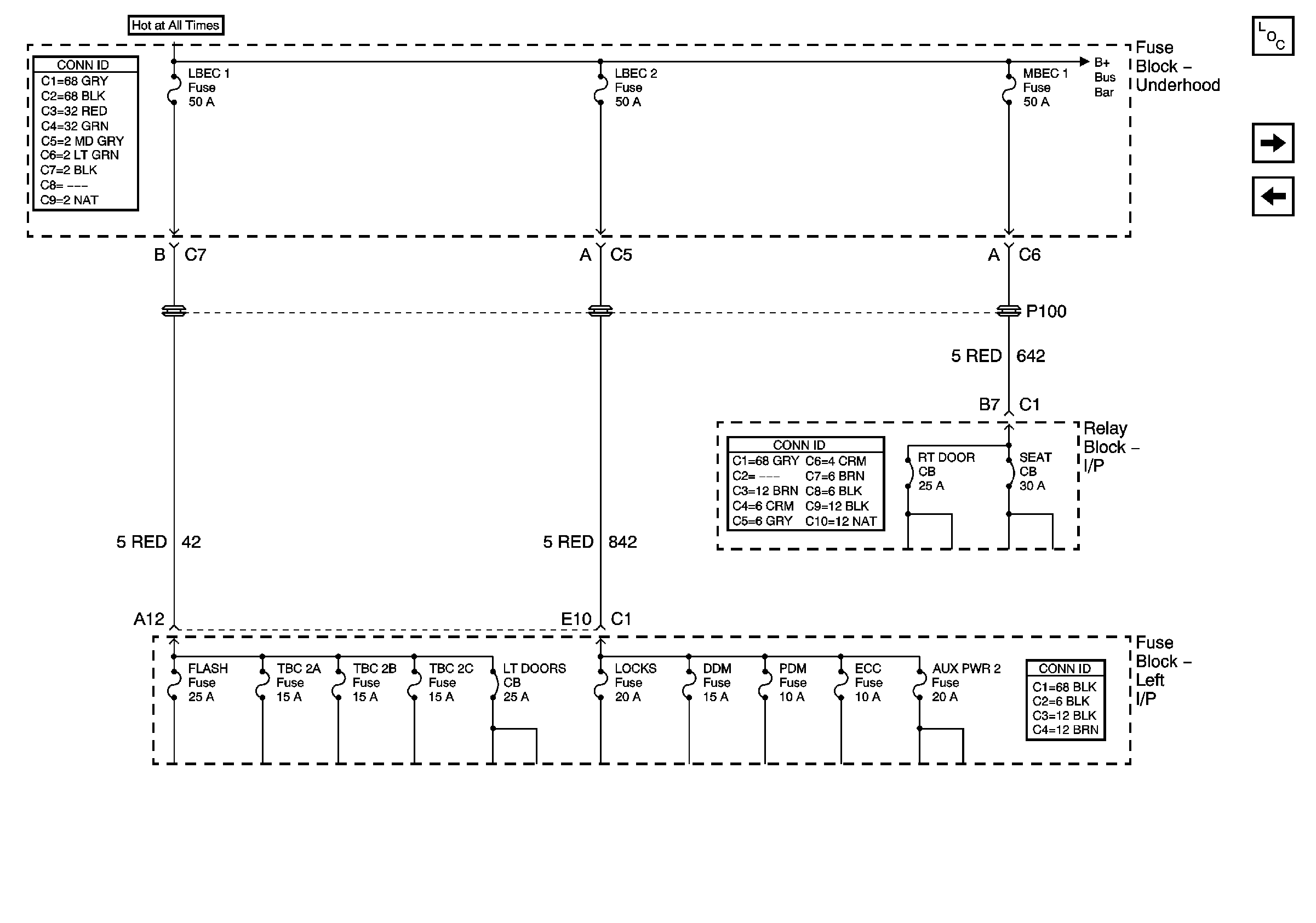
LBEC 1, LBEC 2, MBEC 1
Ignition, Run and Start Bus Bar
B+ Bus Bar (Gas) - 1 of 3
Ignition, Run and Start Bus Bar
Figure 6:

LBEC 1,LBEC 2, MBEC 1


Object Number: 860065  Size: FS
Master Electrical Component List
IGN 1 Relay Bus, SEO 2, RR DEFOG, SEO IGN, B/U LP
Ignition, Run, Start, Accy Bus Bar
B+ Bus Bar (Gas) - 1 of 3
Figure 7:

IGN 1 Relay Bus, SEO B2, RR DEFOG, SEO IGN, B/U LP


Object Number: 860066  Size: FS
Master Electrical Component List
FLASHER, LOCKS
LBEC 1, LBEC 2, MBEC 1
B+ Bus Bar (Gas) - 1 of 3
Ignition, Run, Start, Accy Bus Bar
Figure 8:

FLASH, LOCKS


Object Number: 860068  Size: FS
Master Electrical Component List
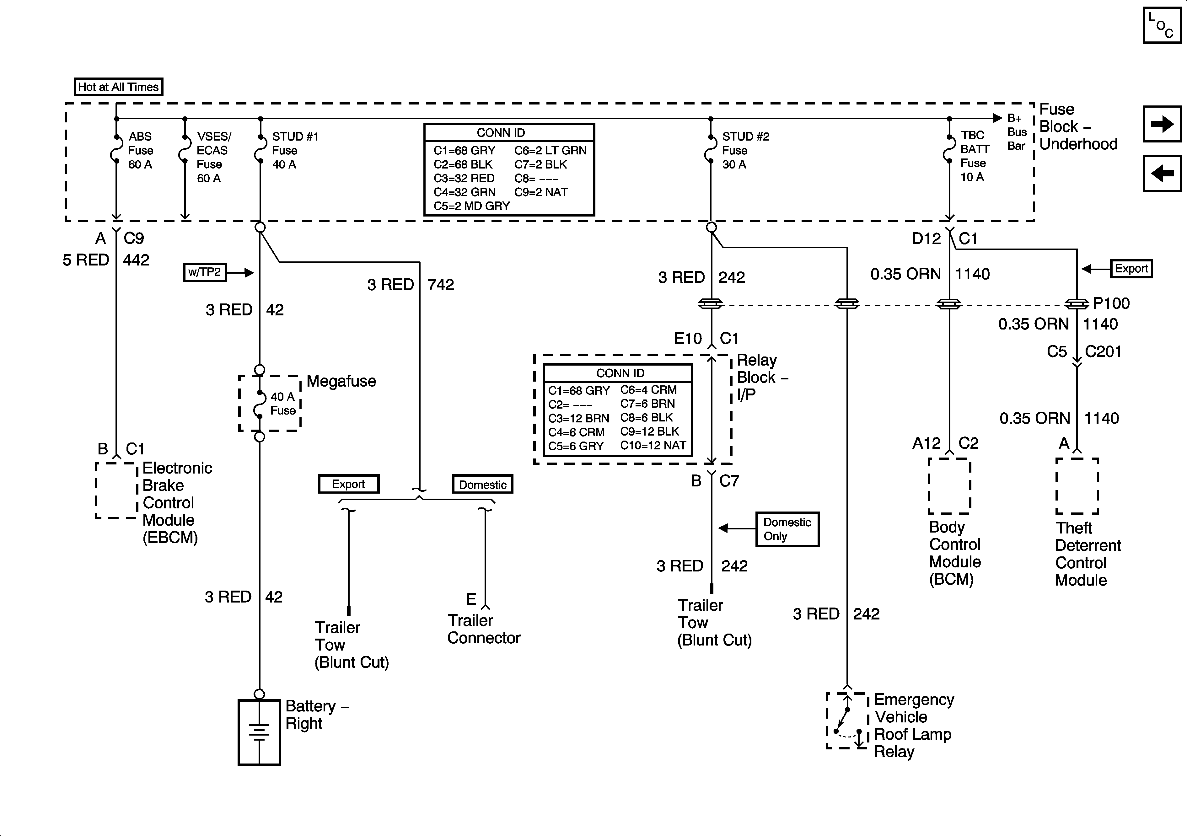
ABS, VSES, STUD #1, STUD #2, TBC
IGN 1 Relay Bus, SEO 2, RR DEFOG, SEO IGN, B/U LP
Figure 9:

ABS, VSES/ECAS, STUD #1, STUD #2, TBC


Object Number: 860069  Size: FS
Master Electrical Component List
QS4, RADIO, RDO AMP
FLASHER, LOCKS
B+ Bus Bar (Gas) - 1 of 3
Figure 10:

4WS, RADIO, RADIO AMP


Object Number: 860071  Size: FS
Master Electrical Component List
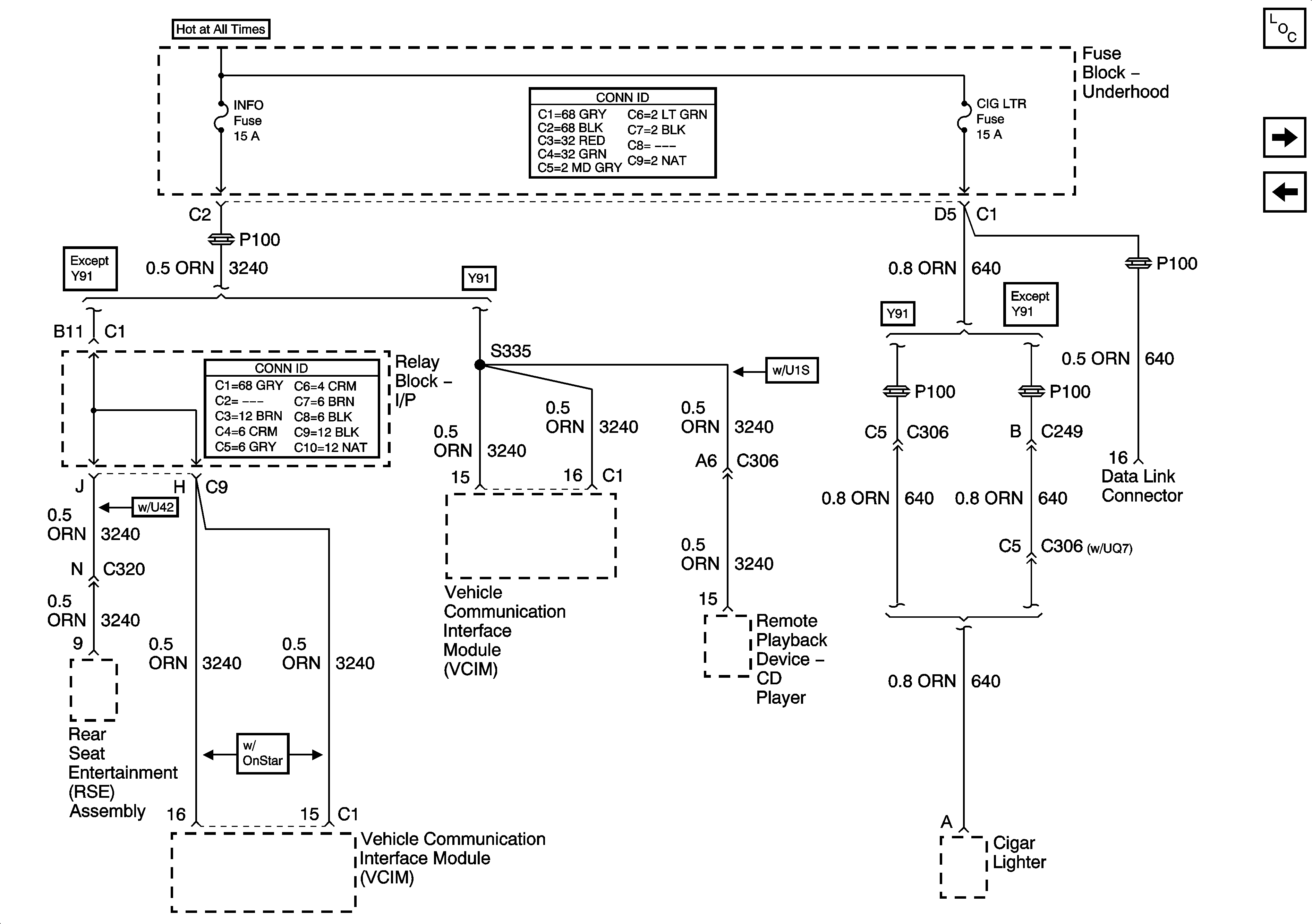
INFO, CIGAR
ABS, VSES, STUD #1, STUD #2, TBC
ECM, ECMRPV, EDU, EDU Relay - Diesel Only
Figure 11:

INFO, CIG LTR


Object Number: 860073  Size: FS
Master Electrical Component List
RTD/ECAS, RR WPR, EAP, SUNROOF, IPC/DIC, SEO 1
QS4, RADIO, RDO AMP
Figure 12:

RTD, RR WPR, EAP, SUNROOF, IPC/DIC, SEO B1


Object Number: 860074  Size: FS
Master Electrical Component List
ECM, ECMRPV, EDU, EDU Relay - Diesel Only
INFO, CIGAR
B+ Bus Bar (Gas) - 1 of 3
Figure 13:

PCM B, ECMRPV, EDU, EDU Relay - Diesel Only


Object Number: 860075  Size: FS
Master Electrical Component List
HVAC B, RR HVAC, BLOWER, RR DEFOG, STOP LP, TREC
RTD/ECAS, RR WPR, EAP, SUNROOF, IPC/DIC, SEO 1
B+ Bus Bar (Gas) - 1 of 3
Figure 14:

HVAC/ECAS, RR HVAC, BLOWER, RR DEFOG, STOP LP, TREC


Object Number: 860077  Size: FS
Master Electrical Component List
LH HID, RH HID, PCM B, CRANK, HORN, SIR
ECM, ECMRPV, EDU, EDU Relay - Diesel Only
B+ Bus Bar (Gas) - 1 of 3
CHMSL, STOP, LT TRLR, RT TRLR
Figure 15:

LH HID, RH HID, PCM B, CRANK, HORN, SIR


Object Number: 860078  Size: FS
Master Electrical Component List
IGN 0 , TBC IGN 0, TBC ACCY, SEO ACCY, W/S WIPER, RR WIPER
HVAC B, RR HVAC, BLOWER, RR DEFOG, STOP LP, TREC
B+ Bus Bar (Gas) - 1 of 3
Figure 16:

IGN 0, TBC IGN 0, TBC ACCY, SEO ACCY, WS WPR, RR WPR


Object Number: 860079  Size: FS
Master Electrical Component List
O2A, O2B, TBC IGN 1, SEO IGN
LH HID, RH HID, PCM B, CRANK, HORN, SIR
Figure 17:

O2A, O2B, TBC IGN 1, SEO IGN


Object Number: 860081  Size: FS
Master Electrical Component List
IGN E
IGN 0 , TBC IGN 0, TBC ACCY, SEO ACCY, W/S WIPER, RR WIPER
Ignition, Run, Start, Accy Bus Bar
Figure 18:

IGN E


Object Number: 860083  Size: FS
Master Electrical Component List
SBA, ETC, PCM 1, BTSI, TRL B/U
O2A, O2B, TBC IGN 1, SEO IGN
Ignition, Run, Start, Accy Bus Bar
Figure 19:

SBA, ETC/ECM, PCM 1, BTSI, TRL B/U


Object Number: 860085  Size: FS
Master Electrical Component List
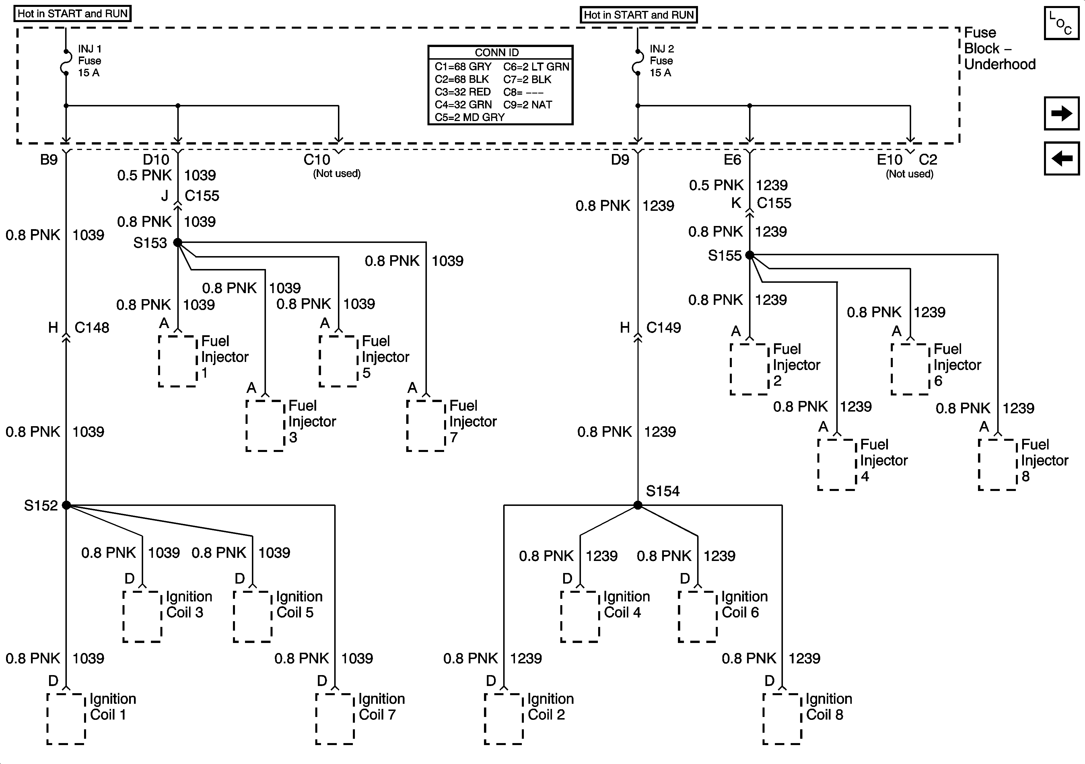
INJ 1, INJ 2 - Gas Only
IGN E
Ignition, Run, Start, Accy Bus Bar
Figure 20:

INJ 1, INJ 2 - Gas Except 8.1L


Object Number: 860088  Size: FS
Master Electrical Component List
INJ 1, INJ 2-8.1L Only
SBA, ETC, PCM 1, BTSI, TRL B/U
Figure 21:

INJ 1, INJ 2 - 8.1L Only


Object Number: 873947  Size: FS
Master Electrical Component List
FUEL HT and ECM I Fuses - Diesel Only
INJ 1, INJ 2 - Gas Only
Figure 22:

FUEL HT and ECM I Fuses - Diesel Only


Object Number: 867421  Size: FS
Master Electrical Component List
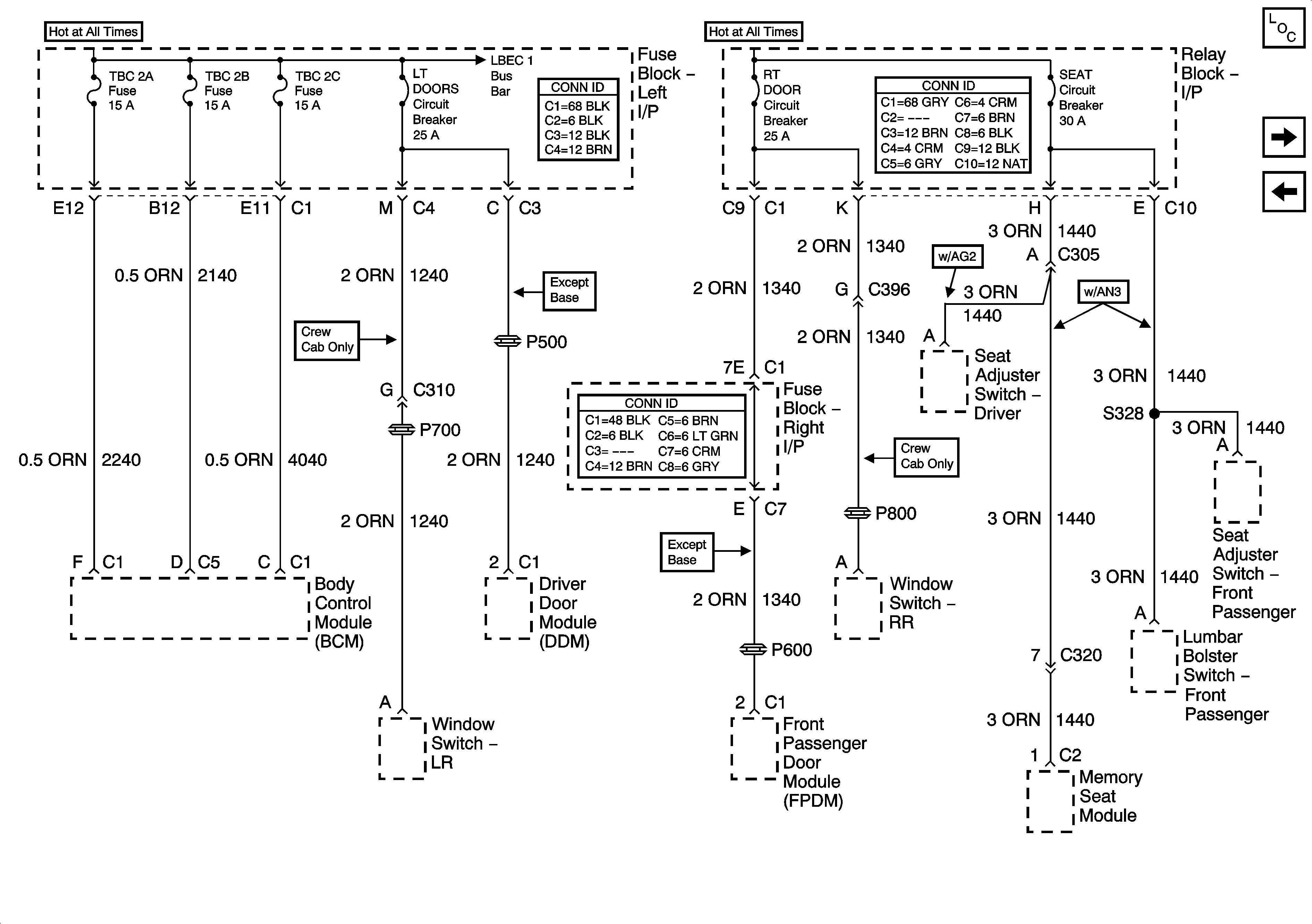
TBC 2A, TBC 2B, TBC 2C, LT DOORS, RT DOORS, SEATS
INJ 1, INJ 2-8.1L Only
Ignition, Run, Start, Accy Bus Bar
Figure 23:

TBC 2A, TBC 2B, TBC 2C, LT DOORS, RT DOOR, SEAT


Object Number: 860090  Size: FS
Master Electrical Component List
DDM, PDM, RR ECC, AUX PWR 2, AUX PWR
FUEL HT and ECM I Fuses - Diesel Only
LBEC 1, LBEC 2, MBEC 1
Figure 24:

DDM, PDM, ECC, AUX PWR 2, AUX PWR


Object Number: 860094  Size: FS
Master Electrical Component List
BRAKE, HTR A/C, HVAC I
TBC 2A, TBC 2B, TBC 2C, LT DOORS, RT DOORS, SEATS
LBEC 1, LBEC 2, MBEC 1
Figure 25:

BRAKE, HTR/AC, HVAC I


Object Number: 860097  Size: FS
Master Electrical Component List
IGN 3, CRUISE, 4WD
DDM, PDM, RR ECC, AUX PWR 2, AUX PWR
Ignition, Run and Start Bus Bar
Figure 26:

IGN 3, CRUISE, 4WD


Object Number: 860100  Size: FS
Master Electrical Component List
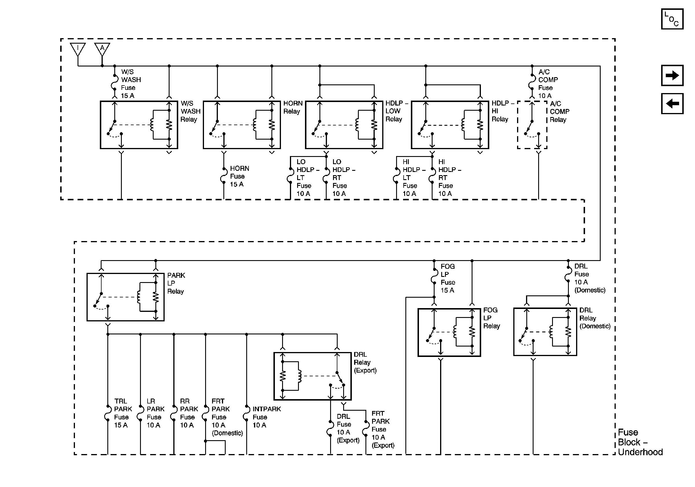
LO HDLP-LT, LO HDLP-RT, HI HDLP-LT, HI HDLP-RT
BRAKE, HTR A/C, HVAC I
Ignition, Run and Start Bus Bar
Figure 27:

LO HDLP-LT, LO HDLP-RT, HI HDLP-LT, HI HDLP-RT


Object Number: 860101  Size: FS
Master Electrical Component List
LR PARK, RR PARK
IGN 3, CRUISE, 4WD
Figure 28:

LR PARK, RR PARK


Object Number: 860104  Size: FS
Master Electrical Component List
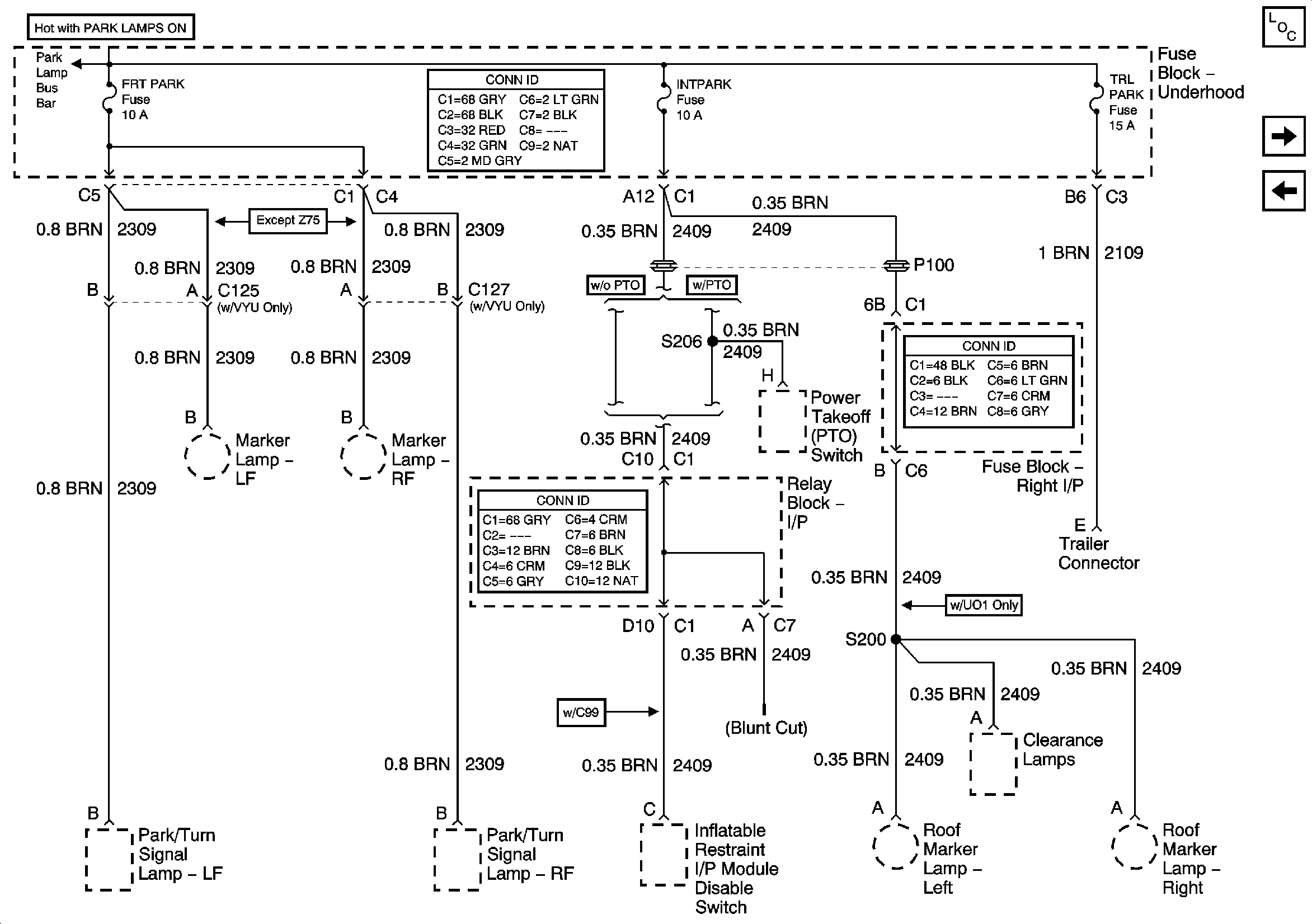
FRT PARK, INTR PARK, TRL PARK - Domestic
LO HDLP-LT, LO HDLP-RT, HI HDLP-LT, HI HDLP-RT
B+ Bus Bar - 3 of 3
Figure 29:

FRT PARK, INTPARK, TRL PARK - Domestic


Object Number: 860106  Size: FS
Master Electrical Component List
FRT PARK, DRL, TRL PARK, INT PARK - Export
LR PARK, RR PARK
B+ Bus Bar - 3 of 3
Figure 30:

FRT PARK, DRL, TRL PARK, IN PARK - Export


Object Number: 860108  Size: FS
Master Electrical Component List
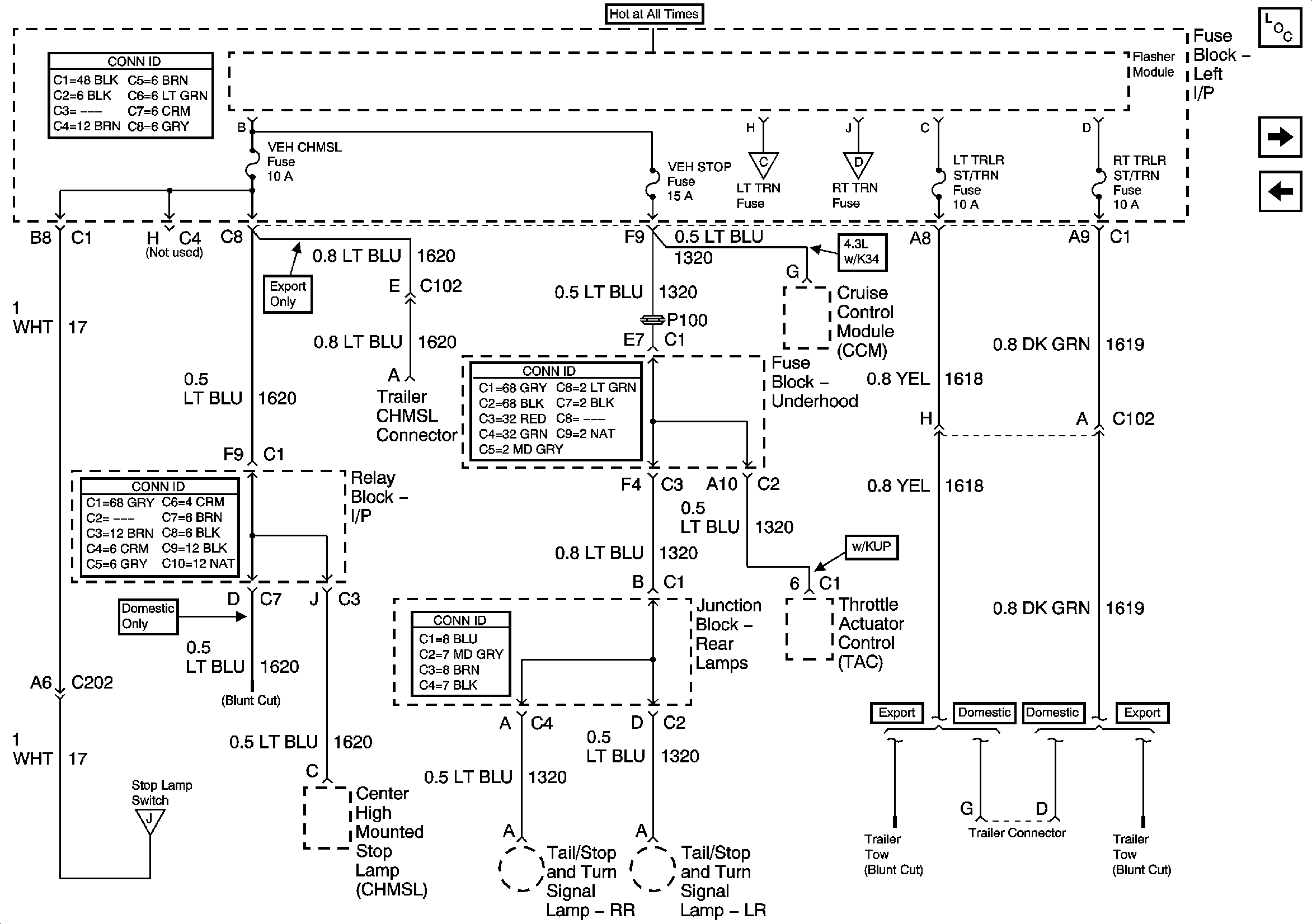
CHMSL, STOP, LT TRLR, RT TRLR
FRT PARK, INTR PARK, TRL PARK - Domestic
B+ Bus Bar - 3 of 3
Figure 31:

VEH CHMSL, VEH STOP, LT TRLR ST/TRN, RT TRLR ST/TRN


Object Number: 860111  Size: FS
Master Electrical Component List
LT TURN, RT TURN - 1 of 2
FRT PARK, DRL, TRL PARK, INT PARK - Export
HVAC B, RR HVAC, BLOWER, RR DEFOG, STOP LP, TREC
LT TURN, RT TURN - 1 of 2
Figure 32:

LT TRN, RT TRN - 1 of 2


Object Number: 860112  Size: FS
Master Electrical Component List
LT TURN, RT TURN - 2 of 2
CHMSL, STOP, LT TRLR, RT TRLR
CHMSL, STOP, LT TRLR, RT TRLR
CHMSL, STOP, LT TRLR, RT TRLR
LT TURN, RT TURN - 2 of 2
Figure 33:

LT TRN, RT TRN - 2 of 2


Object Number: 860114  Size: FS
Master Electrical Component List
LT TURN, RT TURN - 1 of 2
LT TURN, RT TURN - 1 of 2
LT TURN, RT TURN - 1 of 2
LT TURN, RT TURN - 1 of 2
LT TURN, RT TURN - 1 of 2