GM Service Manual Online
For 1990-2009 cars only

Radio/Audio System Schematics UQ3/UQ5

Figure 1:

Power, Ground, Audio Signals-UQ3/UQ5


Object Number: 870353  Size: FS
Master Electrical Component List
Radio/Audio System Description and Operation
Speakers-UQ3/UQ5
QS4, RADIO, RDO AMP
QS4, RADIO, RDO AMP
G203-2 of 3
G203-1 of 3
G203-1 of 3
SP205 - 2 of 2
Figure 2:

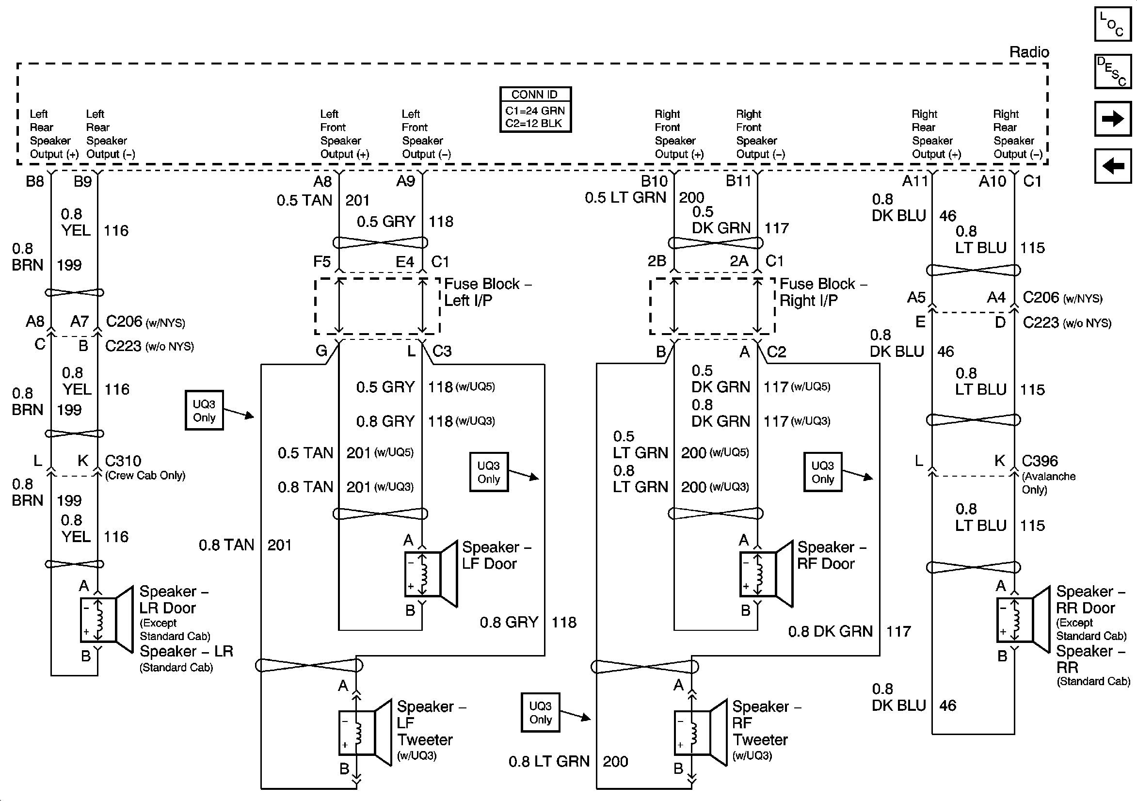
Speakers-UQ3/UQ5


Object Number: 870355  Size: FS
Master Electrical Component List
Radio/Audio System Description and Operation
Digital Radio Receiver-UQ3 w/U2K/U2L
Power, Ground, Audio Signals-UQ3/UQ5
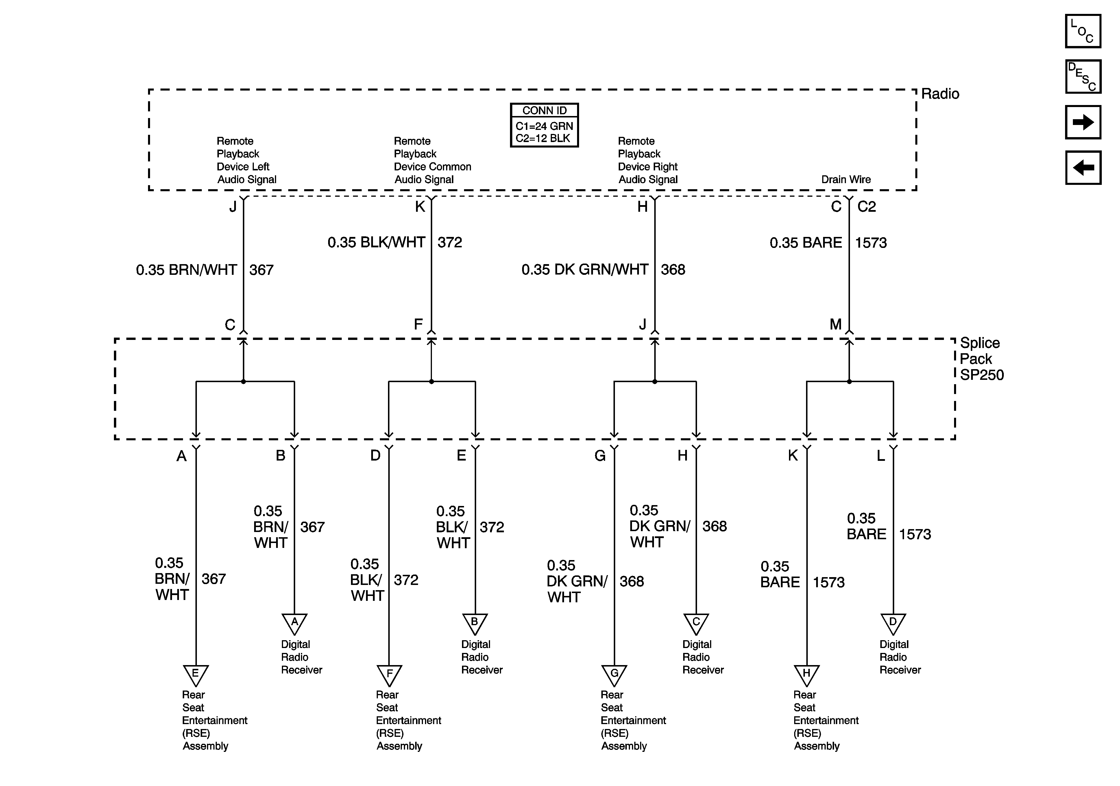
Figure 3:

Digital Radio Receiver-UQ3 w/U2K/U2L


Object Number: 870357  Size: FS
Master Electrical Component List
Radio/Audio System Description and Operation
Speakers-UQ3/UQ5
QS4, RADIO, RDO AMP
QS4, RADIO, RDO AMP
G203-1 of 3
G203-1 of 3
SP205 - 2 of 2

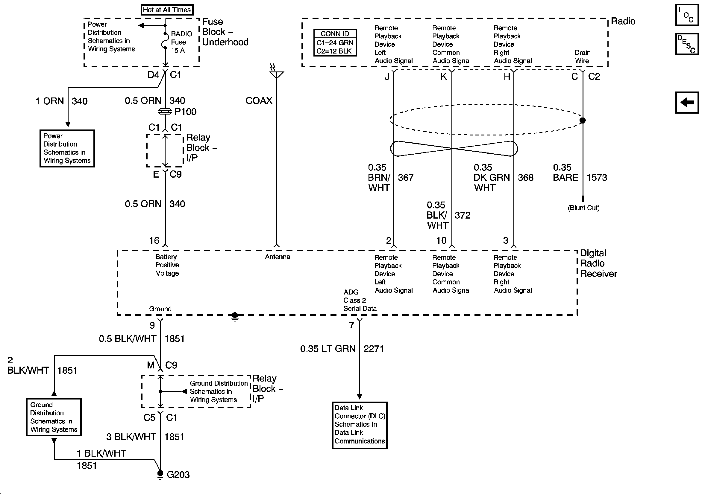
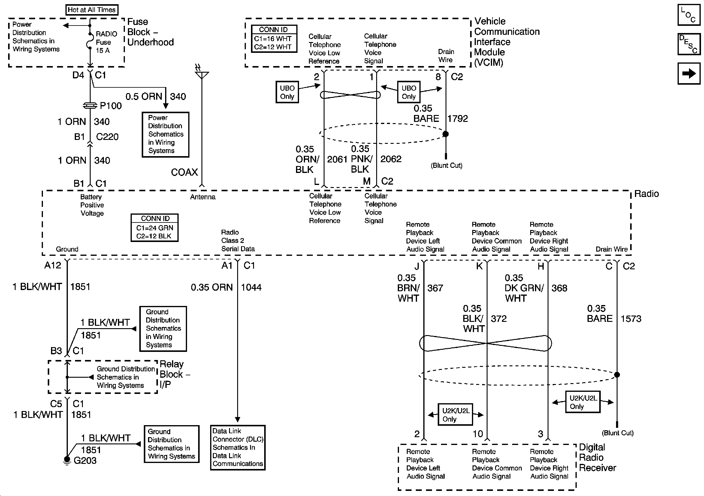
Radio/Audio System Schematics UQ7 w/o Y91

Figure 1:

Power, Ground, Audio Signals-1 of 2-UQ7 w/o Y91


Object Number: 870359  Size: FS
Master Electrical Component List
Radio/Audio System Description and Operation
Audio Signals-2 of 2-UQ7 w/o Y91
QS4, RADIO, RDO AMP
QS4, RADIO, RDO AMP
SP205 - 2 of 2
G203-1 of 3
G203-1 of 3
Figure 2:

Audio Signals-2 of 2-UQ7 w/o Y91


Object Number: 870361  Size: FS
Master Electrical Component List
Radio/Audio System Description and Operation
Amplifier Power, Ground, Inputs, and Controls-UQ7 w/o Y91-w/o UK6
Power, Ground, Audio Signals-1 of 2-UQ7 w/o Y91
Rear Seat Entertainment-UQ7 w/o Y91-w/U42
Digital Radio Receiver-UQ7 w/o Y91-w/U2K/U2L
Rear Seat Entertainment-UQ7 w/o Y91-w/U42
Digital Radio Receiver-UQ7 w/o Y91-w/U2K/U2L
Rear Seat Entertainment-UQ7 w/o Y91-w/U42
Digital Radio Receiver-UQ7 w/o Y91-w/U2K/U2L
Rear Seat Entertainment-UQ7 w/o Y91-w/U42
Digital Radio Receiver-UQ7 w/o Y91-w/U2K/U2L
Figure 3:

Amplifier Power, Ground, Inputs, and Controls-UQ7 w/o Y91-w/o UK6


Object Number: 870362  Size: FS
Master Electrical Component List
Radio/Audio System Description and Operation
RSA, Amplifier Inputs-UQ7 w/o Y91-w/UK6
Audio Signals-2 of 2-UQ7 w/o Y91
QS4, RADIO, RDO AMP
G203-1 of 3
G203-1 of 3
G203-1 of 3
Figure 4:

RSA, Amplifier Inputs-UQ7 w/o Y91-w/UK6


Object Number: 870365  Size: FS
Master Electrical Component List
Radio/Audio System Description and Operation
Speakers-UQ7 w/o Y91
Amplifier Power, Ground, Inputs, and Controls-UQ7 w/o Y91-w/o UK6
QS4, RADIO, RDO AMP
SP207 - Base and Uplevel
G203-1 of 3
G203-1 of 3
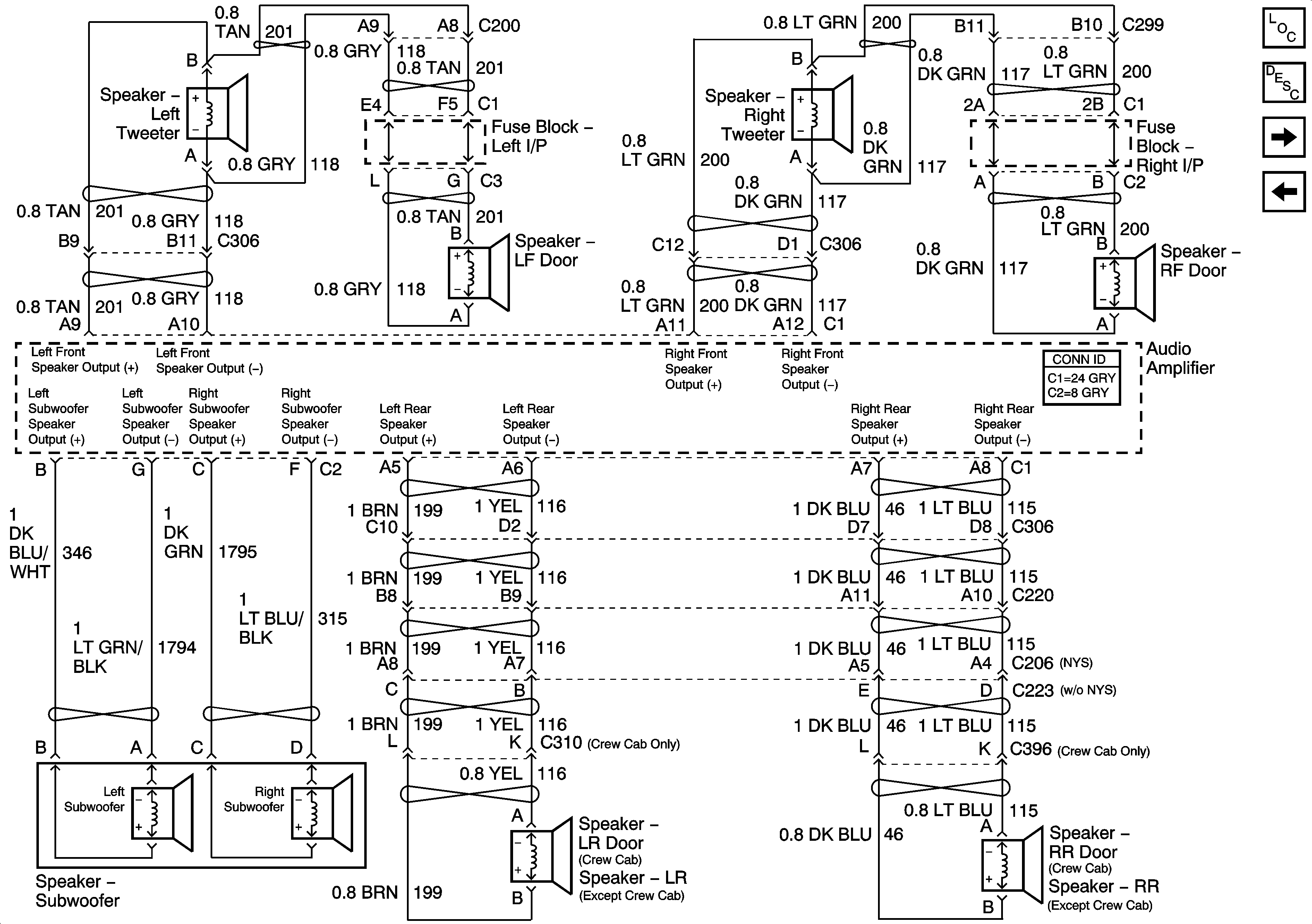
Figure 5:

Speakers-UQ7 w/o Y91


Object Number: 870367  Size: FS
Master Electrical Component List
Radio/Audio System Description and Operation
Digital Radio Receiver-UQ7 w/o Y91-w/U2K/U2L
RSA, Amplifier Inputs-UQ7 w/o Y91-w/UK6
Figure 6:

Digital Radio Receiver-UQ7 w/o Y91-w/U2K/U2L


Object Number: 870368  Size: FS
Master Electrical Component List
Radio/Audio System Description and Operation
Rear Seat Entertainment-UQ7 w/o Y91-w/U42
Speakers-UQ7 w/o Y91
QS4, RADIO, RDO AMP
QS4, RADIO, RDO AMP
G203-1 of 3
G203-1 of 3
SP207 - Luxury
Audio Signals-2 of 2-UQ7 w/o Y91
Figure 7:

Rear Seat Entertainment-UQ7 w/o Y91-w/U42


Object Number: 870370  Size: FS
Master Electrical Component List
Radio/Audio System Description and Operation
Digital Radio Receiver-UQ7 w/o Y91-w/U2K/U2L
INFO, CIGAR
INFO, CIGAR
G203-1 of 3
G203-1 of 3
SP207 - Luxury
Audio Signals-2 of 2-UQ7 w/o Y91

Radio/Audio System Schematics UQ7 w/Y91

Figure 1:

Power, Ground, Low Level Audio Signals-UQ7 w/Y91


Object Number: 870371  Size: FS
Master Electrical Component List
Radio/Audio System Description and Operation
Audio Signals-1 of 2-UQ7 w/Y91
QS4, RADIO, RDO AMP
Amplifier, RSA Power, Ground, Subsystems-UQ7 w/Y91
Digital Radio Receiver-UQ7 w/Y91-w/U2K/U2L
G203-2 of 3
G203-1 of 3
G203-1 of 3
SP205 - 2 of 2
Gauges, VSS, Engine Oil Signals-Gas Only
Figure 2:

Audio Signals-1 of 2-UQ7 w/Y91


Object Number: 870372  Size: FS
Master Electrical Component List
Radio/Audio System Description and Operation
Audio Signals-2 of 2-UQ7 w/Y91
Power, Ground, Low Level Audio Signals-UQ7 w/Y91
Figure 3:

Audio Signals-2 of 2-UQ7 w/Y91


Object Number: 870374  Size: FS
Master Electrical Component List
Radio/Audio System Description and Operation
Amplifier, RSA Power, Ground, Subsystems-UQ7 w/Y91
Audio Signals-1 of 2-UQ7 w/Y91
Remote CD Player-UQ7 w/Y91-w/U1S
Digital Radio Receiver-UQ7 w/Y91-w/U2K/U2L
Remote CD Player-UQ7 w/Y91-w/U1S
Digital Radio Receiver-UQ7 w/Y91-w/U2K/U2L
Remote CD Player-UQ7 w/Y91-w/U1S
Digital Radio Receiver-UQ7 w/Y91-w/U2K/U2L
Remote CD Player-UQ7 w/Y91-w/U1S
Digital Radio Receiver-UQ7 w/Y91-w/U2K/U2L
Figure 4:

Amplifier, RSA Power, Ground, Subsystems-UQ7 w/Y91


Object Number: 870375  Size: FS
Master Electrical Component List
Radio/Audio System Description and Operation
Speakers-UQ7 w/Y91
Audio Signals-2 of 2-UQ7 w/Y91
QS4, RADIO, RDO AMP
G203-1 of 3
G203-1 of 3
SP207 - Luxury
Power, Ground, Low Level Audio Signals-UQ7 w/Y91
Figure 5:

Speakers-UQ7 w/Y91


Object Number: 870377  Size: FS
Master Electrical Component List
Radio/Audio System Description and Operation
Remote CD Player-UQ7 w/Y91-w/U1S
Amplifier, RSA Power, Ground, Subsystems-UQ7 w/Y91
Figure 6:

Remote CD Player-UQ7 w/Y91-w/U1S


Object Number: 870378  Size: FS
Master Electrical Component List
Radio/Audio System Description and Operation
Digital Radio Receiver-UQ7 w/Y91-w/U2K/U2L
Speakers-UQ7 w/Y91
INFO, CIGAR
INFO, CIGAR
G203-1 of 3
G203-1 of 3
SP207 - Luxury
I/P Dimming Supply Voltage - 2 of 5
Audio Signals-2 of 2-UQ7 w/Y91
Figure 7:

Digital Radio Receiver-UQ7 w/Y91-w/U2K/U2L


Object Number: 870379  Size: FS
Master Electrical Component List
Radio/Audio System Description and Operation
Remote CD Player-UQ7 w/Y91-w/U1S
Power, Ground, Low Level Audio Signals-UQ7 w/Y91
G203-1 of 3
SP207 - Luxury
Audio Signals-2 of 2-UQ7 w/Y91