GM Service Manual Online
For 1990-2009 cars only
Makes
🢒
GMC_Truck
🢒
2004
🢒
GMC MD Steel Tilt (W Model)
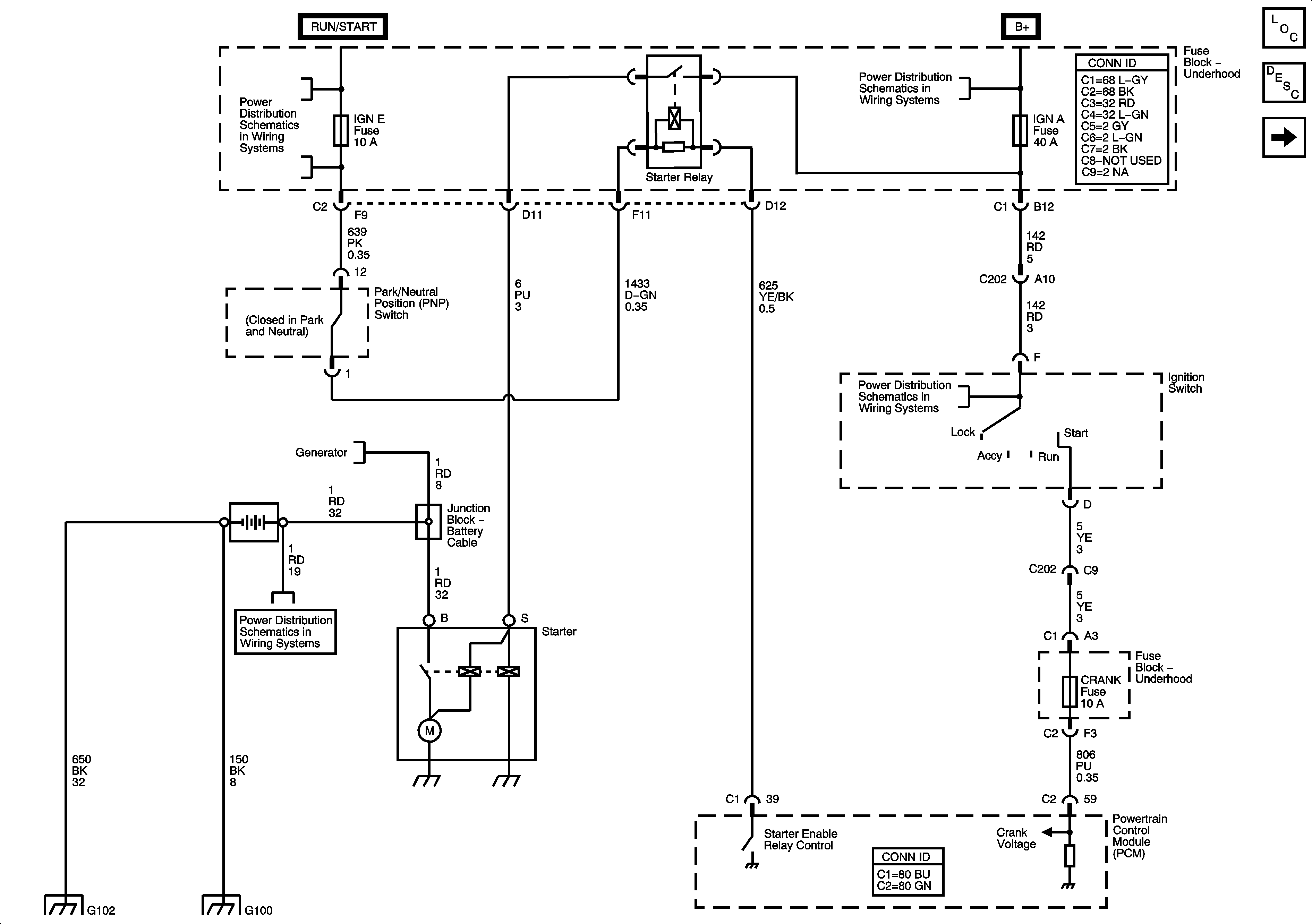
🢒 Starting Schematics
Starting Schematics
Starting Schematics
Master Electrical Component List
Starting System Description and Operation
Charging Schematics
SEO IGN, SIR, and IGN E Fuses
ACCY/RUN/START, RUN, and START Bus Bars, and CRANK Fuse
ACCY/RUN/START, RUN, and START Bus Bars, and CRANK Fuse
B+Bus
G100
G102 and G103