GM Service Manual Online
For 1990-2009 cars only
Makes
🢒
GMC_Truck
🢒
2004
🢒
GMC MD Steel Tilt (W Model)
🢒 Charging Schematics
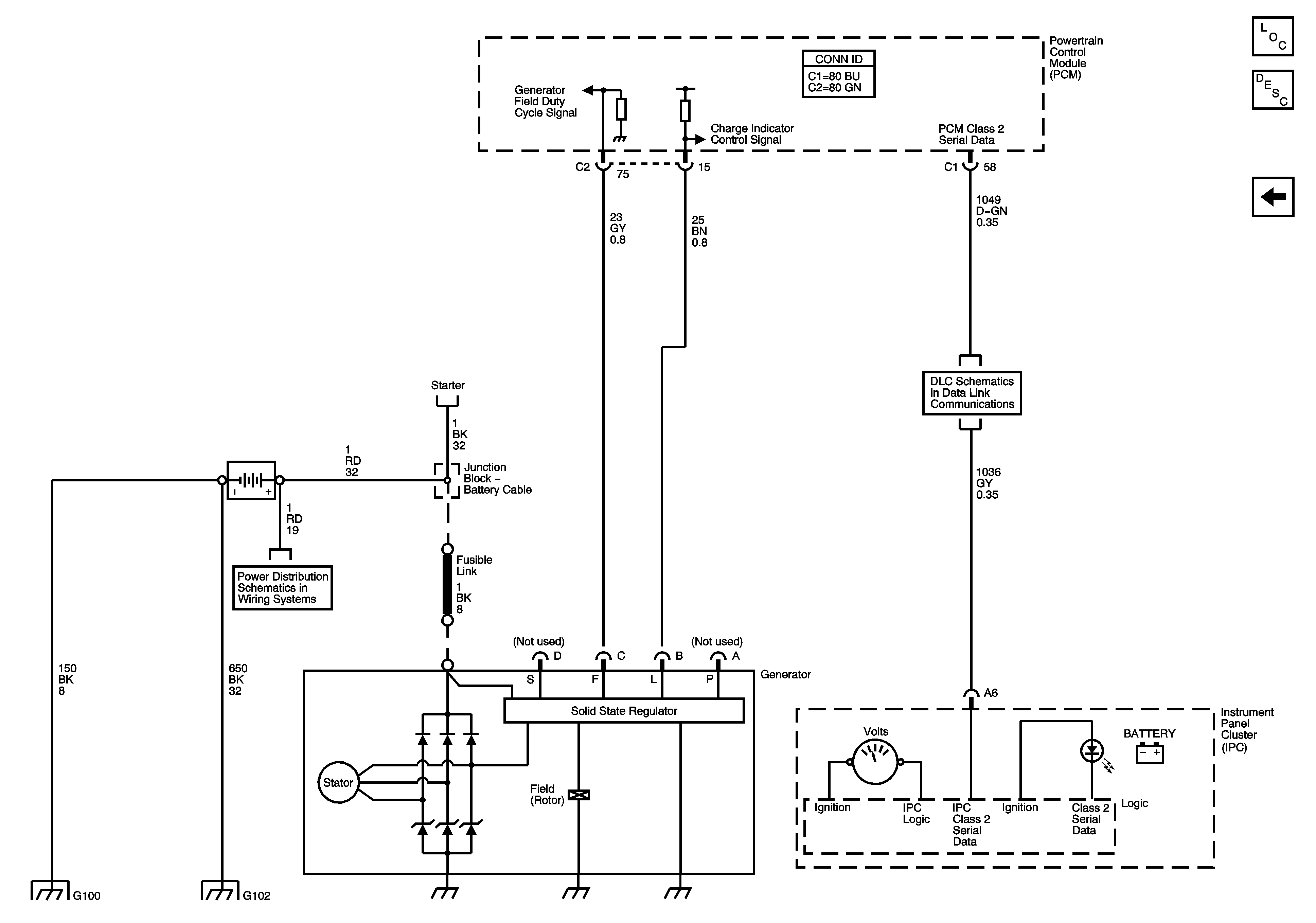
Charging Schematics
Charging Schematics
Master Electrical Component List
Charging System Description and Operation
Starting Schematics
Power, Ground, DLC, and Splice Pack SP205
Starting Schematics
B+Bus
G102 and G103
G100