GM Service Manual Online
For 1990-2009 cars only
Figure 1:

Module Power, Ground, Serial Data and MIL


Object Number: 1247995  Size: FS
Master Electrical Component List
Powertrain Control Module Description
5 Volt and Low Reference
OBD II Symbol Description Notice
B+ Bus - Underhood Fuse Block
IGN B Fuse, ACCY/RUN and RUN/START Bus Bars
O2A, O2B, SPARE, BTSI/BU, PCM IGN 1, BTSI and TRLR BU Fuses
Crank, IGN 0, TBC ACC, FR WPR, BRKS and HVAC Fuses
Crank, IGN 0, TBC ACC, FR WPR, BRKS and HVAC Fuses
G103, G104, G105, G106, G300 and G301
Data Link Connector (DLC)
Figure 2:

5-Volt Reference


Object Number: 1248000  Size: FS
Master Electrical Component List
Powertrain Control Module Description
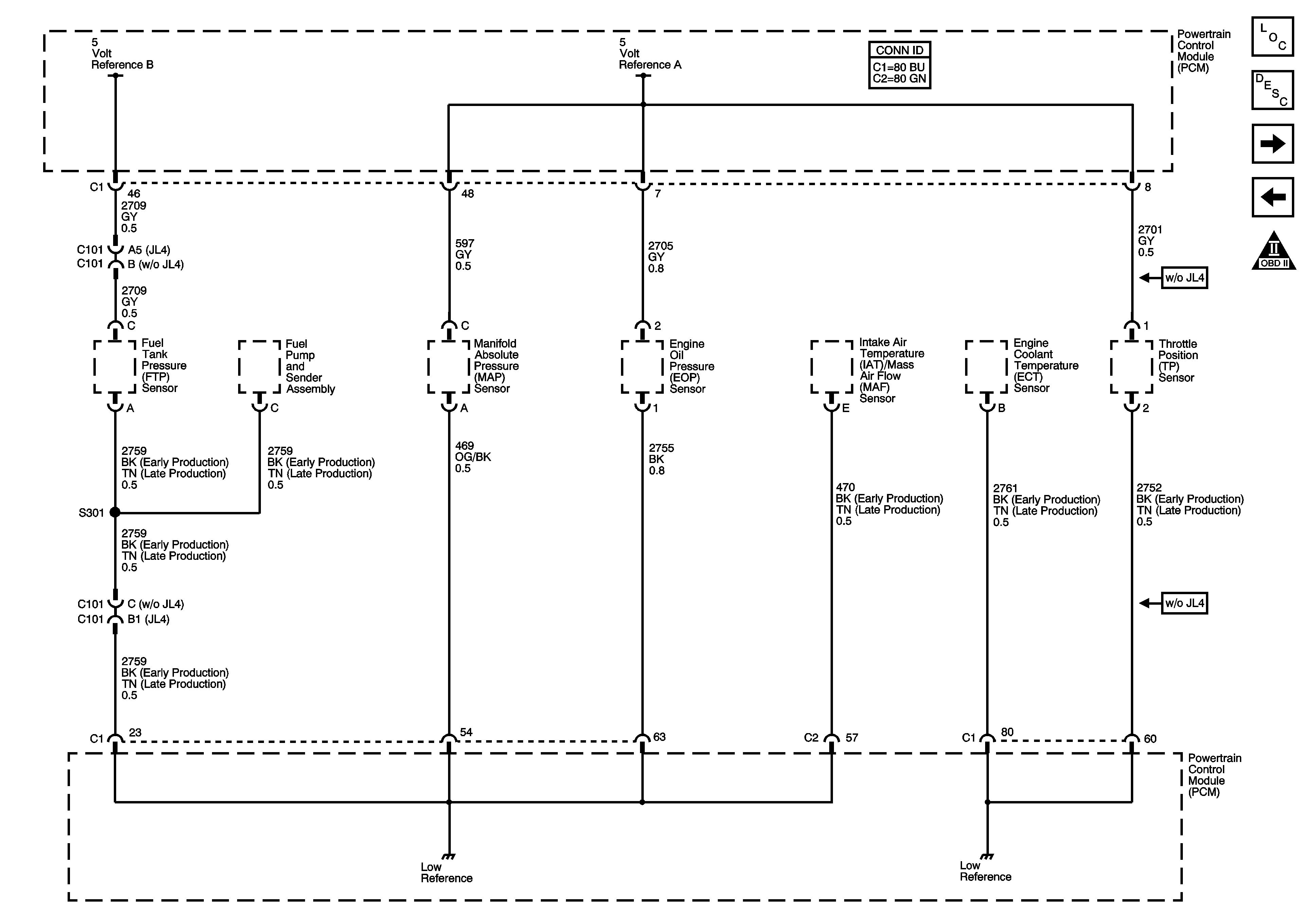
Engine Data Sensors - Pressure,Temperature and Position
Module Power, Ground, Serial Data and MIL
OBD II Symbol Description Notice
Figure 3:

Engine Data Sensors - Pressure, Temperature and Position


Object Number: 1248002  Size: FS
Master Electrical Component List
Powertrain Control Module Description
Engine Data Sensors - Oxygen Sensors
5 Volt and Low Reference
OBD II Symbol Description Notice
IGN B Fuse, ACCY/RUN and RUN/START Bus Bars
ENG 1 and ENG 2 Fuses - 4.8L, 5.3L and 6.0L
ENG 1 and ENG 2 Fuses - 4.8L, 5.3L and 6.0L
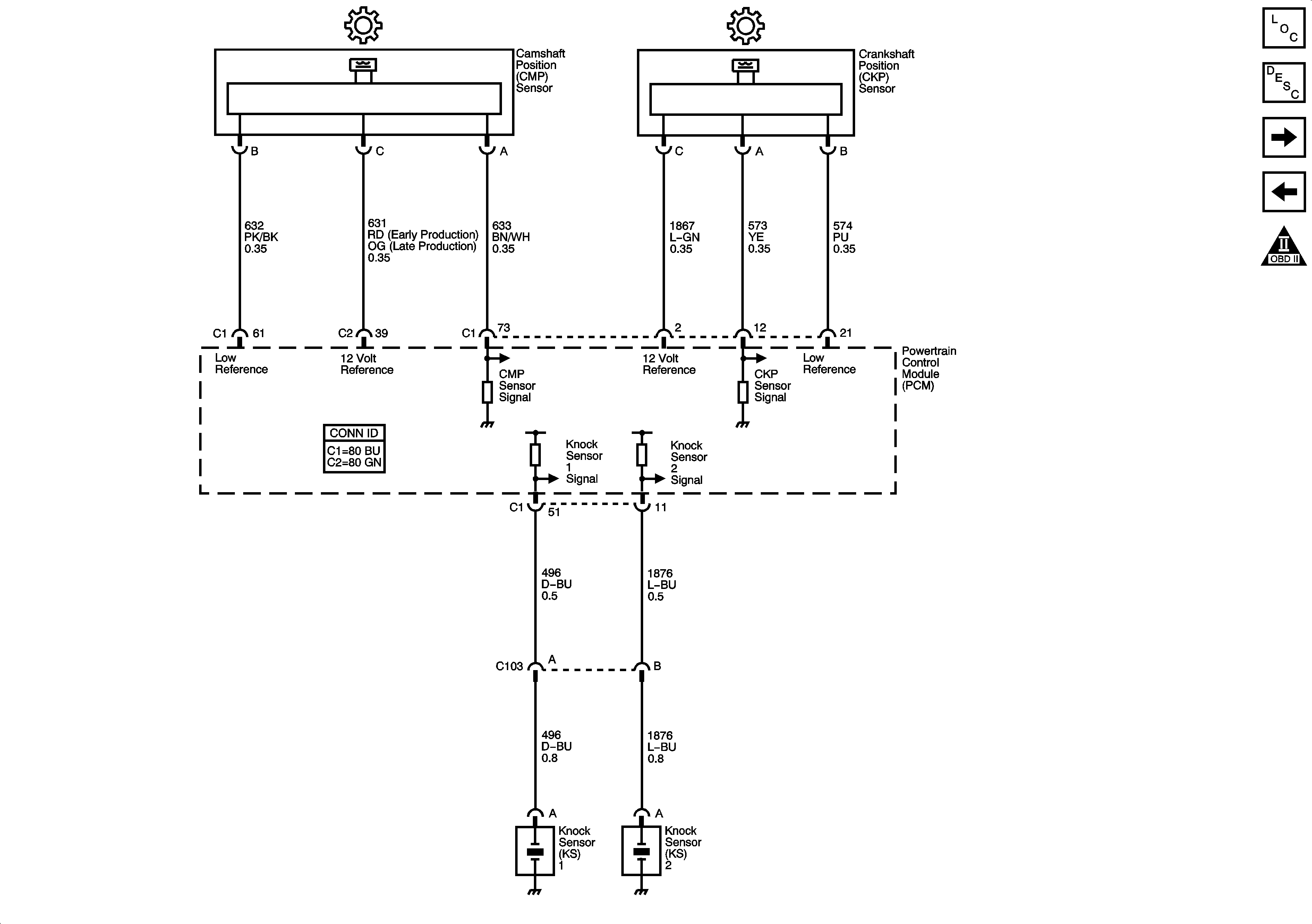
Tow/Haul and Park/Neutral Position Switch Inputs and Vehicle Speed Sensor
Stop Lamp, Tow/Haul, Park/Neutral Position Switch Inputs and Speed Sensors
w/o JL4
Stop Lamp, Tow/Haul, Park/Neutral Position Switch Inputs and Speed Sensors
G103, G104, G105, G106, G300 and G301
Figure 4:

Engine Data Sensors - Oxygen Sensors


Object Number: 1248009  Size: FS
Master Electrical Component List
Powertrain Control Module Description
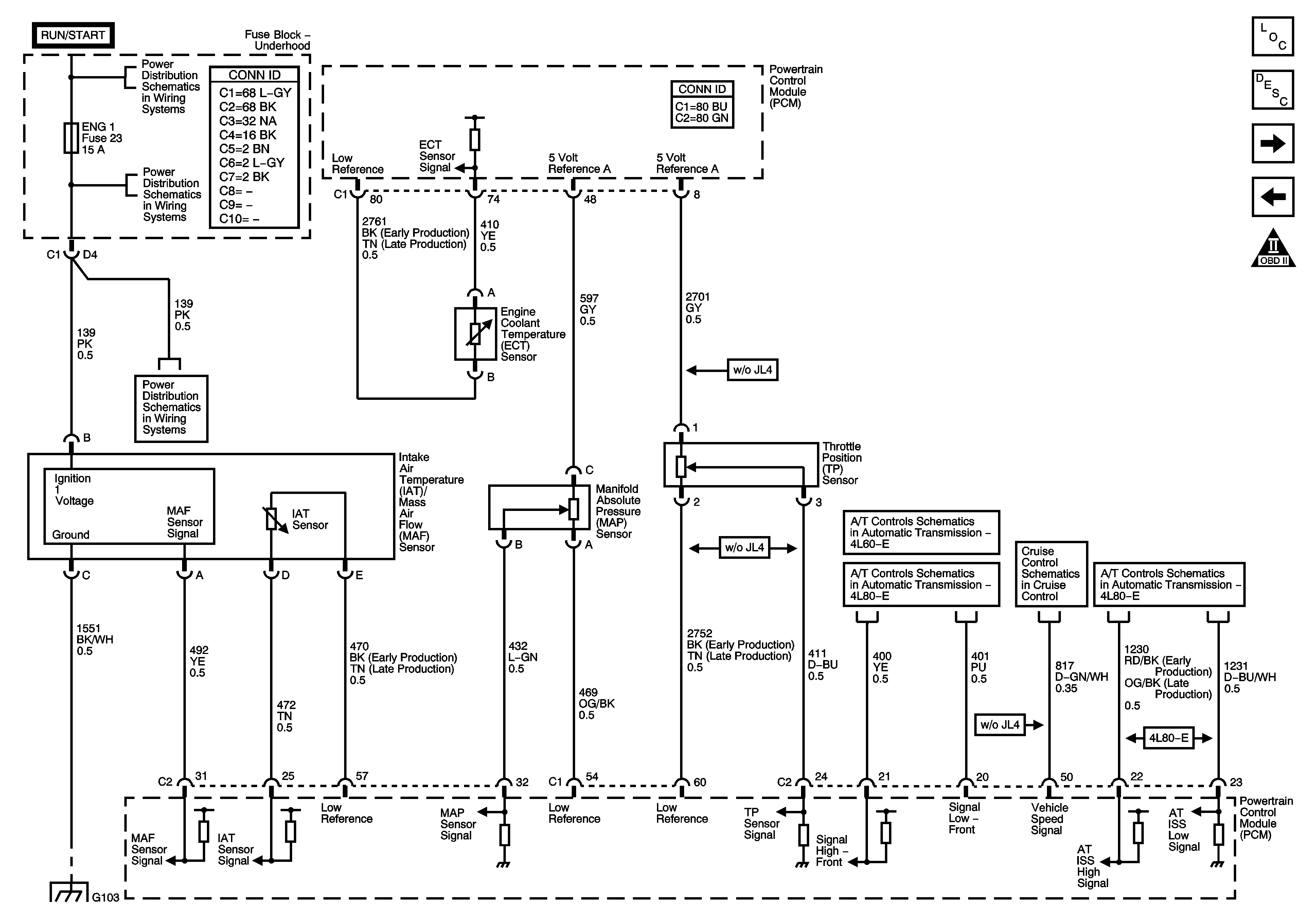
Engine Data Sensors - Electronic Throttle Controls 1 of 2 (JL4)
Engine Data Sensors - Pressure,Temperature and Position
OBD II Symbol Description Notice
IGN B Fuse, ACCY/RUN and RUN/START Bus Bars
Figure 5:

Engine Data Sensors - Throttle Actuator Controls - 1 of 2 (JL4)


Object Number: 1248006  Size: FS
Master Electrical Component List
Powertrain Control Module Description
Engine Data Sensors - Electronic Throttle Controls 2 of 2 (JL4)
Engine Data Sensors - Oxygen Sensors
Engine Controls Schematic Icons
IGN B Fuse, ACCY/RUN and RUN/START Bus Bars
O2A, O2B, SPARE, BTSI/BU, PCM IGN 1, BTSI and TRLR BU Fuses
G102
Figure 6:

Engine Data Sensors - Throttle Actuator Controls - 2 of 2 (JL4)


Object Number: 1248007  Size: FS
Master Electrical Component List
Powertrain Control Module Description
Ignition Controls - Sensors
Engine Data Sensors - Electronic Throttle Controls 1 of 2 (JL4)
Engine Controls Schematic Icons
JL4
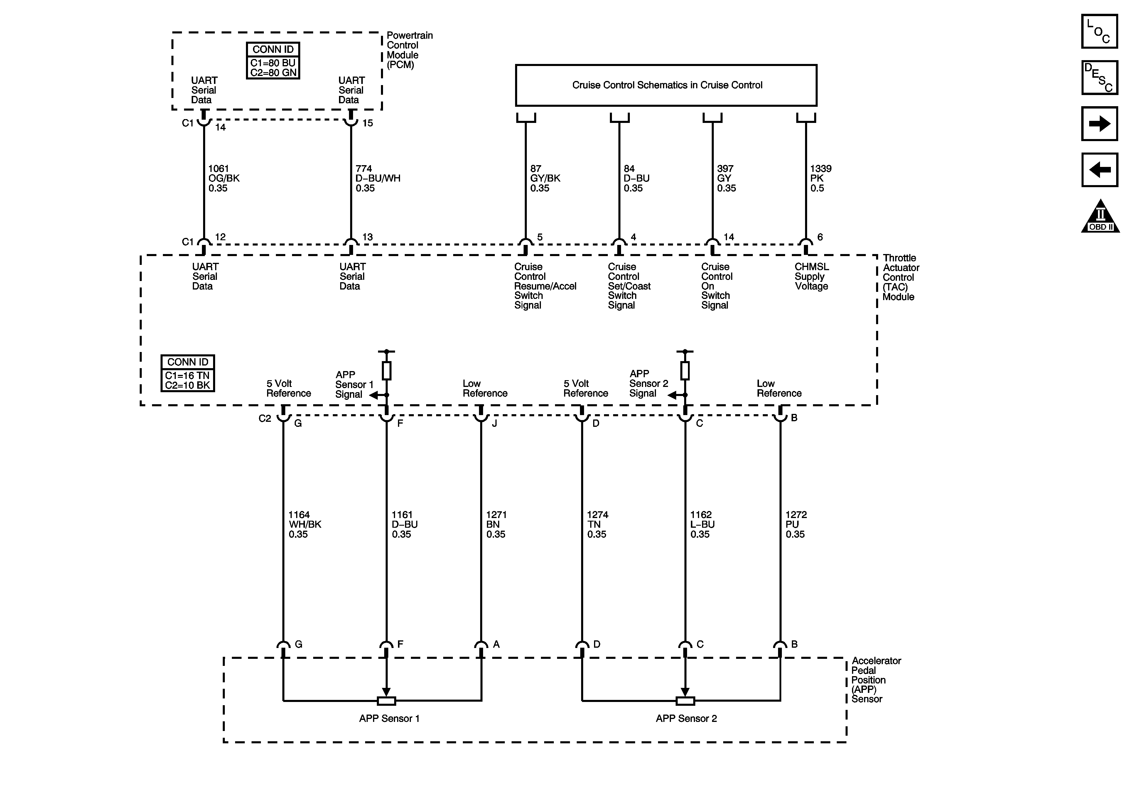
Figure 7:

Ignition Controls - Sensors


Object Number: 1248011  Size: FS
Master Electrical Component List
Powertrain Control Module Description
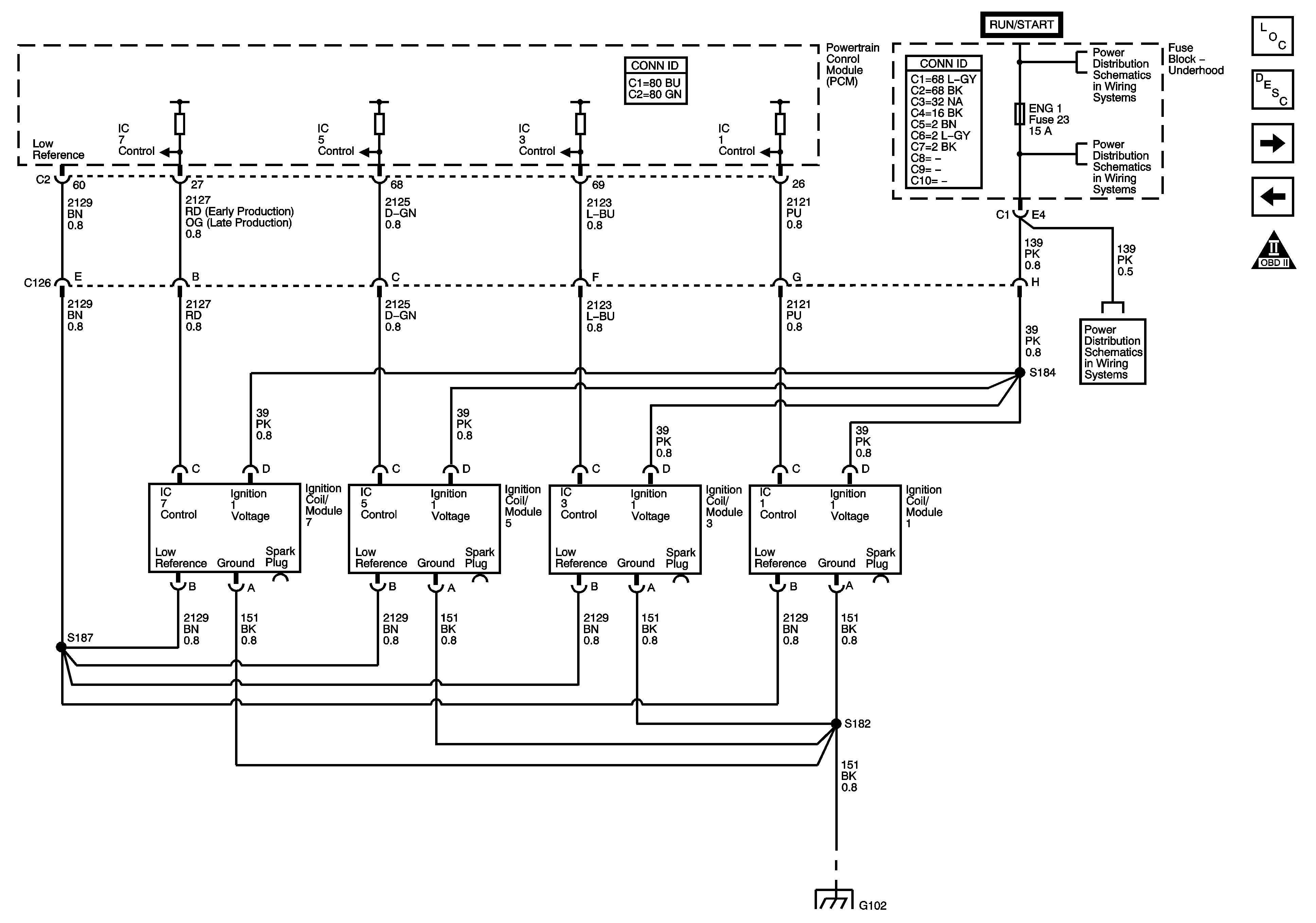
Ignition Controls - Ignition System Coils 1,3,5,7
Engine Data Sensors - Electronic Throttle Controls 2 of 2 (JL4)
OBD II Symbol Description Notice
Figure 8:

Ignition Controls - Ignition System Coils 1, 3, 5, 7


Object Number: 1248015  Size: FS
Master Electrical Component List
Powertrain Control Module Description
Ignition Controls - Ignition System Coils 2,4,6,8
Ignition Controls - Sensors
OBD II Symbol Description Notice
IGN B Fuse, ACCY/RUN and RUN/START Bus Bars
ENG 1 and ENG 2 Fuses - 4.8L, 5.3L and 6.0L
ENG 1 and ENG 2 Fuses - 4.8L, 5.3L and 6.0L
G102
Figure 9:

Ignition Controls - Ignition System Coils 2, 4, 6, 8


Object Number: 1248020  Size: FS
Master Electrical Component List
Powertrain Control Module Description
Fuel Controls - Fuel Pump Controls
Ignition Controls - Ignition System Coils 1,3,5,7
OBD II Symbol Description Notice
ENG 1 and ENG 2 Fuses - 4.8L, 5.3L and 6.0L
ENG 1 and ENG 2 Fuses - 4.8L, 5.3L and 6.0L
G102
Figure 10:

Fuel Controls - Fuel Pump Controls


Object Number: 1248022  Size: FS
Master Electrical Component List
Powertrain Control Module Description
Fuel Controls - Fuel Injectors
Ignition Controls - Ignition System Coils 2,4,6,8
OBD II Symbol Description Notice
B+ Bus - Underhood Fuse Block
Gages
G400
G102
Figure 11:

Fuel Controls - Fuel Injectors


Object Number: 1248026  Size: FS
Master Electrical Component List
Powertrain Control Module Description
Fuel Controls - EVAP and Device Controls
Fuel Controls - Fuel Pump Controls
OBD II Symbol Description Notice
IGN B Fuse, ACCY/RUN and RUN/START Bus Bars
ENG 1 and ENG 2 Fuses - 4.8L, 5.3L and 6.0L
Figure 12:

Fuel Controls - EVAP and Device Controls


Object Number: 1248027  Size: FS
Master Electrical Component List
Powertrain Control Module Description
Controlled/Monitored Subsystem and Transmission References
Fuel Controls - Fuel Injectors
OBD II Symbol Description Notice
B+ Bus - Underhood Fuse Block
TRLR STOP/TRN, CAN VENT, LH-LOBM, RH-LOBM, LH-HIBM and RH-HIBM Fuses
IGN B Fuse, ACCY/RUN and RUN/START Bus Bars
ENG 1 and ENG 2 Fuses - 4.8L, 5.3L and 6.0L
ENG 1 and ENG 2 Fuses - 4.8L, 5.3L and 6.0L
Gages
Power, Ground, Serial Data, Indicator and Stop Lamp Switch - w/o VSES
w/o JL4
Figure 13:

Controlled/Monitored Subsystem and Transmission References


Object Number: 1248030  Size: FS
Master Electrical Component List
Powertrain Control Module Description
Fuel Controls - EVAP and Device Controls
OBD II Symbol Description Notice
Compressor Controls - C60
Wheel Speed Sensors and VSS - w/o VSES
Power, Ground, Serial Data, Indicator, VSS and Stop Lamp Switch - JL4
w/o JL4
Charging System
Starting System
Gages
Indicators
Tow/Haul and Park/Neutral Position Switch Inputs and Vehicle Speed Sensor
Stop Lamp, Tow/Haul, Park/Neutral Position Switch Inputs and Speed Sensors
Valve Controls and Switch Inputs
Valve Controls and Switch Inputs
Valve Controls and Switch Inputs
Valve Controls and Switch Inputs