GM Service Manual Online
For 1990-2009 cars only
Figure 1:

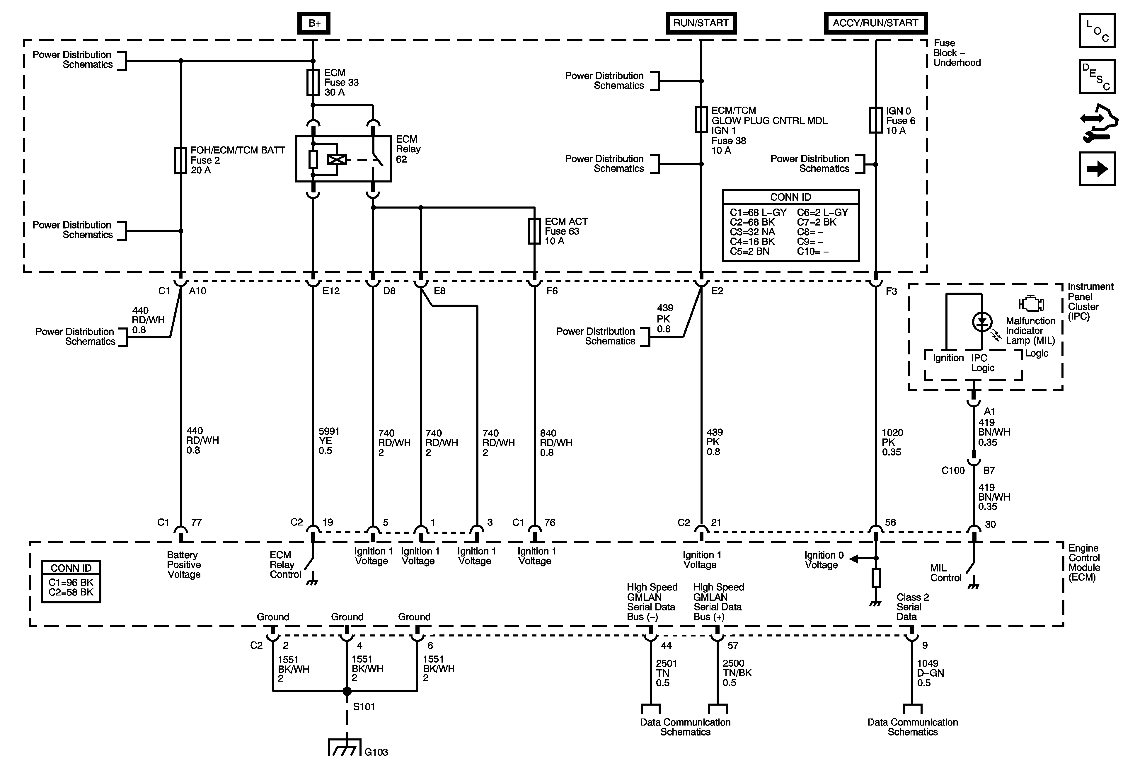
Module Power, Ground, Serial Data, and MIL


Object Number: 1753439  Size: FS
Master Electrical Component List
Engine Control Module Description
Control Module References
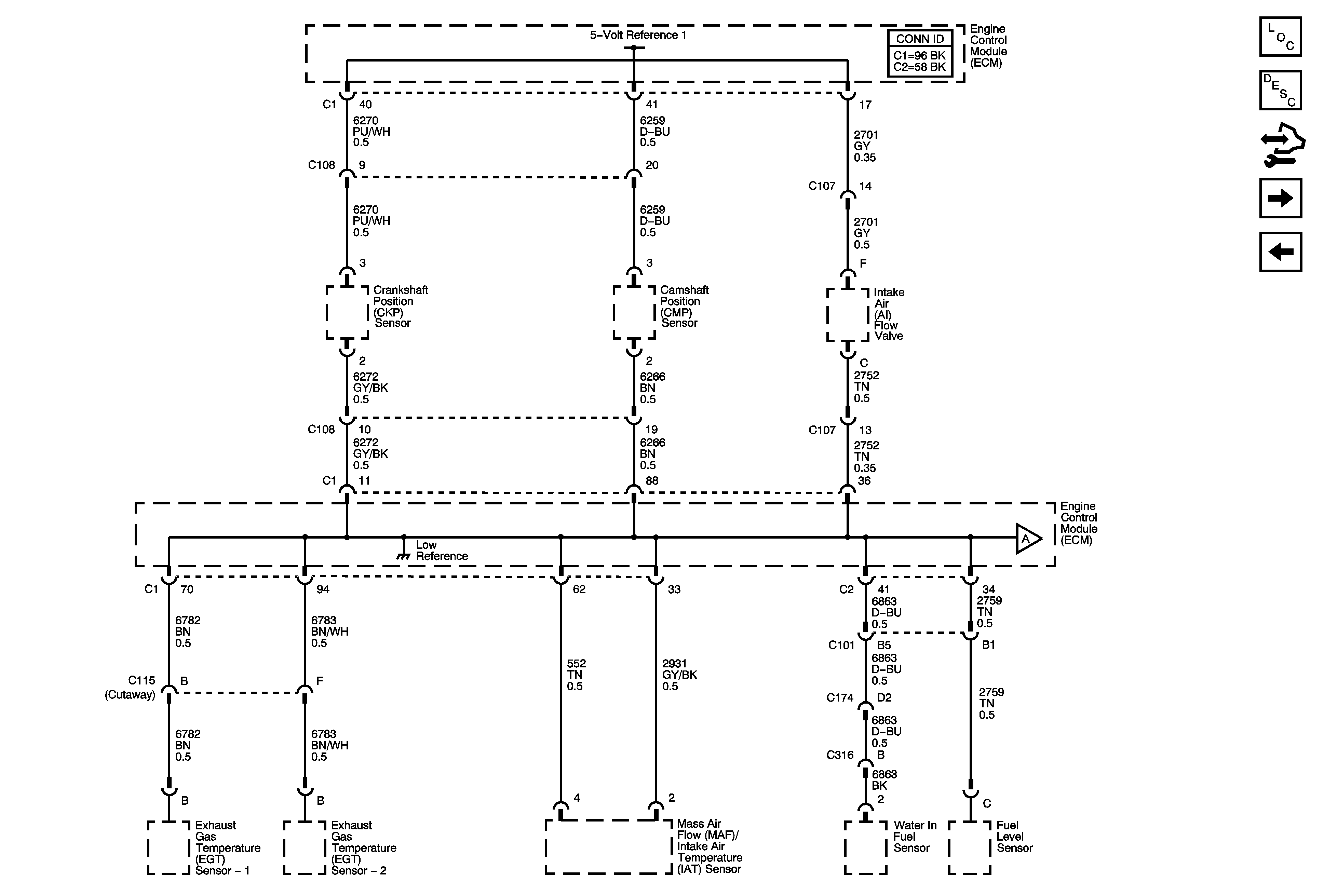
Engine Data Sensors - 5-Volt and Low Reference - 1 of 2
B+ Bus - Underhood Fuse Block - Diesel
ABS/VSES, FOH/ECM/TCM BATT, PCM BATT, and TRLR Fues
ABS/VSES, FOH/ECM/TCM BATT, PCM BATT, and TRLR Fues
Ignition Switch - ACCY/RUN, RUN/START Bus Bars and IGN B Fuse
BTSI, BTSI BCK/UP, ECM/TCM/GLOW PLUG CNTRL MDL IGN 1, FUEL HTR, O2 SNSR A, O2 SNSR B, PCM IGN 1, SPARE and TRLR BCK/UP Fuses
BTSI, BTSI BCK/UP, ECM/TCM/GLOW PLUG CNTRL MDL IGN 1, FUEL HTR, O2 SNSR A, O2 SNSR B, PCM IGN 1, SPARE and TRLR BCK/UP Fuses
BRK, CRNK, FRT WPR, HVAC, ING 0, TBC ACCY and TBC/TCM ACCY Fuses
G103, G104, G105, G106, G107, G108, G300, G301 and G305
High Speed GMLAN and Splice Pack SP250 - Diesel
Power, Ground, DLC and Splice Pack SP200
Figure 2:

Engine Data Sensors - 5-Volt and Low References - 1 of 2


Object Number: 1753441  Size: FS
Master Electrical Component List
Engine Control Module Description
Control Module References
Engine Data Sensors - 5-Volt and Low Reference - 1 of 2
Module Power, Ground, Serial Data and MIL
Engine Data Sensors - 5-Volt and Low Reference - 1 of 2
Figure 3:

Engine Data Sensors - 5-Volt and Low References - 2 of 2


Object Number: 1753442  Size: FS
Master Electrical Component List
Engine Control Module Description
Control Module References
Engine Data Sensors - Temperature, AI and MAF
Engine Data Sensors - 5-Volt and Low Reference - 1 of 2
Engine Data Sensors - 5-Volt and Low Reference - 1 of 2
Figure 4:

Engine Data Sensors - Temperature, AI, and MAF


Object Number: 1753548  Size: FS
Master Electrical Component List
Engine Control Module Description
Control Module References
Engine Data Sensors - Pressure and High Idle Switch
Engine Data Sensors - 5-Volt and Low Reference - 1 of 2
Ignition Switch - ACCY/RUN, RUN/START Bus Bars and IGN B Fuse
ENG 1, ENG 2 and SPARE Fuses - 4.3L and 6.6L
Figure 5:

Engine Data Sensors - Pressure and High Idle Switch


Object Number: 1753572  Size: FS
Master Electrical Component List
Engine Control Module Description
Control Module References
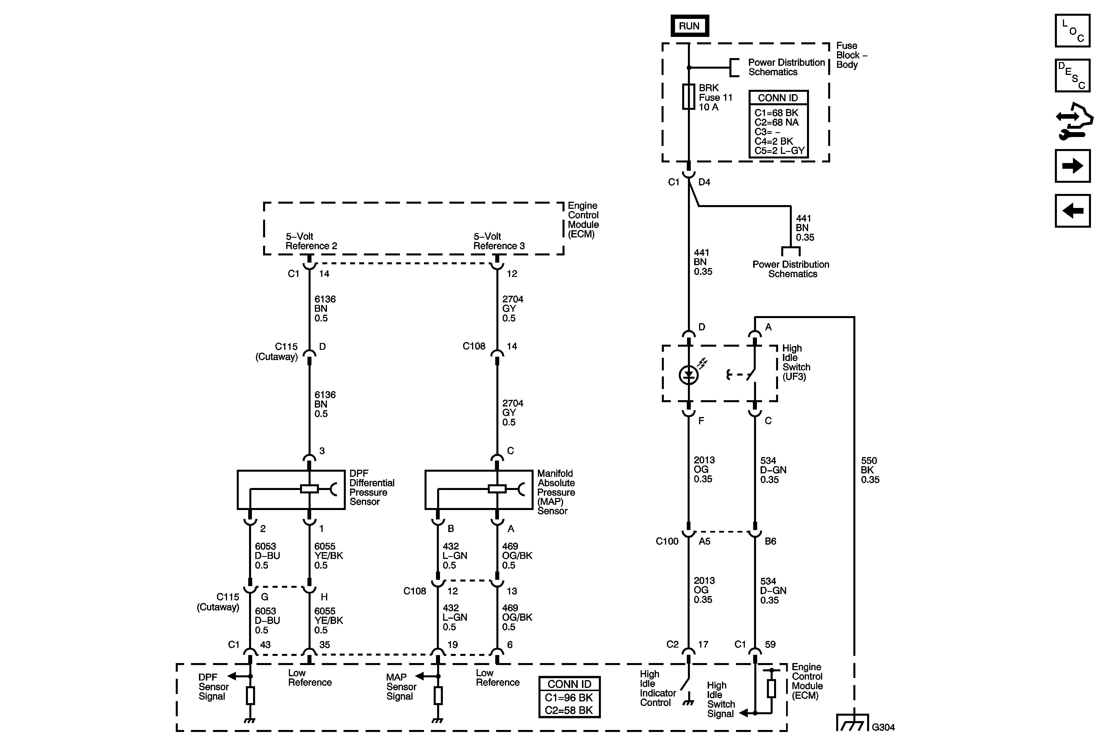
Engine Data Sensors - EGR and Turbocharger Controls
Engine Data Sensors - Temperature, AI and MAF
Ignition Switch - ACCY/RUN/START, RUN, START Bus Bars and IGN A Fuse
BRK, CRNK, FRT WPR, HVAC, ING 0, TBC ACCY and TBC/TCM ACCY Fuses
G304
Figure 6:

Engine Data Sensors - EGR and Turbocharger Controls


Object Number: 1753575  Size: FS
Master Electrical Component List
Engine Control Module Description
Control Module References
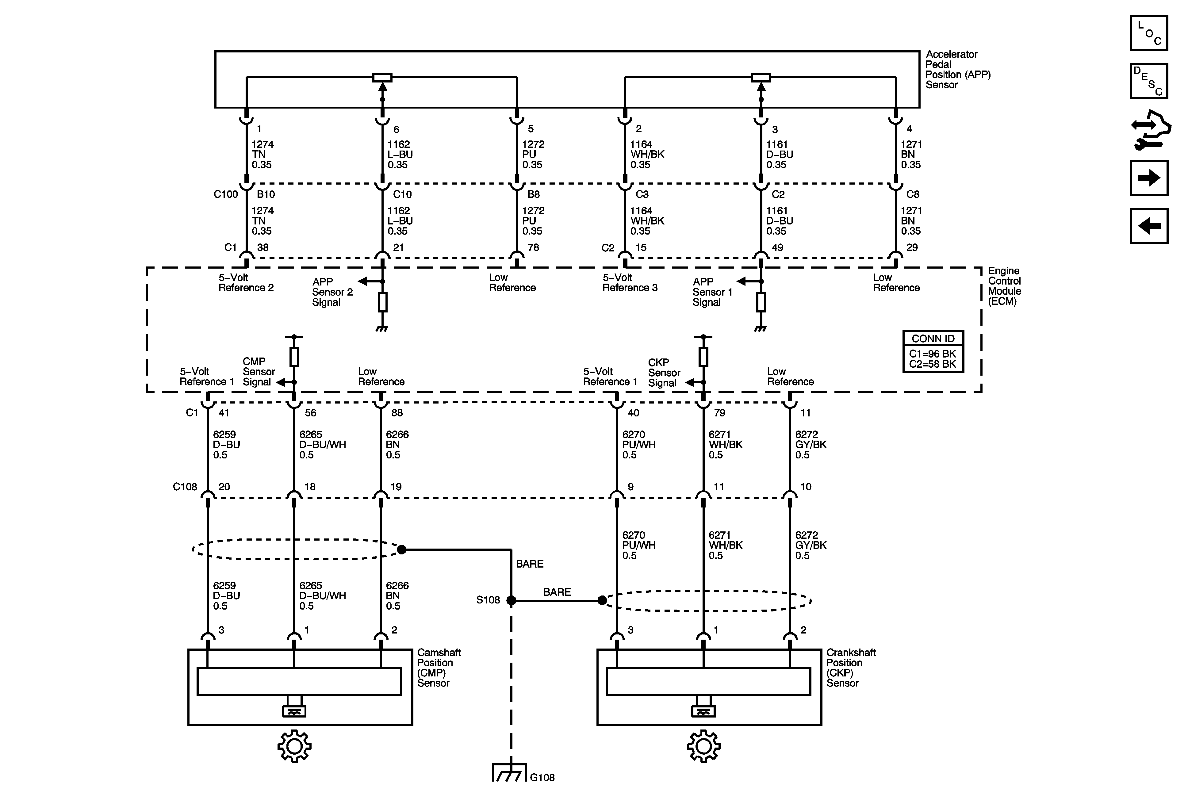
Engine Data Sensors - Pedal Position and Injector Timing
Engine Data Sensors - Pressure and High Idle Switch
Figure 7:

Engine Data Sensors - Pedal Position and Injector Timing


Object Number: 1753584  Size: FS
Master Electrical Component List
Engine Control Module Description
Control Module References
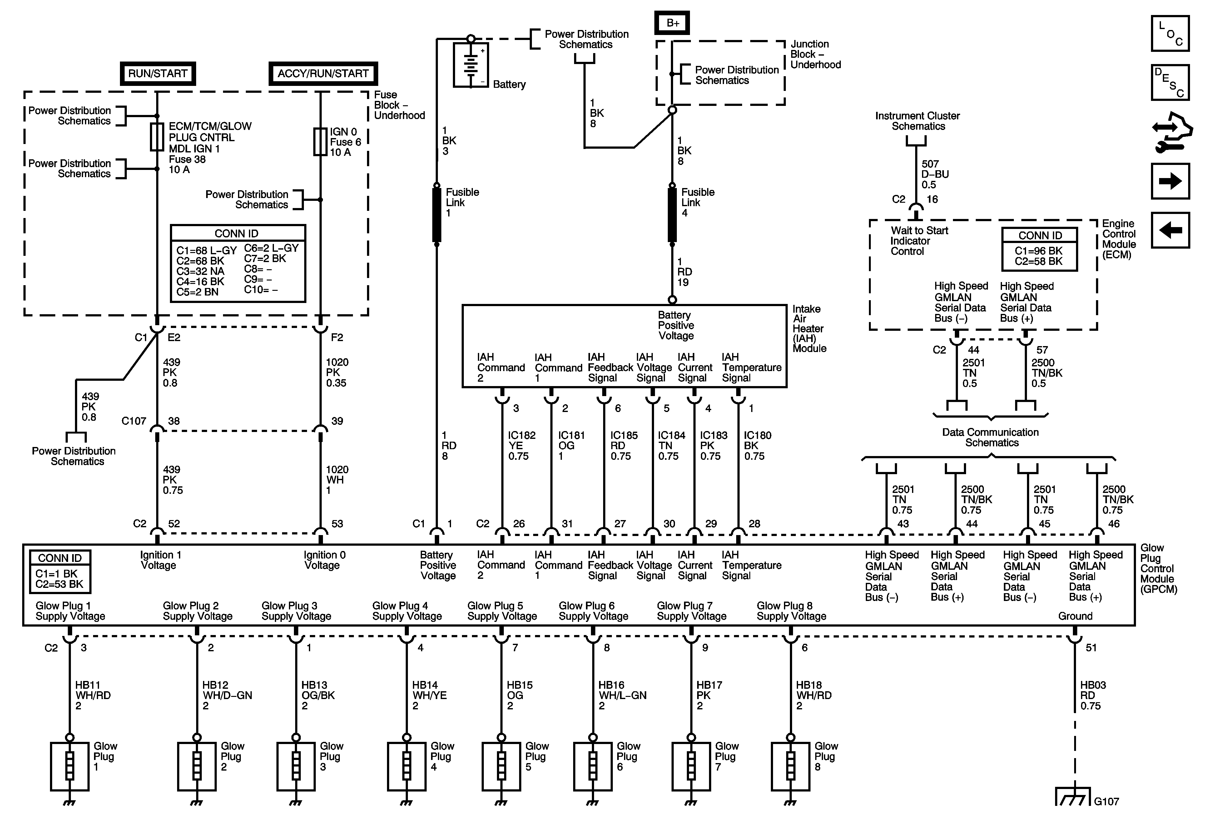
Engine Data Sensors - Glow Plug Controls and the IAH Module
Engine Data Sensors - EGR and Turbocharger Controls
G103, G104, G105, G106, G107, G108, G300, G301 and G305
Figure 8:

Engine Data Sensors - Glow Plug Controls and the IAH Module


Object Number: 1753587  Size: FS
Master Electrical Component List
Engine Control Module Description
Control Module References
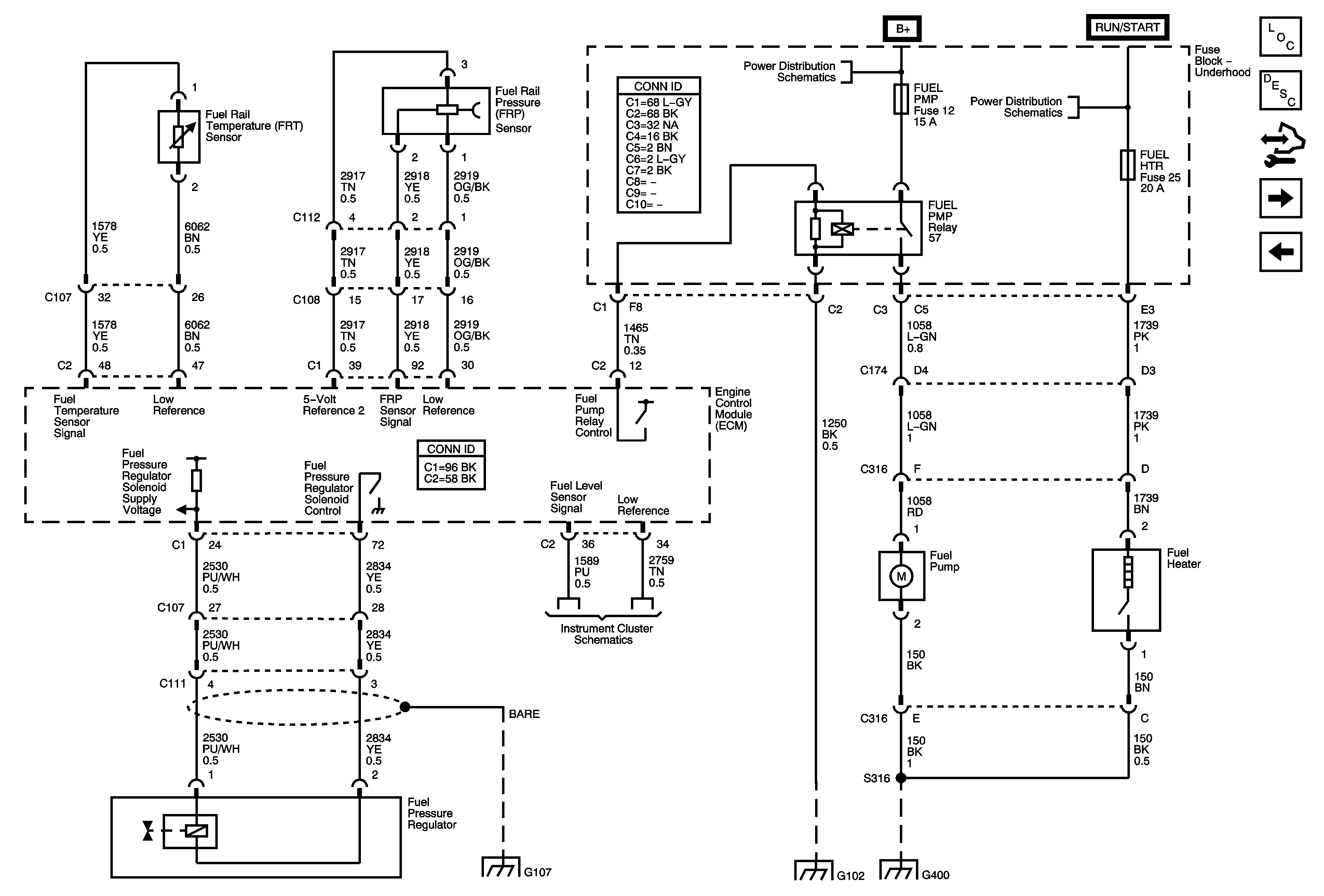
Fuel Controls - Fuel Pump, Temperature and Pressure Controls
Engine Data Sensors - Pedal Position and Injector Timing
Ignition Switch - ACCY/RUN, RUN/START Bus Bars and IGN B Fuse
BTSI, BTSI BCK/UP, ECM/TCM/GLOW PLUG CNTRL MDL IGN 1, FUEL HTR, O2 SNSR A, O2 SNSR B, PCM IGN 1, SPARE and TRLR BCK/UP Fuses
BTSI, BTSI BCK/UP, ECM/TCM/GLOW PLUG CNTRL MDL IGN 1, FUEL HTR, O2 SNSR A, O2 SNSR B, PCM IGN 1, SPARE and TRLR BCK/UP Fuses
BRK, CRNK, FRT WPR, HVAC, ING 0, TBC ACCY and TBC/TCM ACCY Fuses
B+ Bus - Underhood Fuse Block - Diesel
B+ Bus - Underhood Fuse Block - Diesel
Indicators
High Speed GMLAN and Splice Pack SP250 - Diesel
G103, G104, G105, G106, G107, G108, G300, G301 and G305
Figure 9:

Fuel Controls - Fuel Pump, Temperature, and Pressure Controls


Object Number: 1753594  Size: FS
Master Electrical Component List
Engine Control Module Description
Control Module References
Fuel Controls - Fuel Injectors
Engine Data Sensors - Glow Plug Controls and the IAH Module
B+ Bus - Underhood Fuse Block - Diesel
Ignition Switch - ACCY/RUN, RUN/START Bus Bars and IGN B Fuse
Gages
G103, G104, G105, G106, G107, G108, G300, G301 and G305
G102
G400
Figure 10:

Fuel Controls - Fuel Injectors


Object Number: 1753595  Size: FS
Master Electrical Component List
Engine Control Module Description
Control Module References
Controlled/Monitored Subsystem References
Fuel Controls - Fuel Pump, Temperature and Pressure Controls
Engine Controls Schematic Icons
Engine Controls Schematic Icons
Engine Controls Schematic Icons
Engine Controls Schematic Icons
Figure 11:

Controlled/Monitored Subsystem References


Object Number: 1753605  Size: FS
Master Electrical Component List
Engine Control Module Description
Control Module References
Fuel Controls - Fuel Injectors
Power, Ground, Serial Data, Indicator and Stop Lamp Switch - w/o JL4
Starting System - Diesel
Gages
Indicators
Charging System - Diesel
Stop Lamp Switch
6.6L
Shift Controls and PNP Switch
Pressure Controls, Tow/Haul Switch, Temperature and Speed Sensors
Compressor Controls - C60
Wheel Speed Sensors and VSS - w/o JL4
Engine Cooling Schematics (6.6L)