GM Service Manual Online
For 1990-2009 cars only
Figure 1:

Ambient Light Sensor, Headlamp Controls and Switches


Object Number: 1778157  Size: FS
Master Electrical Component List
Exterior Lighting Systems Description and Operation
Control Module References
Headlamps
Indicators
OnStar Schematics
Interior Lights Dimming Schematics
Fog Lights Schematics
Hazard Switch, Park Lamp Control, and Turn Signal/Stop Lamp Inputs
G106
Figure 2:

Headlamps


Object Number: 1778264  Size: FS
Master Electrical Component List
Exterior Lighting Systems Description and Operation
Control Module References
Ambient Light Sensor, Headlamp Controls and Switches
B+ Bus - Underhood Fuse Block - 2 of 2
G105
G105
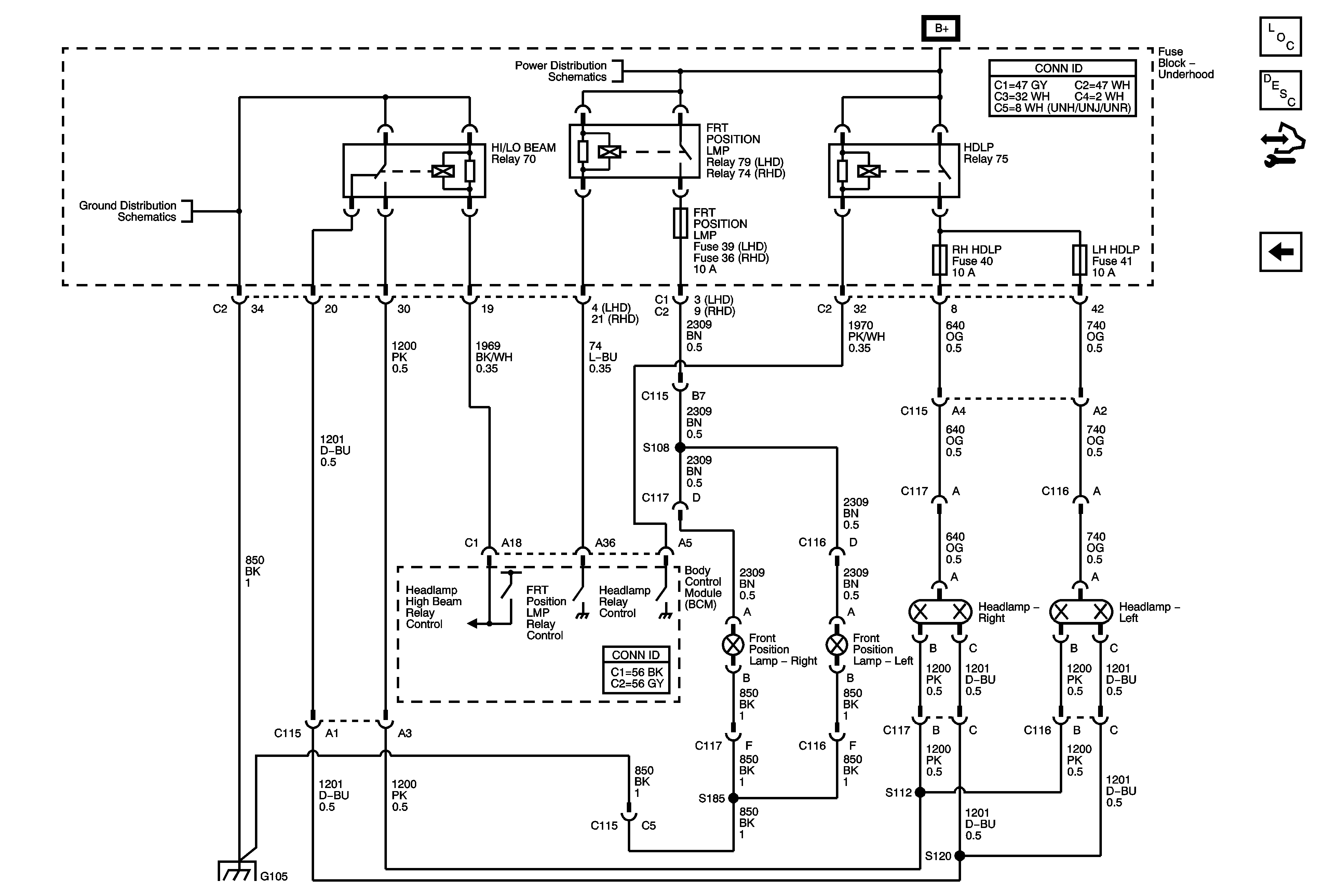
Figure 3:

Headlamps/Front Position Lamps


Object Number: 1868582  Size: FS
Master Electrical Component List
Exterior Lighting Systems Description and Operation
Control Module References
Headlamps
B+ Bus - Underhood Fuse Block - 1 of 2
G105
G105 - Export