GM Service Manual Online
For 1990-2009 cars only

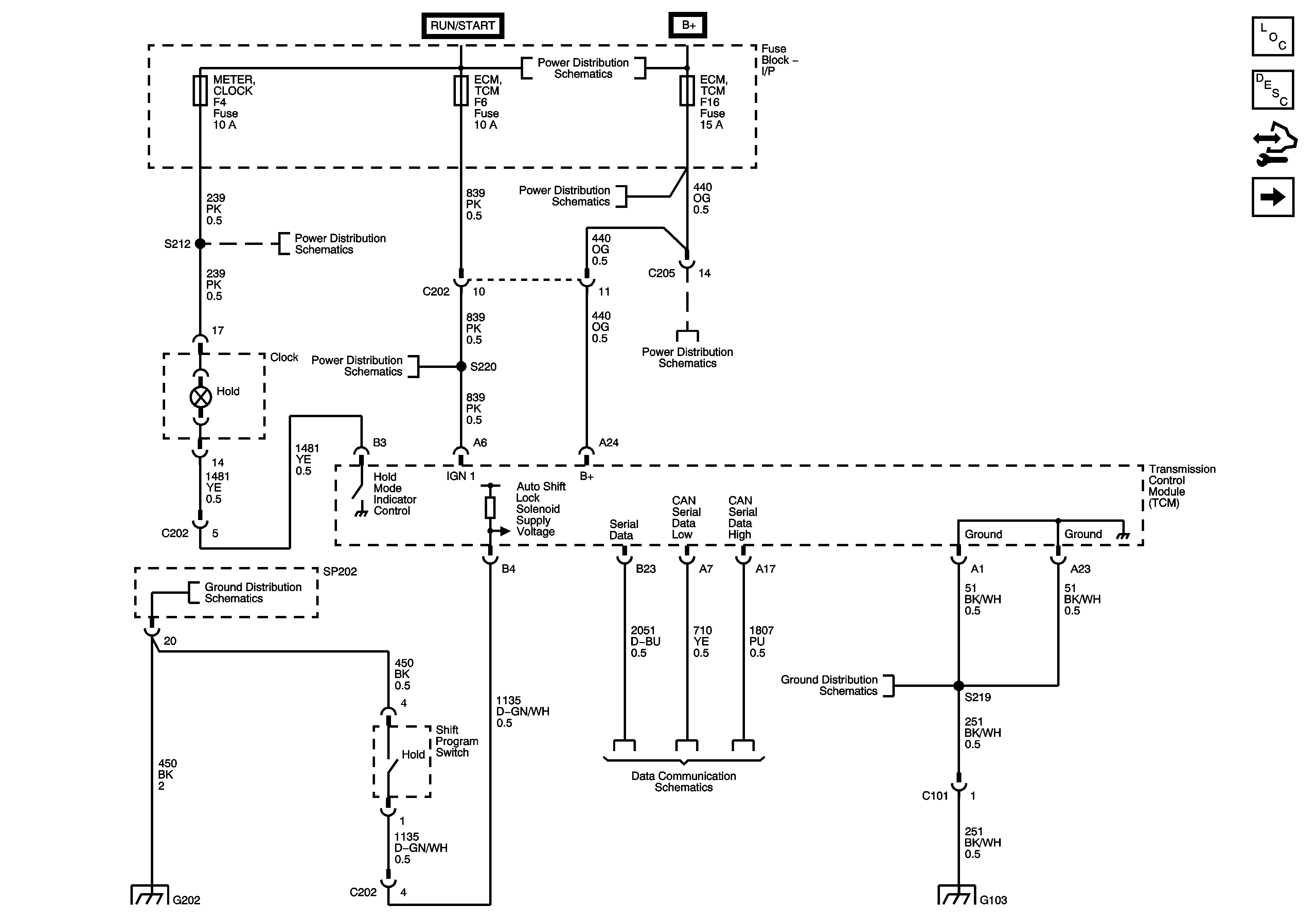
Automatic Transmission Controls Schematics Hatchback

Figure 1:

Ground, Power, Serial Data, Shift Program Switch


Object Number: 1945982  Size: FS
Master Electrical Component List Hatchback
Transmission General Description
Control Module References
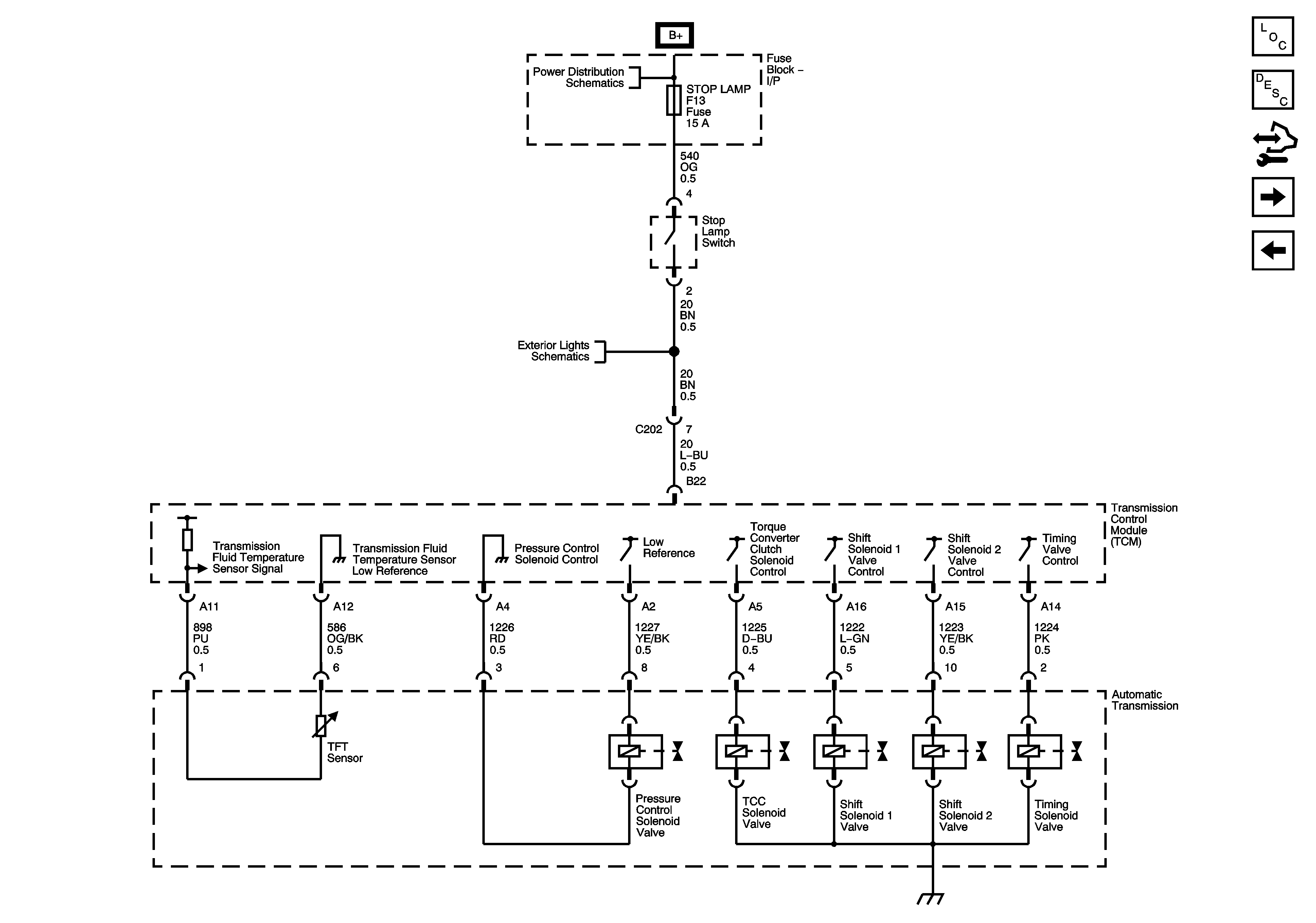
Stop Lamp Switch and Transaxle Valves
Ignition Switch and Fuses EF5, F1, 2, 3, 4, 5, 8, and 11
Fuse Block - Underhood I/P Fuse, Fuse Block - I/P, CLK/RADIO, CLSTR HAZRD, DR/LCK, ECM TCM, HORN, REAR/FOG, STOP Fuses
Fuse Block - Underhood I/P Fuse, Fuse Block - I/P, CLK/RADIO, CLSTR HAZRD, DR/LCK, ECM TCM, HORN, REAR/FOG, STOP Fuses
Ignition Switch and Fuses EF5, F1, 2, 3, 4, 5, 8, and 11
Fuse Block - Underhood IGN 2 Fuse, Ignition Switch, Fuse Block - I/P, ABS, ALTERNATOR, ECM TCM, HVAC, WPR WSWA Fuses
Fuse Block - Underhood I/P Fuse, Fuse Block - I/P, CLK/RADIO, CLSTR HAZRD, DR/LCK, ECM TCM, HORN, REAR/FOG, STOP Fuses
Ground Distribution G202 - 1 of 3
Ground Distrbution G103 - 1.2L
Data Communication Schematics
Ground Distribution G202 - 1 of 3
Figure 2:

Stop Lamp Switch and Solenoids


Object Number: 2035342  Size: FS
Master Electrical Component List Hatchback
Transmission General Description
Control Module References
Vehicle Speed Signal (VSS)
Power and Grounds
Battery Feed
Lamp Control Module
Figure 3:

ISS, VSS


Object Number: 1946068  Size: FS
Master Electrical Component List Hatchback
Transmission General Description
Control Module References
PNP Switch
Stop Lamp Switch and Transaxle Valves
Fuse Block - Underhood IGN 2 Fuse, Ignition Switch, Fuse Block - I/P, ABS, ALTERNATOR, ECM TCM, HVAC, WPR WSWA Fuses
Fuse Block - Underhood IGN 2 Fuse, Ignition Switch, Fuse Block - I/P, ABS, ALTERNATOR, ECM TCM, HVAC, WPR WSWA Fuses
Ground Distrbution G103 - 1.2L
Ground Distrbution G103 - 1.2L
Figure 4:

PNP Switch


Object Number: 1630195  Size: FS
Master Electrical Component List Hatchback
Vehicle Speed Signal (VSS)
Battery Feed
Starting System
Battery Feed
Ground Distribution G101, G102 - 1 of 2 and G105
Park Lamps
Ground Distrbution G103 - 1.2L

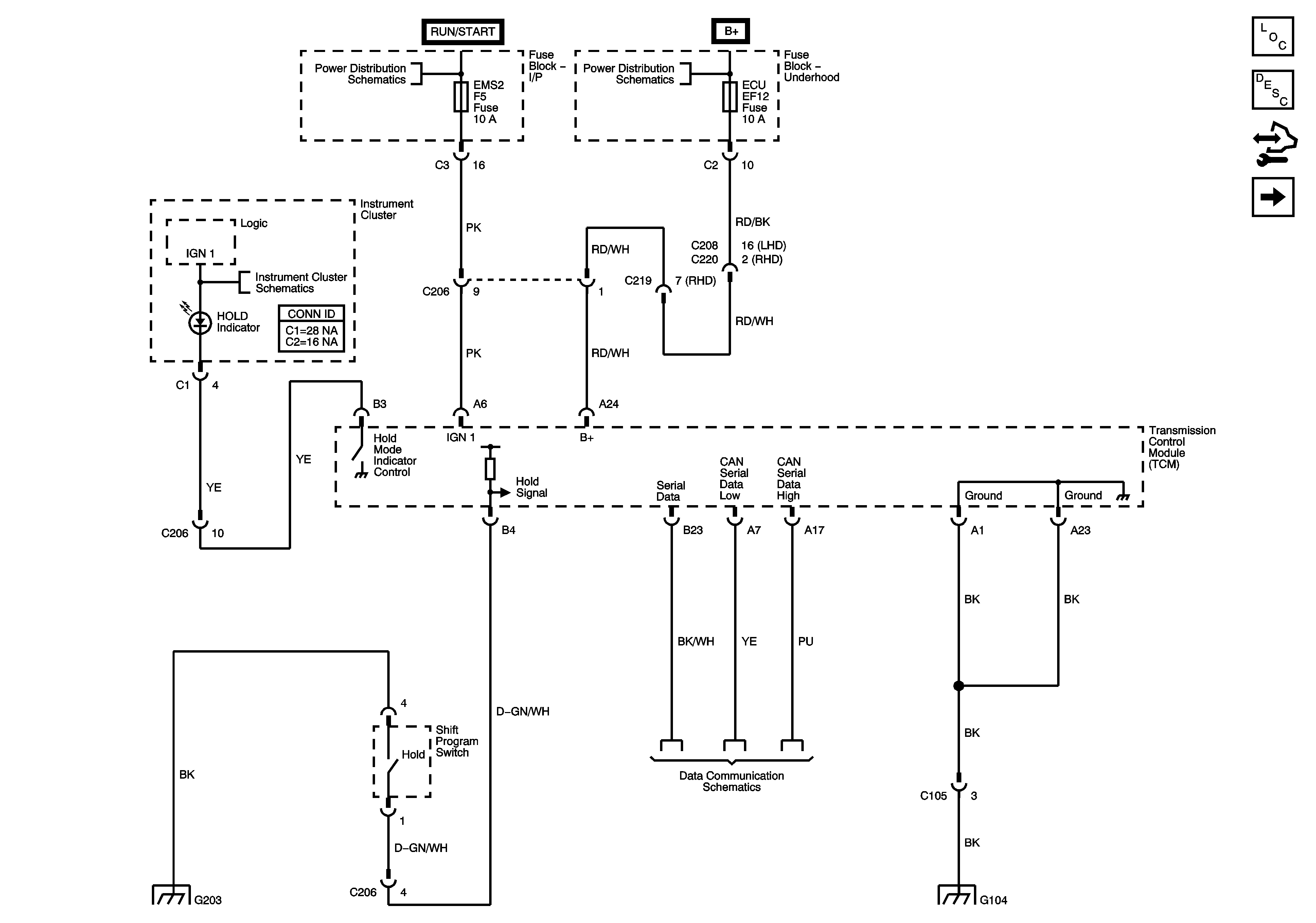
Automatic Transmission Controls Schematics Notchback

Figure 1:

Ground, Power, Serial Data, Shift Program Switch


Object Number: 1945975  Size: FS
Master Electrical Component List Notchback
Electronic Component Description
Control Module References
Pressure, TCC, Shift, Timing Solenoid Valves and TFT Sensor
SDM, EMS 1, EMS 2 Fuses
ABS, HAZARD, ECU, FUEL PUMP Fuses
Instrument Cluster
Data Communication Schematics
G203
G104
Figure 2:

Pressure, TCC, Shift, Timing Solenoid Valves and TFT Sensor


Object Number: 1736659  Size: FS
Master Electrical Component List Notchback
Control Module References
Vehicle and Input Shaft Speed Sensors
Transmission Control Module (TCM) Power and Ground Distribution, Serial Data and Shift Program Switch
Headlamp, Fog Lamp Relays and Fuses, BATT Fuse
Park and Turn Indicator Lamps
Power, Ground, MIL, Serial Data
Figure 3:

Vehicle and Input Shaft Speed Sensors


Object Number: 1736661  Size: FS
Master Electrical Component List (Notchback)
Control Module References
Park Neutral Position Switch
Pressure, TCC, Shift, Timing Solenoid Valves and TFT Sensor
SDM, EMS 1, EMS 2 Fuses
G104
Figure 4:

Park Neutral Position (PNP)


Object Number: 1736662  Size: FS
Master Electrical Component List (Notchback)
Control Module References
Vehicle and Input Shaft Speed Sensors
ACC/IG 1 Fuse, Ignition Switch, B/UP LAMP, ELEC MIRROR Fuses
Starting System
G104