GM Service Manual Online
For 1990-2009 cars only
Figure 1:

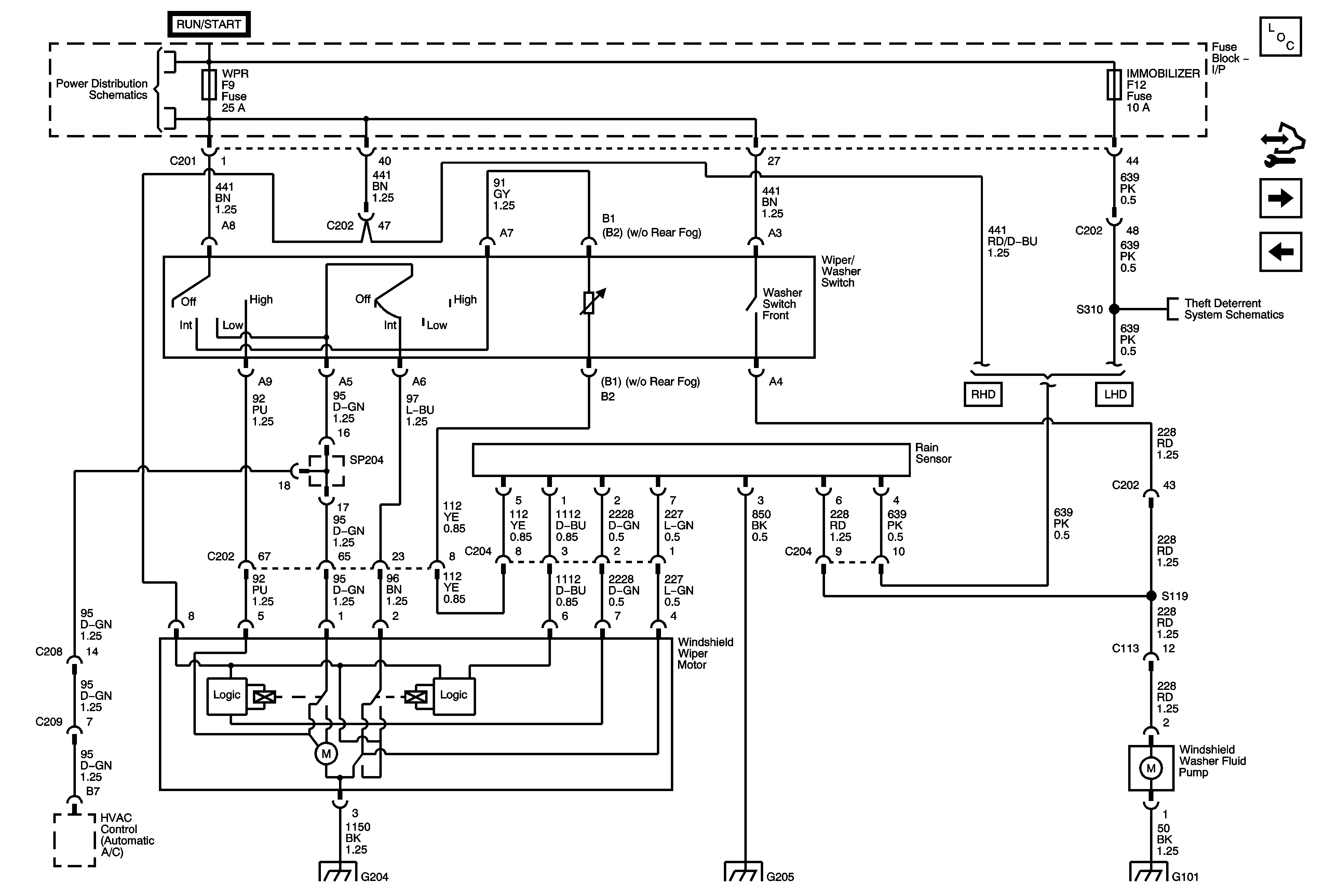
Wiper System - Notchback


Object Number: 1708737  Size: FS
Master Electrical Component List
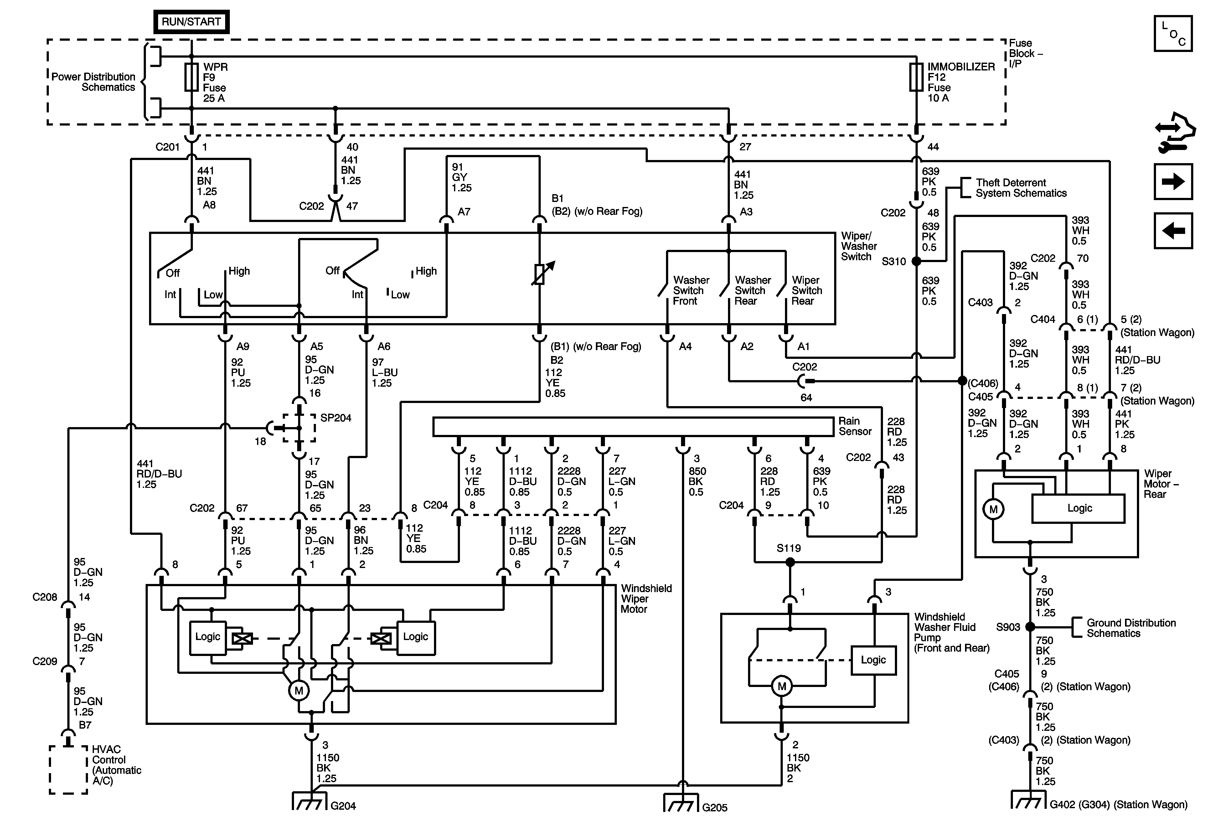
Wiper System - Hatchback and Station Wagon
I/P Fuse Block ABS IMMOBILIZER, WRP, and TRN SIG LAMPS Fuses
G101
G303 Notchback RHD
Figure 2:

Wiper System - Hatchback and Station Wagon


Object Number: 1708738  Size: FS
Master Electrical Component List
Wiper System - Hatchback and Station Wagon w/Intermittent
Wiper System - Notchback
I/P Fuse Block ABS IMMOBILIZER, WRP, and TRN SIG LAMPS Fuses
G303, G401
G402 Hatchback Tailgate
G402 Hatchback Tailgate
Figure 3:

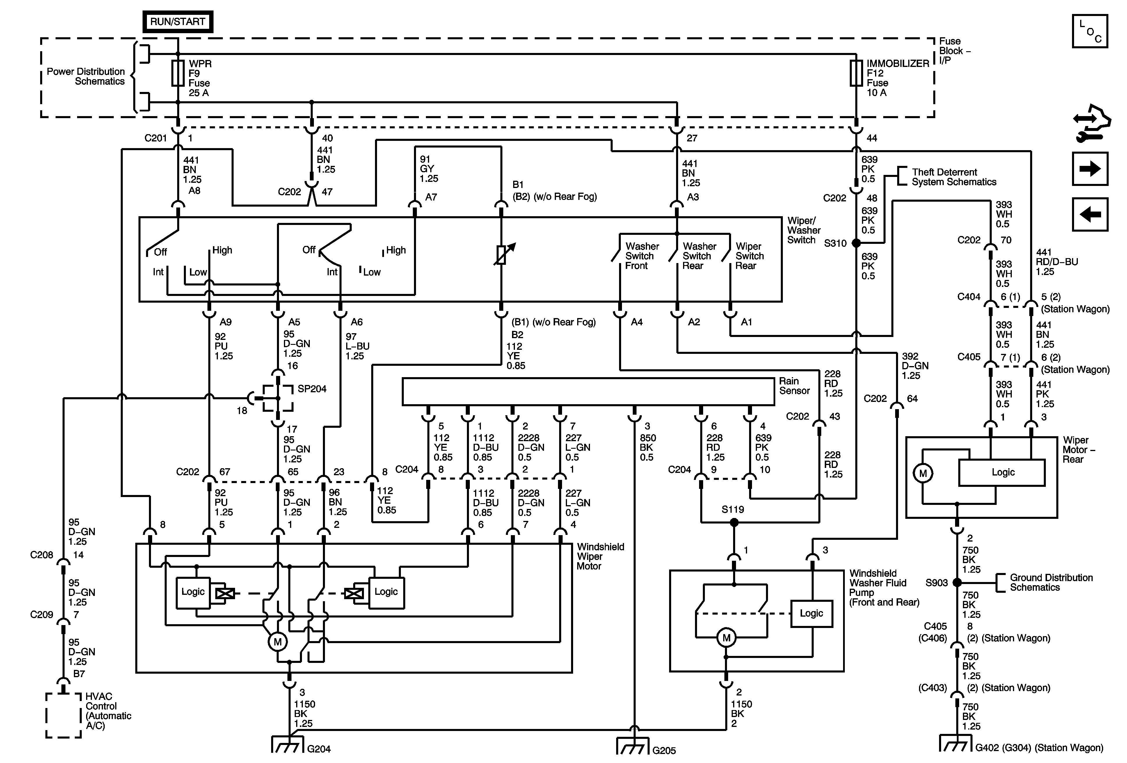
Wiper System - Hatchback and Station Wagon w/Intermittent


Object Number: 1708739  Size: FS
Master Electrical Component List
Wiper System - Hatchback and Station Wagon
I/P Fuse Block ABS IMMOBILIZER, WRP, and TRN SIG LAMPS Fuses
G303, G401
G402 Hatchback Tailgate
G402 Hatchback Tailgate
Figure 4:

Wiper System - Notchback w/Rain Sensor


Object Number: 1708740  Size: FS
Master Electrical Component List
Hatchback and Station Wagon w/Rain Sensor
Wiper System - Hatchback and Station Wagon w/Intermittent
I/P Fuse Block ABS IMMOBILIZER, WRP, and TRN SIG LAMPS Fuses
Remote Control Door LK Receiver
G101
G303, G401
G204, G301
Figure 5:

Wiper System - Hatchback and Station Wagon w/Rain Sensor


Object Number: 1708742  Size: FS
Master Electrical Component List
Hatchback and Station Wagon w/Intermittent and Rain Sensor
Notchback w/Rain Sensor
I/P Fuse Block ABS IMMOBILIZER, WRP, and TRN SIG LAMPS Fuses
Remote Control Door LK Receiver
G204, G301
G303, G401
G402 Hatchback Tailgate
G402 Hatchback Tailgate
Figure 6:

Wiper System - Hatchback and Station Wagon w/Intermittent and Rain Sensor


Object Number: 1708743  Size: FS
Master Electrical Component List
Hatchback and Station Wagon w/Rain Sensor
I/P Fuse Block ABS IMMOBILIZER, WRP, and TRN SIG LAMPS Fuses
Remote Control Door LK Receiver
G204, G301
G303, G401
G402 Hatchback Tailgate
G402 Hatchback Tailgate