GM Service Manual Online
For 1990-2009 cars only
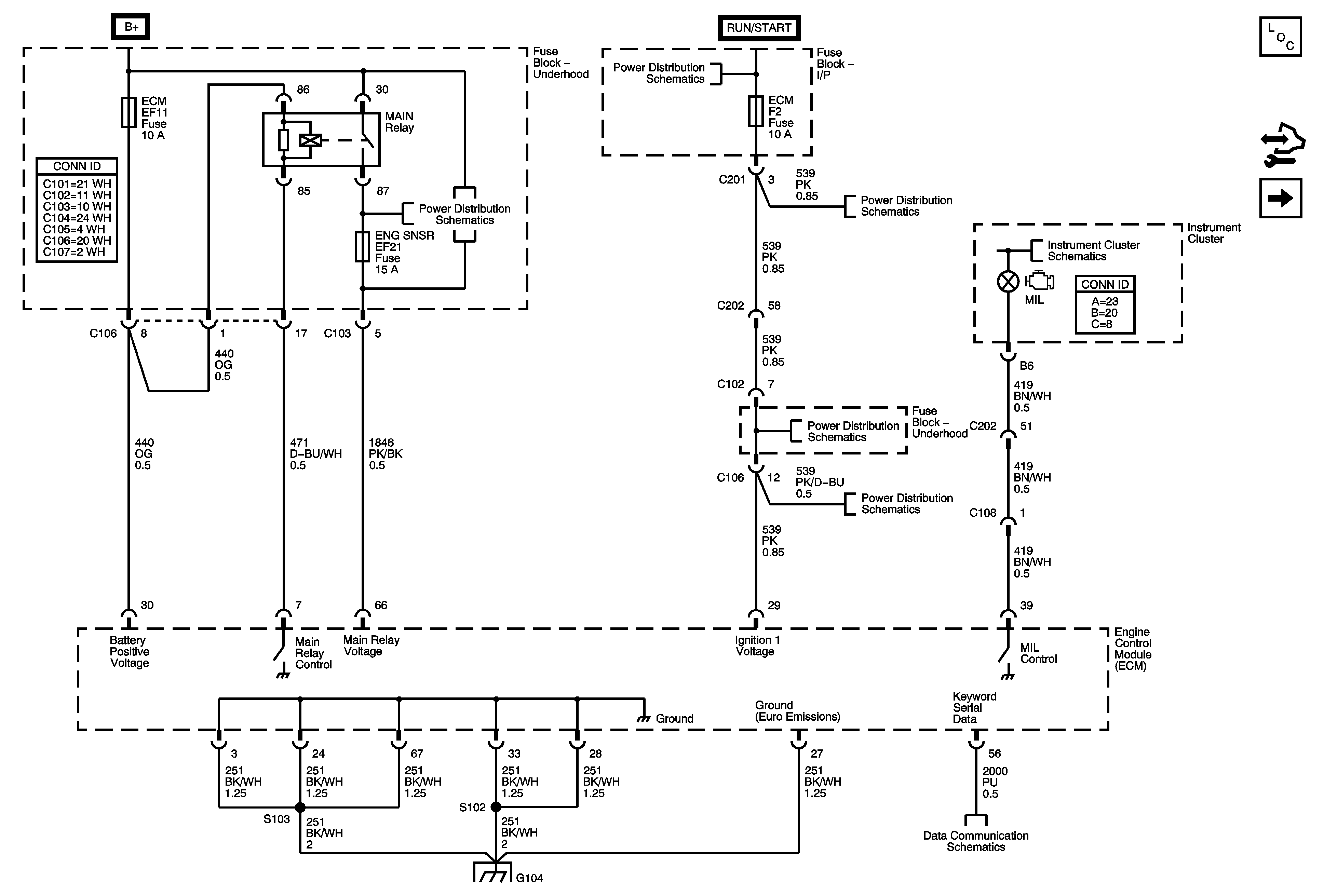
Figure 1:

Module Power, Ground, Serial Data, Malfunction Indicator Lamp (MIL)


Object Number: 1844956  Size: FS
Master Electrical Component List
Control Module References
Engine Data Sensors Pressure and Temperature
Underhood Fuse Block - Battery Feeds - 1of 2
Underhood Fuse Block - Battery Feeds - 1of 2
Underhood Fuse Block - Battery Feeds - 1of 2
Power, Ground, I/P Illumination, Door Open Indicators
Underhood Fuse Block - Battery Feeds - 1of 2
Underhood Fuse Block - Battery Feeds - 1of 2
G104
Data Communications Schematics
Figure 2:

Engine Data Sensors - Pressure and Temperature


Object Number: 1471559  Size: FS
Master Electrical Component List
Oxygen Sensors (O2S)
Module Power, Ground, Serial Data, Malfunction Indicator Lamp (MIL)
Manual Transmission Schematics
Figure 3:

Oxygen Sensors (O2S)


Object Number: 1471560  Size: FS
Master Electrical Component List
Ignition System
Engine Data Sensors Pressure and Temperature
Underhood Fuse Block - Battery Feeds - 1of 2
Engine Data Sensors Pressure and Temperature
Figure 4:

Ignition System


Object Number: 1471561  Size: FS
Master Electrical Component List
CMP, CKP, Knock, Rough Road Sensors, Power Steering Pressure Switch
Oxygen Sensors (O2S)
Underhood Fuse Block - Battery Feeds - 1of 2
Power, Ground, I/P Illumination, Door Open Indicators
G104
Figure 5:

CMP, CKP, Knock, Rough Road Sensors, Power Steering Pressure Switch


Object Number: 1650838  Size: FS
Master Electrical Component List
Engine Data Sensors Main Throttle Intake Actuator (MTIA)
Ignition System
Underhood Fuse Block - Battery Feeds - 1of 2
Power, Ground, Wheel Speed Sensor
Figure 6:

Engine Data Sensors - Main Throttle Intake Actuator (MTIA)


Object Number: 1471564  Size: FS
Master Electrical Component List
Fuel Controls and Fuel Injectors
CMP, CKP, Knock, Rough Road Sensors, Power Steering Pressure Switch
Figure 7:

Fuel Pump Controls and Fuel Injectors


Object Number: 1471565  Size: FS
Master Electrical Component List
Intake Manifold Tuning Valve, EVAP, EGR, Octane Selection Switch
Engine Data Sensors Main Throttle Intake Actuator (MTIA)
Underhood Fuse Block - Battery Feeds - 1of 2
Underhood Fuse Block - Battery Feeds - 1of 2
Underhood Fuse Block - Battery Feeds - 1of 2
Underhood Fuse Block - Battery Feeds - 1of 2
Underhood Fuse Block - Battery Feeds - 1of 2
Underhood Fuse Block - Battery Feeds - 1of 2
Power, Ground, I/P Illumination, Door Open Indicators
G302
Figure 8:

Intake Manifold Tuning Valve, EVAP, EGR, Octane Selection Switch


Object Number: 1650839  Size: FS
Master Electrical Component List
Control Module References
Controlled/Monitored Subsystem References
Fuel Controls and Fuel Injectors
Underhood Fuse Block - Battery Feeds - 1of 2
Underhood Fuse Block - Battery Feeds - 1of 2
Underhood Fuse Block - Battery Feeds - 1of 2
Underhood Fuse Block - Battery Feeds - 1of 2
Underhood Fuse Block - Battery Feeds - 1of 2
G104
Figure 9:

Controlled/Monitored Subsystem References


Object Number: 1471567  Size: FS
Master Electrical Component List
Intake Manifold Tuning Valve, EVAP, EGR, Octane Selection Switch
Power, Ground, I/P Illumination, Door Open Indicators
Single Fan
Blower Controls
Blower Controls
Module Power, Ground, Malfunction Indicator Lamp (MIL), Hold Lamp and Serial Data