GM Service Manual Online
For 1990-2009 cars only
Figure 1:

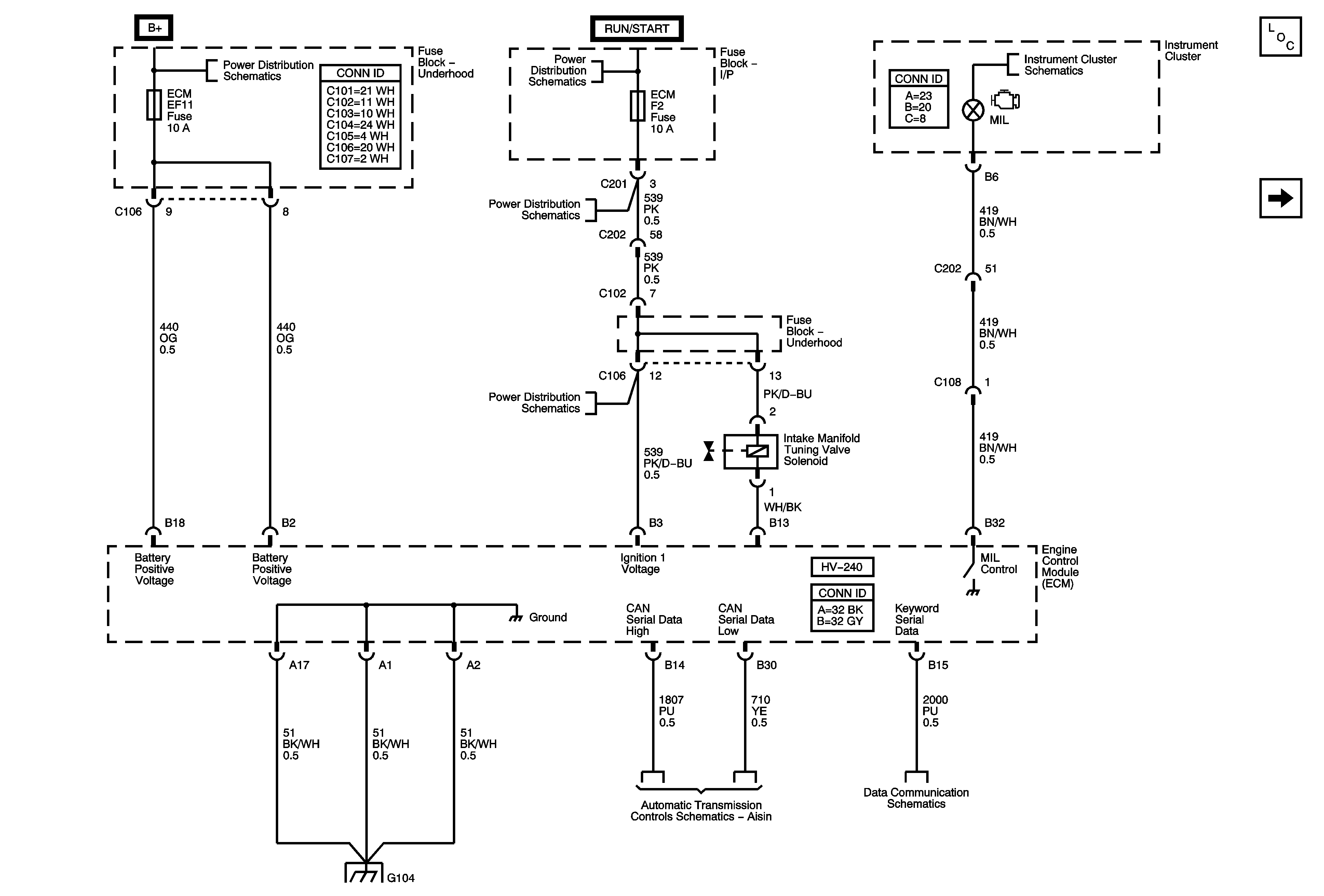
Module Power, Ground, Serial Data, Malfunction Indicator Lamp (MIL)


Object Number: 1844966  Size: FS
Master Electrical Component List
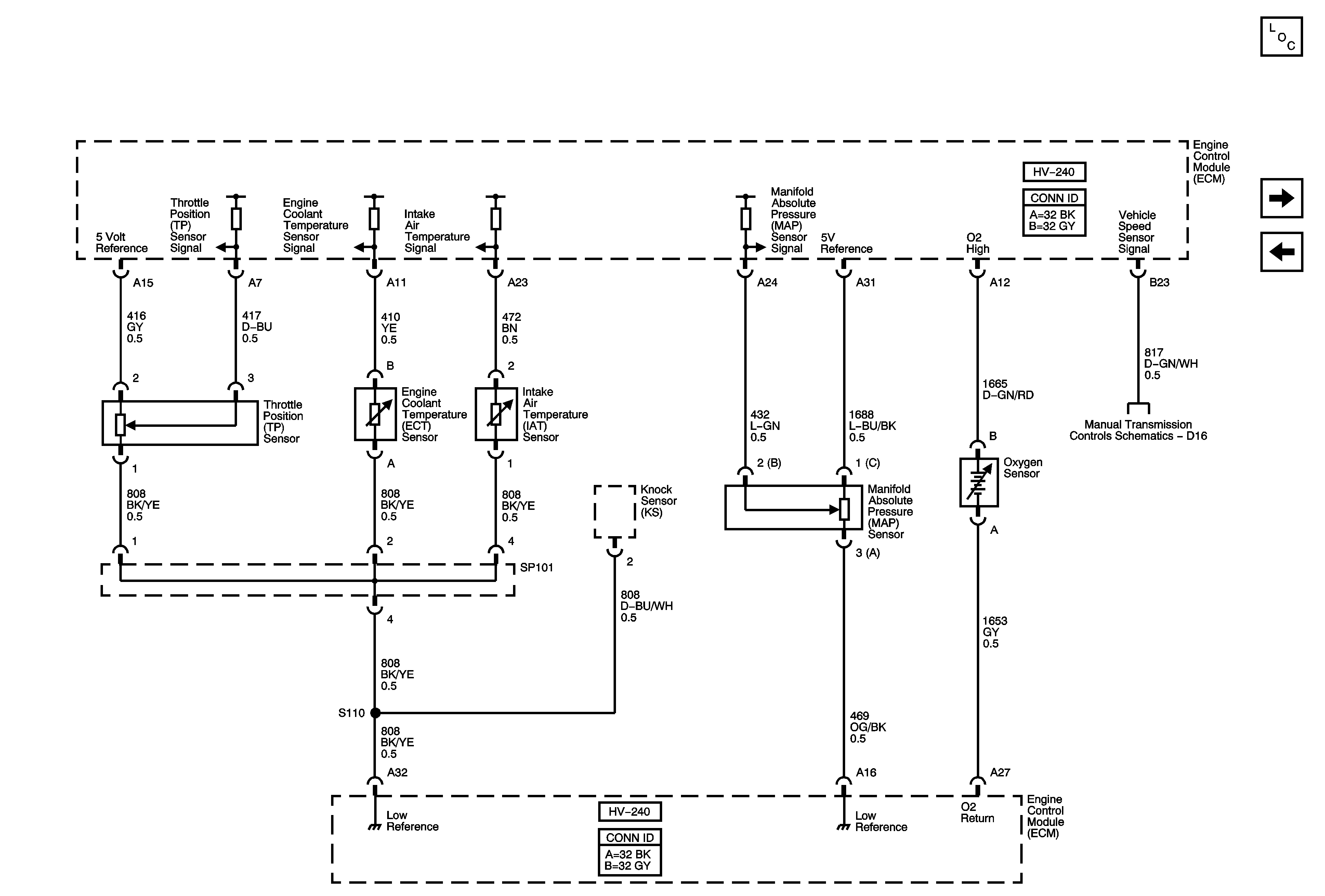
TP, ECT, IAT, MAP, Oxygen Sensors (O2S)
Underhood Fuse Block - Battery Feeds - 1of 2
Underhood Fuse Block - Battery Feeds - 1of 2
Underhood Fuse Block - Battery Feeds - 1of 2
Underhood Fuse Block - Battery Feeds - 1of 2
Power, Ground, I/P Illumination, Door Open Indicators
G104
Module Power, Ground, Malfunction Indicator Lamp (MIL), Hold Lamp and Serial Data
Data Communications Schematics
Figure 2:

TP, ECT, IAT, MAP, Oxygen Sensors (O2S)


Object Number: 1844967  Size: FS
Master Electrical Component List
Ignition System
Module Power, Ground, Serial Data, Malfunction Indicator Lamp (MIL)
Manual Transmission Schematics
Figure 3:

Ignition System


Object Number: 1471548  Size: FS
Master Electrical Component List
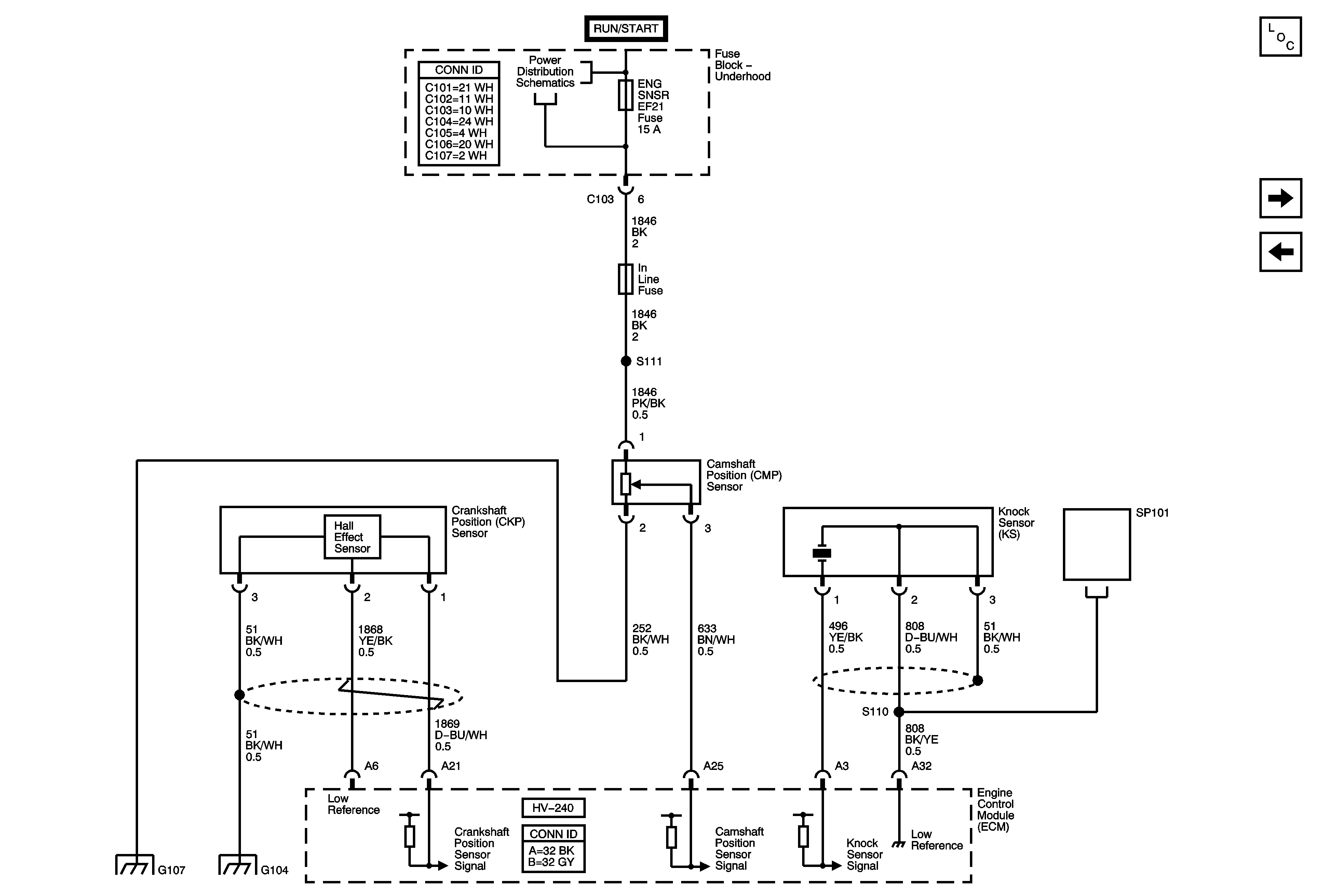
CKP, CMP, Knock
TP, ECT, IAT, MAP, Oxygen Sensors (O2S)
Underhood Fuse Block - Battery Feeds - 1of 2
Power, Ground, I/P Illumination, Door Open Indicators
Figure 4:

CKP, CMP, Knock


Object Number: 1844968  Size: FS
Master Electrical Component List
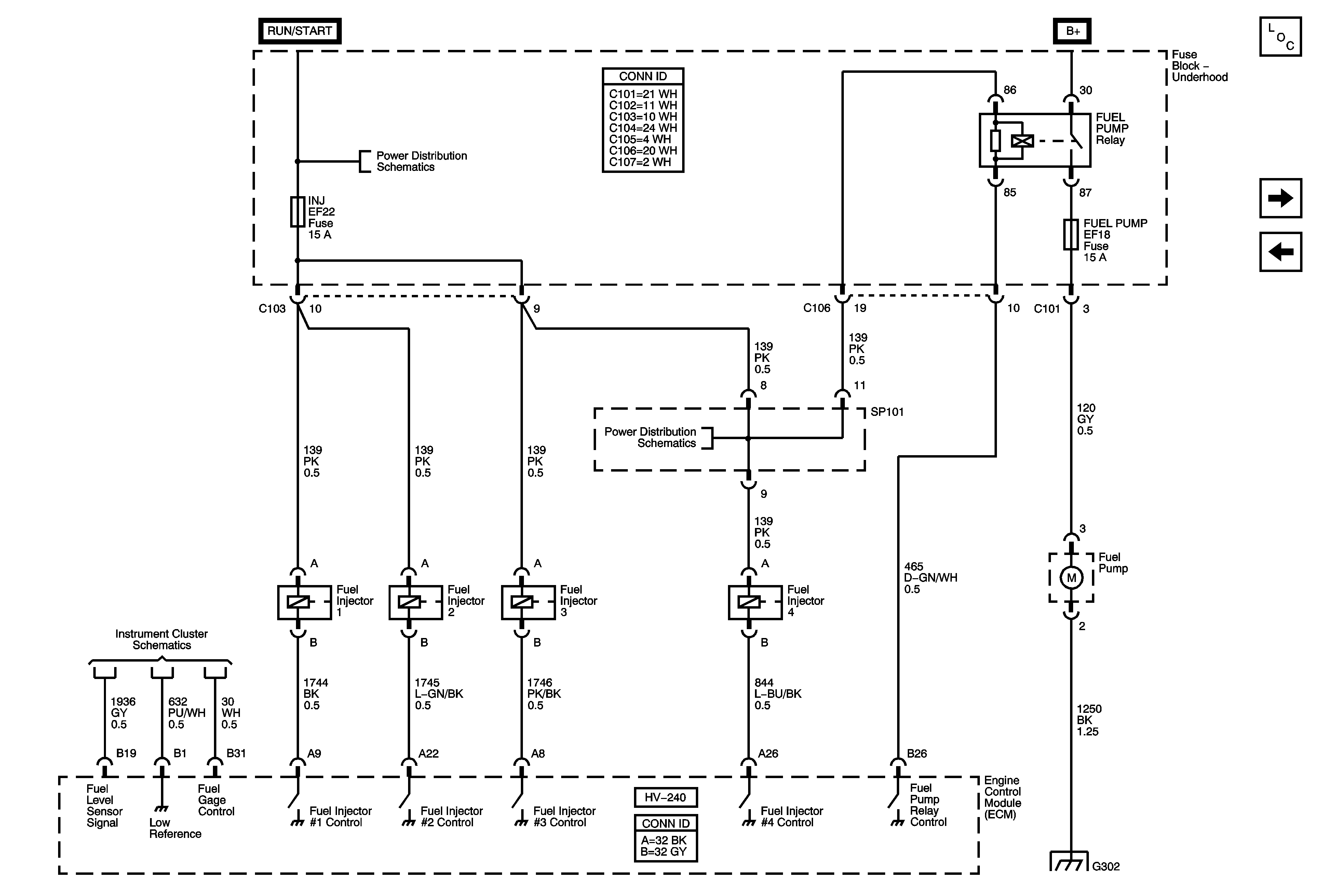
Fuel Pump and Fuel Injectors
Ignition System
Underhood Fuse Block - Battery Feeds - 1of 2
G106, G107
G104
Figure 5:

Fuel Pump and Fuel Injectors


Object Number: 1844969  Size: FS
Master Electrical Component List
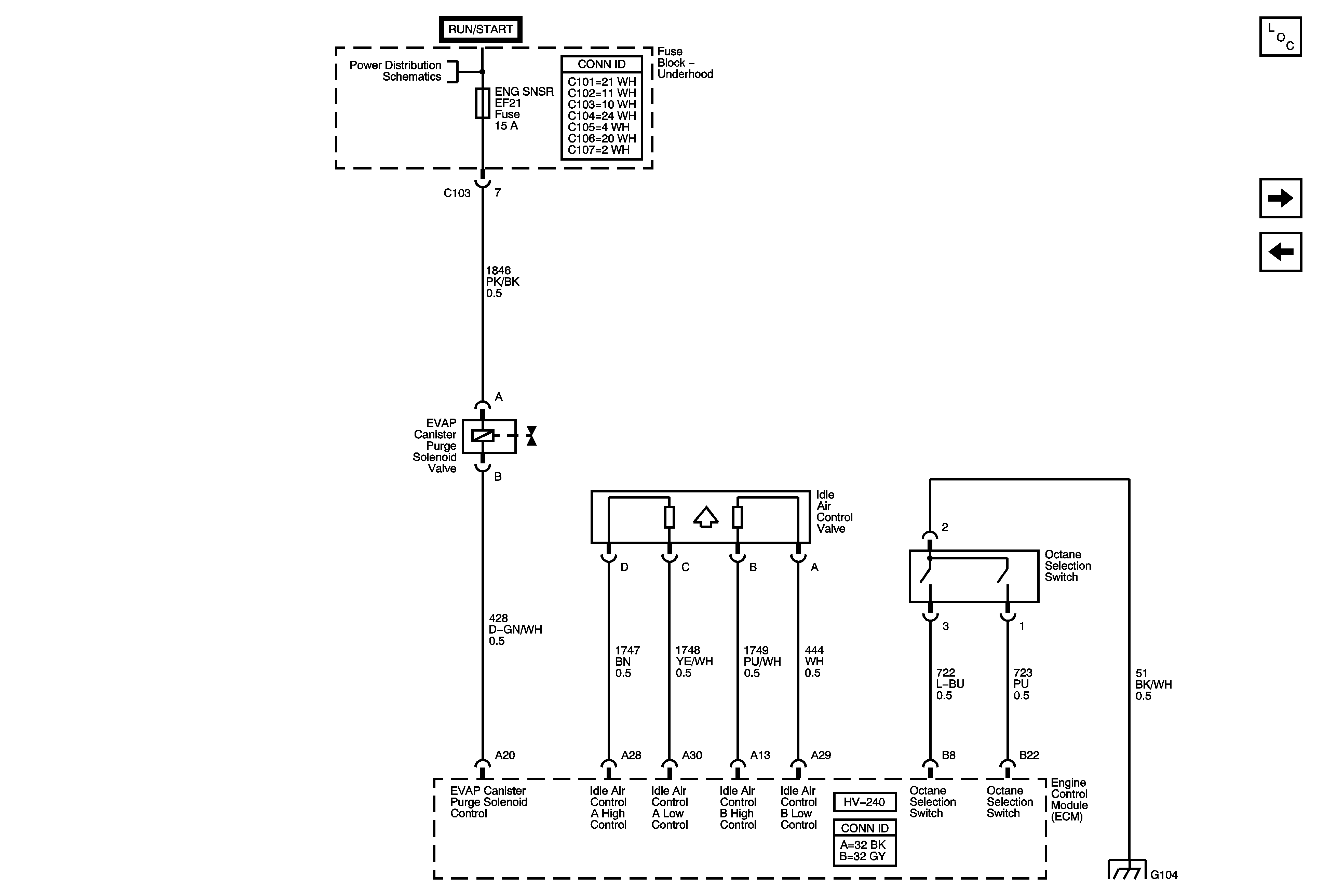
EGR, EVAP, IAC, Octane Selection Switch
CKP, CMP, Knock
Underhood Fuse Block - Battery Feeds - 1of 2
Underhood Fuse Block - Battery Feeds - 1of 2
Power, Ground, I/P Illumination, Door Open Indicators
G302
Figure 6:

EGR, EVAP, IAC, Octane Selection Switch


Object Number: 1844970  Size: FS
Master Electrical Component List
Controlled/Monitored Subsystem References
Fuel Pump and Fuel Injectors
Underhood Fuse Block - Battery Feeds - 1of 2
G104
Figure 7:

Controlled/Monitored Subsystem References


Object Number: 1471578  Size: FS
Master Electrical Component List
Fuel Pump and Fuel Injectors
Power, Ground, I/P Illumination, Door Open Indicators
Single Fan
Blower Controls
Blower Controls