GM Service Manual Online
For 1990-2009 cars only
Figure 1:

Wiper System - Notchback


Object Number: 1963029  Size: FS
Master Electrical Component List
Control Module References
Wiper System hatchback and Station Wagon
Fuse Block - Underhood B+ Bus, 1 of 3
G202, G204
G101
Figure 2:

Wiper System - Hatchback and Station Wagon


Object Number: 1963030  Size: FS
Master Electrical Component List
Control Module References
Wiper System Hatchback and Station Wagon w/Intermittent
Wiper System - Notchback
Fuse Block - Underhood B+ Bus, 1 of 3
G202, G204
G101
G304
G402
Figure 3:

Wiper System - Hatchback and Station Wagon w/Intermittent


Object Number: 1963031  Size: FS
Master Electrical Component List
Control Module References
Wiper System Notchback w/Rain Sensor
Wiper System hatchback and Station Wagon
Fuse Block - Underhood B+ Bus, 1 of 3
G202, G204
G101
G304
G402
Figure 4:

Wiper System - Notchback w/Rain Sensor


Object Number: 1963032  Size: FS
Master Electrical Component List
Control Module References
Wiper System Hatchback and Station Wagon w/Rain Sensor
Wiper System Hatchback and Station Wagon w/Intermittent
Fuse Block - Underhood B+ Bus, 1 of 3
Remote Function
G202, G204
G205, G301
G101
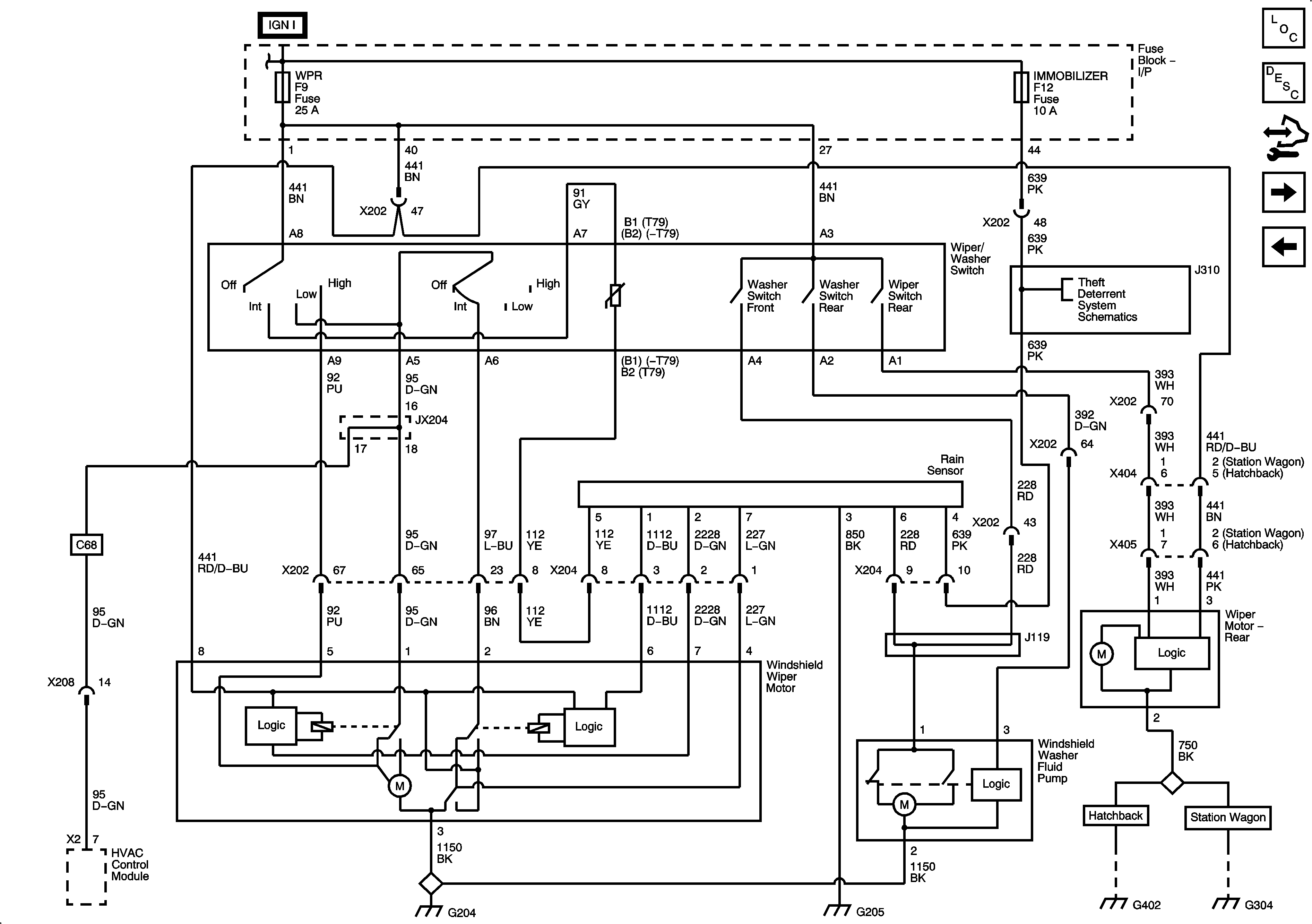
Figure 5:

Wiper System - Hatchback and Station Wagon w/Rain Sensor


Object Number: 1963033  Size: FS
Master Electrical Component List
Control Module References
Wiper System Hatchback and Station Wagon w/Intermittent and Rain Sensor
Wiper System Notchback w/Rain Sensor
Fuse Block - Underhood B+ Bus, 1 of 3
Remote Function
G101
G202, G204
G205, G301
G304
G402
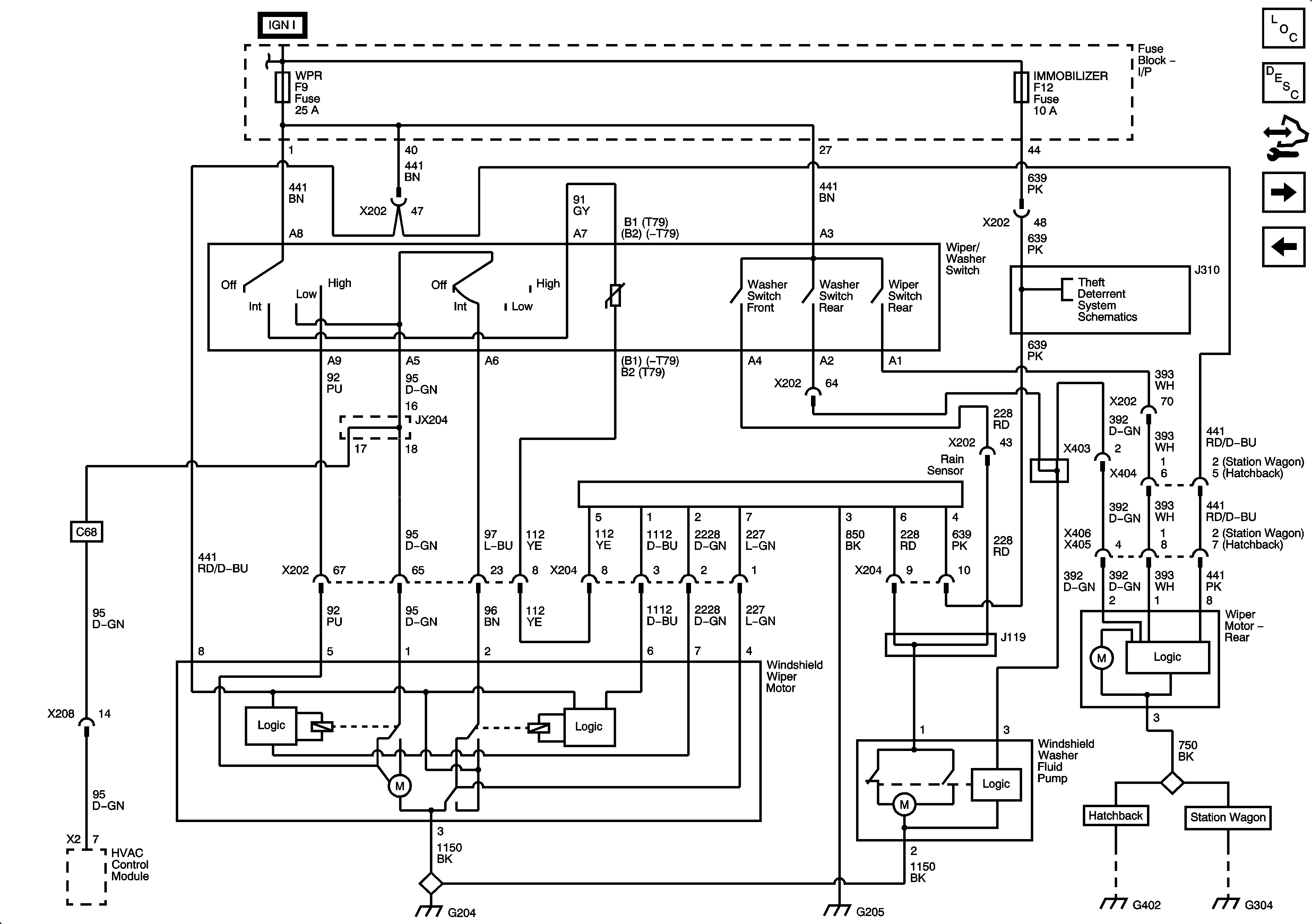
Figure 6:

Wiper System - Hatchback and Station Wagon w/Intermittent and Rain Sensor


Object Number: 1963034  Size: FS
Master Electrical Component List
Control Module References
Wiper System Hatchback and Station Wagon w/Rain Sensor
Fuse Block - Underhood B+ Bus, 1 of 3
Remote Function
G202, G204
G205, G301
G101
G402
G304