GM Service Manual Online
For 1990-2009 cars only
Figure 1:

Module Power, Ground, Serial Data, and MIL


Object Number: 1697050  Size: FS
Master Electrical Component List
Knock Sensor (KS) System Description
Body Control Module (BCM) Programming/RPO Configuration
Engine Data Sensors - 5-Volt and Low Reference
Engine Controls Schematic Icons
B+ Bus - Underhood Fuse Block
B+ Bus - Underhood Fuse Block
B+ Bus - Underhood Fuse Block
B+ Bus - Underhood Fuse Block
Data Link Connector (DLC) Schematics
Splice Pack SP1`05 and G105 - 1 of 2
Ignition Switch and IGN TRANS D Fuse
G100, G104, G102, G103, and G101
G100, G104, G102, G103, and G101
Figure 2:

Engine Data Sensors - 5-Volt and Low Reference


Object Number: 1697053  Size: FS
Master Electrical Component List
Fuel System Description
Body Control Module (BCM) Programming/RPO Configuration
Engine Data Sensors - Pressure, Temperature, and Pedal Position Sensors
Power, Ground, Serial Data, and MIL
Engine Controls Schematic Icons
Figure 3:

Engine Data Sensors - Electronic Throttle Controls, MAF, Pressure, and Temperature


Object Number: 1697099  Size: FS
Master Electrical Component List
Throttle Actuator Control (TAC) System Description
Body Control Module (BCM) Programming/RPO Configuration
Oxygen Sensors
Engine Data Sensors - 5-Volt and Low Reference
Engine Controls Schematic Icons
RUN/CRANK RELAY BUS - 3 of 3, CRUISE, SIR, and TRANS Fuses
TCC Brake/Cruise Release Switch and Vehicle Speed Sensor
Manual Transmission Schematics
G100, G104, G102, G103, and G101
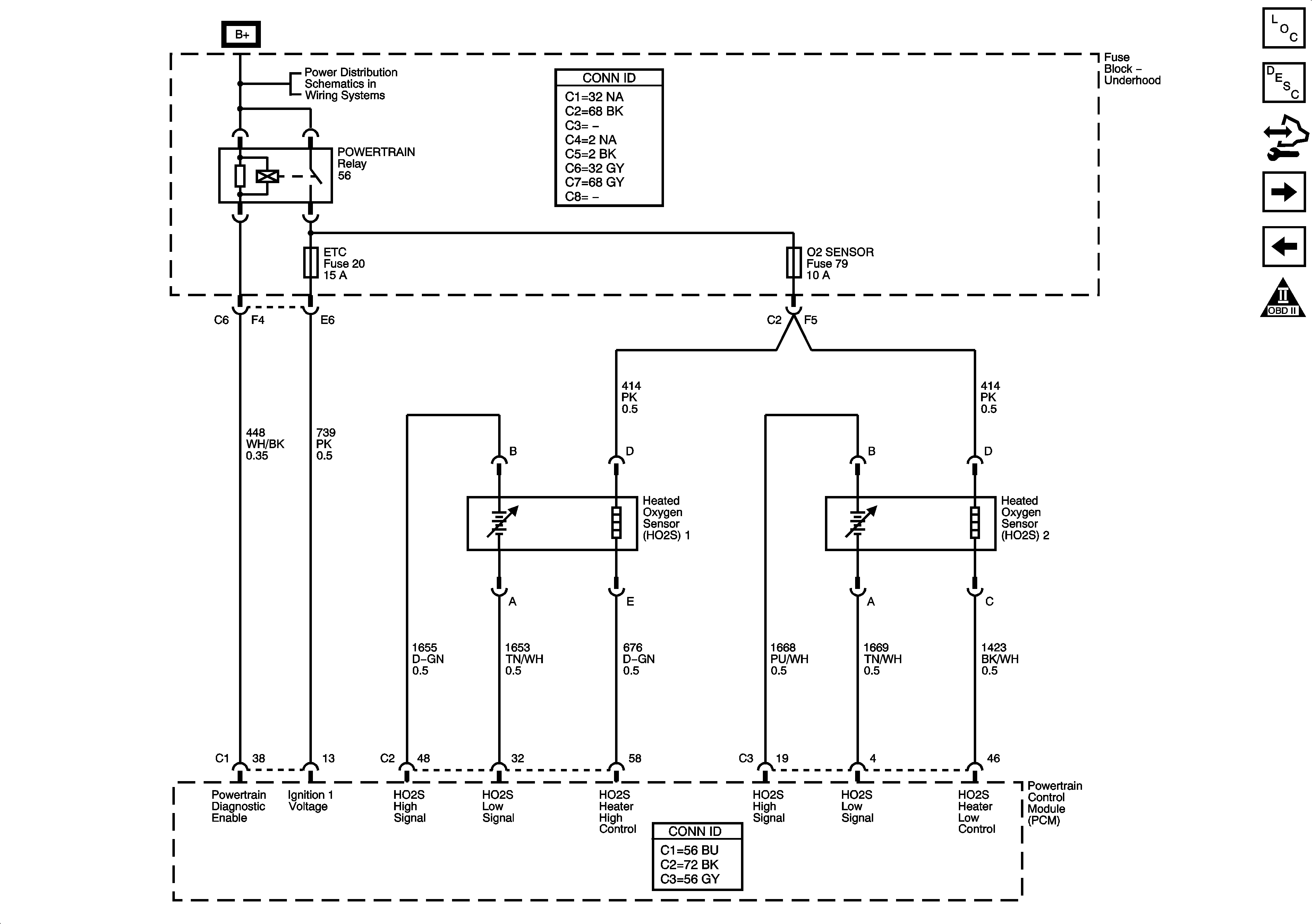
Figure 4:

Engine Data Sensors - Oxygen Sensors


Object Number: 1697100  Size: FS
Master Electrical Component List
Evaporative Emission Control System Description
Body Control Module (BCM) Programming/RPO Configuration
Engine Data Sensors - Injection Timing Controls
Engine Data Sensors - Pressure, Temperature, and Pedal Position Sensors
Engine Controls Schematic Icons
B+ Bus - Underhood Fuse Block
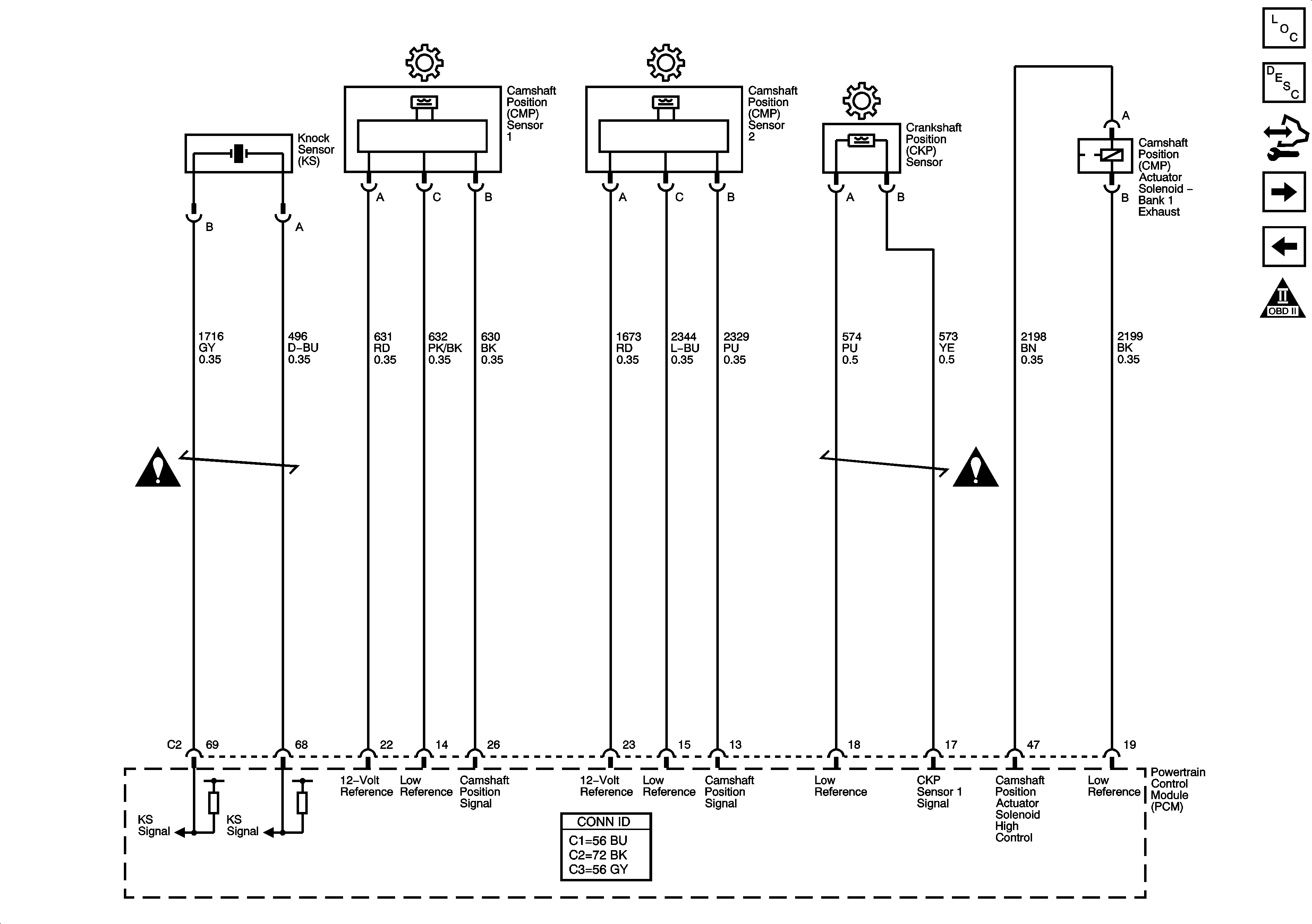
Figure 5:

Ignition Controls - Sensors


Object Number: 1697103  Size: FS
Master Electrical Component List
Camshaft Actuator System Description
Body Control Module (BCM) Programming/RPO Configuration
Injection Controls
Oxygen Sensors
Engine Controls Schematic Icons
Engine Controls Schematic Icons
Engine Controls Schematic Icons
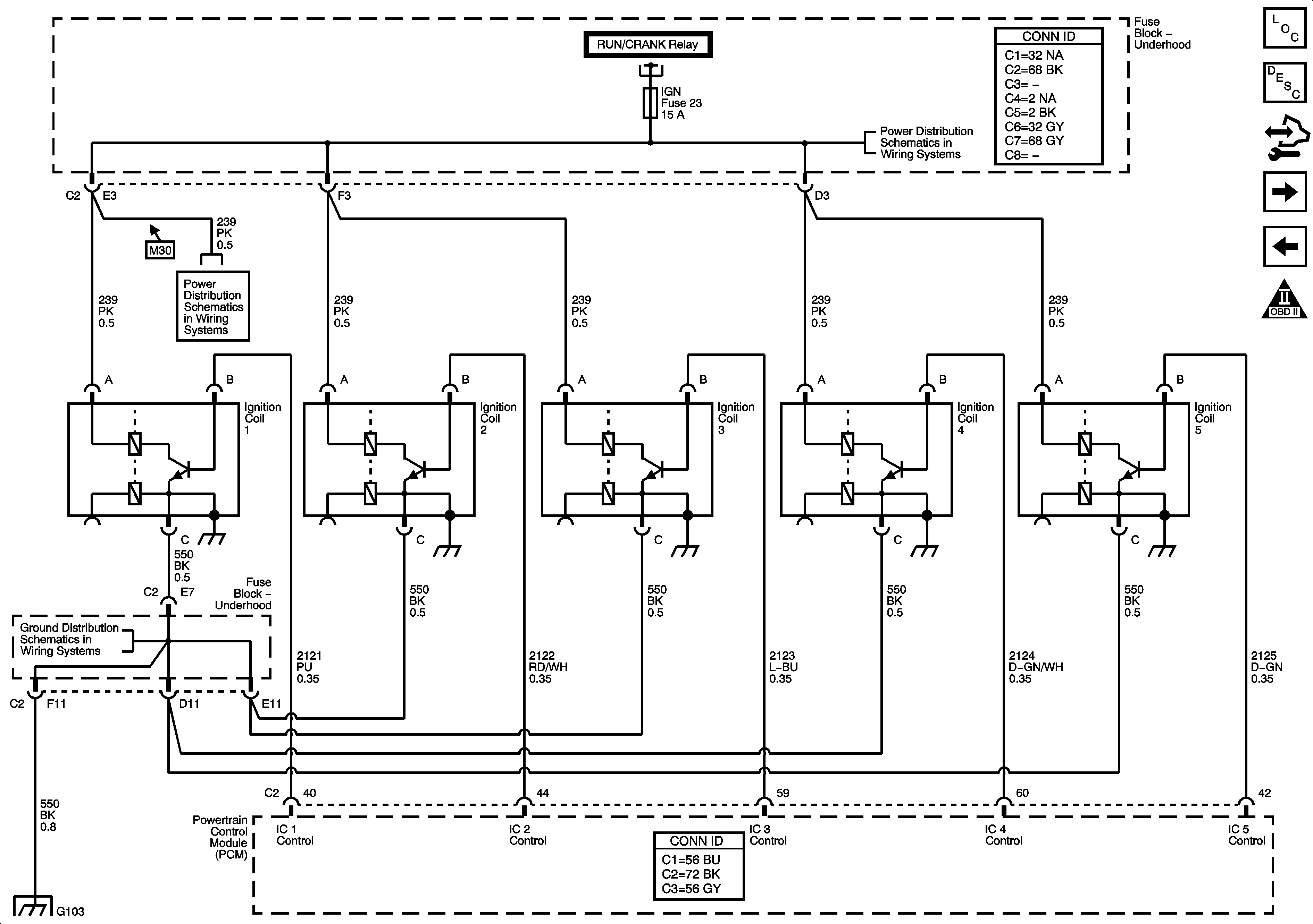
Figure 6:

Ignition Controls - Ignition System


Object Number: 1697104  Size: FS
Master Electrical Component List
Camshaft Actuator System Description
Body Control Module (BCM) Programming/RPO Configuration
Fuel Controls - Fuel Pump Controls
Engine Data Sensors - Injection Timing Controls
Engine Controls Schematic Icons
B+ Bus - Underhood Fuse Block
RUN/CRANK RELAY BUS - 2 of 3, CRUISE, SIR, and TRANS Fuses
RUN/CRANK RELAY BUS - 2 of 3, CRUISE, SIR, and TRANS Fuses
G100, G104, G102, G103, and G101
G100, G104, G102, G103, and G101
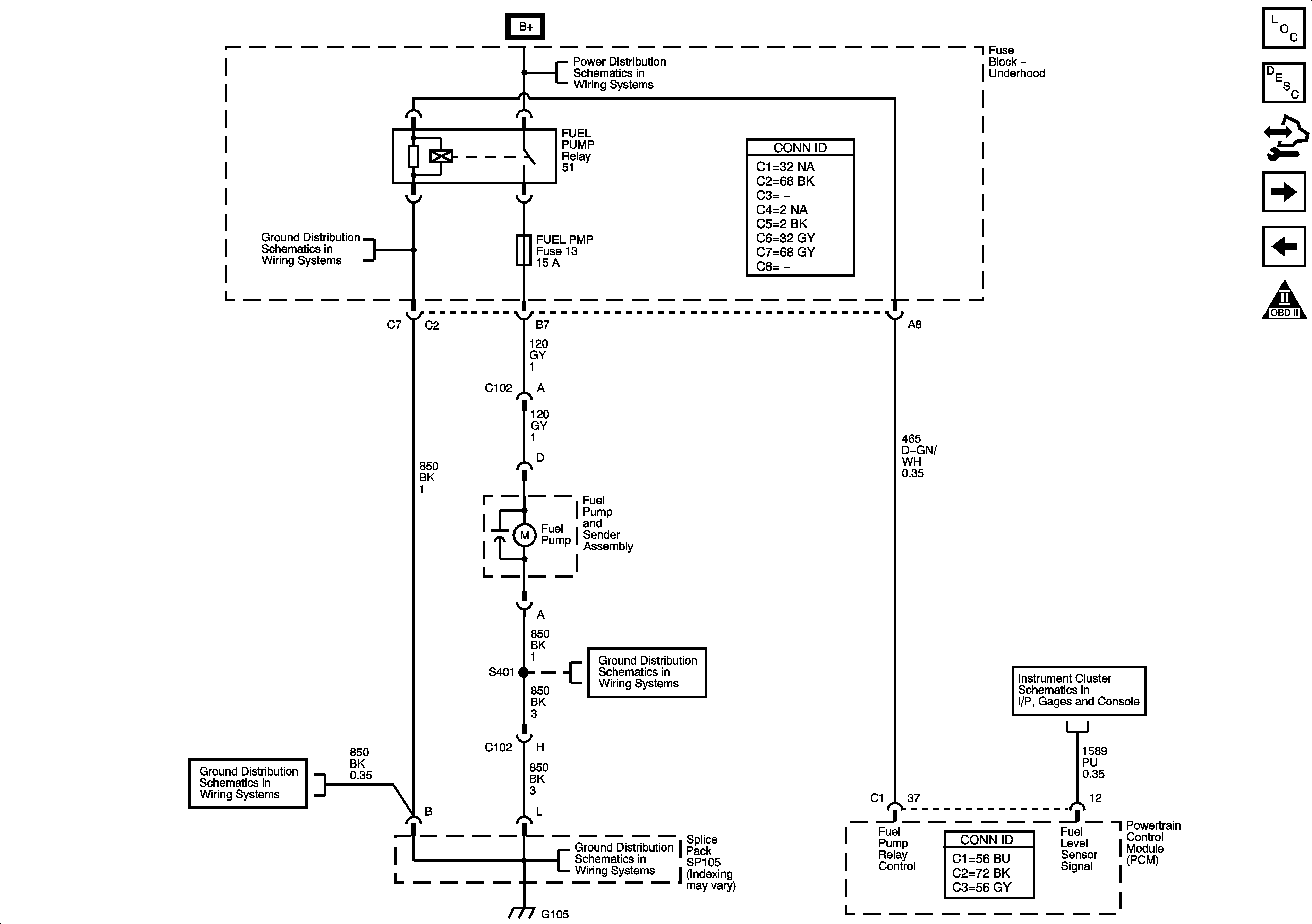
Figure 7:

Fuel Controls - Fuel Pump Controls


Object Number: 1697105  Size: FS
Master Electrical Component List
Fuel System Description
Body Control Module (BCM) Programming/RPO Configuration
Fuel Controls - Fuel Injectors
Injection Controls
Engine Controls Schematic Icons
B+ Bus - Underhood Fuse Block
Splice Pack SP1`05 and G105 - 1 of 2
Splice Pack SP1`05 and G105 - 1 of 2
Gages
Splice Pack SP1`05 and G105 - 1 of 2
Splice Pack SP1`05 and G105 - 1 of 2
Figure 8:

Fuel Controls - Fuel Injectors


Object Number: 1697106  Size: FS
Master Electrical Component List
Fuel System Description
Body Control Module (BCM) Programming/RPO Configuration
Fuel Controls - Fuel Pressure Sensor/Regulators
Fuel Controls - Fuel Pump Controls
Engine Controls Schematic Icons
B+ Bus - Underhood Fuse Block
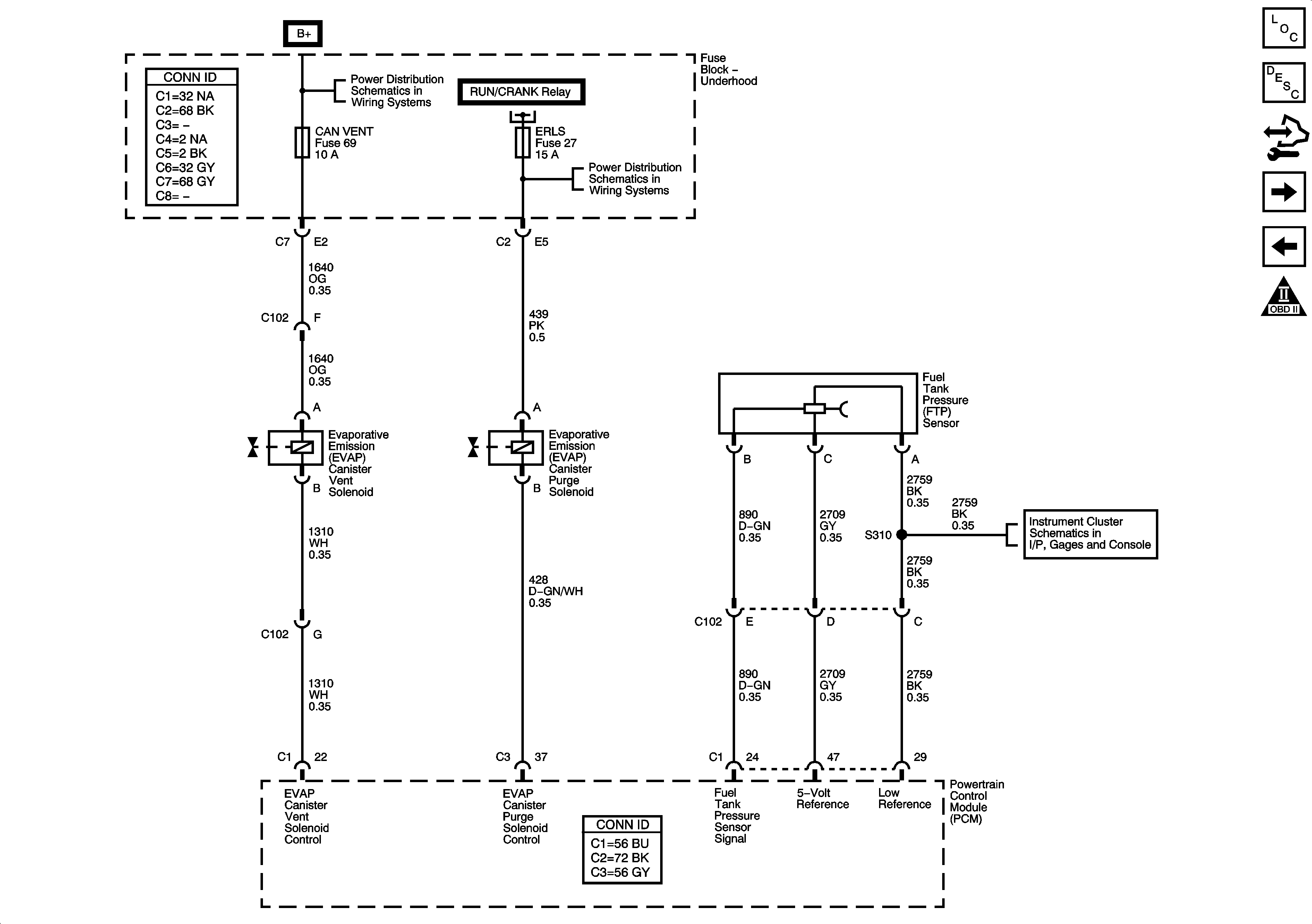
Figure 9:

Fuel Controls - EVAP Controls


Object Number: 1697107  Size: FS
Master Electrical Component List
Evaporative Emission Control System Description
Body Control Module (BCM) Programming/RPO Configuration
Controlled/Monitored Sub-System References
Fuel Controls - Fuel Injectors
Engine Controls Schematic Icons
B+ Bus - Underhood Fuse Block
B+ Bus - Underhood Fuse Block
B+ Bus - Underhood Fuse Block
Gages
Figure 10:

Controlled/Monitored Subsystem and Transmission References


Object Number: 1697111  Size: FS
Master Electrical Component List
Air Intake System Description
Body Control Module (BCM) Programming/RPO Configuration
Fuel Controls - Fuel Pressure Sensor/Regulators
Engine Controls Schematic Icons
Power, Ground, and Electric Brake Control Module
Starting System - MA5
Starting System - M30
Charging System
Compressor Controls - C60
Cruise Control Schematics
Indicators
Stop Lamps and License Lamps
Transfer Case Encoder Motor
Switches and VSS
Transmission Controls