GM Service Manual Online
For 1990-2009 cars only
Makes
🢒
Isuzu
🢒
2005
🢒
Isuzu MD F-Series
🢒
Engine
🢒
Engine Electrical
🢒 Starting and Charging Schematics
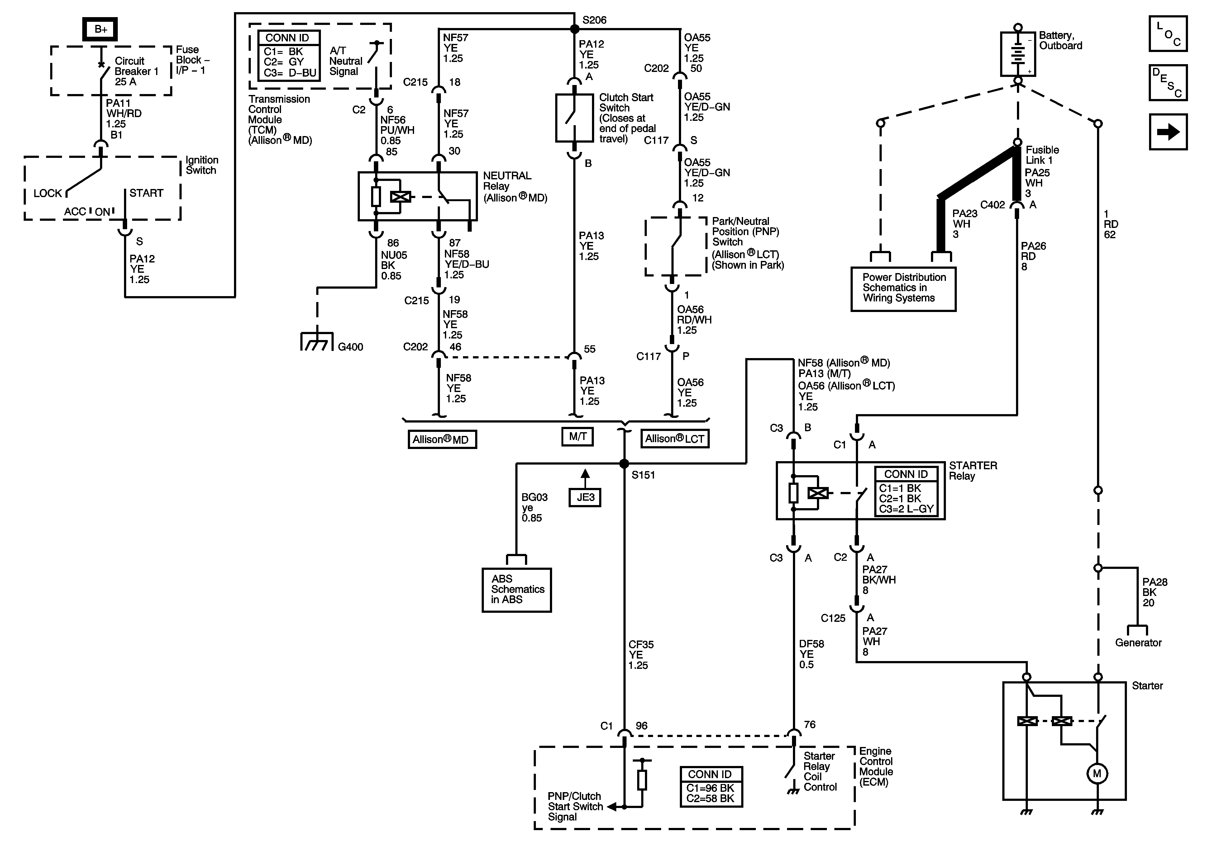
Figure
1:
Starting
Master Electrical Component List
Starting System Description and Operation
Charging
Fuse Block 2: Fuse 10, Fuse Block - I/P - 1: Circuit Breaker 1 and Ignition Switch - ACCY/RUN, RUN/START and START Bus Bars
Splice S358 and Splice Pack SP212
Battery Supply and B+ Bus
Electronic Brake Control Module (EBCM), Power Brake (P/B) Booster Pump Motor, Relays and Switches
Charging
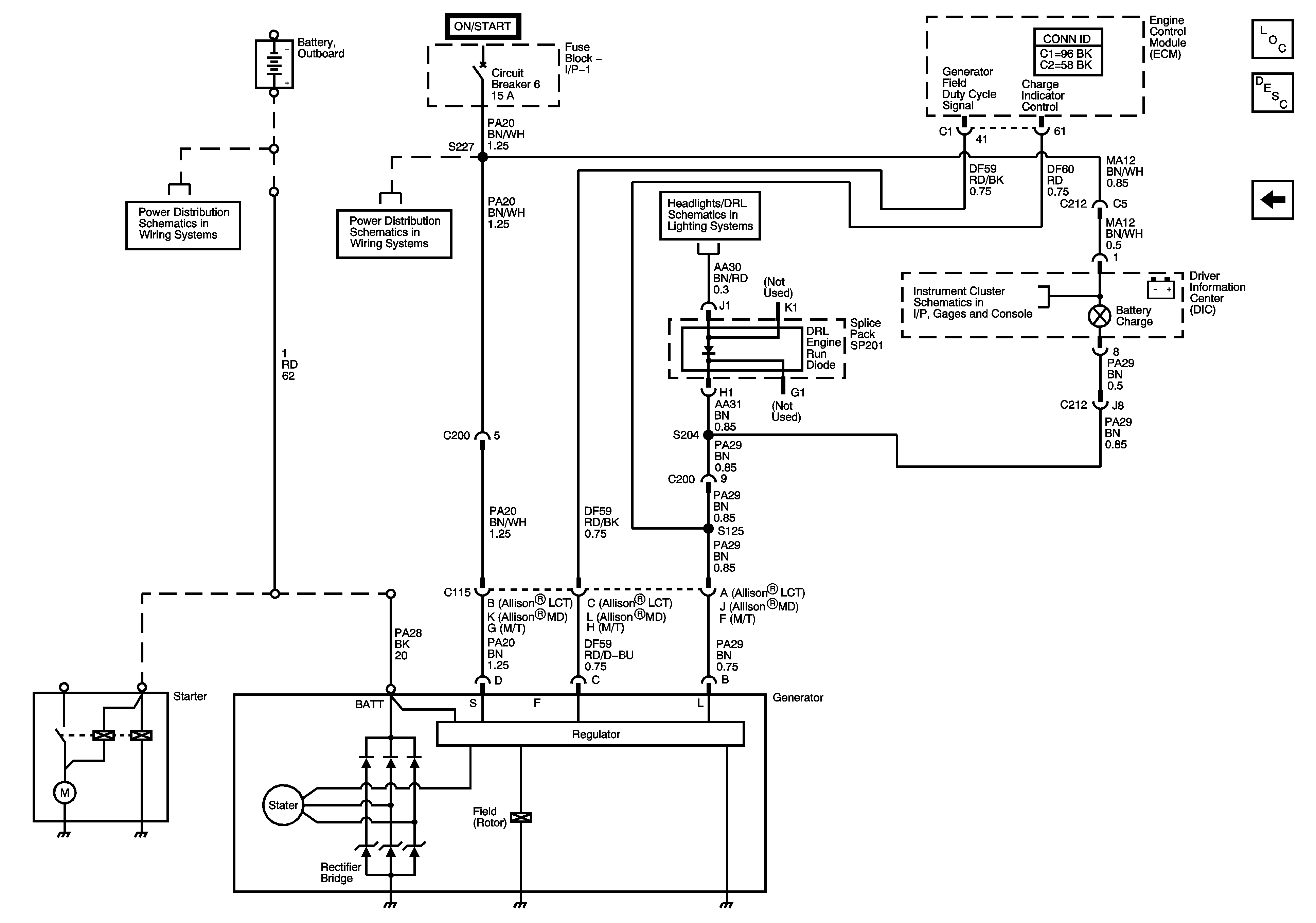
Figure
2:
Charging
Master Electrical Component List
Charging System Description and Operation
Starting
Fuse Block - I/P - 1: Circuit Breaker 6
Battery Supply and B+ Bus
Fuse Block - I/P - 1: Circuit Breaker 6
1 of 2
Driver Information Center (DIC)