GM Service Manual Online
For 1990-2009 cars only
Figure 1:

Battery Supply and B+ Bus


Object Number: 1388397  Size: FS
Master Electrical Component List
Fuse Block 1: Fuse 1 and Fuse Block - I/P - 2: Circuit Breakers 14, 15, 16 and 19
Figure 2:

Fuse Block 1: Fuse 1 and Fuse Block - I/P - 2: Circuit Breakers 14, 15, 16 and 19


Object Number: 1388399  Size: FS
Master Electrical Component List
Fuse Block 1: Fuse 2 and Fuse Block - I/P - 1: Circuit Breakers 4, 7 and 8
Battery Supply and B+ Bus
Battery Supply and B+ Bus
Battery Supply and B+ Bus
Figure 3:

Fuse Block 1: Fuse 2 and Fuse Block - I/P - 1: Circuit Breakers 4, 7 and 8


Object Number: 1388400  Size: FS
Master Electrical Component List
Fuse Block 1: Fuses 3 and 4 and Fuse Block - I/P - 1: Circuit Breakers 12 and 13 and HYDROMAX Fuse
Fuse Block 1: Fuse 1 and Fuse Block - I/P - 2: Circuit Breakers 14, 15, 16 and 19
Battery Supply and B+ Bus
Battery Supply and B+ Bus
Figure 4:

Fuse Block 1: Fuses 3 and 4, and Fuse Block - I/P - 1: Circuit Breakers 12 and 13 and HYDROMAX Fuse


Object Number: 1388401  Size: FS
Master Electrical Component List
Fuse Block 1: Fuse 5 and Fuse Block - I/P - 1: Circuit Breakers 5, 9 - 1 of 2 and 10
Fuse Block 1: Fuse 2 and Fuse Block - I/P - 1: Circuit Breakers 4, 7 and 8
Battery Supply and B+ Bus
Battery Supply and B+ Bus
Figure 5:

Fuse Block 1: Fuse 5 and Fuse Block - I/P - 1: Circuit Breakers 5, 9 - 1 of 2 and 10


Object Number: 1388405  Size: FS
Master Electrical Component List
Fuse Block - I/P - 1: Circuit Breaker 9 - 2 of 2
Fuse Block 1: Fuses 3 and 4 and Fuse Block - I/P - 1: Circuit Breakers 12 and 13 and HYDROMAX Fuse
Battery Supply and B+ Bus
Battery Supply and B+ Bus
Fuse Block - I/P - 1: Circuit Breaker 9 - 2 of 2
Figure 6:

Fuse Block - I/P - 1: Circuit Breaker 9 - 2 of 2


Object Number: 1388406  Size: FS
Master Electrical Component List
Fuse Block 1: Fuses 6 and 7, Fuse Block 2: Fuse 8 and Fuse Block - I/P - 2: Circuit Breake
Fuse Block 1: Fuse 5 and Fuse Block - I/P - 1: Circuit Breakers 5, 9 - 1 of 2 and 10
Fuse Block 1: Fuse 5 and Fuse Block - I/P - 1: Circuit Breakers 5, 9 - 1 of 2 and 10
Figure 7:

Fuse Block 1: Fuses 6 and 7, Fuse Block 2: Fuse 8 and Fuse Block - I/P - 2: Circuit Breakers 17, 18, 20, 21, 22 and 24


Object Number: 1388407  Size: FS
Master Electrical Component List
Fuse Block 2: Fuses 9, 11, 12, 13 and 14, Fuse Block - I/P - 1: Circuit Breaker 11 and Fuse Block - I/P - 2: Circuit Breakers 25 and 26
Fuse Block - I/P - 1: Circuit Breaker 9 - 2 of 2
Battery Supply and B+ Bus
Battery Supply and B+ Bus
Battery Supply and B+ Bus
Battery Supply and B+ Bus
Figure 8:

Fuse Block 2: Fuses 9, 11, 12, 13 and 14, Fuse Block - I/P - 1: Circuit Breaker 11 and Fuse Block - I/P - 2: Circuit Breakers 25 and 26


Object Number: 1388409  Size: FS
Master Electrical Component List
Fuse Block 2: Fuse 10, Fuse Block - I/P - 1: Circuit Breaker 1 and Ignition Switch - ACCY/RUN, RUN/START and START Bus Bars
Fuse Block 1: Fuses 6 and 7, Fuse Block 2: Fuse 8 and Fuse Block - I/P - 2: Circuit Breake
Battery Supply and B+ Bus
Battery Supply and B+ Bus
Figure 9:

Fuse Block 2: Fuse 10, Fuse Block - I/P - 1: Circuit Breaker 1 and Ignition Switch - ACCY/RUN, RUN/START and START Bus Bars


Object Number: 1388398  Size: FS
Master Electrical Component List
Fuse Block - I/P - 1: Circuit Breaker 6
Fuse Block 2: Fuses 9, 11, 12, 13 and 14, Fuse Block - I/P - 1: Circuit Breaker 11 and Fuse Block - I/P - 2: Circuit Breakers 25 and 26
Battery Supply and B+ Bus
Battery Supply and B+ Bus
Figure 10:

Fuse Block - I/P - 1: Circuit Breaker 6


Object Number: 1388411  Size: FS
Master Electrical Component List
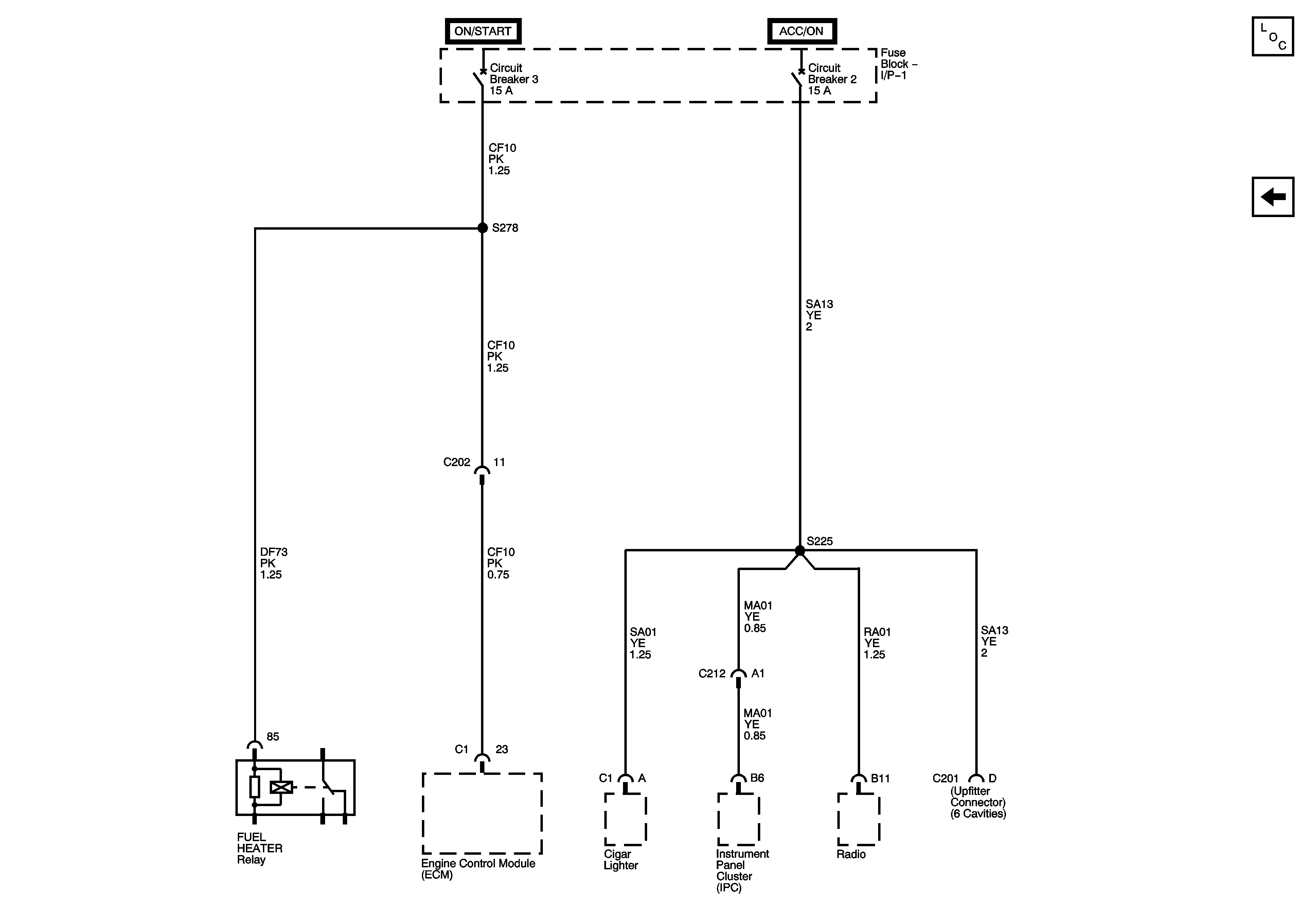
Fuse Block - I/P - 1: Circuit Breakers 2 and 3
Fuse Block 2: Fuse 10, Fuse Block - I/P - 1: Circuit Breaker 1 and Ignition Switch - ACCY/RUN, RUN/START and START Bus Bars
Fuse Block 2: Fuse 10, Fuse Block - I/P - 1: Circuit Breaker 1 and Ignition Switch - ACCY/RUN, RUN/START and START Bus Bars
Figure 11:

Fuse Block - I/P - 1: Circuit Breakers 2 and 3


Object Number: 1388412  Size: FS
Master Electrical Component List
Fuse Block - I/P - 1: Circuit Breaker 6
Fuse Block 2: Fuse 10, Fuse Block - I/P - 1: Circuit Breaker 1 and Ignition Switch - ACCY/RUN, RUN/START and START Bus Bars
Fuse Block 2: Fuse 10, Fuse Block - I/P - 1: Circuit Breaker 1 and Ignition Switch - ACCY/RUN, RUN/START and START Bus Bars