GM Service Manual Online
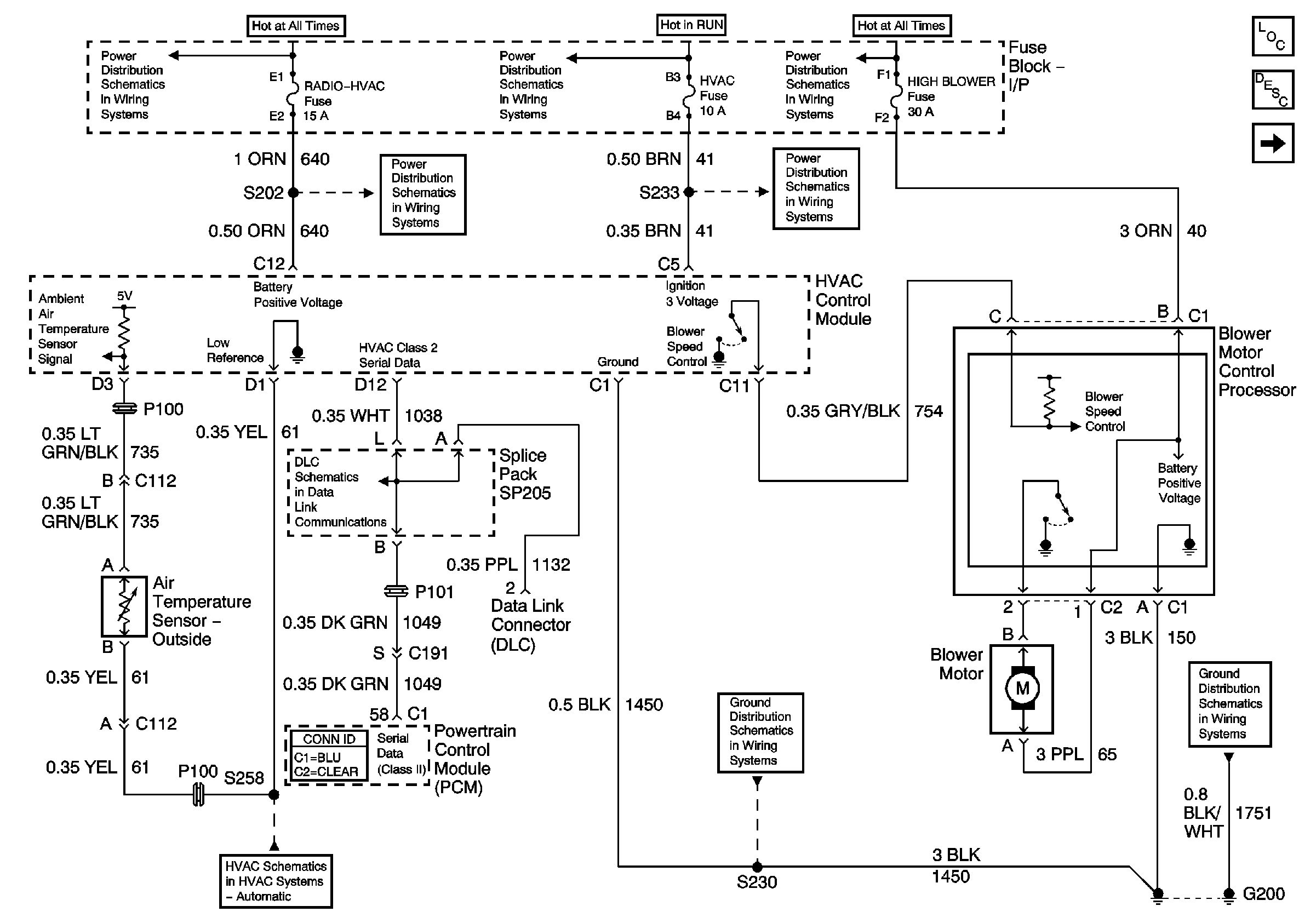
For 1990-2009 cars only
Figure 1:

Blower Control


Object Number: 675280  Size: FS
Master Electrical Component List original
Air Temperature Description and Operation
HIGH BLOWER, HAZARD, STOP LAMPS, DOOR LOCKS, POWER MIRRORS Fuses
Low Blower, Cruise and HVAC Fuses
INADV POWER BUS/RAP, BCM, RADIO/HVAC/RFA/CLUSTER/DATA LINK, CIGAR LTR/AUXPOWER/POWER DROP Fuses and RAP Relay
Low Blower, Cruise and HVAC Fuses
INADV POWER BUS/RAP, BCM, RADIO/HVAC/RFA/CLUSTER/DATA LINK, CIGAR LTR/AUXPOWER/POWER DROP Fuses and RAP Relay
01 W-Car Olds: Data LInk Communications (Data LInk Connector)
Ground G200
Ground G200
Sensors Inputs
Figure 2:

Compressor Control


Object Number: 675283  Size: FS
Master Electrical Component List original
Air Temperature Description and Operation
Grounds G113, G117, G119
COOL Fan 1, COOL Fan 2, Cool Fan 3, A/C CLU, IGN Main, and AIR Pump Relays
BTSI, Turn Signals/CORN LPS, Air Bag, Cluster, PCM/BCM/Crank/IGN Fuses
Low Blower, Cruise and HVAC Fuses
Low Blower, Cruise and HVAC Fuses
01 W-Car Olds: Data LInk Communications (Data LInk Connector)
Ground G113
A/C, TP, MAP, ECT and IAT Sensors
Grounds G113, G117, G119
Figure 3:

Sensors Inputs


Object Number: 675285  Size: FS
Master Electrical Component List original
Air Delivery Description and Operation
Temperature Controls
Fused Distribution and Grounds
INADV POWER BUS/RAP, BCM, RADIO/HVAC/RFA/CLUSTER/DATA LINK, CIGAR LTR/AUXPOWER/POWER DROP Fuses and RAP Relay
INADV POWER BUS/RAP, BCM, RADIO/HVAC/RFA/CLUSTER/DATA LINK, CIGAR LTR/AUXPOWER/POWER DROP Fuses and RAP Relay
01 W-Car Olds: Engine Controls (Powers, Grounds and DLC)
01 W-Car Olds: Data LInk Communications (Data LInk Connector)
Ground G200
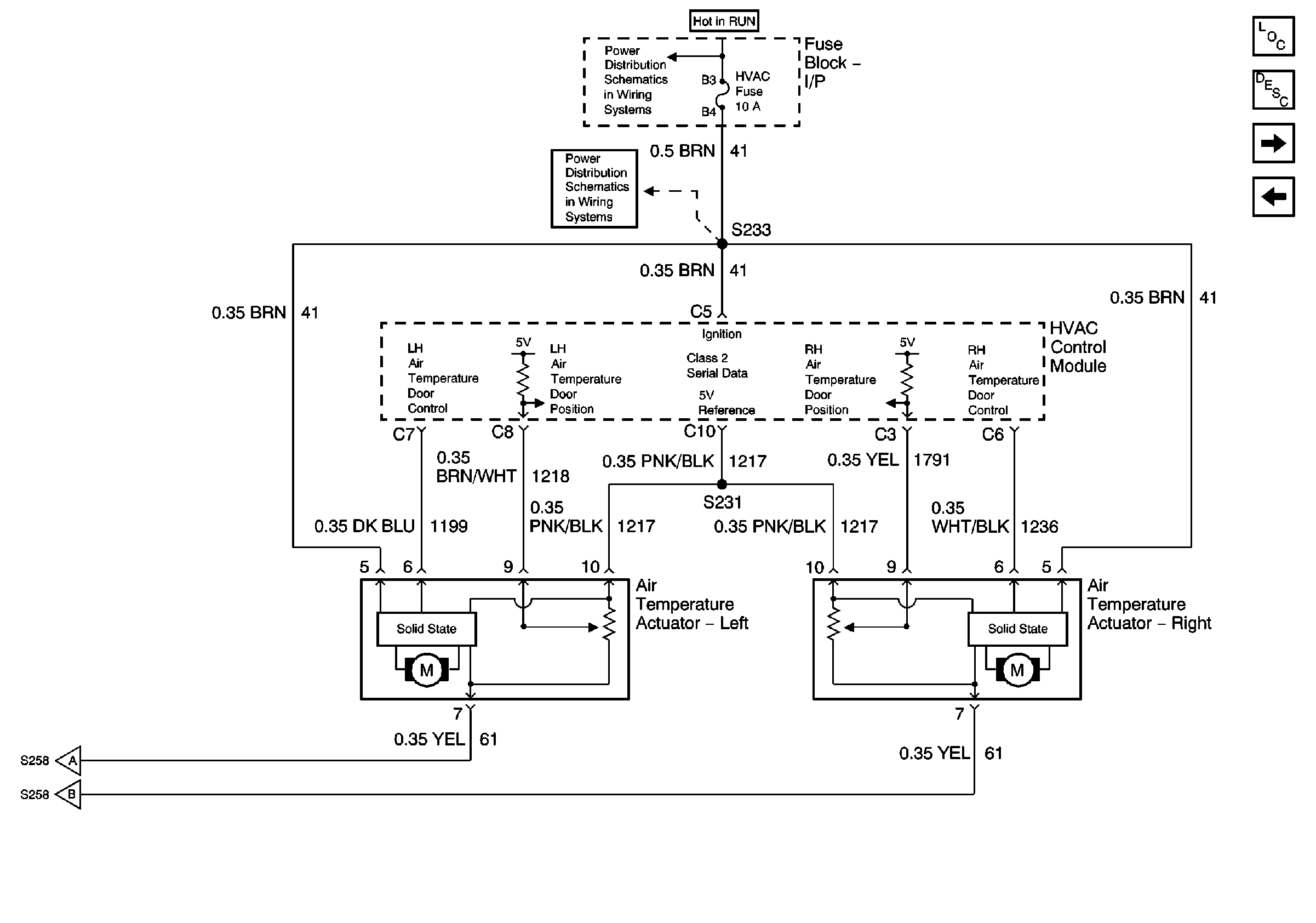
Figure 4:

Temperature Controls


Object Number: 675290  Size: FS
Master Electrical Component List original
Air Delivery Description and Operation
Air Delivery System (Electronic Controls)
Sensors Inputs
Low Blower, Cruise and HVAC Fuses
Low Blower, Cruise and HVAC Fuses
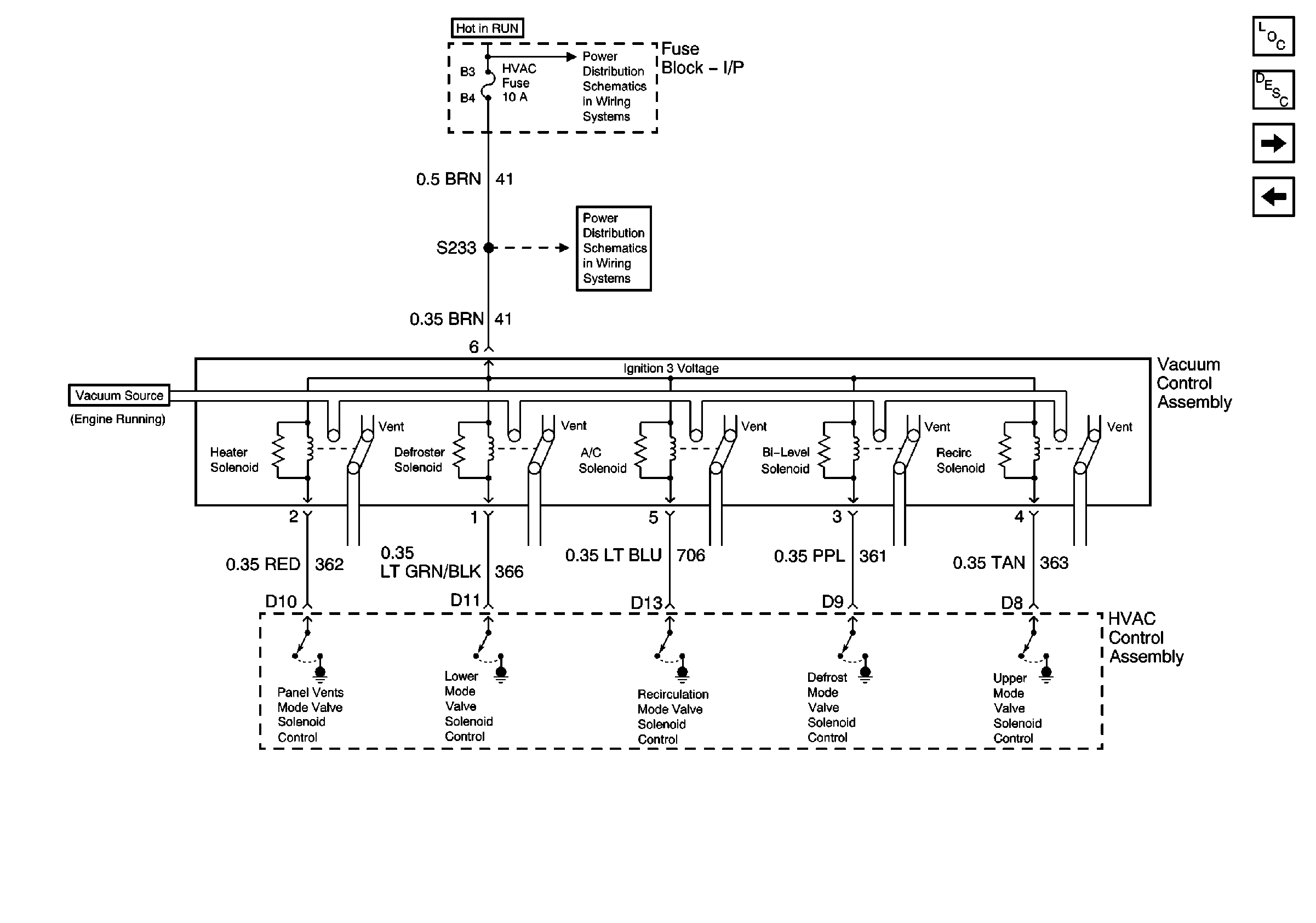
Figure 5:

Air Delivery System (Electronic Controls)


Object Number: 675297  Size: FS
Master Electrical Component List original
Air Delivery Description and Operation
Air Delivery System (Vacuum Controls)
Temperature Controls
Low Blower, Cruise and HVAC Fuses
Low Blower, Cruise and HVAC Fuses
Figure 6:

Air Delivery System (Vacuum Controls)


Object Number: 592736  Size: FS
Master Electrical Component List original
Air Delivery Description and Operation
Air Delivery System (Electronic Controls)