GM Service Manual Online
For 1990-2009 cars only

Exterior Lights Schematics Japan

Figure 1:

Chevrolet: Side Marker Lamps, Park/Turn Lamps


Object Number: 726970  Size: FS
Master Electrical Component List
Exterior Lighting Systems Description and Operation
Chevrolet: Center High Mounted Stop Lamp
Chevrolet: Center High Mounted Stop Lamp
G200 Splice S216
G400 Chevrolet
G105
Instrument Cluster Illumination and Indicators
HVAC and TURN B/U Fuses
Chevrolet: Taillamps, License Lamp, Tail/Stop Lamps
G106
G400 Chevrolet
TAIL LPS and STOP/HAZARD Fuses
Figure 2:

Chevrolet: Center High Mounted Stop Lamp


Object Number: 726971  Size: FS
Master Electrical Component List
Exterior Lighting Systems Description and Operation
Chevrolet: Taillamps, License Lamp, Tail/Stop Lamps
Chevrolet: Side Marker Lamps, Park/Turn Lamps
G400 Splice S470
HVAC Control, Rear Defogger Grid
Automatic Transmission and Stop Lamp Switch
Automatic Transmission, Brake Switch
TAC Module, Brake Switch, Cruise
Chevrolet: Taillamps, License Lamp, Tail/Stop Lamps
AT Shift Lock Control Actuator Solenoid, and Diode
ENG SEN Fuse
ENG SEN Fuse
AIR BAG and GAUGES Fuses
Chevrolet: Side Marker Lamps, Park/Turn Lamps
Chevrolet: Taillamps, License Lamp, Tail/Stop Lamps
Figure 3:

Chevrolet: Taillamps, License Lamp, Tail/Stop Lamps


Object Number: 726972  Size: FS
Master Electrical Component List
Exterior Lighting Systems Description and Operation
Chevrolet: Center High Mounted Stop Lamp
Chevrolet: Center High Mounted Stop Lamp
G400 Chevrolet
TAIL LPS and STOP/HAZARD Fuses
Chevrolet: Side Marker Lamps, Park/Turn Lamps
Chevrolet: Center High Mounted Stop Lamp

Exterior Lights Schematics Europe,Scandinavia

Figure 1:

Chevrolet: Side Marker Lamps, Park/Turn Lamps


Object Number: 726975  Size: FS
Master Electrical Component List
Exterior Lighting Systems Description and Operation
Chevrolet: Center High Mounted Stop Lamp, Taillamps, Tail/Stop Lamps
Chevrolet: Center High Mounted Stop Lamp, Taillamps, Tail/Stop Lamps
G200 Splice S217
G200 Splice S216
G105
Instrument Cluster Illumination and Indicators
HVAC and TURN B/U Fuses
Chevrolet: Side Marker Lamp, Position Lamp, License Lamps, Tail/Stop/Turn Lamps
Chevrolet: Side Marker Lamp, Position Lamp, License Lamps, Tail/Stop/Turn Lamps
G106
HVAC and TURN B/U Fuses
TAIL LPS and STOP/HAZARD Fuses
Figure 2:

Chevrolet: Center High Mounted Stop Lamp, Taillamps, Tail/Stop Lamps


Object Number: 726977  Size: FS
Master Electrical Component List
Exterior Lighting Systems Description and Operation
Chevrolet: Side Marker Lamp, Position Lamp, License Lamps, Tail/Stop/Turn Lamps
Chevrolet: Side Marker Lamps, Park/Turn Lamps
Automatic Transmission and Stop Lamp Switch
Automatic Transmission, Brake Switch
Chevrolet: Side Marker Lamp, Position Lamp, License Lamps, Tail/Stop/Turn Lamps
G400 Chevrolet
AT Shift Lock Control Actuator Solenoid, and Diode
ENG SEN Fuse
ENG SEN Fuse
AIR BAG and GAUGES Fuses
Chevrolet: Side Marker Lamps, Park/Turn Lamps
TAC Module, Brake Switch, Cruise
Chevrolet: Side Marker Lamp, Position Lamp, License Lamps, Tail/Stop/Turn Lamps
G400 Splice S470
HVAC Control, Rear Defogger Grid
Figure 3:

Chevrolet: Side Marker Lamp, Position Lamp, License Lamps, Tail/Stop/Turn Lamps


Object Number: 726978  Size: FS
Master Electrical Component List
Exterior Lighting Systems Description and Operation
Chevrolet: Center High Mounted Stop Lamp, Taillamps, Tail/Stop Lamps
Chevrolet: Side Marker Lamps, Park/Turn Lamps
Chevrolet: Center High Mounted Stop Lamp, Taillamps, Tail/Stop Lamps
G400 Chevrolet
G400 Chevrolet
Chevrolet: Center High Mounted Stop Lamp, Taillamps, Tail/Stop Lamps
Chevrolet: Front Fog Lamps
Chevrolet: Side Marker Lamps, Park/Turn Lamps
TAIL LPS and STOP/HAZARD Fuses
Chevrolet

Exterior Lights Schematics Chev: Dom and Gulf

Figure 1:

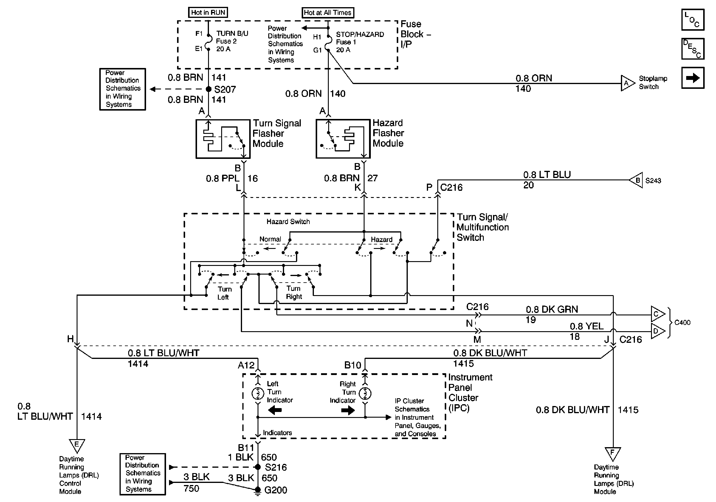
Turn/Hazard Switch, Turn Indicators


Object Number: 726980  Size: FS
Master Electrical Component List
Exterior Lighting Systems Description and Operation
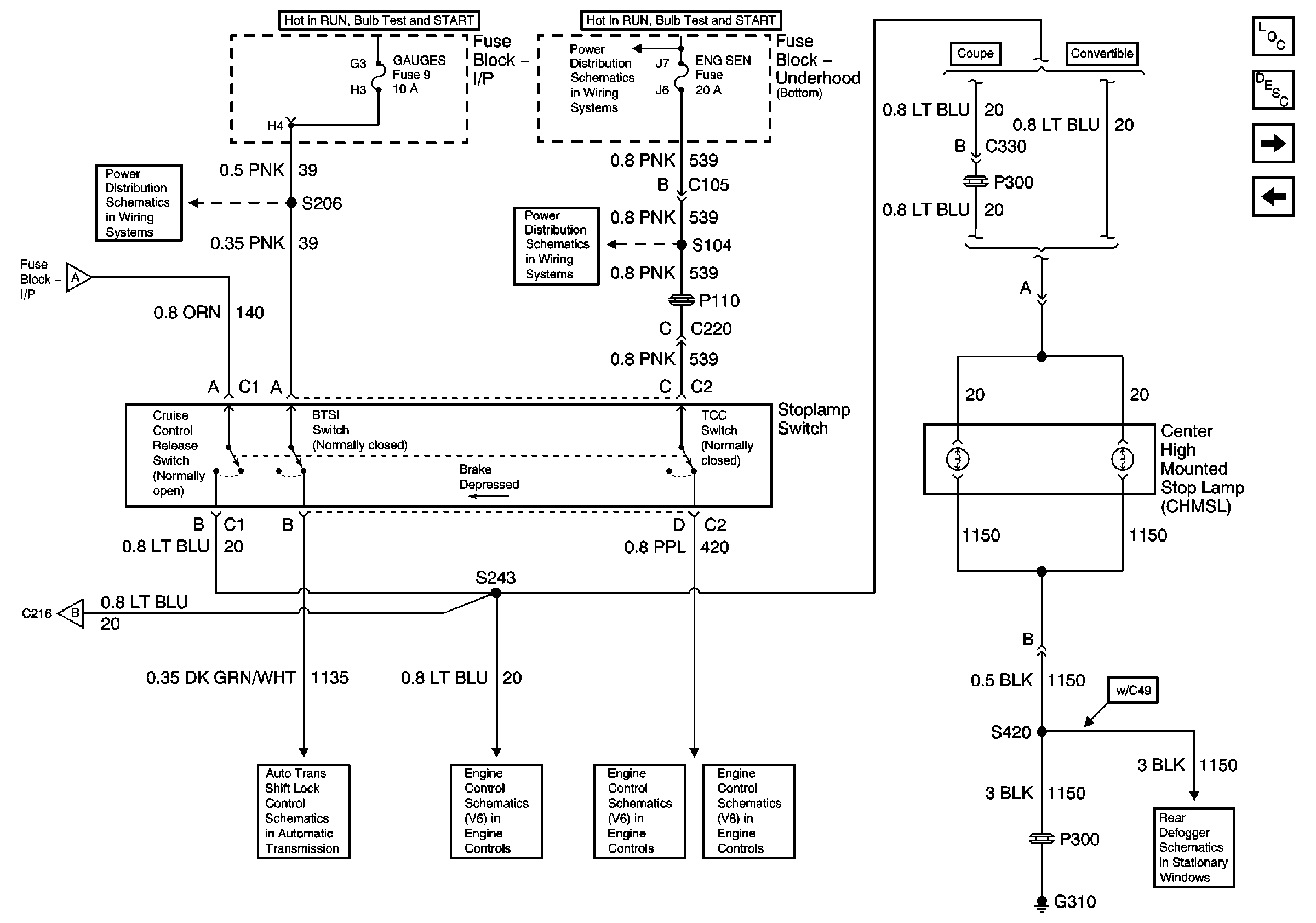
Center High Mounted Stop Lamp
Center High Mounted Stop Lamp
Taillamps, Tail/Stop Lamps, Tail/Stop/Turn Lamps, Side Marker Lamps, License Lamp
Taillamps, Tail/Stop Lamps, Tail/Stop/Turn Lamps, Side Marker Lamps, License Lamp
DRL Module, Side Marker Lamps, Park/Turn Lamps, Fog Lamp Relay
Instrument Cluster Illumination and Indicators
G200 Splice S216
DRL Module, Side Marker Lamps, Park/Turn Lamps, Fog Lamp Relay
TAIL LPS and STOP/HAZARD Fuses
HVAC and TURN B/U Fuses
Figure 2:

Center High Mounted Stop Lamp


Object Number: 726982  Size: FS
Master Electrical Component List
Exterior Lighting Systems Description and Operation
DRL Module, Side Marker Lamps, Park/Turn Lamps, Fog Lamp Relay
Turn/Hazard Switch, Turn Indicators
HVAC Control, Rear Defogger Grid
Automatic Transmission and Stop Lamp Switch
Automatic Transmission, Brake Switch
TAC Module, Brake Switch, Cruise
AT Shift Lock Control Actuator Solenoid, and Diode
Taillamps, Tail/Stop Lamps, Tail/Stop/Turn Lamps, Side Marker Lamps, License Lamp
Taillamps, Tail/Stop Lamps, Tail/Stop/Turn Lamps, Side Marker Lamps, License Lamp
Turn/Hazard Switch, Turn Indicators
AIR BAG and GAUGES Fuses
ENG SEN Fuse
ENG SEN Fuse
Figure 3:

DRL Module, Side Marker Lamps, Park/Turn Lamps, Fog Lamp Relay


Object Number: 726983  Size: FS
Master Electrical Component List
Exterior Lighting Systems Description and Operation
Taillamps, Tail/Stop Lamps, Tail/Stop/Turn Lamps, Side Marker Lamps, License Lamp
Center High Mounted Stop Lamp
Turn/Hazard Switch, Turn Indicators
G105
G106
Taillamps, Tail/Stop Lamps, Tail/Stop/Turn Lamps, Side Marker Lamps, License Lamp
TAIL LPS and STOP/HAZARD Fuses
Turn/Hazard Switch, Turn Indicators
Figure 4:

Taillamps, Tail/Stop Lamps, Tail/Stop/Turn Lamps, Side Marker Lamps, License Lamp


Object Number: 726984  Size: FS
Master Electrical Component List
Exterior Lighting Systems Description and Operation
DRL Module, Side Marker Lamps, Park/Turn Lamps, Fog Lamp Relay
Turn/Hazard Switch, Turn Indicators
Center High Mounted Stop Lamp
G400 Chevrolet
Center High Mounted Stop Lamp
Turn/Hazard Switch, Turn Indicators
DRL Module, Side Marker Lamps, Park/Turn Lamps, Fog Lamp Relay
TAIL LPS and STOP/HAZARD Fuses

Exterior Lights Schematics Pontiac

Figure 1:

Turn/Hazard Switch, Turn Indicators


Object Number: 726986  Size: FS
Master Electrical Component List
Exterior Lighting Systems Description and Operation
Center High Mounted Stop Lamp
Center High Mounted Stop Lamp
Center High Mounted Stop Lamp
Taillamps, Inboard Tail/Stop/Turn Lamps, Outboard Tail/Stop/Turn Lamps, Side Marker Lamps, License Lamp
Taillamps, Inboard Tail/Stop/Turn Lamps, Outboard Tail/Stop/Turn Lamps, Side Marker Lamps, License Lamp
DRL Module, Side Marker Lamps, Park/Turn Lamps, Fog Lamp Relay
Instrument Cluster Illumination and Indicators
TAIL LPS and STOP/HAZARD Fuses
HVAC and TURN B/U Fuses
DRL Module, Side Marker Lamps, Park/Turn Lamps, Fog Lamp Relay
G200 Splice S216
Figure 2:

Center High Mounted Stop Lamp


Object Number: 726987  Size: FS
Master Electrical Component List
Exterior Lighting Systems Description and Operation
DRL Module, Side Marker Lamps, Park/Turn Lamps, Fog Lamp Relay
Turn/Hazard Switch, Turn Indicators
HVAC Control, Rear Defogger Grid
Automatic Transmission and Stop Lamp Switch
Automatic Transmission, Brake Switch
TAC Module, Brake Switch, Cruise
AT Shift Lock Control Actuator Solenoid, and Diode
Turn/Hazard Switch, Turn Indicators
Turn/Hazard Switch, Turn Indicators
AIR BAG and GAUGES Fuses
ENG SEN Fuse
ENG SEN Fuse
Figure 3:

DRL Module, Side Marker Lamps, Park/Turn Lamps, Fog Lamp Relay


Object Number: 726988  Size: FS
Master Electrical Component List
Exterior Lighting Systems Description and Operation
Taillamps, Inboard Tail/Stop/Turn Lamps, Outboard Tail/Stop/Turn Lamps, Side Marker Lamps, License Lamp
Center High Mounted Stop Lamp
Turn/Hazard Switch, Turn Indicators
G105
TAIL LPS and STOP/HAZARD Fuses
DRL Module, Headlamp Opening Door Assembly
Turn/Hazard Switch, Turn Indicators
G106
Figure 4:

Taillamps, Inboard Tail/Stop/Turn Lamps, Outboard Tail/Stop/Turn Lamps, Side Marker Lamps, License Lamp


Object Number: 726989  Size: FS
Master Electrical Component List
Exterior Lighting Systems Description and Operation
DRL Module, Side Marker Lamps, Park/Turn Lamps, Fog Lamp Relay
Turn/Hazard Switch, Turn Indicators
G400 Pontiac
Turn/Hazard Switch, Turn Indicators
DRL Module, Side Marker Lamps, Park/Turn Lamps, Fog Lamp Relay
TAIL LPS and STOP/HAZARD Fuses

Exterior Lights Schematics Backup Lamps

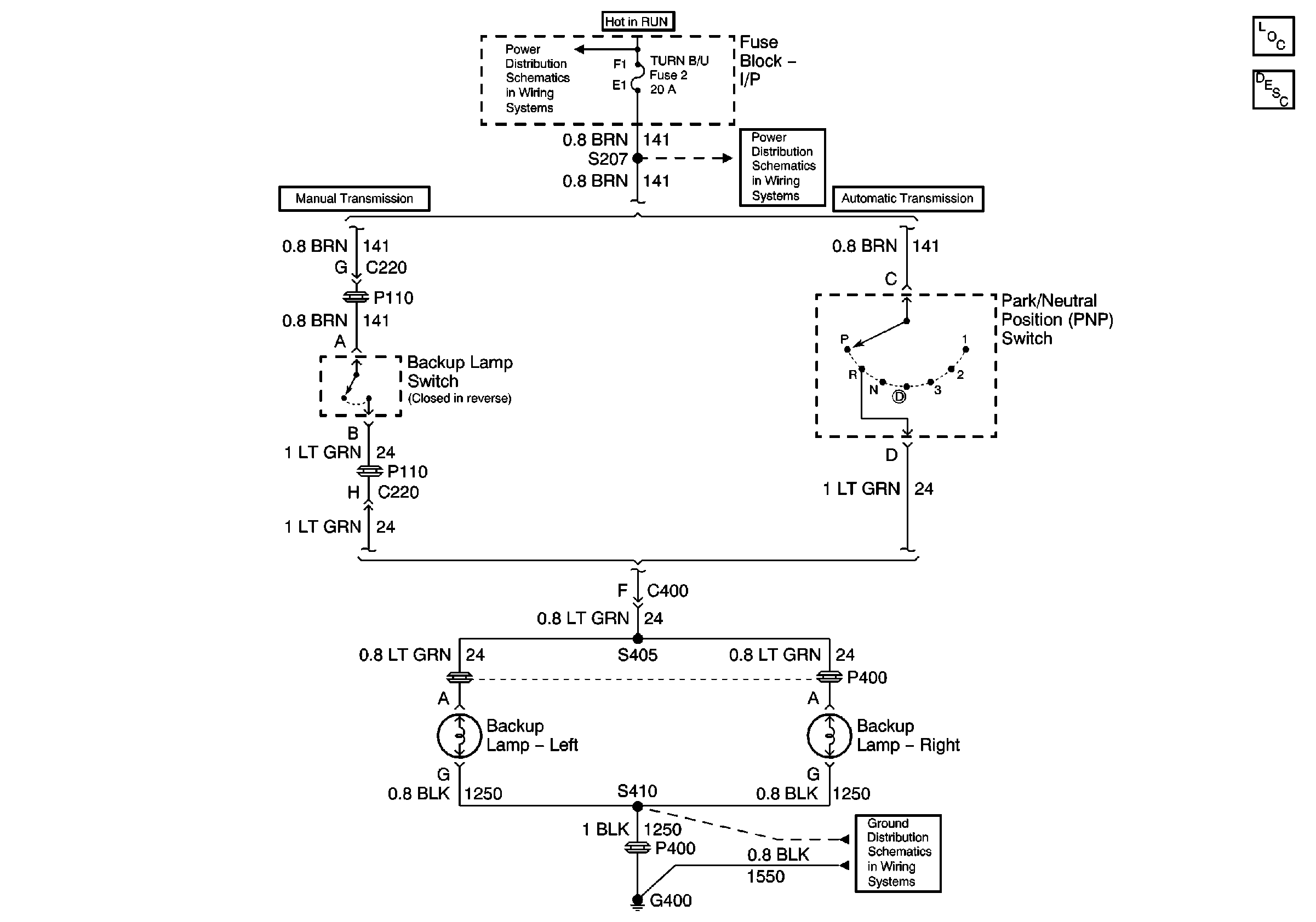
Park Neutral Position Switch, Backup Lamp Switch, Backup Lamps


Object Number: 726991  Size: FS
Master Electrical Component List
Exterior Lighting Systems Description and Operation
G400 Chevrolet
HVAC and TURN B/U Fuses
HVAC and TURN B/U Fuses