GM Service Manual Online
For 1990-2009 cars only
Figure 1:

Power, Ground, MIL, Communication


Object Number: 1784467  Size: FS
Master Electrical Component List
Engine Control Module Description
Control Module References
5-Volt and Low Reference Bussing
Underhood Fuse Block Fuses- EMISN, FUEL PMP, INJ, PCM/ECM, and FUEL PMP Relay and PWR/TRN Relay
Underhood Fuse Block Fuses- EMISN, FUEL PMP, INJ, PCM/ECM, and FUEL PMP Relay and PWR/TRN Relay
Underhood Fuse Block Fuses- ABS, ABS2, BCK UP, CNSTR VENT, ECM/TRANS, EPS, HTD SEATS, IP IGN, LTR, MIR, PRK/NEUT, S-BAND/ONSTAR, and RUN/CRANK Relay
Body Control Module - AUDIO AMPLIFIER Fuse, BCM2 Fuse, CLUSTER Fuse, IGN SW Fuse, STOP LPS Fuse
Body Control Module - AUDIO AMPLIFIER Fuse, BCM2 Fuse, CLUSTER Fuse, IGN SW Fuse, STOP LPS Fuse
Body Control Module - AUDIO AMPLIFIER Fuse, BCM2 Fuse, CLUSTER Fuse, IGN SW Fuse, STOP LPS Fuse
High Speed GMLAN
G103, G105, G107
G101, G102
Power, Ground, PNP Switch
Figure 2:

5-Volt and Low Reference Bussing


Object Number: 1784470  Size: FS
Master Electrical Component List
Engine Control Module Description
Control Module References
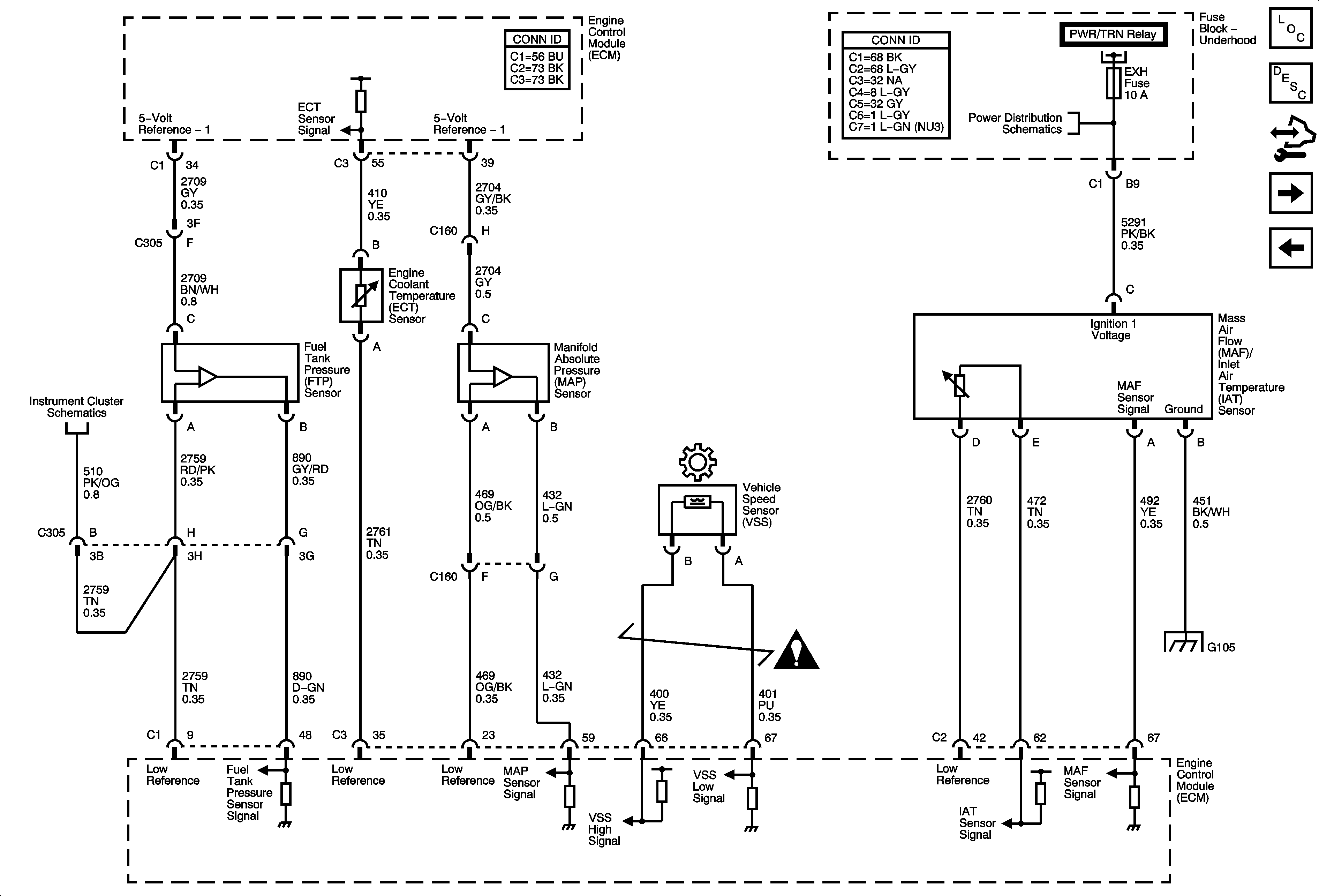
Engine Data Sensors - Pressure, Temperature, MAF, VSS
Power, Ground, MIL, Communication
Figure 3:

Engine Data Sensors - Pressure, Temperature, MAF, VSS


Object Number: 1784472  Size: FS
Master Electrical Component List
Air Intake System Description
Control Module References
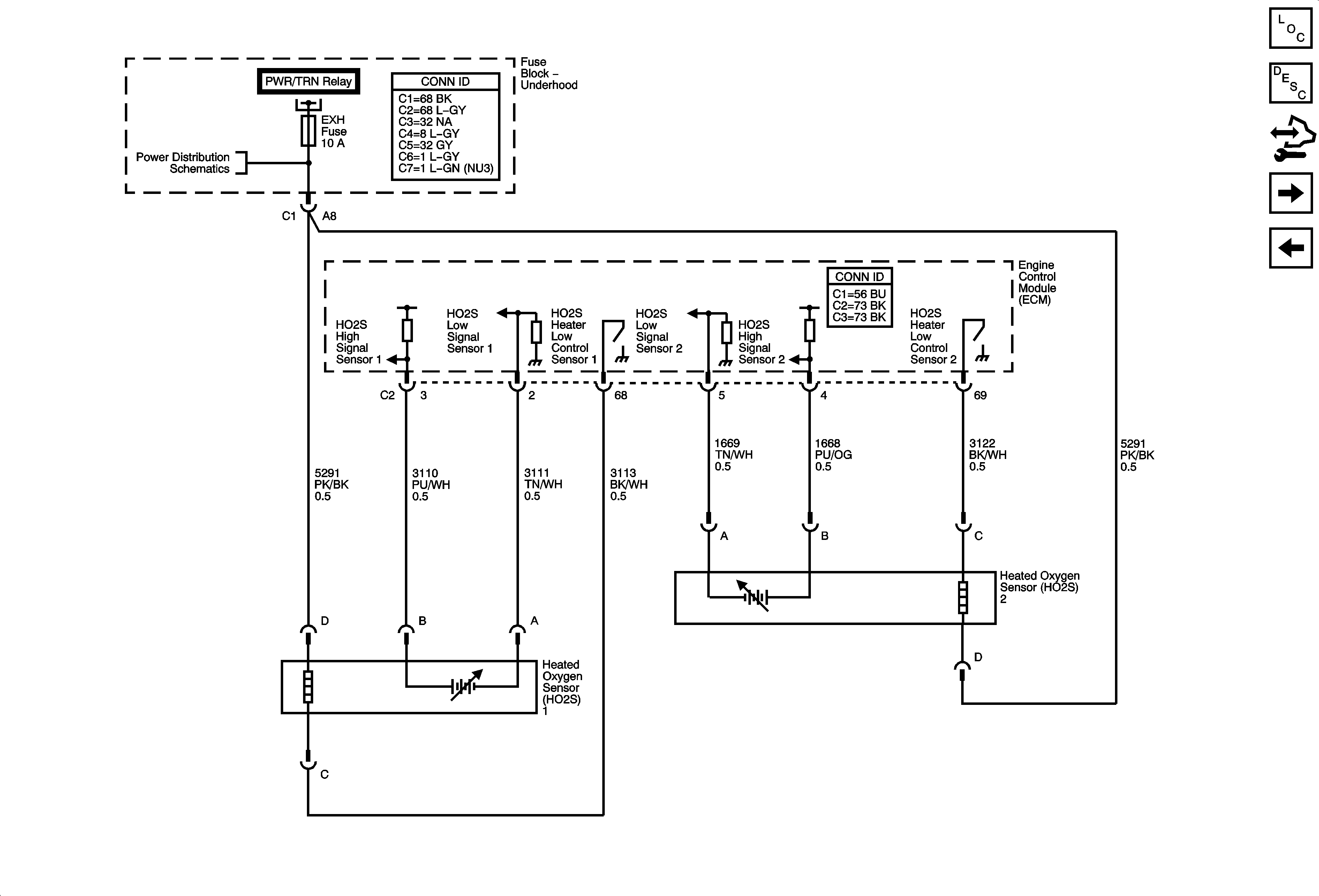
Engine Data Sensors - HO2S
5-Volt and Low Reference Bussing
Sensors, Indicators
Underhood Fuse Block Fuses- EMISN, FUEL PMP, INJ, PCM/ECM, and FUEL PMP Relay and PWR/TRN Relay
G103, G105, G107
Engine Controls Schematic Icons
Figure 4:

Engine Data Sensors - HO2S


Object Number: 1784479  Size: FS
Master Electrical Component List
Engine Control Module Description
Control Module References
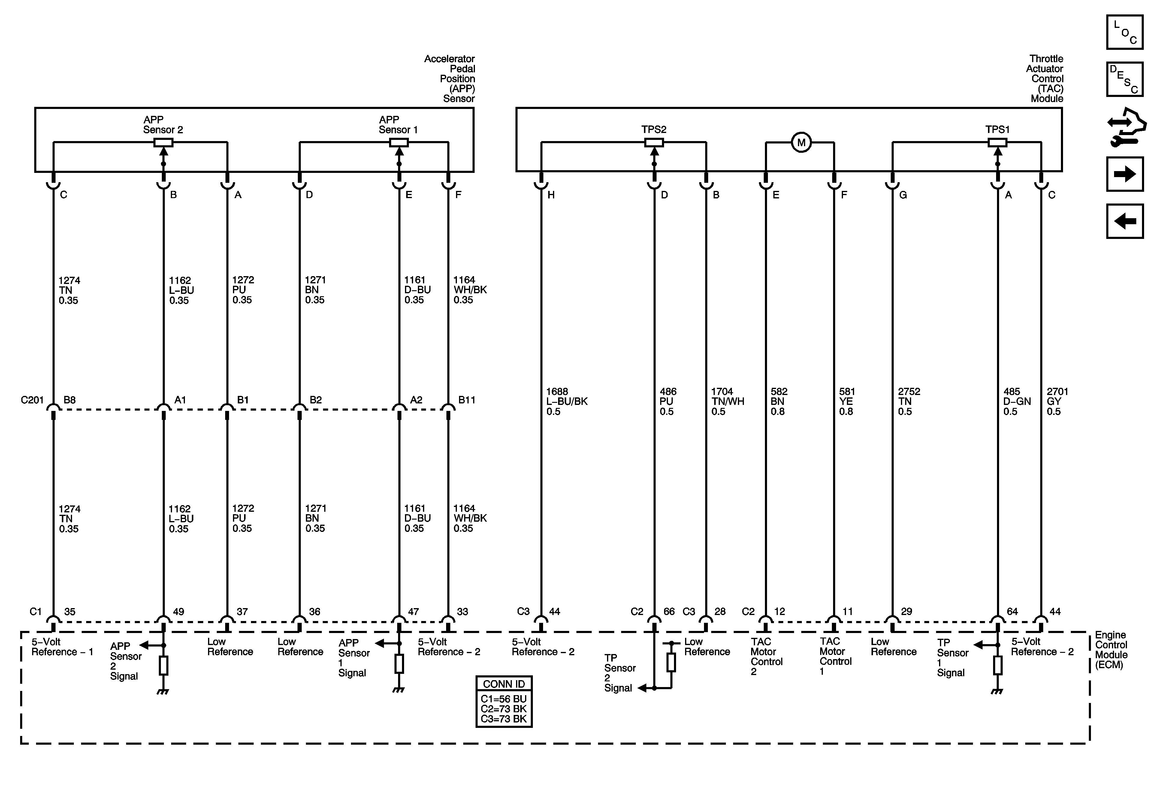
Engine Data Sensors - Throttle Controls
Engine Data Sensors - Pressure, Temperature, MAF, VSS
Underhood Fuse Block Fuses- EMISN, FUEL PMP, INJ, PCM/ECM, and FUEL PMP Relay and PWR/TRN Relay
Figure 5:

Engine Data Sensors - Throttle Controls


Object Number: 1784482  Size: FS
Master Electrical Component List
Throttle Actuator Control (TAC) System Description
Control Module References
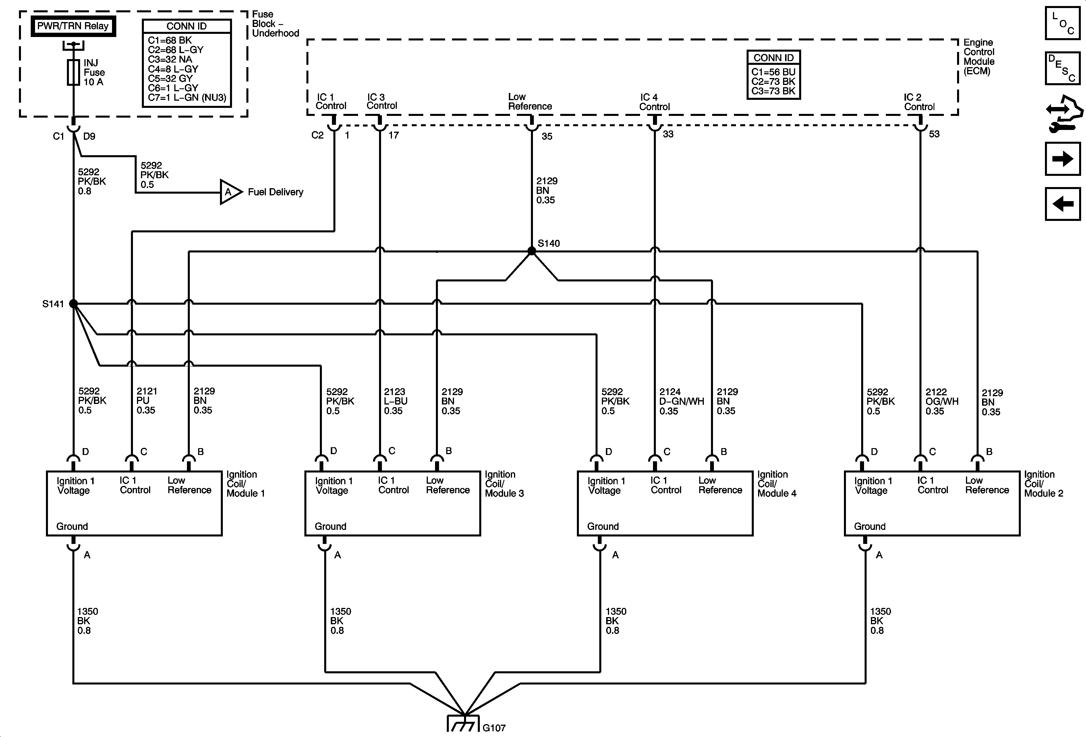
Ignition Controls - Ignition System
Engine Data Sensors - HO2S
Figure 6:

Ignition Controls - Ignition System


Object Number: 1784484  Size: FS
Master Electrical Component List
Electronic Ignition (EI) System Description
Control Module References
Ignition Controls - Ignition Sensors
Engine Data Sensors - Throttle Controls
Fuel Controls
G103, G105, G107
Figure 7:

Ignition Controls - Sensors


Object Number: 1784487  Size: FS
Master Electrical Component List
Electronic Ignition (EI) System Description
Control Module References
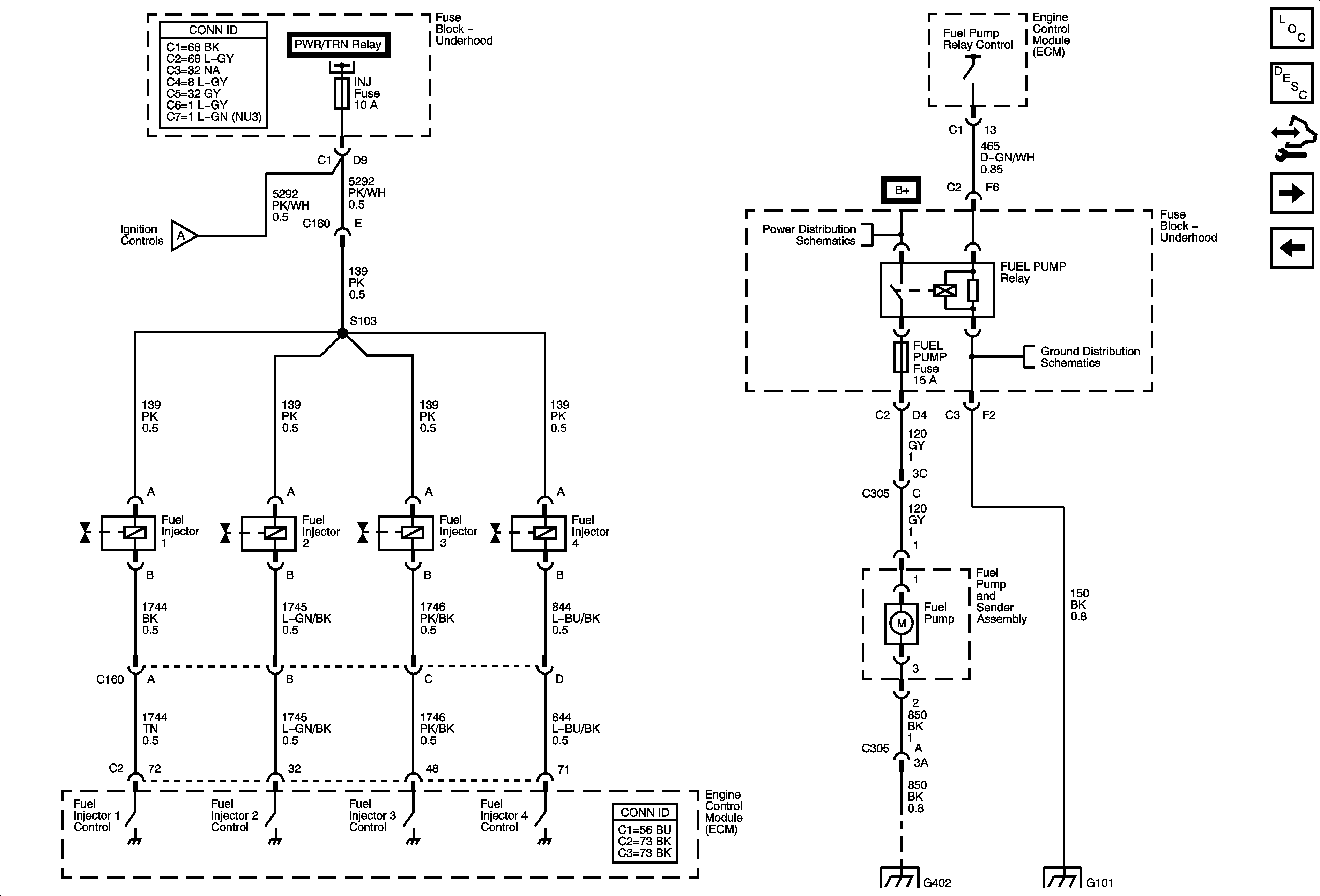
Fuel Controls
Ignition Controls - Ignition System
Figure 8:

Fuel Controls


Object Number: 1784490  Size: FS
Master Electrical Component List
Fuel System Description
Control Module References
EVAP Controls
Ignition Controls - Ignition Sensors
Ignition Controls - Ignition System
Underhood Fuse Block Fuses- EMISN, FUEL PMP, INJ, PCM/ECM, and FUEL PMP Relay and PWR/TRN Relay
G101, G102
G402, G403
G101, G102
Figure 9:

EVAP Controls


Object Number: 1784492  Size: FS
Master Electrical Component List
Evaporative Emission Control System Description
Control Module References
Controlled/Monitored Subsystem References
Fuel Controls
Underhood Fuse Block Fuses- ABS, ABS2, BCK UP, CNSTR VENT, ECM/TRANS, EPS, HTD SEATS, IP IGN, LTR, MIR, PRK/NEUT, S-BAND/ONSTAR, and RUN/CRANK Relay
Underhood Fuse Block Fuses- EMISN, FUEL PMP, INJ, PCM/ECM, and FUEL PMP Relay and PWR/TRN Relay
Figure 10:

Controlled/Monitored Subsystem References


Object Number: 1784493  Size: FS
Master Electrical Component List
Engine Control Module Description
Control Module References
EVAP Controls
Sensors, Indicators
Manual Transmission Schematic
Clutch Pedal Position Switch, Stop Lamp Switch
LE5
Compressor Controls
Charging
Starting
Manual Transmission Schematic