| Figure 1: |
DLC, Ground, MIL and Power
|
| Figure 2: |
5-Volt and Low References
|
| Figure 3: |
MAF, VSS and Extended Brake Travel Switch
|
| Figure 4: |
Heated Oxygen Sensors
|
| Figure 5: |
Electronic Throttle Controls
|
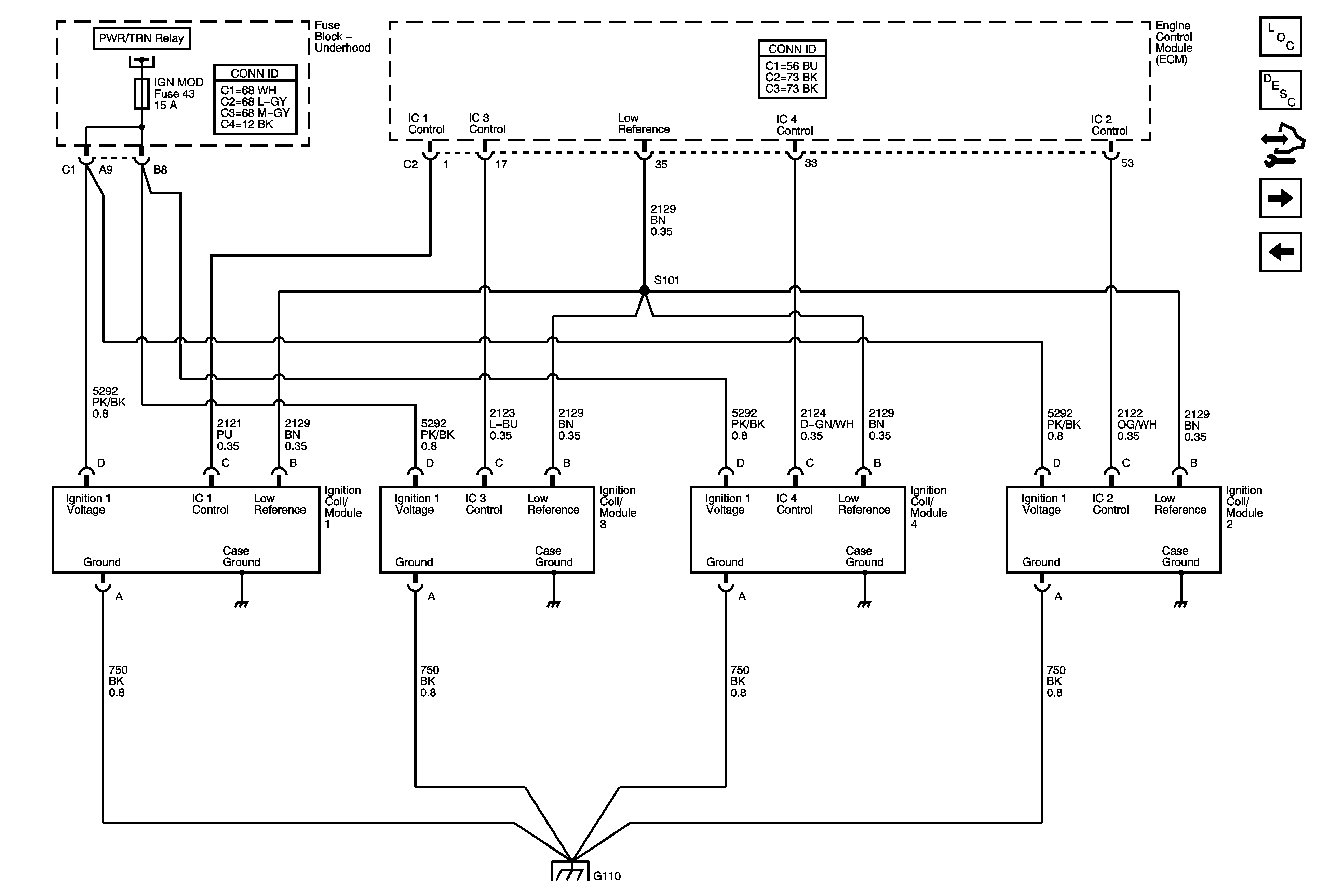
| Figure 6: |
Ignition Coils/Modules
|
| Figure 7: |
Ignition Sensors
|
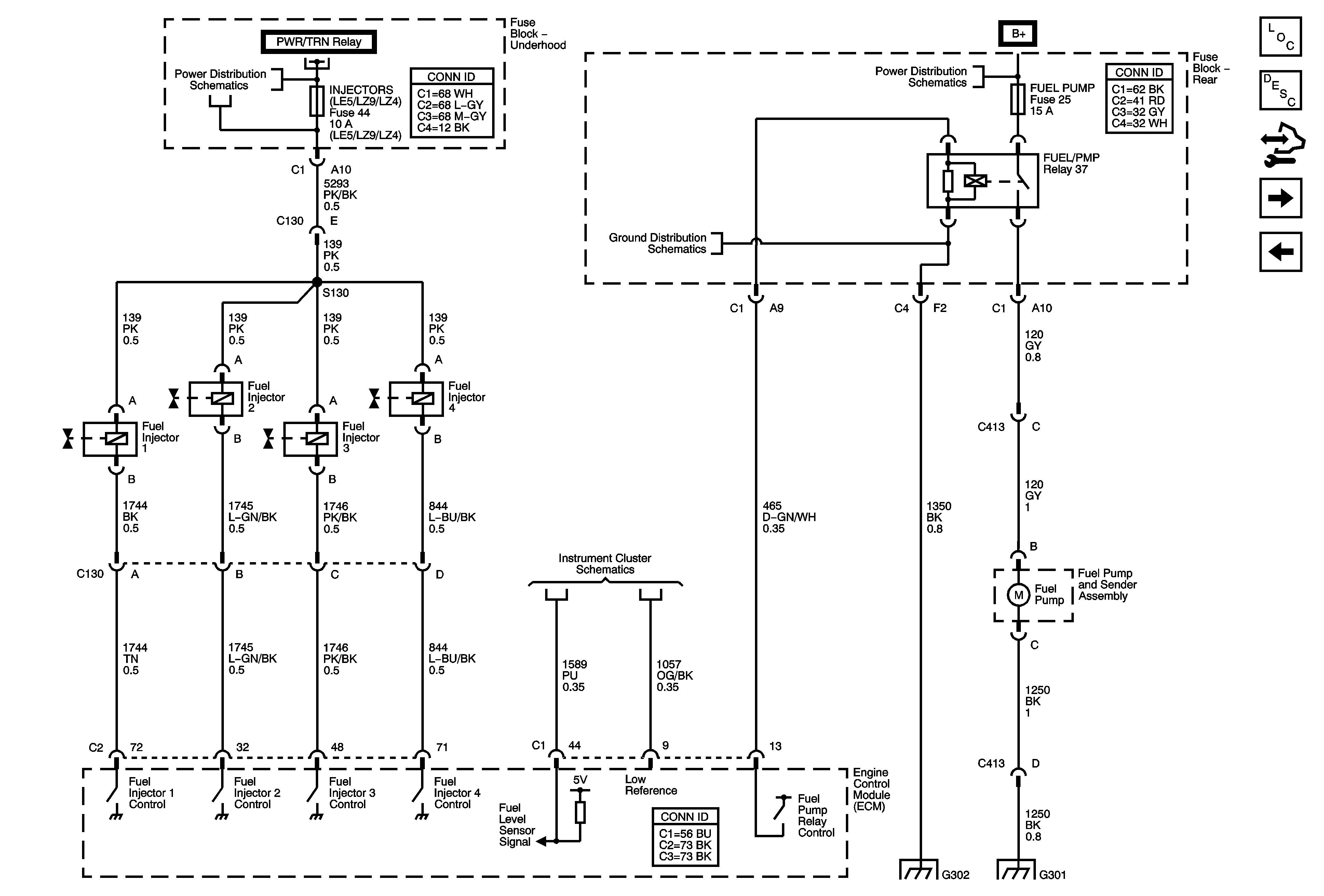
| Figure 8: |
Fuel Injectors and Fuel Pump
|
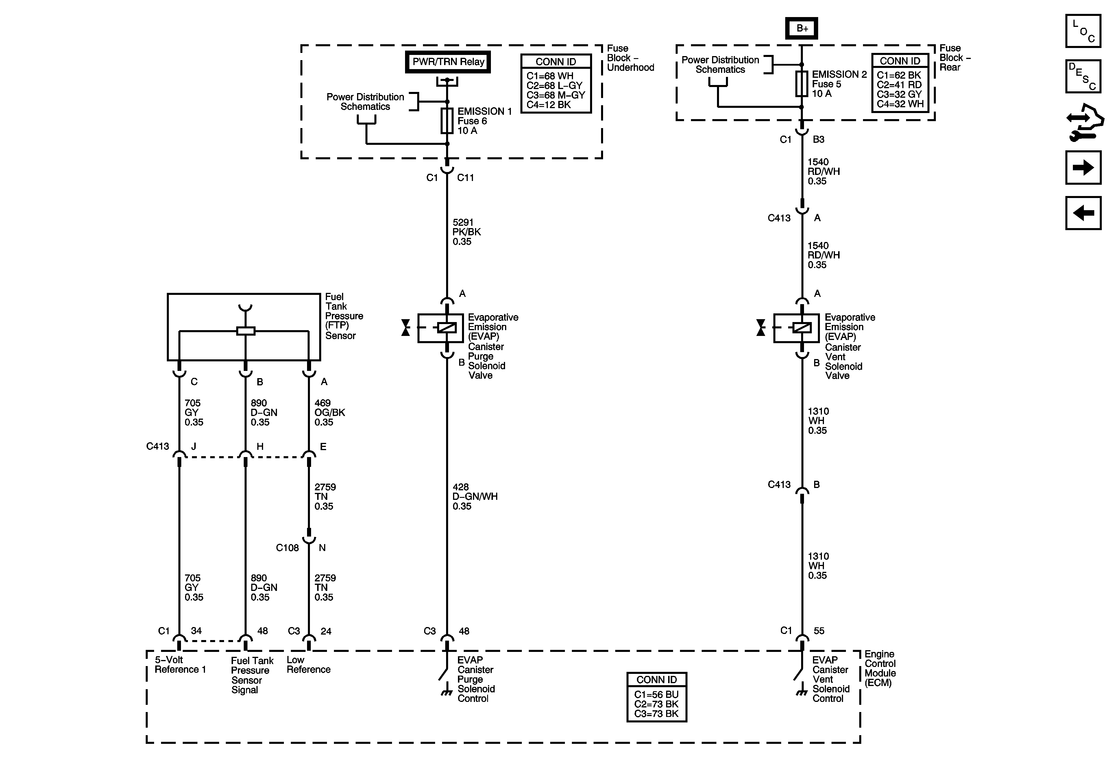
| Figure 9: |
EVAP Controls and FTP Sensor
|
| Figure 10: |
Controlled/Monitored Subsystem References
|