GM Service Manual Online
For 1990-2009 cars only
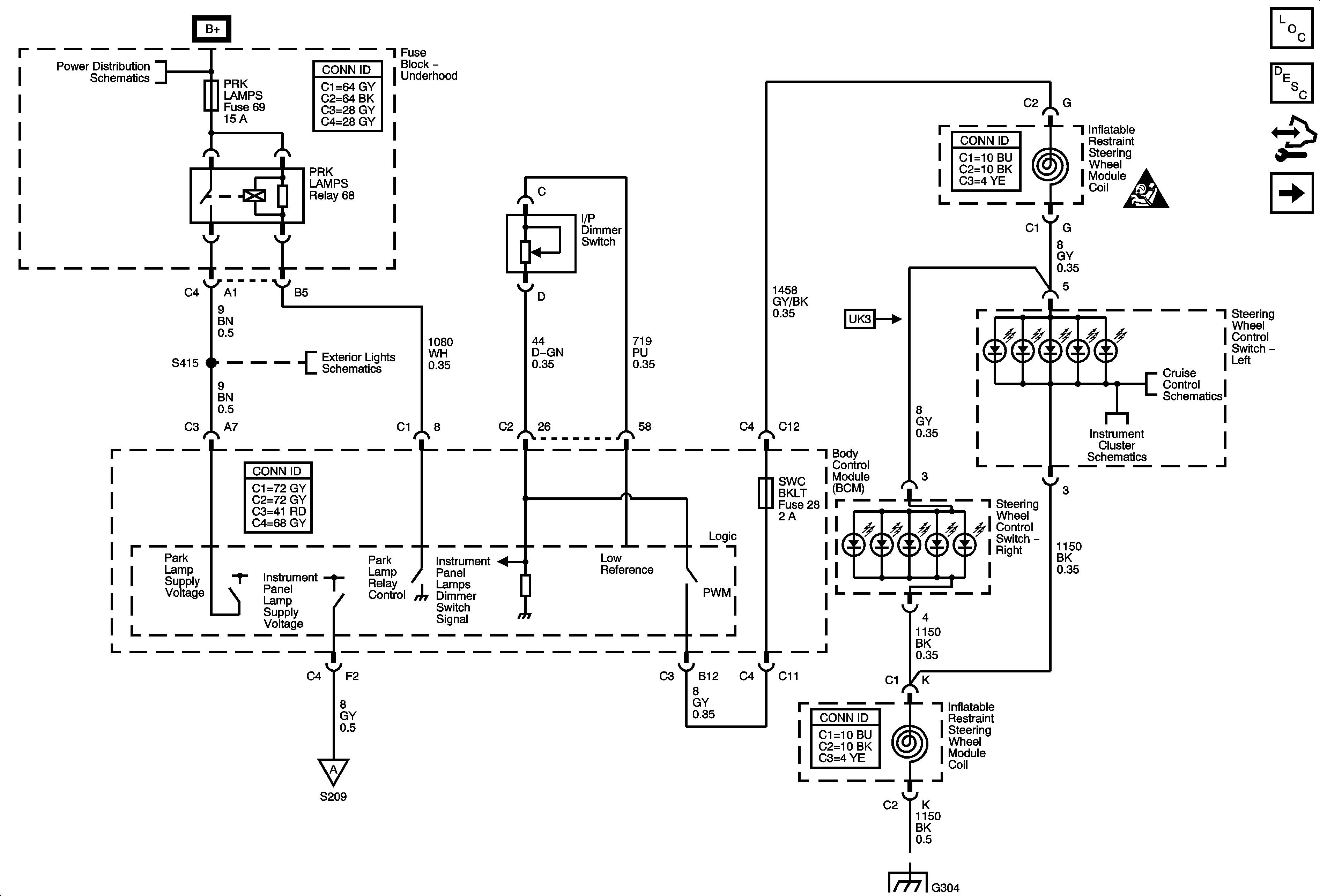
Figure 1:

I/P Dimmer Switch


Object Number: 1829765  Size: FS
Master Electrical Component List
Interior Lighting Systems Description and Operation
Control Module References
Lights
B+ Bus Bar - 2 of 2
Hazards and Park Lamps
Lighting Systems Schematic Icons
Lights
G103, G304, G105, G104, and G106
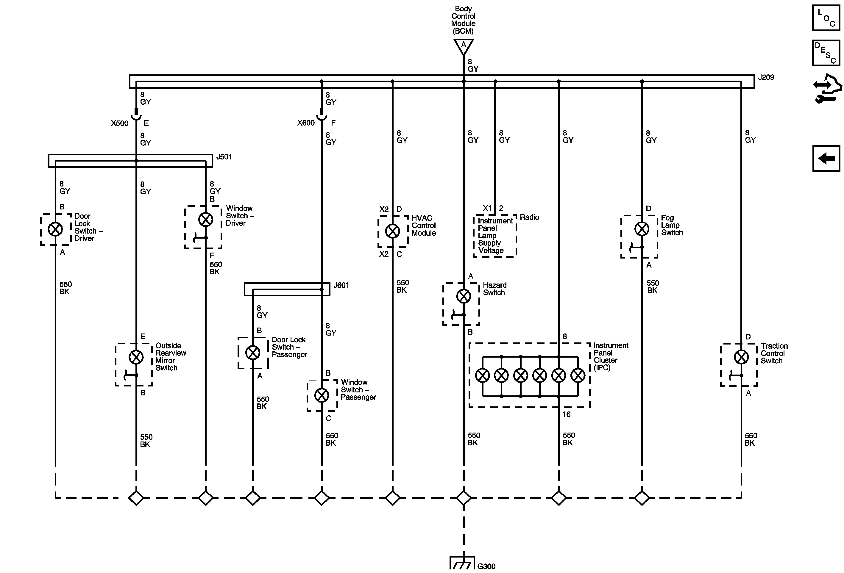
Figure 2:

Lights


Object Number: 1829772  Size: FS
Master Electrical Component List
Interior Lighting Systems Description and Operation
Control Module References
I/P Dimmer Switch
I/P Dimmer Switch
Fog Lights Schematics
Brake Pedal Sensor, Indicator, and Traction Control Switch
G300 - 2 of 2
Moveable Window Schematics
G300 - 2 of 2
G301, G302, G303, G400 and G402
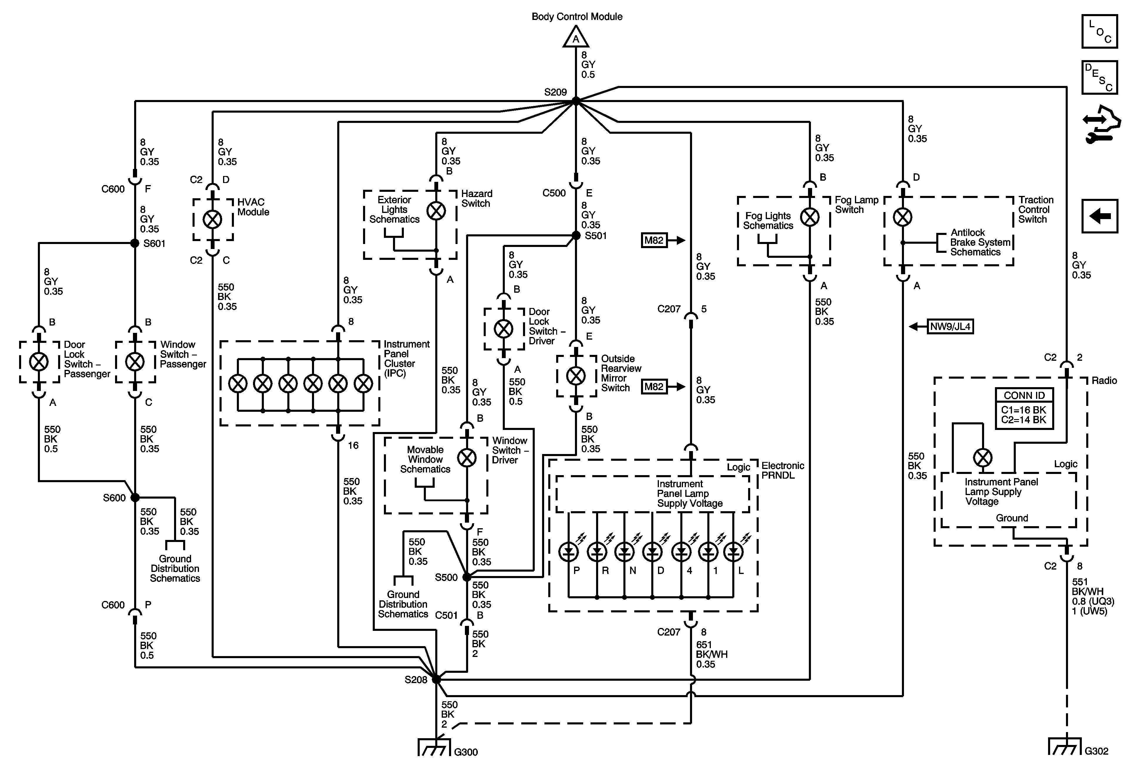
Figure 1:

I/P Dimmer Switch


Object Number: 1871385  Size: FS
Master Electrical Component List
Interior Lighting Systems Description and Operation
Control Module References
Interior Lights Schematics
Hazard and Park Lamps
Hazard and Park Lamps
Cruise Control Schematic Icons
Cruise Control Schematics
Steering Wheel Secondary/Configurable Control Schematics
Lights
G103, G304, G105, G104, and G106
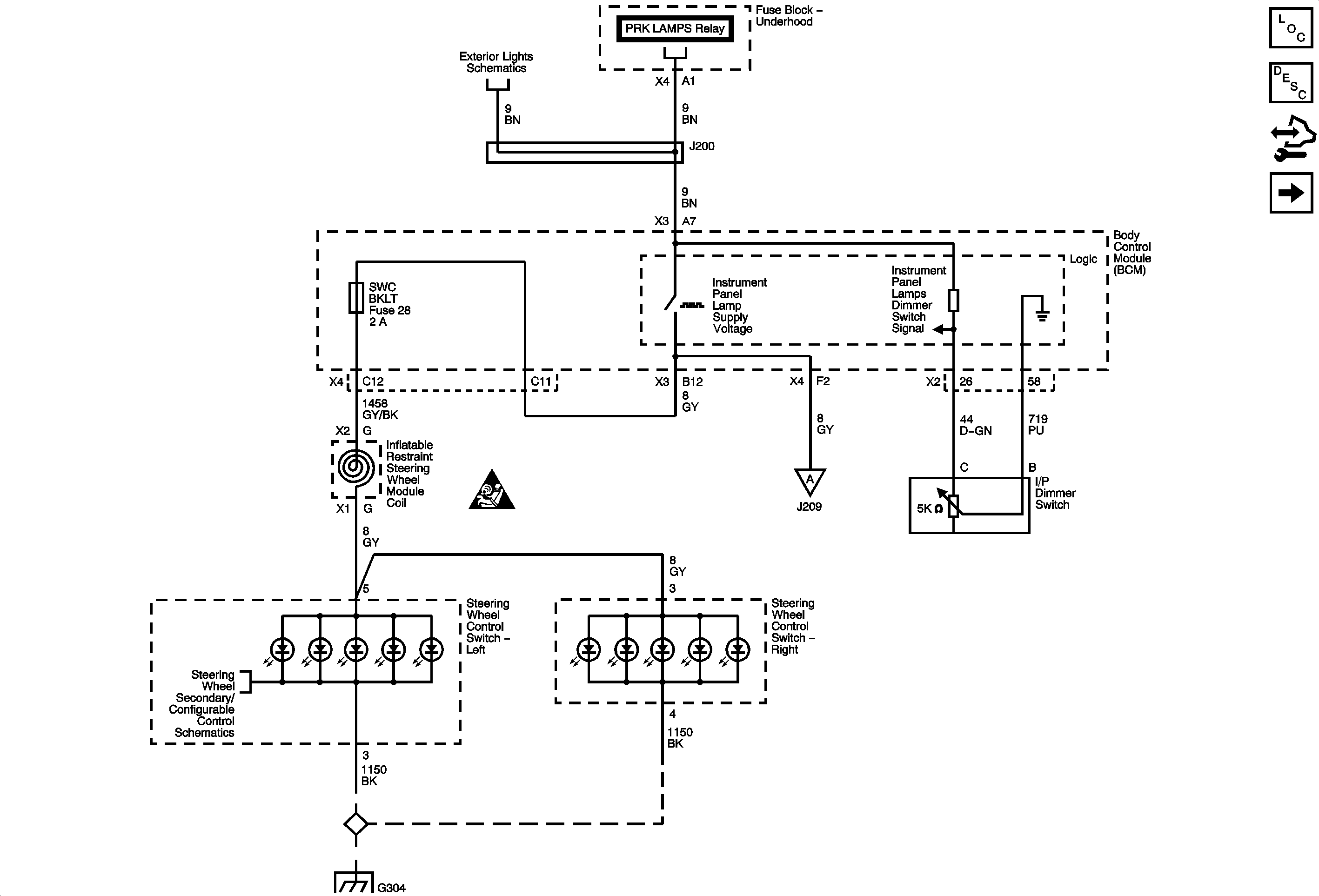
Figure 2:

Lights


Object Number: 1871390  Size: FS
Master Electrical Component List
Interior Lighting Systems Description and Operation
Control Module References
Interior Lights Schematics
I/P Dimmer Switch
Hazard and Park Lamps
Brake Pedal Sensor, Indicator, and Traction Control Switch
Outside Rearview Mirror Schematics
Fog Lights Schematics
Moveable Window Schematics
Moveable Window Schematics
G300 - 2 of 2
G301, G102, G303, and G402