GM Service Manual Online
For 1990-2009 cars only
Figure 1:

Module Power, Grounds, Serial Data, and MIL


Object Number: 1749028  Size: FS
Master Electrical Component List
Powertrain Control Module Description
Control Module References
Fuse Block - Underhood - PWR/TRN Relay
AIR PUMP, EAP, ECM, PCM B, TBC I, and TCM CNSTR Fuses
B+ BUS - Underhood Fuse Block - 2 of 2
B+ BUS - Underhood Fuse Block - 2 of 2
AIR SOL and PCM I Fuses
BCK/UP, BTSI, IGN E, and TRLR BCK/UP Fuses
BCK/UP, BTSI, IGN E, and TRLR BCK/UP Fuses
BCK/UP, BTSI, IGN E, and TRLR BCK/UP Fuses
G104, G105, and G107
AIR SOL and PCM I Fuses
Power, Ground, Serial Data, and MIL
G201 - 1 of 2
4WD, BRK, FRT WPR, HVAC I, IGN 0, and TCM Fuses
G108
Power, Ground, and Data Link Connector
SP205
Figure 2:

Fuse Block - Underhood - PWR/TRN Relay


Object Number: 1749032  Size: FS
Master Electrical Component List
Powertrain Control Module Description
Control Module References
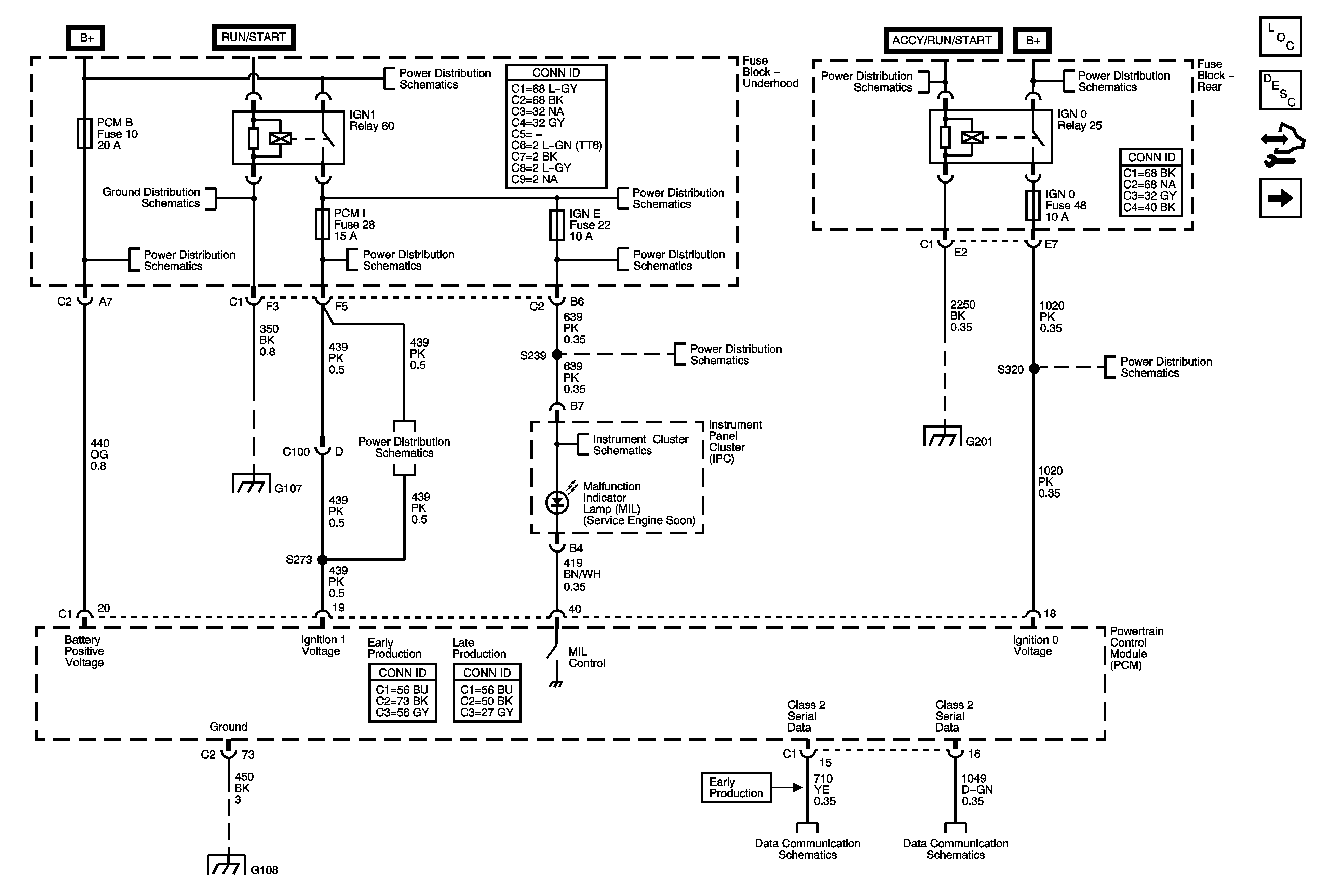
Fuse Block - Underhood - IGN1 Relay
Module Power, Grounds, Serial Data, and MIL
B+ BUS - Underhood Fuse Block - 2 of 2
Figure 3:

Fuse Block - Underhood - IGN 1 Relay


Object Number: 1749034  Size: FS
Master Electrical Component List
Powertrain Control Module Description
Control Module References
5-Volt and Low Reference
Fuse Block - Underhood - PWR/TRN Relay
G104, G105, and G107
B+ BUS - Underhood Fuse Block - 2 of 2
AIR SOL and PCM I Fuses
AIR SOL and PCM I Fuses
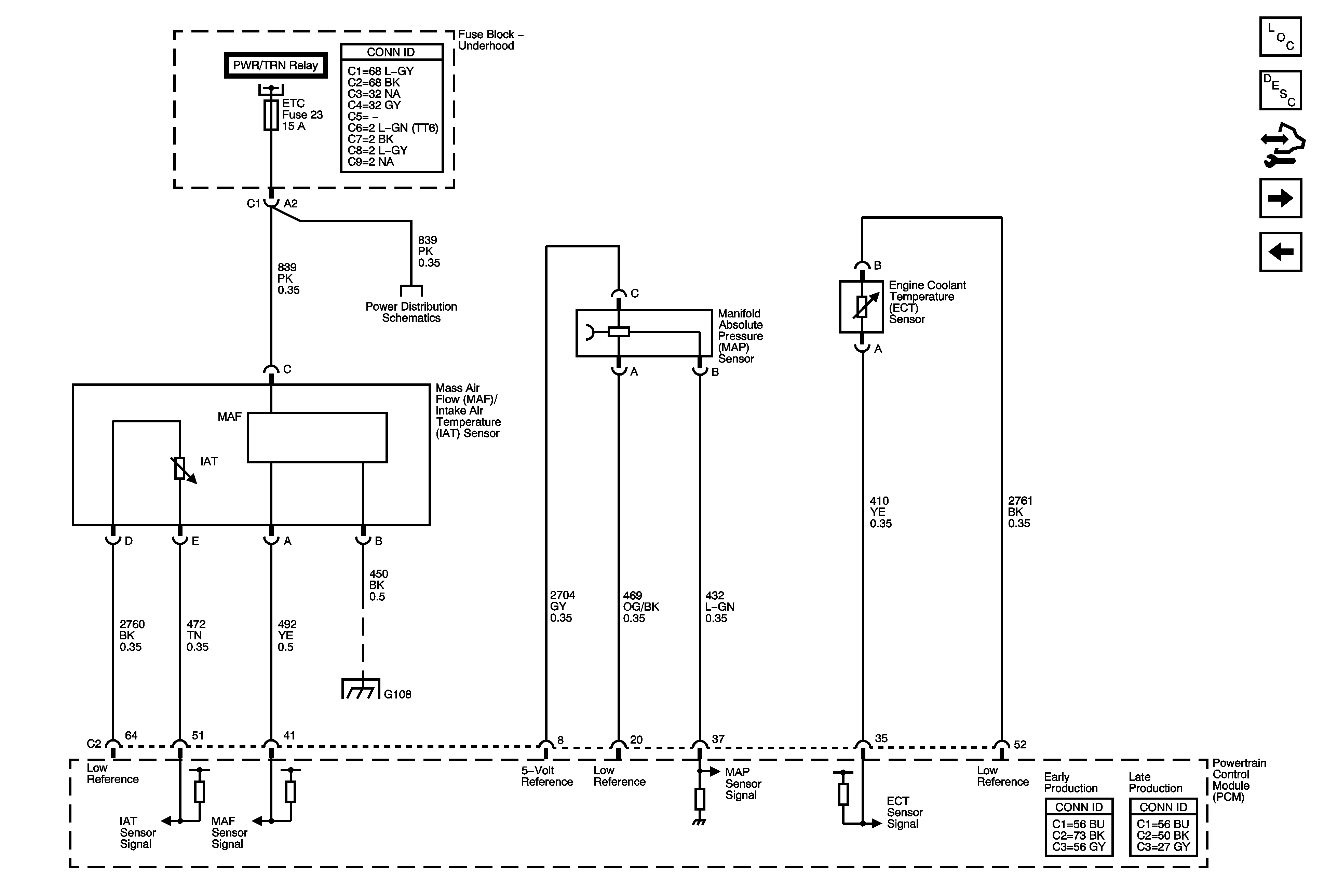
Figure 4:

5-Volt and Low Reference


Object Number: 1749036  Size: FS
Master Electrical Component List
Powertrain Control Module Description
Control Module References
Engine Data Sensors - Pressure and Temperature
Fuse Block - Underhood - IGN1 Relay
Figure 5:

Engine Data Sensors - Pressure and Temperature


Object Number: 1749039  Size: FS
Master Electrical Component List
Air Intake System Description
Control Module References
Engine Data Sensors - Oxygen Sensors
5-Volt and Low Reference
Fuse Block - Underhood - PWR/TRN Relay
O2 SNSR and ETC Fuses - 4.2L
G108
Figure 6:

Engine Data Sensors - Oxygen Sensors


Object Number: 1749041  Size: FS
Master Electrical Component List
Fuel System Description
Control Module References
Engine Data Sensors - Throttle Actuator Controls and VSS
Engine Data Sensors - Pressure and Temperature
Fuse Block - Underhood - PWR/TRN Relay
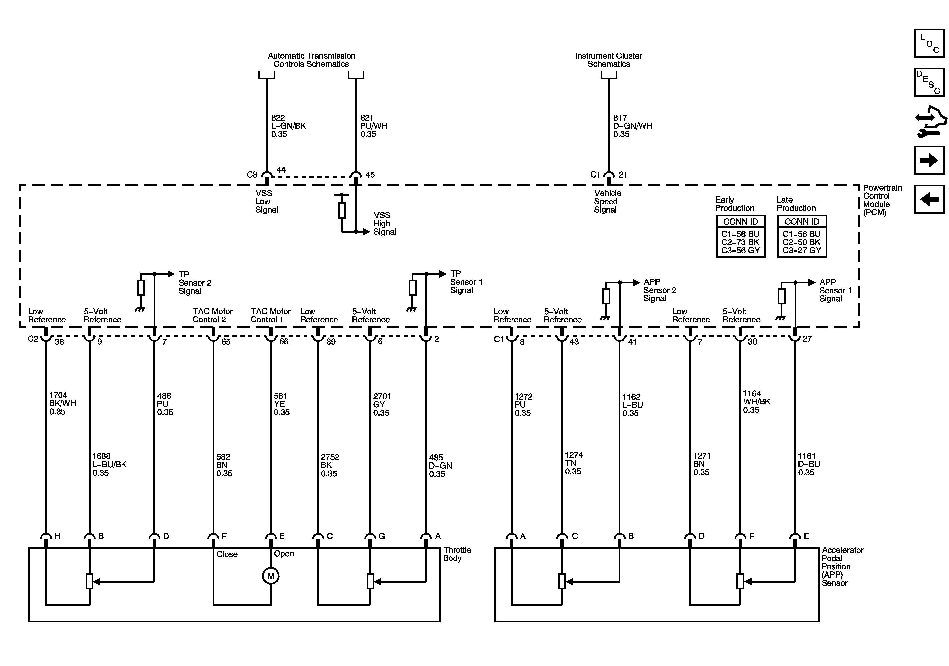
Figure 7:

Engine Data Sensors - Throttle Actuator Controls and VSS


Object Number: 1749060  Size: FS
Master Electrical Component List
Throttle Actuator Control (TAC) System Description
Control Module References
Ignition Controls - Ignition System
Engine Data Sensors - Oxygen Sensors
Pressure Controls, Temperature, and VSS
Gages
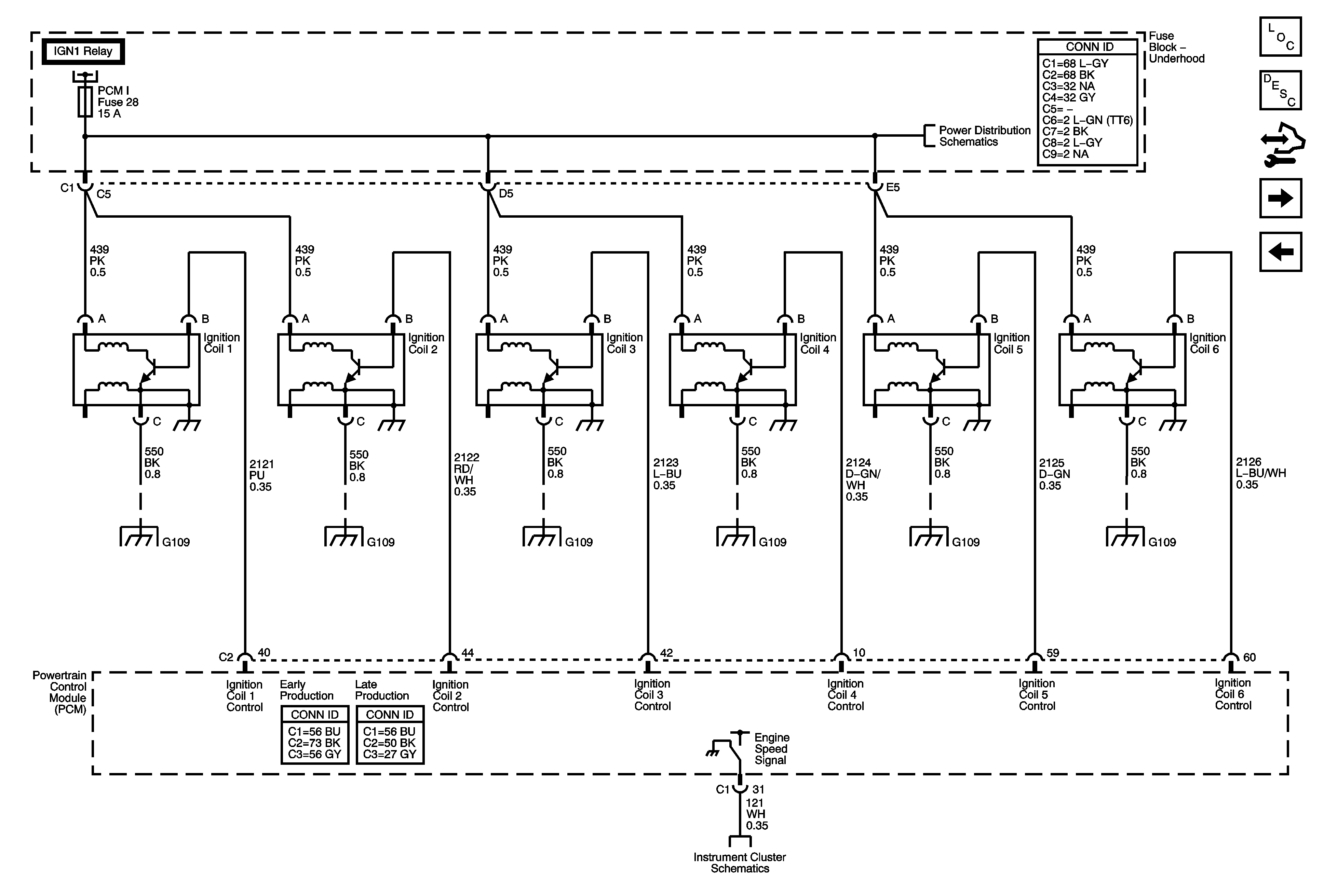
Figure 8:

Ignition Controls - Ignition System


Object Number: 1749062  Size: FS
Master Electrical Component List
Electronic Ignition (EI) System Description
Control Module References
Ignition Controls - Sensors
Engine Data Sensors - Throttle Actuator Controls and VSS
Fuse Block - Underhood - IGN1 Relay
AIR SOL and PCM I Fuses
G109
G109
G109
G109
G109
G109
Gages
Figure 9:

Ignition Controls - Sensors


Object Number: 1749063  Size: FS
Master Electrical Component List
Electronic Ignition (EI) System Description
Control Module References
Fuel Controls - Fuel Pump Controls and Fuel Injectors
Ignition Controls - Ignition System
Engine Controls Schematic Icons
Engine Controls Schematic Icons
Figure 10:

Fuel Controls - Fuel Pump Controls and Fuel Injectors


Object Number: 1749064  Size: FS
Master Electrical Component List
Fuel System Description
Control Module References
Fuel Controls - EVAP Controls
Ignition Controls - Sensors
AIR SOL and PCM I Fuses
Fuse Block - Underhood - IGN1 Relay
B+ BUS - Underhood Fuse Block - 2 of 2
AIR PUMP, EAP, ECM, PCM B, TBC I, and TCM CNSTR Fuses
G104, G105, and G107
AIR SOL and PCM I Fuses
Fuel Gage
G201 - 2 of 2, and G305
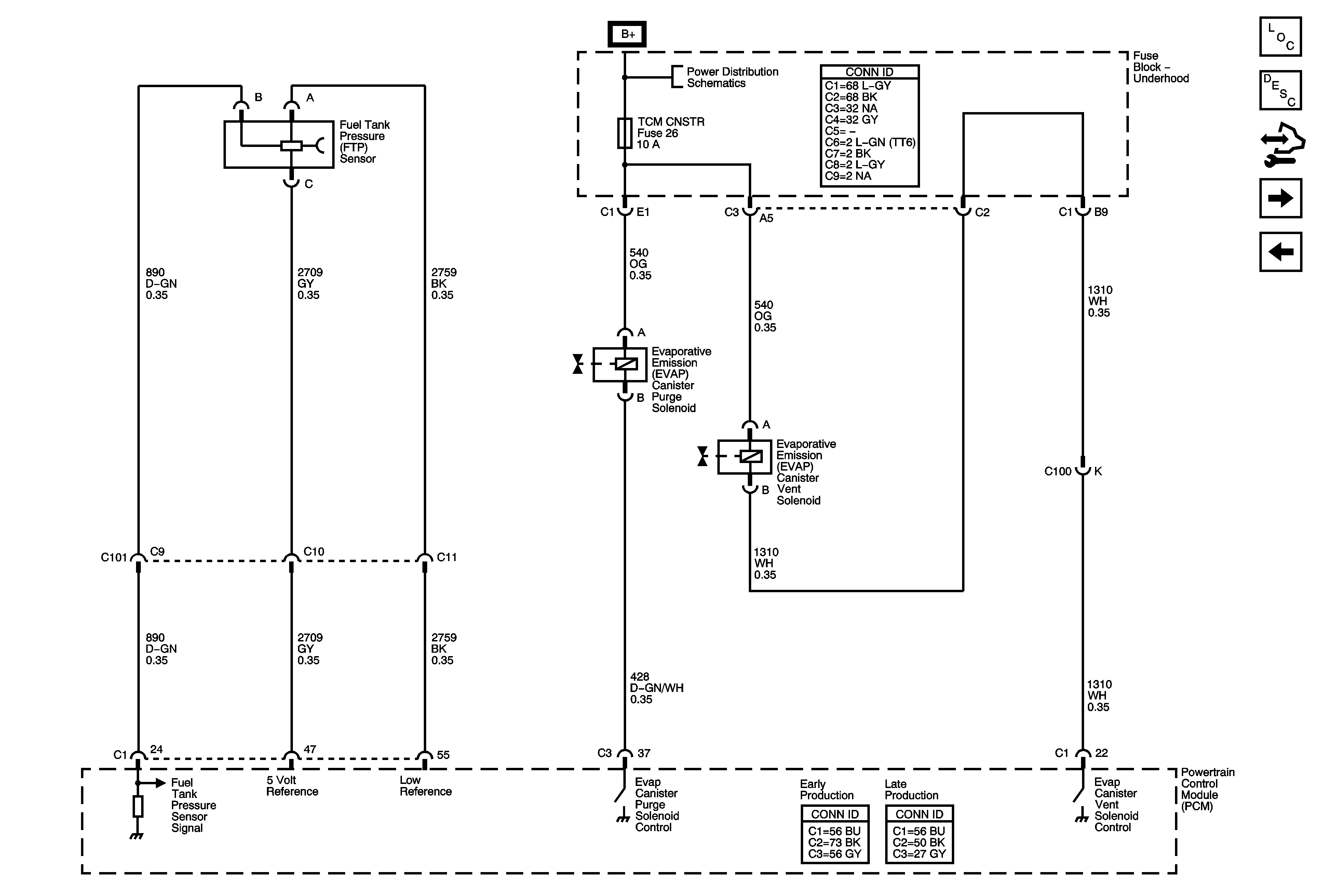
Figure 11:

Fuel Controls - EVAP Controls


Object Number: 1749065  Size: FS
Master Electrical Component List
Evaporative Emission Control System Description
Control Module References
Device Controls - K18
Fuel Controls - Fuel Pump Controls and Fuel Injectors
B+ BUS - Underhood Fuse Block - 1 of 2
Figure 12:

Device Controls - K18


Object Number: 1753744  Size: FS
Master Electrical Component List
Secondary Air Injection System Description
Control Module References
Controlled/Monitored Subsystem References
Fuel Controls - EVAP Controls
B+ BUS - Underhood Fuse Block - 1 of 2
Fuse Block - Underhood - IGN1 Relay
G201 - 2 of 2, and G305
G104, G105, and G107
Figure 13:

Controlled/Monitored Subsystem References


Object Number: 1749066  Size: FS
Master Electrical Component List
Powertrain Control Module Description
Control Module References
Transmission Control References - A/T
Device Controls - K18
Compressor Controls
4.2L
Starting System
Charging System
Gages
EBCM Power, Ground, Serial Data, Indicator, and Signal Circuits
Engine Cooling Schematics
Figure 14:

Transmission Control References - A/T


Object Number: 1749069  Size: FS
Master Electrical Component List
Powertrain Control Module Description
Control Module References
Controlled/Monitored Subsystem References
Shift Control and Stop Lamp Switch
Pressure Controls, Temperature, and VSS
EBCM Power, Ground, Serial Data, Indicator, and Signal Circuits
PNP Switch, Serial Data, and Indicator