GM Service Manual Online
For 1990-2009 cars only
Figure 1:

B+ BUS - Underhood Fuse Block - 1 of 2


Object Number: 1749166  Size: FS
Master Electrical Component List
Control Module References
B+ BUS - Underhood Fuse Block - 2 of 2
B+ BUS - Underhood Fuse Block - 2 of 2
Figure 2:

B+ BUS - Underhood Fuse Block - 2 of 2


Object Number: 1749167  Size: FS
Master Electrical Component List
Control Module References
B+ BUS - Rear Fuse Block
B+ BUS - Underhood Fuse Block - 1 of 2
B+ BUS - Underhood Fuse Block - 1 of 2
Figure 3:

B+ BUS - Rear Fuse Block


Object Number: 1749168  Size: FS
Master Electrical Component List
Control Module References
ABS, ATC, BLWR ECAS, ELEC BRK, HAZRD, IPC/DIC, LTR, STOP LAMP, TRLR, VEH CHMSL, VEH STOP, and VSES Fuses
B+ BUS - Underhood Fuse Block - 2 of 2
B+ BUS - Underhood Fuse Block - 1 of 2
Figure 4:

ABS, ATC, BLWR ECAS, ELEC BRK, HAZRD, IPC/DIC/LTR, STOP LAMP, TRLR, VEH CHMSL, VEH STOP, AND VSES Fuses


Object Number: 1749169  Size: FS
Master Electrical Component List
Control Module References
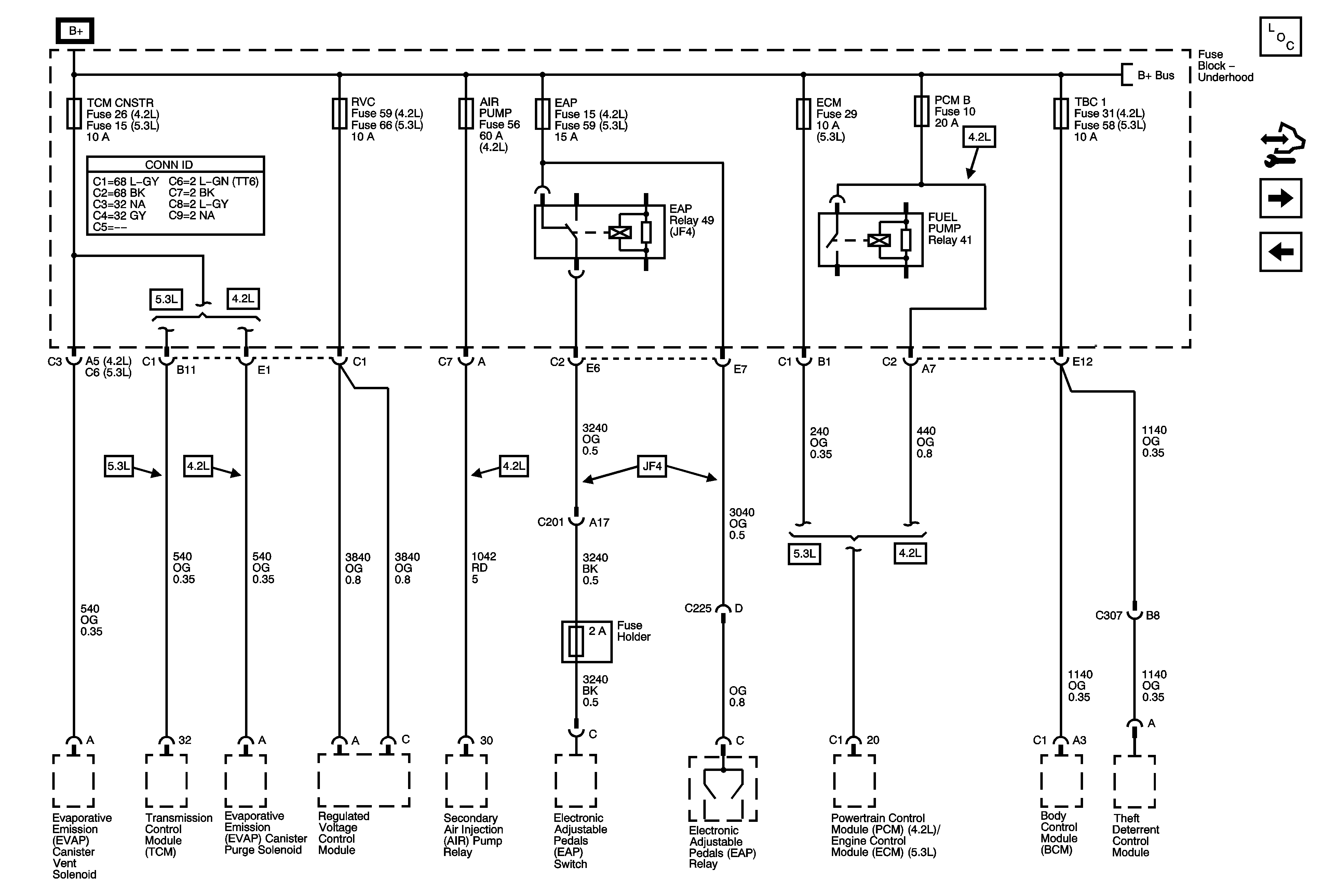
AIR PUMP, EAP, ECM, PCM B, TBC I, and TCM CNSTR Fuses
B+ BUS - Rear Fuse Block
B+ BUS - Underhood Fuse Block - 1 of 2
Figure 5:

EAP, ECM, PCM B, TBC I, and TCM CNSTR Fuses


Object Number: 1749171  Size: FS
Master Electrical Component List
Control Module References
HVAC B, LGM/DSM, OH BATT/ONSTAR, and RADIO Fuses
ABS, ATC, BLWR ECAS, ELEC BRK, HAZRD, IPC/DIC, LTR, STOP LAMP, TRLR, VEH CHMSL, VEH STOP, and VSES Fuses
B+ BUS - Underhood Fuse Block - 1 of 2
Figure 6:

HVAC B, LGM/DSM, OH BATT/ONSTAR, and RADIO Fuses


Object Number: 1749172  Size: FS
Master Electrical Component List
Control Module References
AUX PWR 1, S/ROOF, TBC 2, TBC 3, TBC 4, and TBC 5 Fuses
AIR PUMP, EAP, ECM, PCM B, TBC I, and TCM CNSTR Fuses
B+ BUS - Rear Fuse Block
Figure 7:

AUX PWR 1, S/ROOF, TBC 2, TBC 3, TBC 4, and TBC 5 Fuses


Object Number: 1749174  Size: FS
Master Electrical Component List
Control Module References
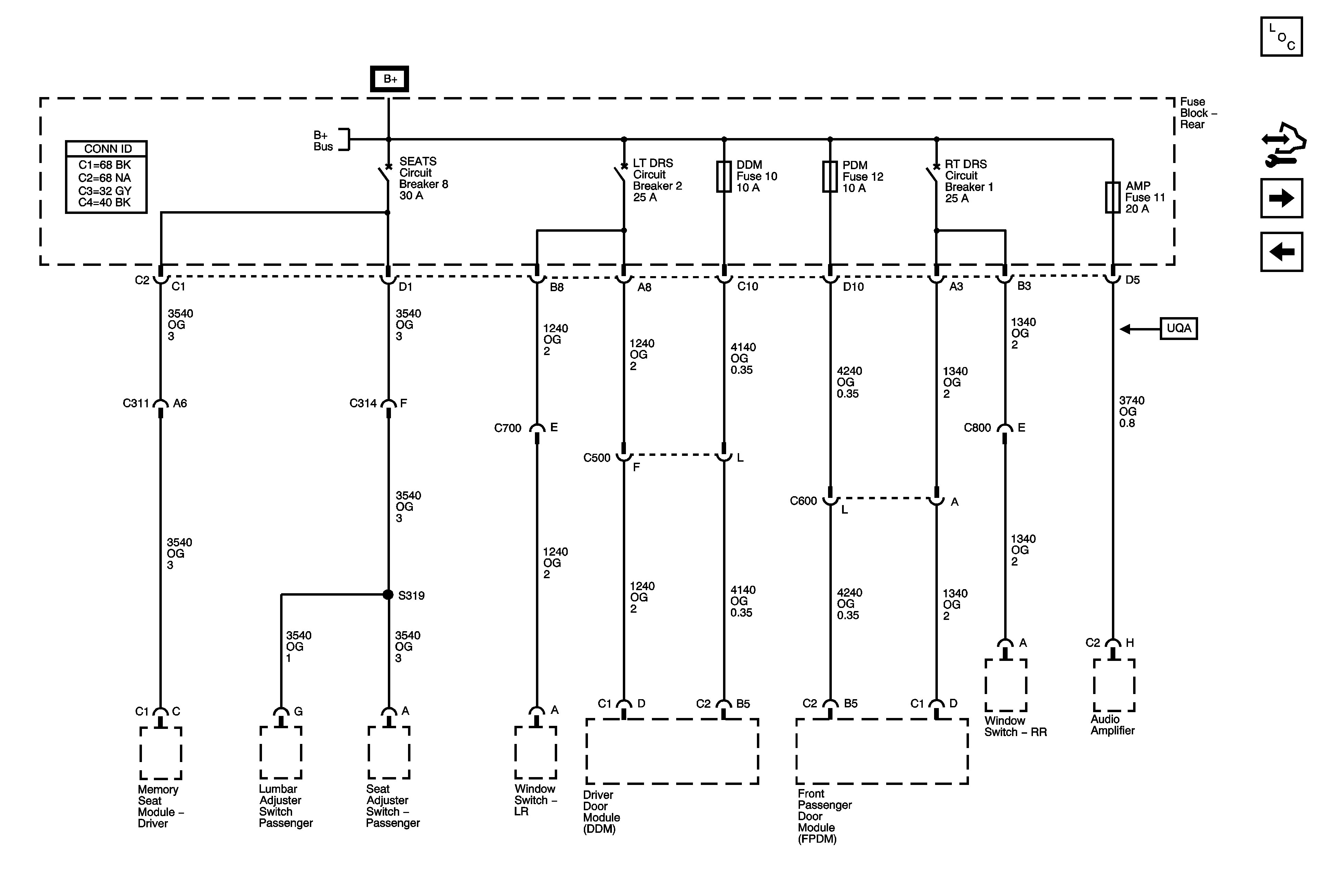
AMP, DDM, PDM Fuses, LT DRS, RT DRS, and SEATS Circuit Breakers
HVAC B, LGM/DSM, OH BATT/ONSTAR, and RADIO Fuses
B+ BUS - Rear Fuse Block
Figure 8:

AMP, DDM, PDM Fuses, LT DRS, RT DRS, and SEATS Circuit Breakers


Object Number: 1749175  Size: FS
Master Electrical Component List
Control Module References
FRT PRK, LGM #2, LR PRK, RR PRK, TRLR PRK Fuses, and REAR WPR Circuit Breakers
AUX PWR 1, S/ROOF, TBC 2, TBC 3, TBC 4, and TBC 5 Fuses
B+ BUS - Rear Fuse Block
Figure 9:

FRT PRK, LGM #2, LR PRK, RR PRK, TRLR PRK Fuses, and REAR WPR Circuit Breakers


Object Number: 1749176  Size: FS
Master Electrical Component List
Control Module References
Ignition Switch - ACCY/RUN/START, RUN, START Bus Bars, and IGNA1 Fuse
AMP, DDM, PDM Fuses, LT DRS, RT DRS, and SEATS Circuit Breakers
B+ BUS - Rear Fuse Block
Figure 10:

Ignition Switch - ACCY/RUN/START, RUN, START Bus Bars, and IGNA1 Fuse


Object Number: 1749177  Size: FS
Master Electrical Component List
Control Module References
Ignition Switch - ACCY/RUN, RUN/START Bus Bars, and IGNB1 Fuse
FRT PRK, LGM #2, LR PRK, RR PRK, TRLR PRK Fuses, and REAR WPR Circuit Breakers
B+ BUS - Underhood Fuse Block - 1 of 2
Figure 11:

Ignition Switch - ACCY/RUN, RUN/START Bus Bars, and IGNB1 Fuse


Object Number: 1749178  Size: FS
Master Electrical Component List
Control Module References
O2 SNSR and ETC Fuses - 4.2L
Ignition Switch - ACCY/RUN/START, RUN, START Bus Bars, and IGNA1 Fuse
B+ BUS - Underhood Fuse Block - 1 of 2
Figure 12:

O2 SNSR and ETC Fuses - 4.2L


Object Number: 1749179  Size: FS
Master Electrical Component List
Control Module References
ENG I, ETC, INJA, INJB, O2 SNSR A, and O2 SNSR B Fuses - 5.3L
Ignition Switch - ACCY/RUN, RUN/START Bus Bars, and IGNB1 Fuse
B+ BUS - Underhood Fuse Block - 2 of 2
Figure 13:

ENG I, ETC, INJA, INJB, O2 SNSR A, and O2 SNSR B Fuses - 5.3L


Object Number: 1749181  Size: FS
Master Electrical Component List
Control Module References
BCK/UP, BTSI, IGN E, and TRLR BCK/UP Fuses
O2 SNSR and ETC Fuses - 4.2L
B+ BUS - Underhood Fuse Block - 2 of 2
Figure 14:

BCK/UP, BTSI, IGN E, and TRLR BCK/UP Fuses


Object Number: 1749183  Size: FS
Master Electrical Component List
Control Module References
AIR SOL and PCM I Fuses
ENG I, ETC, INJA, INJB, O2 SNSR A, and O2 SNSR B Fuses - 5.3L
B+ BUS - Underhood Fuse Block - 2 of 2
AIR SOL and PCM I Fuses
Figure 15:

AIR SOL and PCM I Fuses


Object Number: 1749184  Size: FS
Master Electrical Component List
Control Module References
AIRBAG, ECM I, and TRANS Fuses
BCK/UP, BTSI, IGN E, and TRLR BCK/UP Fuses
BCK/UP, BTSI, IGN E, and TRLR BCK/UP Fuses
AIRBAG, ECM I, and TRANS Fuses
Figure 16:

AIRBAG, ECM I, and TRANS Fuses


Object Number: 1749185  Size: FS
Master Electrical Component List
Control Module References
4WD, BRK, FRT WPR, HVAC I, IGN 0, and TCM Fuses
AIR SOL and PCM I Fuses
AIR SOL and PCM I Fuses
Power and Grounding Schematic Icons
Figure 17:

4WD, BRK, GRT WPR, HVAC I, IGN 0 and TCM Fuses


Object Number: 1749187  Size: FS
Master Electrical Component List
Control Module References
HDM, HEADLAMP-LT, HEADLAMP-RT, HI HEADLAMP-LT, HI HEADLAMP-RT, IGN COILS, LO HEADLAMP-LT, LO HEADLAMP-RT, TRLR LT TRN, TRLR RT TRN, and TRLR STOP/TURN Fuses
AIRBAG, ECM I, and TRANS Fuses
B+ BUS - Rear Fuse Block
Figure 18:

HDM, HEADLAMP - LT, HEADLAMP - RT, HI HEADLAMP - LT, HI HEADLAMP - RT, IGN COILS, LO HEADLAMP - LT, LO HEADLAMP - RT, TRLR LT TRN, TRLR RT TRN, and TRLR STOP/TURN


Object Number: 1749188  Size: FS
Master Electrical Component List
Control Module References
FL TRN, FR TRN, RL TRN, and RR TRN Fuses
4WD, BRK, FRT WPR, HVAC I, IGN 0, and TCM Fuses
B+ BUS - Underhood Fuse Block - 1 of 2
Figure 19:

FL TRN, FR TRN, RL TRN, and RR TRN Fuses


Object Number: 1749193  Size: FS
Master Electrical Component List
Control Module References
HDM, HEADLAMP-LT, HEADLAMP-RT, HI HEADLAMP-LT, HI HEADLAMP-RT, IGN COILS, LO HEADLAMP-LT, LO HEADLAMP-RT, TRLR LT TRN, TRLR RT TRN, and TRLR STOP/TURN Fuses