GM Service Manual Online
For 1990-2009 cars only
Figure 1:

Power, Ground, MIL, and Serial Data


Object Number: 1430848  Size: FS
Master Electrical Component List
Powertrain Control Module Description
Control Module References
Engine Data Sensors - 5V and Reference Bussing
OBD II Symbol Description Notice
Fuseblock - Underhood Bus
ECM/ETC, EMISS, IGN, and INJECTORS Fuses - 2.2L
Ignition Switch and RUN/CRANK Fuse
ABS (10A), BACK UP, BOOST, ECM, TRANS 1, and TRANS 2 Fuses
Ignition Switch and RUN/CRANK Fuse
BCM ELECT, CLUSTER, EPS (60A), FUEL PUMP, HVAC, IGN SW, IP BATT 2, RUN (IGN 3), and STOP Fuses
G103 and G105 - 2.0L
DLC Power, Ground, Class 2, and Low Speed GM LAN
G101
Figure 2:

Engine Data Sensors - 5-Volt and Low Reference Busing


Object Number: 1470936  Size: FS
Master Electrical Component List
Powertrain Control Module Description
Control Module References
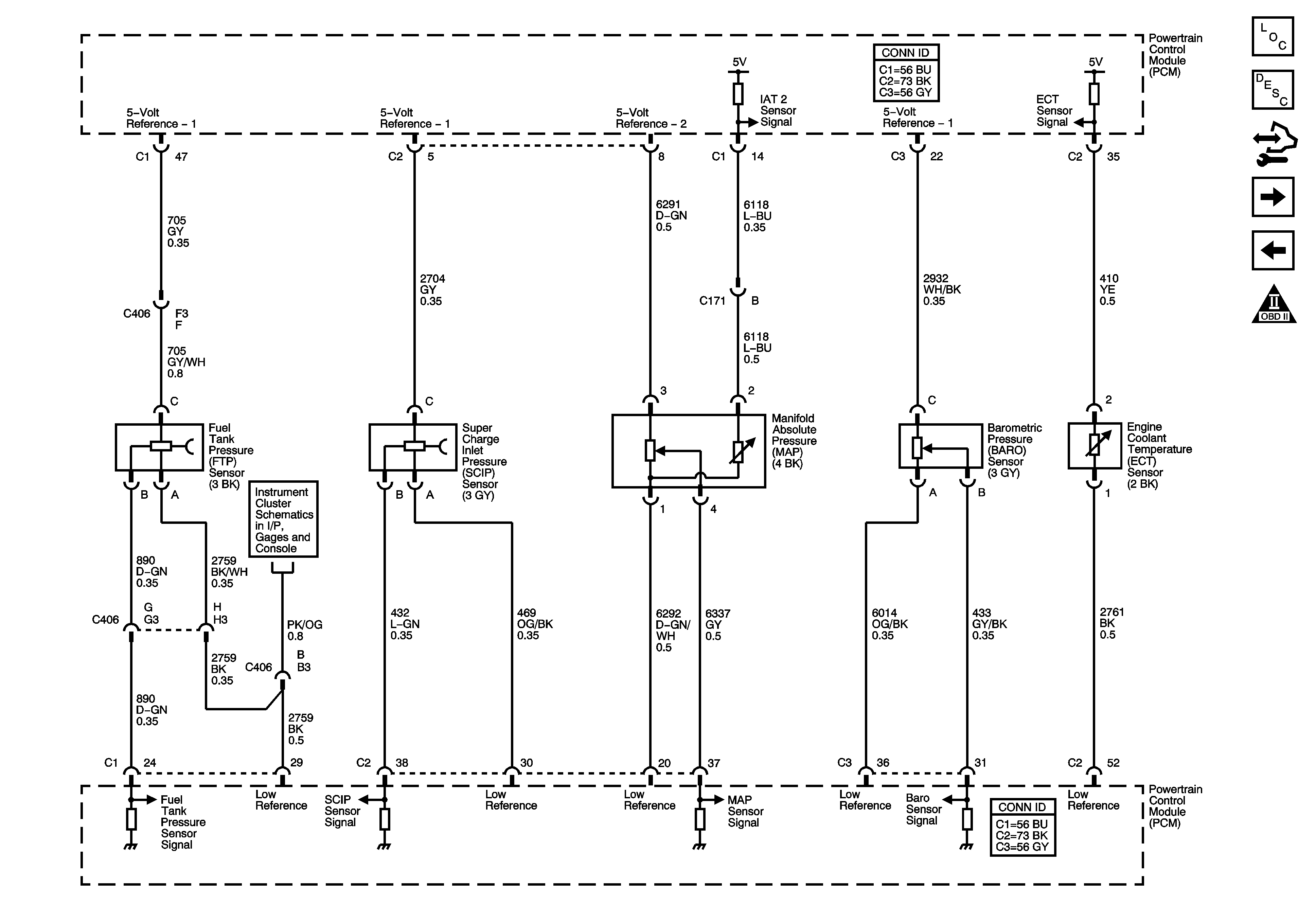
Engine Data Sensors - Pressure and Temperature
Power, Ground, MIL, and Serial Data
OBD II Symbol Description Notice
Figure 3:

Engine Data Sensors - Pressure and Temperature


Object Number: 1470939  Size: FS
Master Electrical Component List
Powertrain Control Module Description
Control Module References
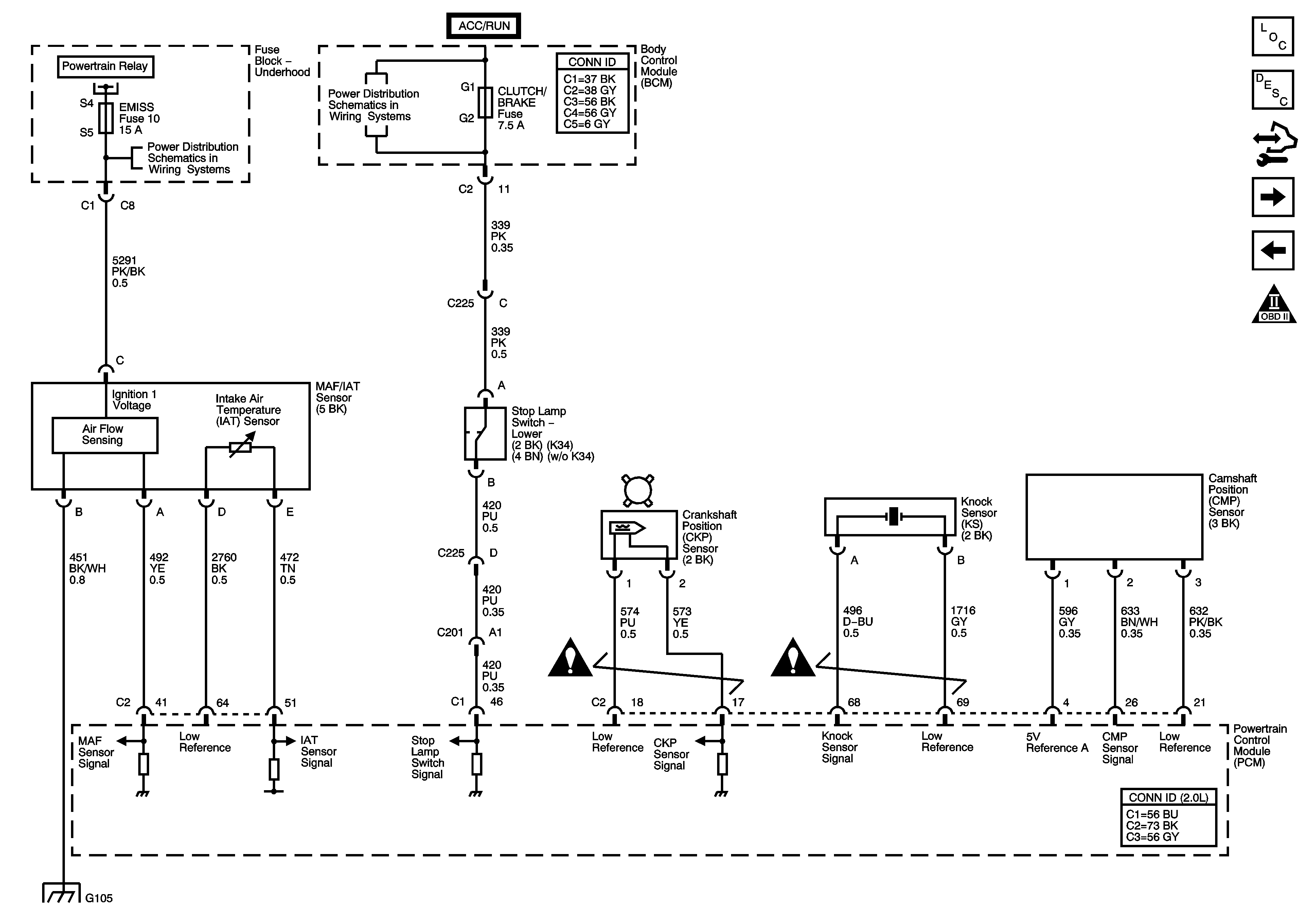
Engine Data Sensors - MAF/IAT, CKP, KS, and CMP
Engine Data Sensors - 5V and Reference Bussing
OBD II Symbol Description Notice
Fuel Level and Oil Pressure
Figure 4:

Engine Data Sensors - MAF/IAT, CKP, KS and Stop Lamp Switch - Lower


Object Number: 1470943  Size: FS
Master Electrical Component List
Powertrain Control Module Description
Control Module References
Engine Data Sensors - HO2S
Engine Data Sensors - Pressure and Temperature
OBD II Symbol Description Notice
Engine Controls Schematic Icons
Engine Controls Schematic Icons
ECM/ETC, EMISS, IGN, and INJECTORS Fuses - 2.0L
ECM/ETC, EMISS, IGN, and INJECTORS Fuses - 2.0L
AIR BAG, CLUTCH/BRAKE, and 2A EPS (2A) Fuses
G103 and G105 - 2.0L
Figure 5:

Engine Data Sensors - HO2S


Object Number: 1470948  Size: FS
Master Electrical Component List
Powertrain Control Module Description
Control Module References
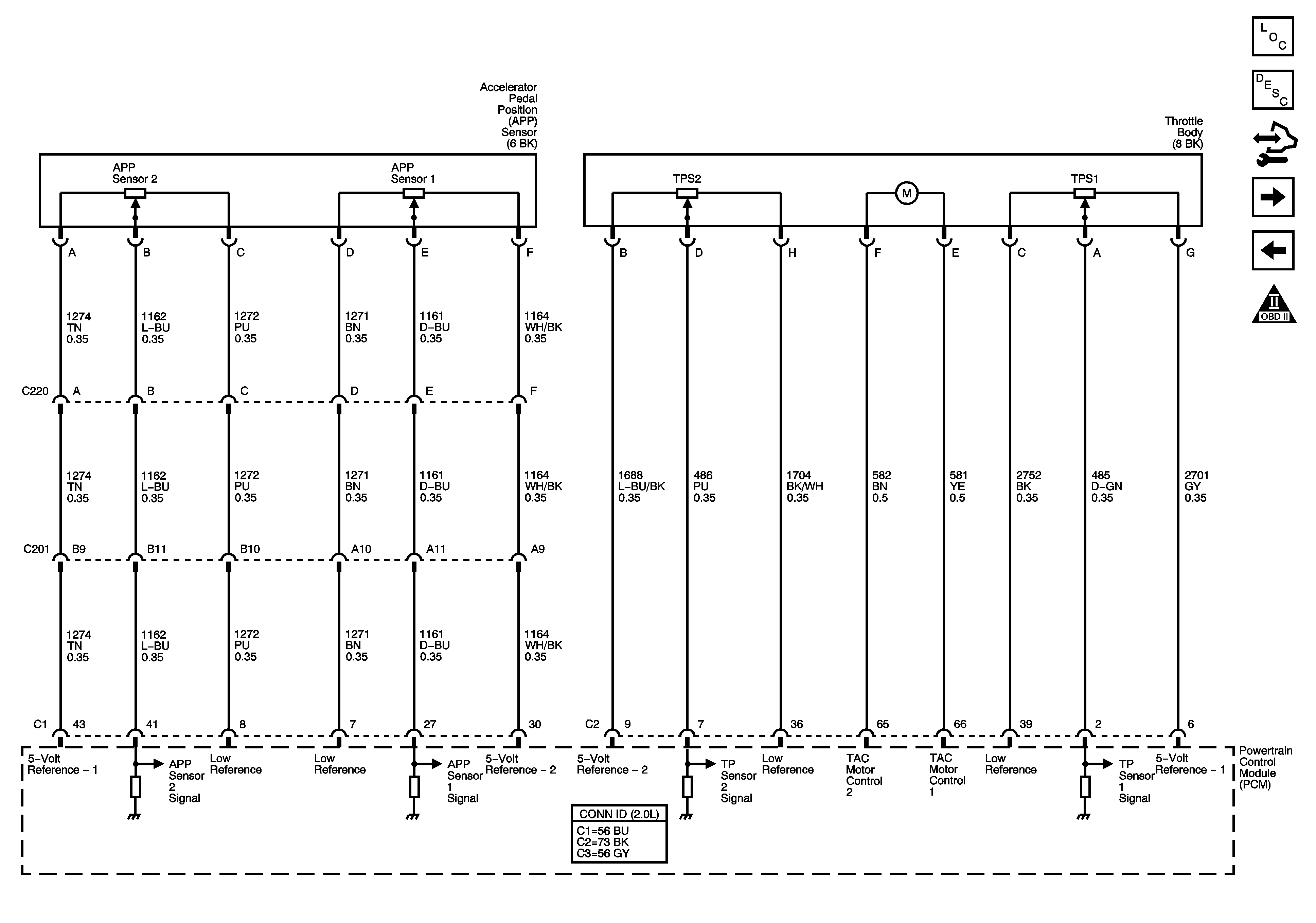
Engine Data Sensors - APP and TAC
Engine Data Sensors - MAF/IAT, CKP, KS, and CMP
OBD II Symbol Description Notice
ECM/ETC, EMISS, IGN, and INJECTORS Fuses - 2.0L
ECM/ETC, EMISS, IGN, and INJECTORS Fuses - 2.0L
Figure 6:

Engine Data Sensors - APP and TAC


Object Number: 1470952  Size: FS
Master Electrical Component List
Powertrain Control Module Description
Control Module References
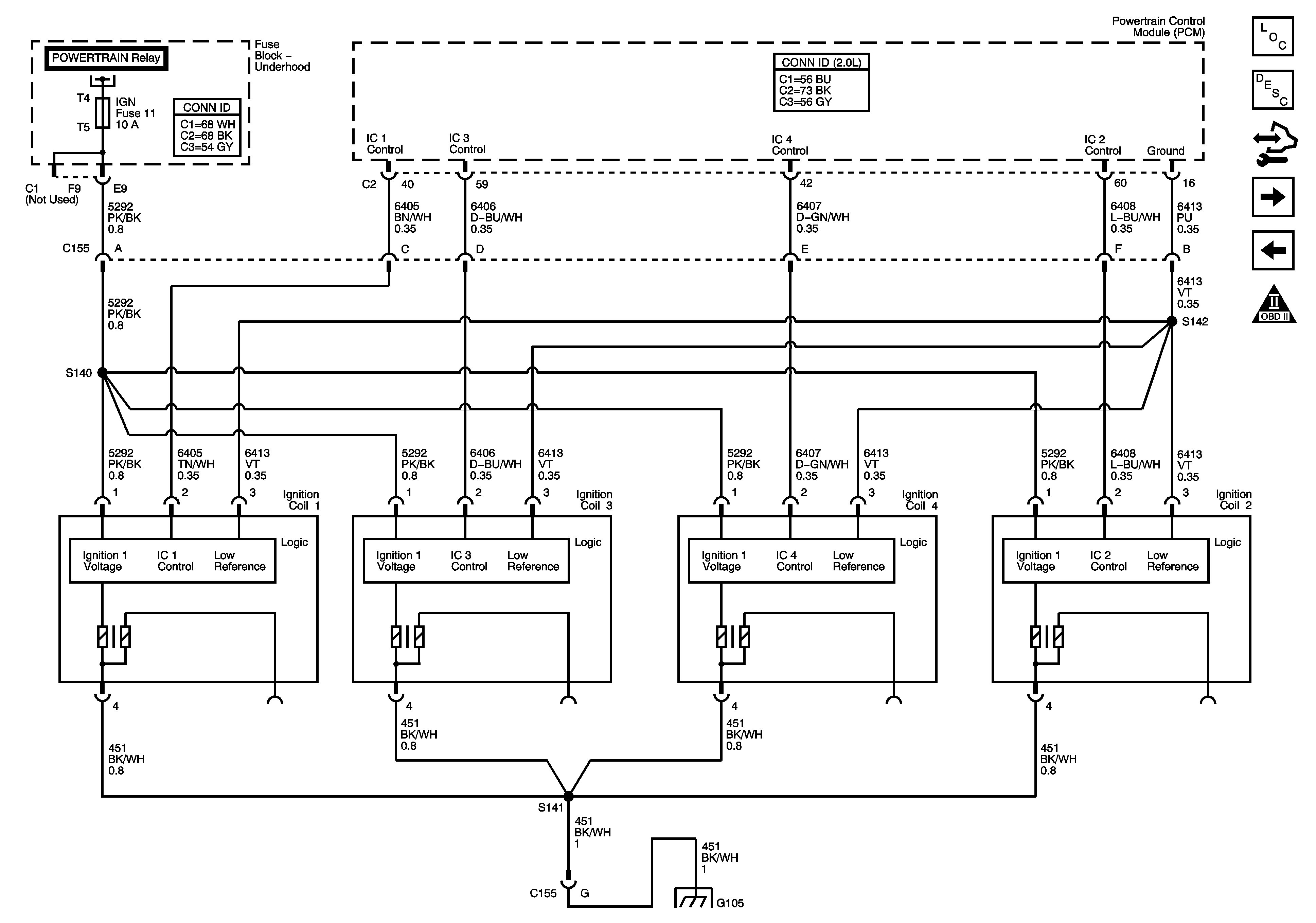
Ignition Controls
Engine Data Sensors - HO2S
OBD II Symbol Description Notice
Figure 7:

Ignition Controls


Object Number: 1470955  Size: FS
Master Electrical Component List
Powertrain Control Module Description
Control Module References
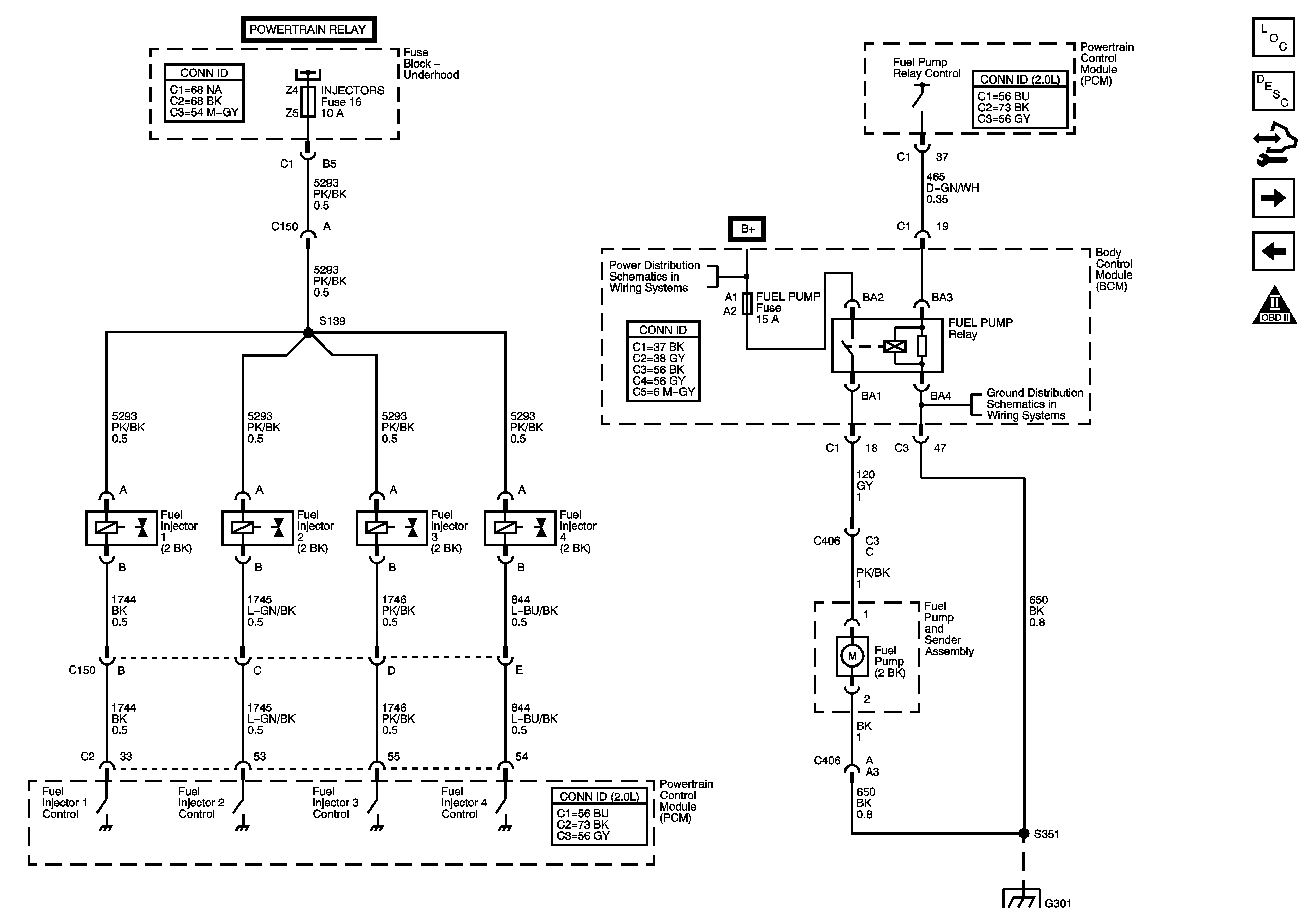
Fuel Controls
Engine Data Sensors - APP and TAC
OBD II Symbol Description Notice
ECM/ETC, EMISS, IGN, and INJECTORS Fuses - 2.0L
G103 and G105 - 2.0L
Figure 8:

Fuel Controls


Object Number: 1470957  Size: FS
Master Electrical Component List
Powertrain Control Module Description
Control Module References
EVAP Controls, After Cooler Pump, and Supercharger By-Pass Valve Solenoid
Ignition Controls
OBD II Symbol Description Notice
ECM/ETC, EMISS, IGN, and INJECTORS Fuses - 2.0L
Fuseblock - Underhood Bus
G301
G301
Figure 9:

EVAP Controls, After Cooler Pump, and Supercharger By-Pass Valve Solenoid


Object Number: 1470959  Size: FS
Master Electrical Component List
Powertrain Control Module Description
Control Module References
Controlled/Monitored Subsystem Reference
Fuel Controls
OBD II Symbol Description Notice
ECM/ETC, EMISS, IGN, and INJECTORS Fuses - 2.0L
ECM/ETC, EMISS, IGN, and INJECTORS Fuses - 2.0L
ABS (10A), BACK UP, BOOST, ECM, TRANS 1, and TRANS 2 Fuses
Ignition Switch and RUN/CRANK Fuse
Fuseblock - Underhood Bus
BCM ELECT, CLUSTER, EPS (60A), FUEL PUMP, HVAC, IGN SW, IP BATT 2, RUN (IGN 3), and STOP Fuses
G103 and G105 - 2.0L
Figure 10:

Controlled/Monitored Subsystem Reference


Object Number: 1470964  Size: FS
Master Electrical Component List
Powertrain Control Module Description
Control Module References
EVAP Controls, After Cooler Pump, and Supercharger By-Pass Valve Solenoid
OBD II Symbol Description Notice
Fuel Level and Oil Pressure
Driver Controls
Stop Lamp and Clutch Switches
Engine Cooling Schematics - 2.0L
A/C Compressor Controls - C60
Charging
Starting
Manual Transmission Schematics (MU3)