GM Service Manual Online
For 1990-2009 cars only
Figure 1:

Data Link, Ground, MIL, and Power


Object Number: 1742679  Size: FS
Master Electrical Component List
Throttle Actuator Control (TAC) System Description
Control Module References
5-Volt and Low Reference
B+ Bus - 1 of 2
Fuse Block - Underhood BCM Fuse, BCM Fuses: ECM/TCM, DR LCK, INT LIGHT, PWR WNDW, RDO, SDM, BCM Relays: DOOR LOCK, DOOR UNLOCK, DR DOOR UNLOCK, INADVERTENT LOAD CONTROL, RAP
Ignition Switch
G101 and G102
Fuse Block-Underhood ABS, BCK/UP LAMP, CAN VENT, ECM/TRANS, I/P IGN, OUTLET Fuses, RUN/CRNK Relay, and BCM Fuses: AIRBAG, EPS/STR WHL CNTRL, HVAC/IP IGN, WPR
Fuse Block - Underhood BCM Fuse, BCM Fuses: ECM/TCM, DR LCK, INT LIGHT, PWR WNDW, RDO, SDM, BCM Relays: DOOR LOCK, DOOR UNLOCK, DR DOOR UNLOCK, INADVERTENT LOAD CONTROL, RAP
High Speed LAN
G101 and G102
G103, G104, G105, G106 and G304
Figure 2:

5-Volt and Low Reference


Object Number: 1742684  Size: FS
Master Electrical Component List
Throttle Actuator Control (TAC) System Description
Control Module References
Engine Data Sensors - Pressure and Temperature
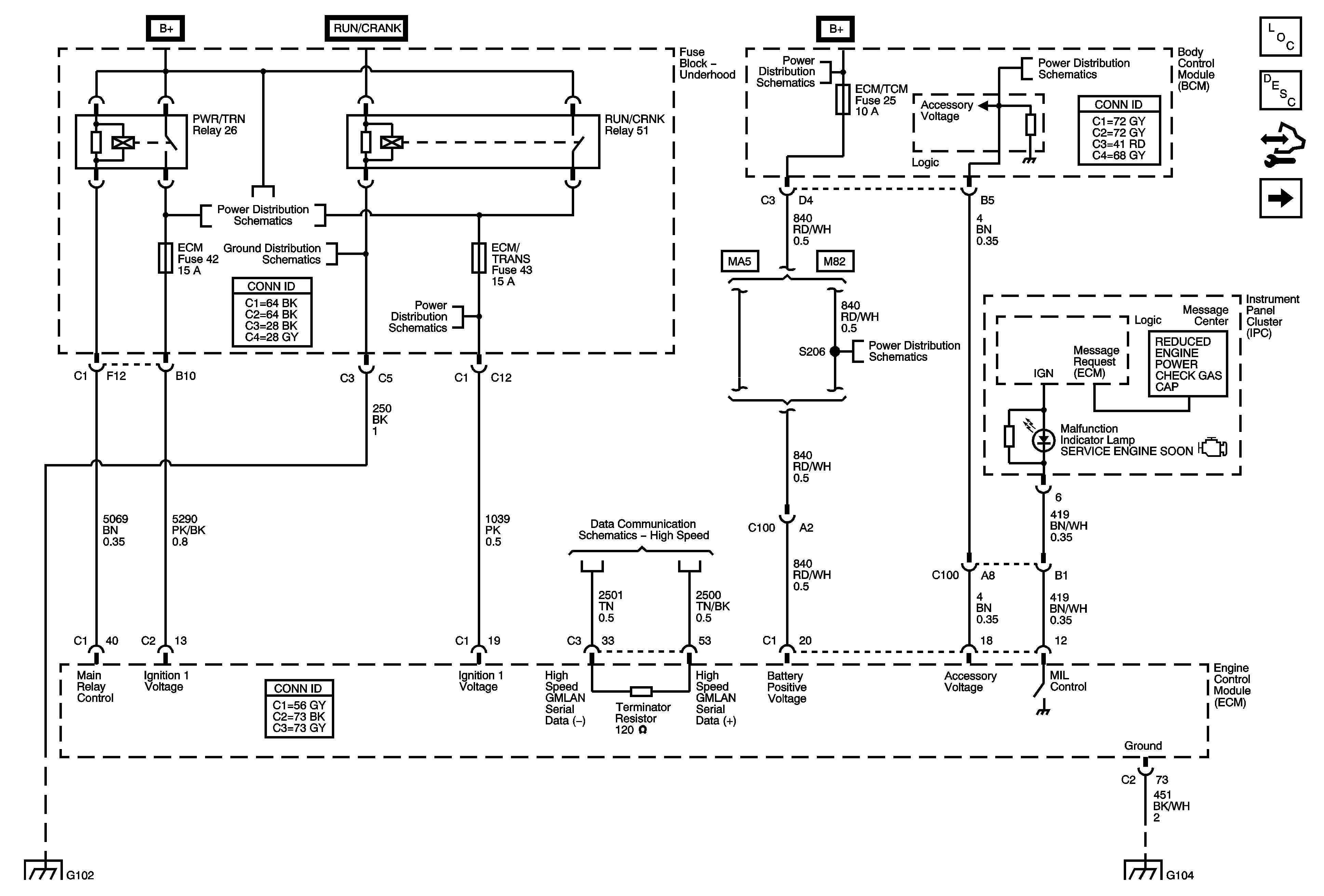
Data Link, Ground, MIL, and Power
Figure 3:

Engine Data Sensors - Pressure and Temperature


Object Number: 1742689  Size: FS
Master Electrical Component List
Air Intake System Description
Control Module References
Engine Data Sensors - Oxygen Sensors
5-Volt and Low Reference
Fuse Block-Underhood DLC, ECM, EXH, INJ IGN MDL, and TURBO Fuses, and PWR/TRN Relay
G103, G104, G105, G106 and G304
Figure 4:

Engine Data Sensors - Oxygen Sensors


Object Number: 1742691  Size: FS
Master Electrical Component List
Throttle Actuator Control (TAC) System Description
Control Module References
Engine Data Sensors - Electronic Throttle Controls
Engine Data Sensors - Pressure and Temperature
Data Link, Ground, MIL, and Power
Fuse Block-Underhood DLC, ECM, EXH, INJ IGN MDL, and TURBO Fuses, and PWR/TRN Relay
Figure 5:

Engine Data Sensors - Electronic Throttle Controls


Object Number: 1742696  Size: FS
Master Electrical Component List
Throttle Actuator Control (TAC) System Description
Control Module References
Ignition Controls - Ignition System
Engine Data Sensors - Oxygen Sensors
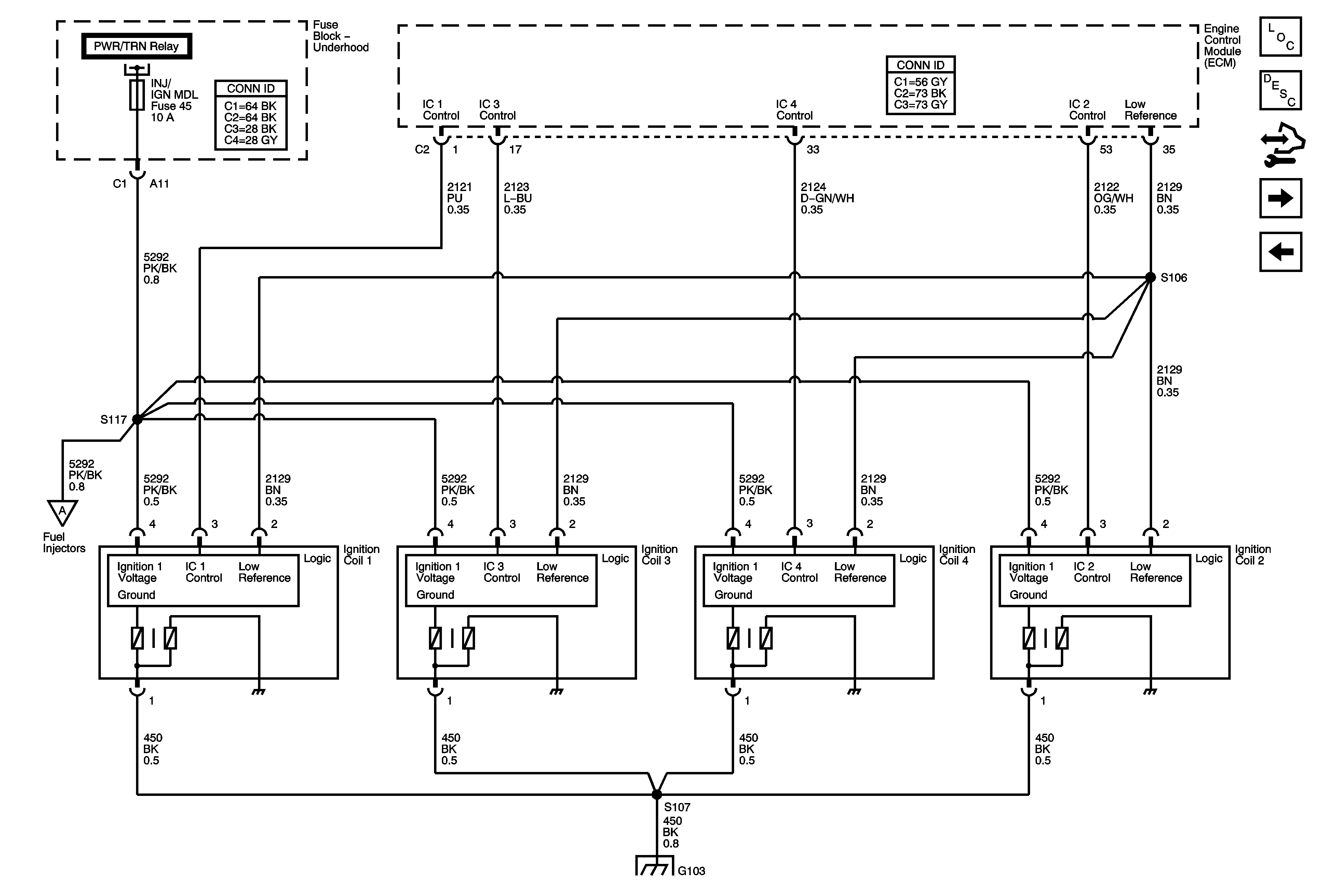
Figure 6:

Ignition Controls - Ignition System


Object Number: 1742704  Size: FS
Master Electrical Component List
Electronic Ignition (EI) System Description
Control Module References
Ignition Controls - Sensors
Engine Data Sensors - Electronic Throttle Controls
B+ Bus - 1 of 2
Fuel Controls - Fuel Pump Controls and Fuel Injectors
G103, G104, G105, G106 and G304
Figure 7:

Ignition Controls - Sensors


Object Number: 1742698  Size: FS
Master Electrical Component List
Electronic Ignition (EI) System Description
Control Module References
Fuel Controls - Fuel Pump Controls and Fuel Injectors
Ignition Controls - Ignition System
Engine Controls Schematic Icons
Figure 8:

Fuel Controls - Fuel Pump Controls and Fuel Injectors


Object Number: 1742701  Size: FS
Master Electrical Component List
Fuel System Description
Control Module References
Fuel Controls - EVAP
Ignition Controls - Sensors
B+ Bus - 1 of 2
Ignition Controls - Ignition System
G101 and G102
G301, G302, G303, G400 and G402
Instrument Cluster Schematics
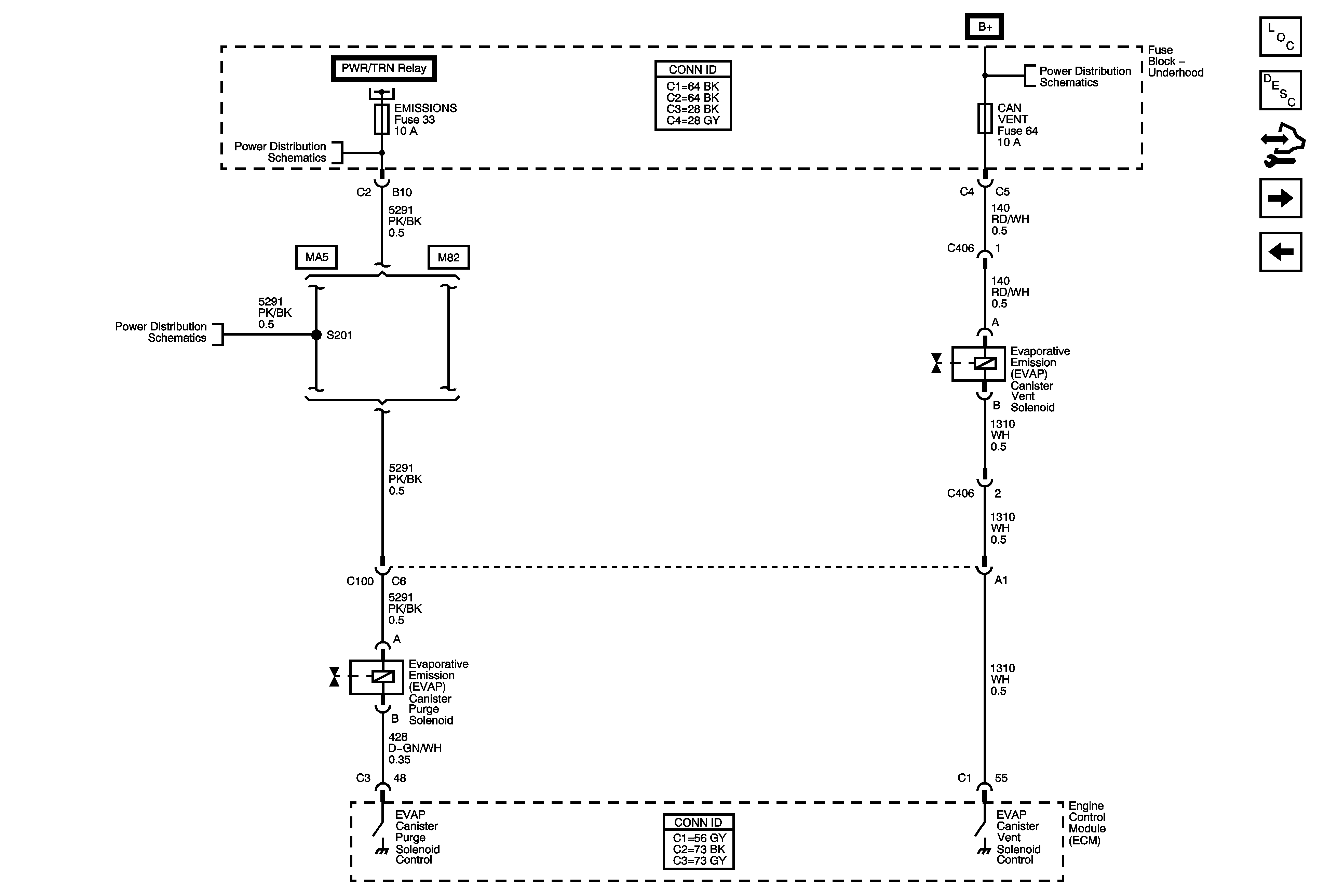
Figure 9:

Fuel Controls - EVAP


Object Number: 1742706  Size: FS
Master Electrical Component List
Evaporative Emission Control System Description
Control Module References
Controlled/Monitored Subsystem References
Fuel Controls - Fuel Pump Controls and Fuel Injectors
Fuse Block-Underhood ABS, BCK/UP LAMP, CAN VENT, ECM/TRANS, I/P IGN, OUTLET Fuses, RUN/CRNK Relay, and BCM Fuses: AIRBAG, EPS/STR WHL CNTRL, HVAC/IP IGN, WPR
Fuse Block-Underhood DLC, ECM, EXH, INJ IGN MDL, and TURBO Fuses, and PWR/TRN Relay
Fuse Block-Underhood DLC, ECM, EXH, INJ IGN MDL, and TURBO Fuses, and PWR/TRN Relay
Figure 10:

Controlled/Monitored Subsystem References


Object Number: 1742707  Size: FS
Master Electrical Component List
Control Module References
Fuel Controls - EVAP
Stop and Turn Signal Lamps
Instrument Cluster Schematics
Cruise Control Schematics
Manual Transmission Schematics
Starting and Charging Schematics
LE5
Compressor Controls