GM Service Manual Online
For 1990-2009 cars only
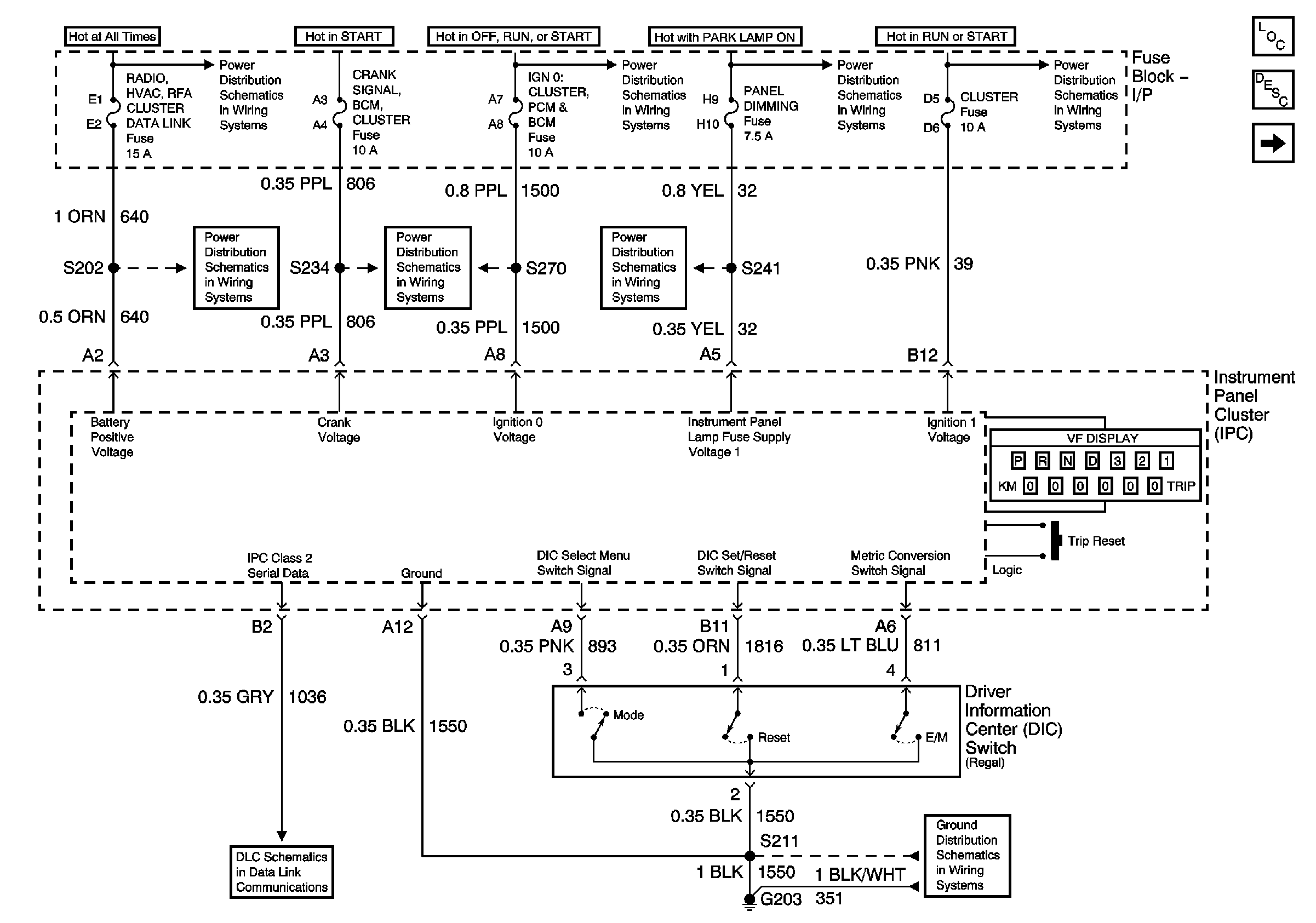
Figure 1:

Power, Ground, DIC Switch, and DLC


Object Number: 819515  Size: FS
Master Electrical Component List
Instrument Cluster Description and Operation
Gauges
Batt 1 Fuse
Power Distribution Schematics (IGN 1)
Lighting
Power Distribution Schematics (IGN 1)
Batt 1 Fuse
Cluster, BCM, PCM, BTSI
Lighting
Data Link Connector (DLC)
G203 (Page 1 of 2)
Figure 2:

Gages


Object Number: 803974  Size: FS
Master Electrical Component List
Driver Information Center (DIC) Description and Operation
Indicators
DID Switch, Power, Ground, and DLC
EVAP Controls and FTP Sensor
Fuel Pump Control, FTP
Data Link Connector (DLC)
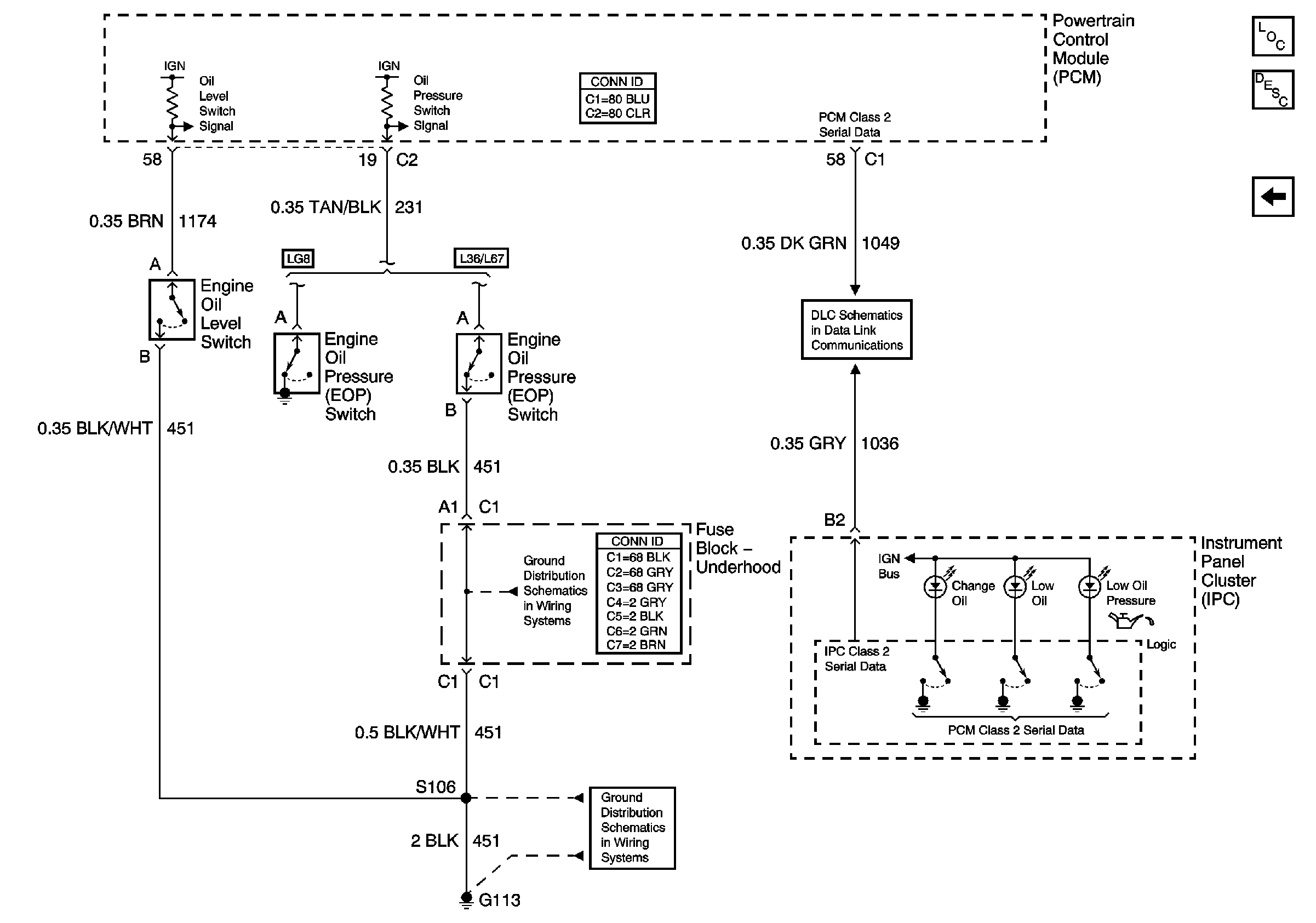
Figure 3:

Indicators, Page 1 of 2


Object Number: 819517  Size: FS
Master Electrical Component List
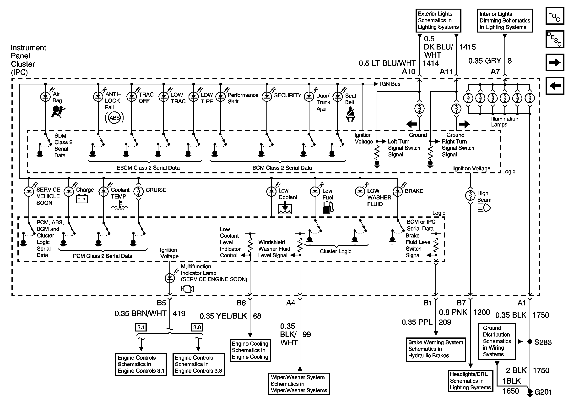
Instrument Cluster Description and Operation
Low Oil Pressure and Low Oil Indicators
Gauges
Front Park Lamps
I/P Dimmer Switch, HVAC, and IPC
Module Power, Ground, Serical Data, and MIL
Power,Ground,DLC,and MIL
Coolant Level Indicator
Wiper/Washer System
Brake Warning System
Headlamps and Headlamp Dimmer Switch
G201
Figure 4:

Indicators, Page 2 of 2


Object Number: 803975  Size: FS
Master Electrical Component List
Indicator/Warning Message Description and Operation
Indicators
Data Link Connector (DLC)
G100, G111, and G113
G100, G111, and G113