GM Service Manual Online
For 1990-2009 cars only
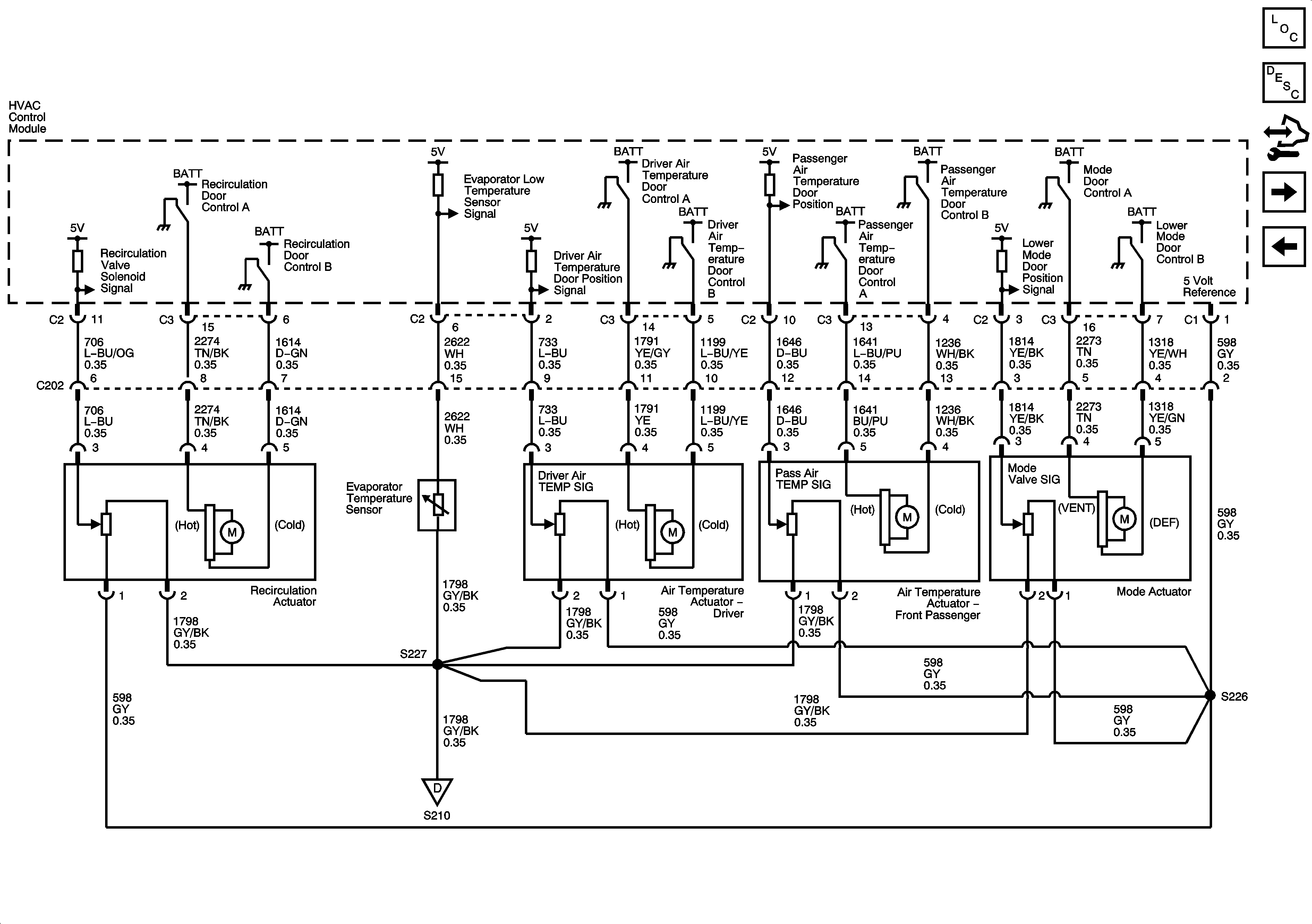
Figure 1:

Power, Ground, Blower Motor Controls


Object Number: 1680213  Size: FS
Master Electrical Component List
Air Delivery Description and Operation
Control Module References
Mode and Air Temperature Controls
Rear Fuse Block B+
PRK LAMP, DRL Relays, IP HARN MDL, LT PRK LAMP, RT PRK LAMP, DRL Fuses
Underhood Fuse Block B+
RUN/CRANK Relay, TRANS IGN 3, AIRBAG IGN 3, HVAC/IPC, ECM IGN 3 Fuses
PRK LAMP, DRL Relays, IP HARN MDL, LT PRK LAMP, RT PRK LAMP, DRL Fuses
RUN/CRANK Relay, TRANS IGN 3, AIRBAG IGN 3, HVAC/IPC, ECM IGN 3 Fuses
Defogger Schematics
Hazard, Headlamp, Driver Information Display Switches, Ashtray, HVAC Control Module, Radio
G304
G304
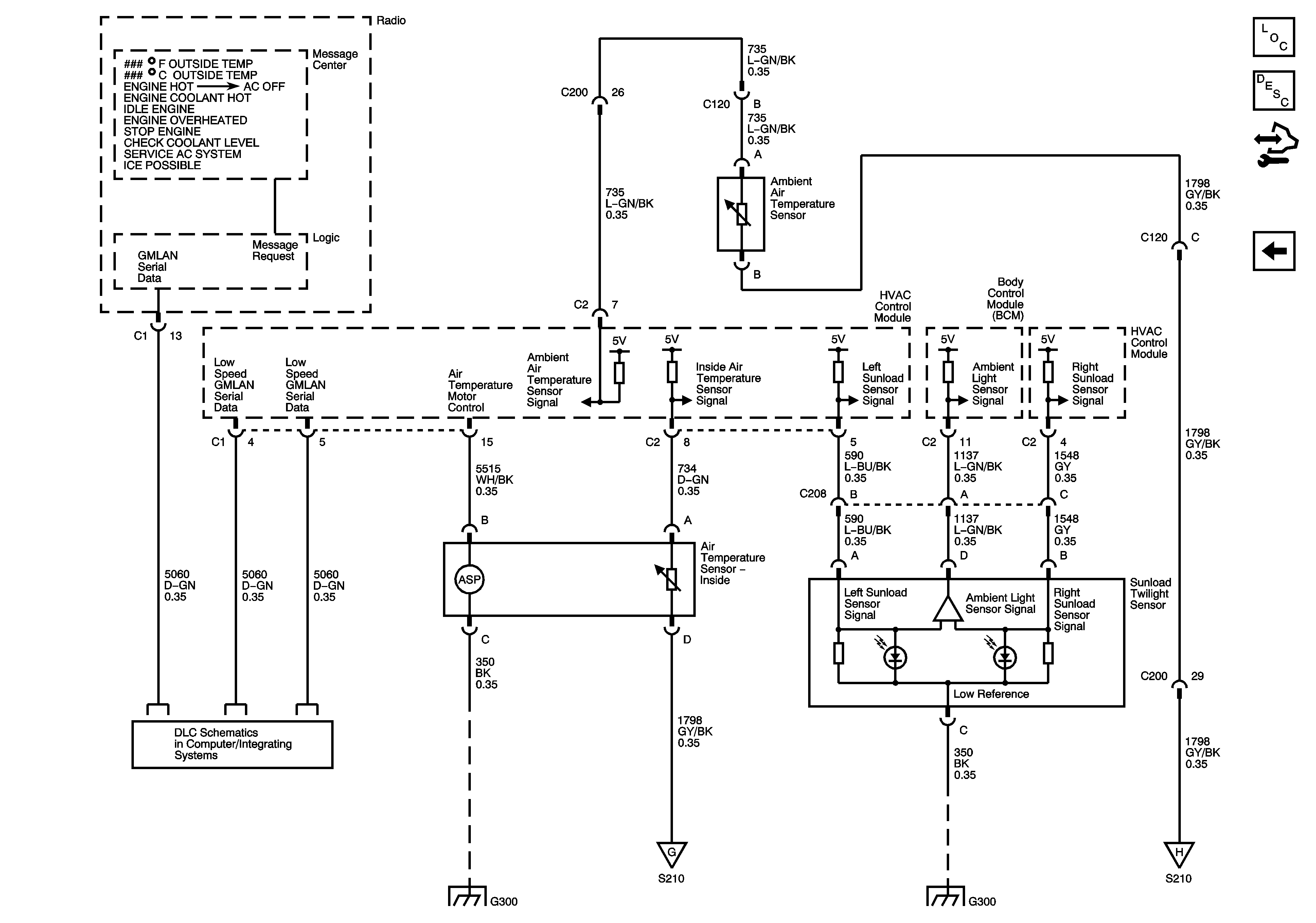
Mode and Air Temperature Controls
Air Temperature Sensors
Air Temperature Sensors
G100, G112 (LD8)
Figure 2:

Mode and Air Temperature Controls


Object Number: 1680215  Size: FS
Master Electrical Component List
Air Delivery Description and Operation
Control Module References
Compressor Controls
Power, Ground, Blower Motor Control
Power, Ground, Blower Motor Control
Figure 3:

Compressor Controls


Object Number: 1680216  Size: FS
Master Electrical Component List
Air Delivery Description and Operation
Control Module References
Air Temperature Sensors
Mode and Air Temperature Controls
Underhood Fuse Block B+
Underhood Fuse Block B+
High Speed Serial Data
G112 (L26)
G101, G110, G111, G114, G115, G302, G303, G306, G307
Figure 4:

Air Temperature Sensors


Object Number: 1680218  Size: FS
Master Electrical Component List
Air Delivery Description and Operation
Control Module References
Compressor Controls
Power, Ground, and Low Speed GMLAN
G300
Power, Ground, Blower Motor Control
G300
Power, Ground, Blower Motor Control