GM Service Manual Online
For 1990-2009 cars only
Figure 1:

Cell 51: Body Control Module Power and Ground


Object Number: 456790  Size: FS
Cell 10: IGN, RUN/CRK, RUN, SBM, and PCM/CRU Fuses
Cell 10: CRK and THEFT Fuses
Cell 10: BATT 1, RDM, C/LTR, DDM, HTDST L, TRK REL, PDM, SBM, and CSTR/SBM FuseS
Cell 10: CRK and THEFT Fuses
Cell 10: IGNFD, T/SIG, OXY SEN, and SBM LCM Fuses
Body Control Module Components
Body Control System Circuit Description
Cell 51: Body Control Module Inputs and Outputs (1 of 3)
Cell 114: courtesy Lamp Switch, Footwell Lamps, LH Door Courtesy Lamps, and IP Compartment Lamp
Handling ESD Sensitive Parts Notice
Cell 10: IGNFD, T/SIG, OXY SEN, and SBM LCM Fuses
Cell 10: BATT 1, RDM, C/LTR, DDM, HTDST L, TRK REL, PDM, SBM, and CSTR/SBM FuseS
Cell 10: IGNFD, T/SIG, OXY SEN, and SBM LCM Fuses
Ground Distribution Schematics
Cell 10: BATT 1, RDM, C/LTR, DDM, HTDST L, TRK REL, PDM, SBM, and CSTR/SBM FuseS
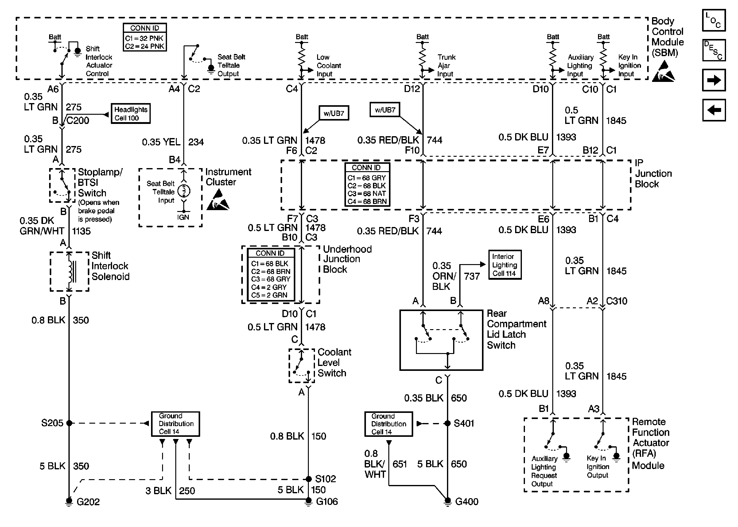
Figure 2:

Cell 51: Body Control Module Inputs and Outputs (1 of 3)


Object Number: 456793  Size: FS
Body Control Module Components
Body Control System Circuit Description
Cell 51: Body Control Module Inputs and Outputs (2 of 3)
Cell 51: Body Control Module Power and Ground
Handling ESD Sensitive Parts Notice
Cell 14: G400 (1 of 2)
Ground Distribution Schematics
Cell 114: Auxiliary Lighting Control, RH Door Courtesy Lamps, and Rear COmpartment Lamp
Handling ESD Sensitive Parts Notice
Cell 100: Headlamp Dimmer, Park Gear Input, and High Beam Indicator
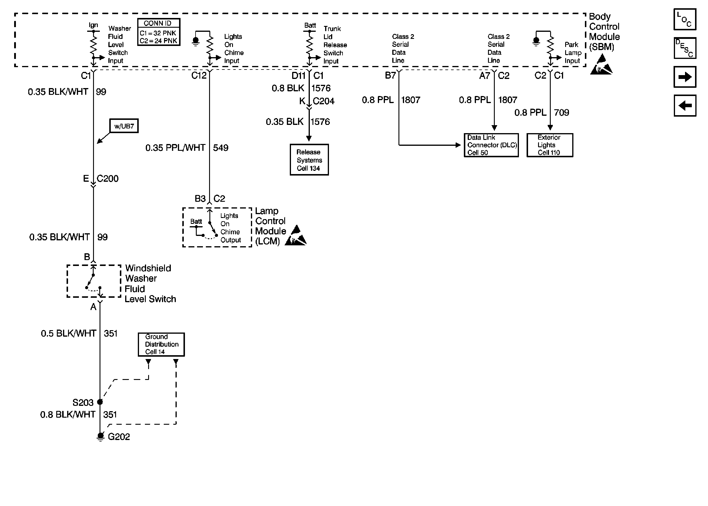
Figure 3:

Cell 51: Body Control Module Inputs and Outputs (2 of 3)


Object Number: 456795  Size: FS
Body Control Module Components
Body Control System Circuit Description
Cell 51: Body Control Module Inputs and Outputs (3 of 3)
Cell 51: Body Control Module Inputs and Outputs (1 of 3)
Cell 50: Class 2 Serial Data Line
Cell 110: LH Park Lamps
Cell 134: Release Relay and Actuators
Cell 14: G202 (1 of 4)
Handling ESD Sensitive Parts Notice
Handling ESD Sensitive Parts Notice
Figure 4:

Cell 51: Body Control Module Inputs and Outputs (3 of 3)


Object Number: 456797  Size: FS
Body Control Module Components
Body Control System Circuit Description
Cell 51: Body Control Module Inputs and Outputs (2 of 3)
Cell 143: Left Heated Seat
Cell 114: courtesy Lamp Switch, Footwell Lamps, LH Door Courtesy Lamps, and IP Compartment Lamp
Cell 114: Vanity Mirrors and Courtesy/Reading Lamps
Cell 14: G201 (2 of 2)
Handling ESD Sensitive Parts Notice
Cell 83
Cell 61