GM Service Manual Online
For 1990-2009 cars only
Figure 1:

Turn Signal/Hazard Flasher Module


Object Number: 1787564  Size: FS
Master Electrical Component List
Exterior Lighting Systems Description and Operation
Control Module References
Turn SIgnal Lamps (Domestic and Export) Repeator Lamps (Export w/T90)
Underhood Fuse Block B+ BUS 2 of 2
G104 1 of 2
G104 1 of 2
Underhood Fuse Block Wash noz, Strg (TL) and IGN MOD/MAF Fuses
Turn SIgnal Lamps (Domestic and Export) Repeator Lamps (Export w/T90)
Turn SIgnal Lamps (Domestic and Export) Repeator Lamps (Export w/T90)
Class 2 Serial Data Bus - LHD (2 of 2)
Turn SIgnal Lamps (Domestic and Export) Repeator Lamps (Export w/T90)
Turn SIgnal Lamps (Domestic and Export) Repeator Lamps (Export w/T90)
G200
Turn SIgnal Lamps (Domestic and Export) Repeator Lamps (Export w/T90)
Turn SIgnal Lamps (Domestic and Export) Repeator Lamps (Export w/T90)
Power, Ground and Serial Data 1 of 2
G200
Figure 2:

Turn Signal Lamps - Domestic and Export, Repeater Lamps - Export w/T90


Object Number: 1787568  Size: FS
Master Electrical Component List
Exterior Lighting Systems Description and Operation
Control Module References
Front Marker Lamps (w/TT7) and Front Park Lamps (w/o TT7)
Turn Signal/Hazard Flasher Module
Turn Signal/Hazard Flasher Module
Turn Signal/Hazard Flasher Module
Turn Signal/Hazard Flasher Module
Turn Signal/Hazard Flasher Module
Turn Signal/Hazard Flasher Module
Turn Signal/Hazard Flasher Module
G402 (2 of 2)
G401
Front Marker Lamps (w/TT7) and Front Park Lamps (w/o TT7)
G402 (2 of 2)
Lighting Headlights/DRL (Headlamps)
G104 1 of 2
Lighting Headlights/DRL (Headlamps)
G104 1 of 2
G402 (2 of 2)
G401
Figure 3:

Front Marker Lamps (w/TT7) and Front Park Lamps (w/o TT7)


Object Number: 1787571  Size: FS
Master Electrical Component List
Exterior Lighting Systems Description and Operation
Control Module References
License Lamps, Rear Marker Lamps and Tail Lamps
Turn SIgnal Lamps (Domestic and Export) Repeator Lamps (Export w/T90)
Headlamp Controls
Underhood Fuse Block B+ 1 of 2
Underhood Fuse Block Park Lamp Relay/Fuses and Dimming Fuses
License Lamps, Rear Marker Lamps and Tail Lamps
License Lamps, Rear Marker Lamps and Tail Lamps
License Lamps, Rear Marker Lamps and Tail Lamps
Lighting Headlights/DRL (Headlamps)
Lighting Headlights/DRL (Headlamps)
Class 2 Serial Data Bus - LHD (1 of 2)
G104 1 of 2
G200
G104 1 of 2
G104 2 of 2
G104 2 of 2
Figure 4:

License Lamps, Rear Marker Lamps, and Tail Lamps


Object Number: 1787578  Size: FS
Master Electrical Component List
Exterior Lighting Systems Description and Operation
Control Module References
Position Lamp Controls (Export w/T79)
Front Marker Lamps (w/TT7) and Front Park Lamps (w/o TT7)
Front Marker Lamps (w/TT7) and Front Park Lamps (w/o TT7)
Front Marker Lamps (w/TT7) and Front Park Lamps (w/o TT7)
Front Marker Lamps (w/TT7) and Front Park Lamps (w/o TT7)
G402 (2 of 2)
G402 (2 of 2)
G402 (2 of 2)
G401
G401
Figure 5:

Position Lamp Controls - Export w/T79


Object Number: 1787584  Size: FS
Master Electrical Component List
Exterior Lighting Systems Description and Operation
Control Module References
Position, Park, and Tail Lamps (Export)
License Lamps, Rear Marker Lamps and Tail Lamps
Headlamp Controls
Underhood Fuse Block Park Lamp Relay/Fuses and Dimming Fuses
Underhood Fuse Block Park Lamp Relay/Fuses and Dimming Fuses
Underhood Fuse Block B+ BUS 2 of 2
Headlamp Controls
Class 2 Serial Data Bus - LHD (2 of 2)
G200
Position, Park, and Tail Lamps (Export)
Position, Park, and Tail Lamps (Export)
Position, Park, and Tail Lamps (Export)
Position, Park, and Tail Lamps (Export)
Position, Park, and Tail Lamps (Export)
Position, Park, and Tail Lamps (Export)
Figure 6:

Position , Park, and Tail Lamps - Export


Object Number: 1787586  Size: FS
Master Electrical Component List
Exterior Lighting Systems Description and Operation
Control Module References
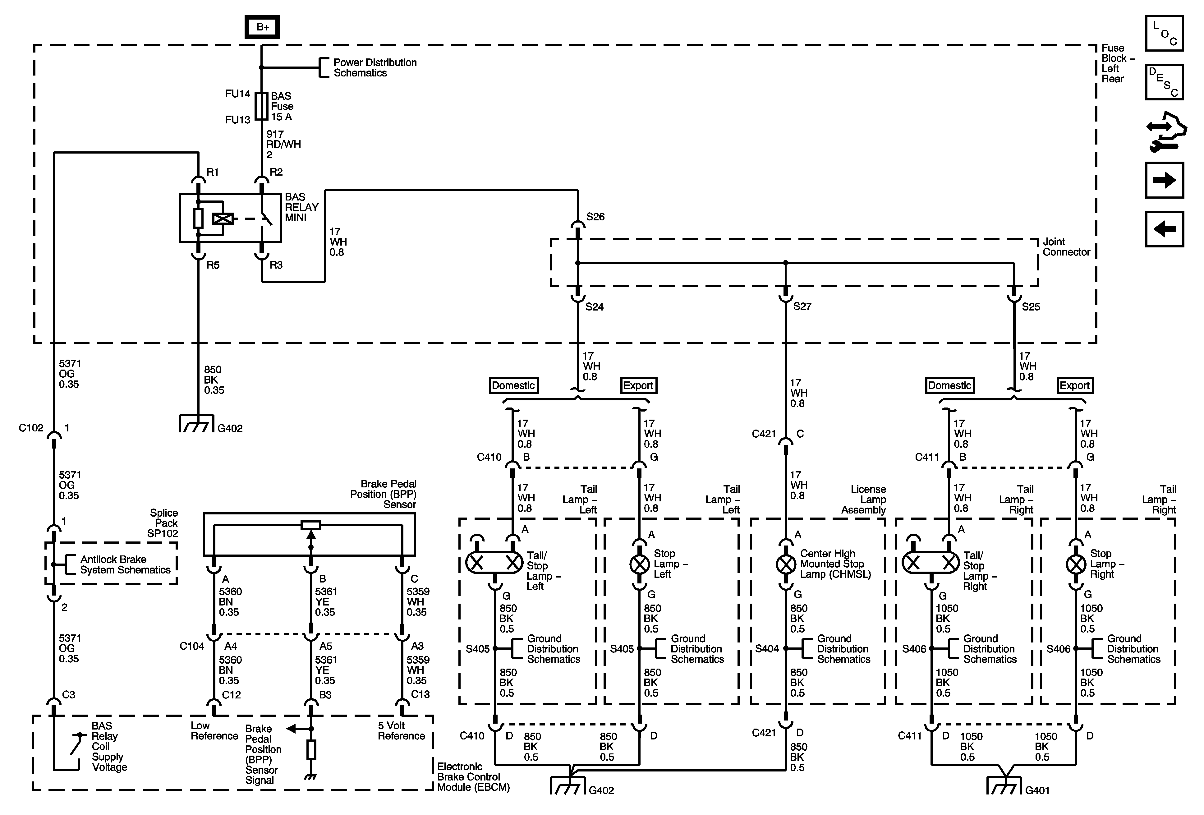
Stop Lamps, BPP Sensor and BAS Fuse/Relay (Domestic and Export)
Position Lamp Controls (Export w/T79)
Position Lamp Controls (Export w/T79)
Position Lamp Controls (Export w/T79)
Position Lamp Controls (Export w/T79)
Position Lamp Controls (Export w/T79)
Position Lamp Controls (Export w/T79)
Position Lamp Controls (Export w/T79)
G402 (2 of 2)
G401
Lighting Headlights/DRL (Headlamps)
Lighting Headlights/DRL (Headlamps)
G402 (2 of 2)
G401
G104 2 of 2
Figure 7:

Stop Lamps, BPP Sensor, and BAS Fuse/Relay - Domestic and Export


Object Number: 1787587  Size: FS
Master Electrical Component List
Exterior Lighting Systems Description and Operation
Control Module References
Backup Lamps
Position, Park, and Tail Lamps (Export)
Underhood Fuse Block B+ BUS 2 of 2
BPP Sensor, Switches and Indicators - 2.8L/3.6L (LP1/LY7)
G402 (2 of 2)
G402 (2 of 2)
G402 (2 of 2)
G402 (2 of 2)
G401
G401
G402 (2 of 2)
G401
Figure 8:

Backup Lamps


Object Number: 1787600  Size: FS
Master Electrical Component List
Exterior Lighting Systems Description and Operation
Control Module References
Stop Lamps, BPP Sensor and BAS Fuse/Relay (Domestic and Export)
Underhood Fuse Block B+ BUS 2 of 2
Class 2 Serial Data Bus - LHD (2 of 2)
G140, G141, and G142 (LS2)
Mirror Inside Rearview Mirror (UE1) Schematics
G402 (2 of 2)
G402 (2 of 2)