GM Service Manual Online
For 1990-2009 cars only
Figure 1:

Park Lamp Controls


Object Number: 785196  Size: FS
Master Electrical Component List
Exterior Lighting Systems Description and Operation
Front Parking Lamps
Battery Cable Bus
Underhood Fuse Block Fuse V5 and Fuse Block Fuses 6, 7, 20, and 25
Low Beam Relay K131 and Turn Signal Switch
Headlamp Switch, BCM, Heater and A/C Control and Instrument Cluster
G103 (8 of 8)
G103 (7 of 8)
G103 (6 of 8)
G103 (1 of 8)
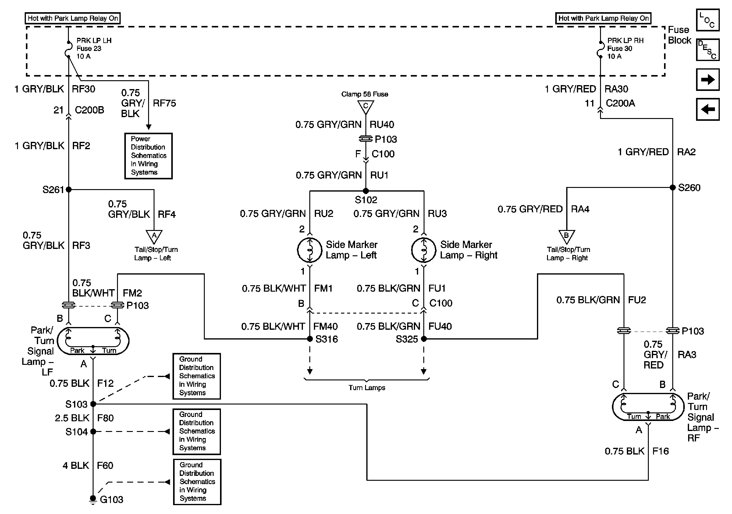
Figure 2:

Park/Turn Signal Lamps and Side Marker Lamps


Object Number: 785200  Size: FS
Master Electrical Component List
Exterior Lighting Systems Description and Operation
Rear Parking Lamps
Park Lamp Relay and Headlamp Switch
Park Lamp Relay and Headlamp Switch
Park Lamp Relay and Headlamp Switch
Fuse Block Fuses 22, 23, 30, and 31
Rear Parking Lamps
Rear Parking Lamps
Rear Parking Lamps
Turn/Hazard Lamps
G103 (4 of 8)
G103 (3 of 8)
G103 (1 of 8)
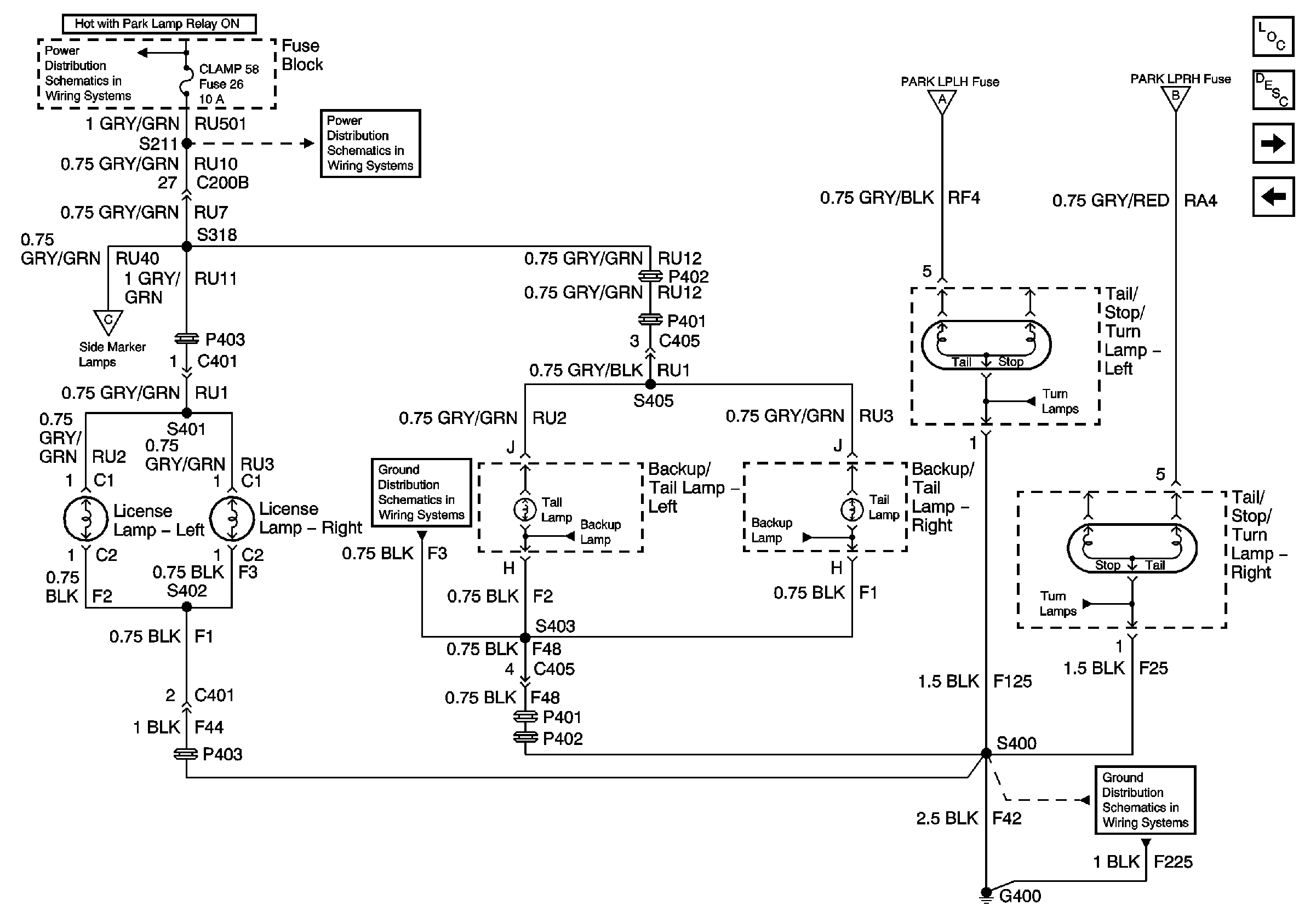
Figure 3:

Tail/Stop/Turn Lamps, Backup/Tail Lamps, and License Lamps


Object Number: 788565  Size: FS
Master Electrical Component List
Exterior Lighting Systems Description and Operation
Turn Signal and Hazard Warning Switch and IPC Turn Indicators
Front Parking Lamps
Park Lamp Relay and Headlamp Switch
Underhood Fuse Block Fuse V5 and Fuse Block Fuses 6, 7, 20, and 25
Fuse Block Fuse 26
Front Parking Lamps
Front Parking Lamps
Front Parking Lamps
Turn/Hazard Lamps
G400
Stop and Backup Lamps
Stop and Backup Lamps
Turn/Hazard Lamps
G400
Figure 4:

Hazard Switch, Turn Signal Switch, and IPC Indicators


Object Number: 786666  Size: FS
Master Electrical Component List
Exterior Lighting Systems Description and Operation
Turn/Hazard Lamps
Rear Parking Lamps
Underhood Fuse Block Fuses V1 and V4, and Ignition Switch
Underhood Fuse Block Fuse V5 and Fuse Block Fuses 6, 7, 20, and 25
Fuse Block Fuses 3, 13, and 19
Fuse Block Fuses 4, 12, 21, and 32
Turn/Hazard Lamps
Turn/Hazard Lamps
G103 (8 of 8)
G103 (7 of 8)
G103 (6 of 8)
G103 (1 of 8)
G103 (8 of 8)
Power, Ground, DLC, Turn Signal, Fog Lamp, Security, Rear Compartment Lid Release Open, High Beam Indicators and Back Lighting Lamps
Figure 5:

Tail/Stop/Turn Lamps, Park/Turn Signal Lamps, and Cornering Lamps


Object Number: 786667  Size: FS
Master Electrical Component List
Exterior Lighting Systems Description and Operation
Stop and Backup Lamps
Turn Signal and Hazard Warning Switch and IPC Turn Indicators
Turn Signal and Hazard Warning Switch and IPC Turn Indicators
Turn Signal and Hazard Warning Switch and IPC Turn Indicators
Underhood Fuse Block Fuse V5 and Fuse Block Fuses 6, 7, 20, and 25
Front Parking Lamps
Front Parking Lamps
Fuse Block Fuses 22, 23, 30, and 31
Stop and Backup Lamps
Stop and Backup Lamps
G103 (3 of 8)
G400
G103 (4 of 8)
G103 (1 of 8)
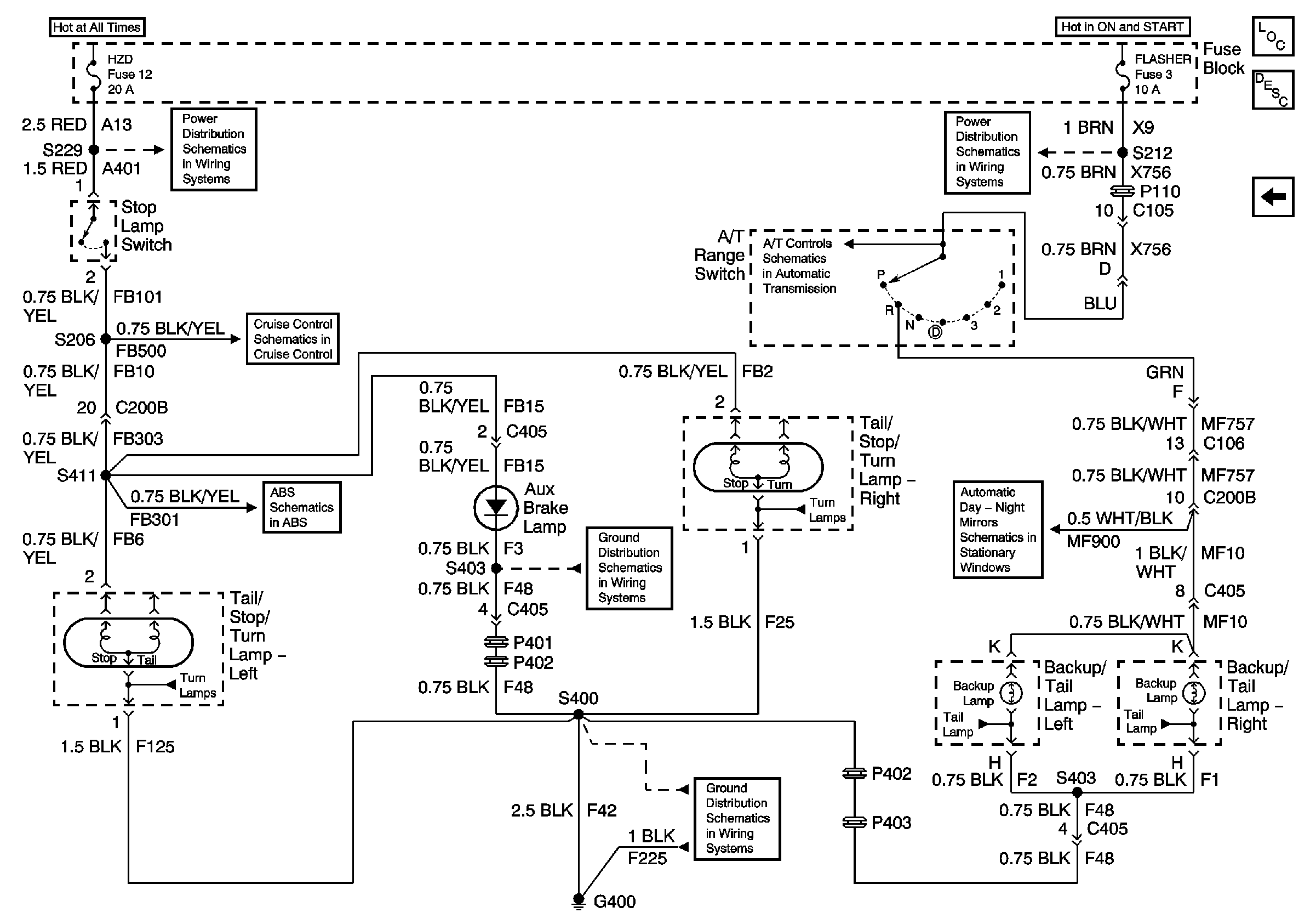
Figure 6:

Tail/Stop/Turn Lamps, AUX Brake Lamp, and Backup/Tail Lamps


Object Number: 787002  Size: FS
Master Electrical Component List
Exterior Lighting Systems Description and Operation
Turn/Hazard Lamps
Underhood Fuse Block Fuse V5 and Fuse Block Fuses 6, 7, 20, and 25
Underhood Fuse Block Fuses V1 and V4, and Ignition Switch
Fuse Block Fuses 4, 12, 21, and 32
Fuse Block Fuses 3, 13, and 19
Cruise Control Schematics
A/T Range Switch and Indicators
Electronic Traction Control Switch and Indicators
G400
Turn/Hazard Lamps
Power, Ground and Dimming
Turn/Hazard Lamps
G400
Rear Parking Lamps
Rear Parking Lamps